Home - Rasfoiesc.com
Educatie Sanatate Inginerie Business Familie Hobby Legal
Idei bun pentru succesul afacerii tale.producerea de hrana, vegetala si animala, fibre, cultivarea plantelor, cresterea animalelor




Aeronautica Comunicatii Constructii Electronica Navigatie Pompieri
Tehnica mecanica

Index » inginerie » electronica


Electronica


Rezonanta circuitelor de curent alternativ

Rezonanta circuitelor de curent alternativ             1.               Rezonanta circuitului RLC - serie             Impedanta acestui tip de circuit este:                                                           
Citeste mai mult « 234 cuvinte, 1 pag. »

Densitatea de curent


Densitatea de curent            Intensitatea curentului electric poate caracteriza complet modul in care este condus curentul electric numai prin conductorii omogeni si rectilinii pentru care viteza purtatorilor de sarcina e
Citeste mai mult « 224 cuvinte, 1 pag. »

Circuit cu rezistor si condensator (RC)

Circuit cu rezistor si condensator (RC)             Se considera un circuit format dintr-o sursa de alimentare, o rezistenta de valoare R si un condensator de capacitate C (Fig. 14.1). Pentru a putea inca
Citeste mai mult « 642 cuvinte, 2 pag. »

Calculul de rezistenta a generatorului navei

CALCULUL DE REZISTENTA             Calculul de rezistenta se aplica acelor elemente ale generatorului care lucreaza sub presiune :             -economizor                                       
Citeste mai mult « 1255 cuvinte, 3 pag. »

Exploatarea generatorului de abur

EXPLOATAREA GENERATORULUI DE ABUR 1 Generalitati La bord, pregatirile pot fi facute fie pentru cazul in care generatorul se afla dupa o scurta stationare fie pentru cazul unei stationa
Citeste mai mult « 2854 cuvinte, 6 pag. »

Comanda si protectia unui motor asincron cu pornire stea-triunghi


Comanda si protectia unui motor asincron cu pornire stea-triunghi             Majoritatea motoarelor nu permit pornirea prin conectare directa la retea si necesita metode speciale de pornire care urmar
Citeste mai mult « 528 cuvinte, 2 pag. »

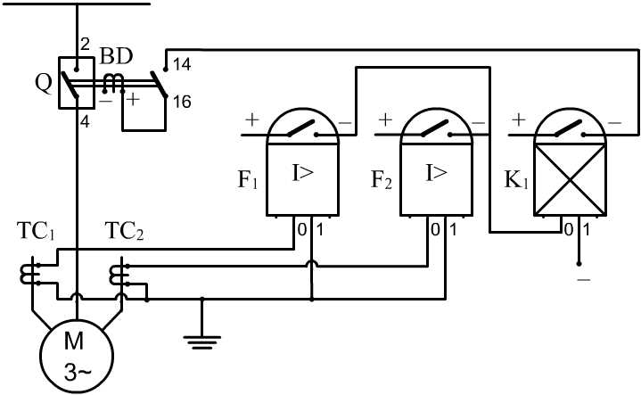
Protectia motoarelor asincrone de putere la scurtcircuite polifazate


Protectia motoarelor asincrone de putere la scurtcircuite polifazate             Protectia impotriva scurtcircuitelor polifazate a motoarelor de putere, in cazul motoarelor de putere ma­re alimentate prin intrerupatoare,
Citeste mai mult « 166 cuvinte, 1 pag. »

Protectia de gaze a transformatoarelor in ulei


Protectia de gaze a transformatoarelor in ulei             Aceasta protectie se utilizeaza pentru protectia transformatoarelor, de putere in cuva cu ulei impotriva defectelor interne. Elementul specific al
Citeste mai mult « 346 cuvinte, 1 pag. »

Sigurante fuzibile de joasa tensiune


Sigurante fuzibile de joasa tensiune             Sigurantele fuzibile sunt aparate cu interupere automata, care protejeaza circuitele de iluminat si de forta impotriva efectelor termice si d
Citeste mai mult « 1017 cuvinte, 3 pag. »

Intrerupatoare automate de joasa tensiune


INTRERUPATOARE AUTOMATE DE JOASA TENSIUNE             Intrerupatoarele automate sunt aparate electrice de comutatie, care in regim normal de functionare permit conectarea si deconectarea cu frecvent
Citeste mai mult « 3717 cuvinte, 8 pag. »

Protectia prin bobine de reactanta a generatoarelor sincrone


Protectia prin bobine de reactanta a generatoarelor sincrone Bobinele de reactanta sunt aparate care servesc la limitarea curentilor de scurt­circuit in circuitele electrice de mare putere si la men
Citeste mai mult « 512 cuvinte, 2 pag. »

Protectia maximala de curent temporizata a liniilor electrice radiale

Protectia maximala de curent temporizata a liniilor electrice  radiale                         Acest tip de protectie se utilizeaza in cazul retelelor radiale avand pe par­curs consumatori ce pleaca d
Citeste mai mult « 235 cuvinte, 1 pag. »

Comanda contactoarelor electromagnetice


Comanda contactoarelor electromagnetice             Pentru comanda contactoarelor electromagnetice se foloseste de obicei un buton dublu de actionare, cu revenire (format din inserierea a doua contacte unul NI si un
Citeste mai mult « 713 cuvinte, 2 pag. »



SIGURANTE FUZIBILE - Principiul de functionare al sigurantelor fuzibile


SIGURANTE FUZIBILE             Siguranta fuzibila este un aparat de conexiune si protectie a carui functie este de a intrerupe circuitul in care este conectata si de a intrerupe curentul, atu
Citeste mai mult « 1385 cuvinte, 3 pag. »

Separatoare de inalta tensiune

SEPARATOARE DE INALTA TENSIUNE             Normele de protectia muncii cer ca lucrarile de intretinere si reparatii in instalatiile de inalta tensiune sa se execute numai dupa ce circuit
Citeste mai mult « 1899 cuvinte, 4 pag. »

Protectia echipamentelor electrice

PROTECTIA ECHIPAMENTELOR ELECTRICE             Defectele care apar in instalatiile electrice sunt foarte complexe, atat ca des­fasurare, cat si din punctul de vedere al efectelor pe care le pot produce. Desi es
Citeste mai mult « 1382 cuvinte, 3 pag. »

Comanda si protectia unui motor asincron pornit cu rezistente rotorice


Comanda si protectia unui motor asincron pornit cu rezistente rotorice             In figura 5.9. este prezentata schema electrica desfasurata de comanda si protectie pentru pornire
Citeste mai mult « 300 cuvinte, 1 pag. »

Relee de inductie


Relee de inductie             Releele de inductie Ferraris sau wattmetrice cum li se mai spune sunt foarte raspandite in instalatiile de productie, in special ca elemente de baza a pro­tectiilor maxima
Citeste mai mult « 2586 cuvinte, 6 pag. »

Sisteme scada supervisory control and data acquisition

SISTEME SCADA SUPERVISORY CONTROL AND DATA ACQUISITION             In cazul concret al implementarilor de sisteme SCADA, care deservesc ins­talatii, retele sau sisteme electroenergetice, intalnim mai multe functii d
Citeste mai mult « 1240 cuvinte, 3 pag. »

Suport protector pentru senzorul PING

Suport protector pentru senzorul PING            Suportul protector este confectionat dintr-un aluminiu de inalta calitat,este destinat a fi atasat senzorului ultrasonic PING))) cu rolul de a il proteja in cazul unei
Citeste mai mult « 49 cuvinte, 1 pag. »


anterior ... 1 ... 89 10 1112 ... 49 ... urmator




Politica de confidentialitate





Copyright © 2026 - Toate drepturile rezervate

Electronica





termeni
contact

adauga