Home - Rasfoiesc.com
Educatie Sanatate Inginerie Business Familie Hobby Legal
Idei bun pentru succesul afacerii tale.producerea de hrana, vegetala si animala, fibre, cultivarea plantelor, cresterea animalelor




Aeronautica Comunicatii Constructii Electronica Navigatie Pompieri
Tehnica mecanica

Index » inginerie » electronica


Electronica


Descarcatoare

DESCARCATOARE             Descarcatoarele sunt aparate de protectie care pe langa functia principala de limitare a supratensiunilor sunt capabile sa reduca curentul de insotire la v
Citeste mai mult « 1623 cuvinte, 4 pag. »

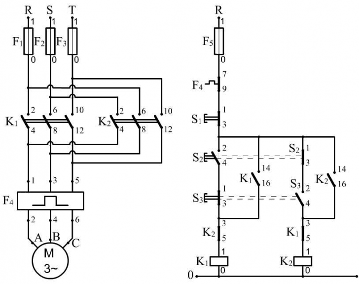
Comanda cu inversare de sens si protectia unui motor asincron


Comanda cu inversare de sens si protectia unui motor asincron             In figura 5.4. este prezentata schema electrica desfasurata de comanda (cu contactoare de curent alternativ), protecţ
Citeste mai mult « 314 cuvinte, 1 pag. »

Protectia integrata a retelelor electrice

PROTECTIA INTEGRATA A RETELELOR ELECTRICE             Progresul realizat in domeniul electronicii digitale face ca astazi majoritatea functiilor echipamentului secundar sa poata fi implementate cu ajut
Citeste mai mult « 1583 cuvinte, 4 pag. »

Senzor miscare - schita si caracteristici tehnice


Senzor miscare putere max 1200W la o intensitate de 230volti caracteristici tehnice: Alimentare 220 - 240 V Distanta de acoperire 12 m ( < 240 ) Zona acoperire (miscare)  1800  -  1400 Claritate  50 - 60 Iluminare &l
Citeste mai mult « 176 cuvinte, 1 pag. »

Dimensionarea circuitelor de receptor

Dimensionarea circuitelor de receptor TABELUL 4.3. Nr. crt. Elementul Marimea Relatia sau notatia Receptoare Pn=  nns= Pn=  nns=
Citeste mai mult « 1196 cuvinte, 3 pag. »

PROIECT ELECTROMECANICA - Retele de transport si distributie a energiei electrice


Universitatea „Lucian Blaga “ Sibiu Facultatea de Inginerie “Hermann Oberth” Sectia Electromecanica PROIECT
Citeste mai mult « 1895 cuvinte, 4 pag. »

Procedura instalare receptoare

PROCEDURA INSTALARE RECEPTOARE COSHIP SI KAON Proceduri si intructiuni operationale 1.     Instalarea unui STB nou             La instalarea unui STB nou, trebuie urmati cativa pas
Citeste mai mult « 573 cuvinte, 2 pag. »

Sisteme in timp continuu - sisteme analogice

SISTEME IN TIMP CONTINUU SISTEME ANALOGICE Conceptul de sistem este utilizat in electronica pentru a caracteriza: ansamblu de componente electrice si electronice interconectate in scopul prelucrar
Citeste mai mult « 323 cuvinte, 1 pag. »

Parametrii si caracteristicile portilor logice


PARAMETRII  SI  CARACTERISTICILE  PORTILOR  LOGICE 1.  SCOPUL  LUCRARII             Lucrarea are ca scop realizarea unei punti de legatura intre logica binara (booleana) si implementarea practic&#
Citeste mai mult « 5953 cuvinte, 12 pag. »

Osciloscopul catodic

Masurari Electrice si Electronice Lucrarea de laborator Osciloscopul catodic 1. Breviar teoretic Osciloscopul catodic este un aparat care permite vizualizarea valorii instantanee a unei tensiuni v(t) si m&
Citeste mai mult « 569 cuvinte, 2 pag. »

Cicloconvertoare monofazate

Cicloconvertoare monofazate             Se va studia principiul de functionare al cicloconvertorului monofazat pe schema cea mai simpla, formata din doua convertoare reversibile in tensiune, trifazate, cu punct median, monta
Citeste mai mult « 746 cuvinte, 2 pag. »

Calitatile si performantele sistemelor de reglare automata

CALITATILE SI PERFORMANTELE SISTEMELOR DE REGLARE AUTOMATA 1. Regimurile de functionare ale SRA Regimul normal de functionare al elementelor si sitemelor automate este acela in care toate mari
Citeste mai mult « 3936 cuvinte, 8 pag. »

Probleme rezolvate elecronica


            TEORIE: Sa se calculeze limita superioara a energiei disipate pe un ciclu de ceas de catre un inversor CMOS in conditiile : |Vtp|=Vtn=Vdd/5 si betan=betar/p. - c5+c3 Comanda sarcinilor capacitive mari in timp min
Citeste mai mult « 988 cuvinte, 2 pag. »



Retele trifazate in regim permanent sinusoidal

RETELE TRIFAZATE IN REGIM PERMANENT SINUSOIDAL             S-a constatat faptul ca transmiterea energiei electrice de la locul in care aceasta se produce catre utilizatori este cel mai avantajos daca linia electrica este alcatuita din trei
Citeste mai mult « 2976 cuvinte, 6 pag. »

Cicloconvertoare trifazate

Cicloconvertoare trifazate             Un cicloconvertor trifazat este format din trei cicloconvertoare monofazate, deci din trei convertoare in patru cadrane (fig. 7.9). Cele trei cicloconvertoare trebuie sa fie comandate astfel incat s&#
Citeste mai mult « 185 cuvinte, 1 pag. »

Multiplicatoare de frecventa

Multiplicatoare de frecventa             Pentru a obtine o tensiune la iesire de frecventa superioara celei de intrare (), trebuie sa avem mai multe tensiuni de alimentare, astfel incat acestea sa f
Citeste mai mult « 6059 cuvinte, 13 pag. »

PROIECT DE DIPLOMA - Echipamente electrice pentru un post de transformare

PROIECT DE DIPLOMA Absolvent Tema lucrarii: Echipamente electrice pentru un post de transformare; Probleme abordate in proiect: introducere – sinteza din literatura de specialitate prezentarea sol
Citeste mai mult « 8767 cuvinte, 18 pag. »

Particularitati ale actuatorilor utilizati in mecatronica

Actuator: un subansamblu care produce un lucru mecanic ca raspuns la un semnal; structura lui nu mai poate fi descompusa in sub-structuri decat cu riscul de a pierde capacitatea de generare a miscarii. Particularitati ale actuatorilor utili
Citeste mai mult « 1234 cuvinte, 3 pag. »

Norme de tehnica a protectiei muncii, igiena muncii si de prevenire si stingere a incendiilor avute in vedere in cazul repararii si intretinerii apara

Norme de tehnica a protectiei muncii, igiena muncii si de prevenire si stingere a incendiilor avute in vedere in cazul repararii si intretinerii aparatajului electric de pe locomotiva 1. Condi#
Citeste mai mult « 1083 cuvinte, 3 pag. »

Electromagnet

               Tinand cont de ghidajele armaturii mobile B, sistemul mecanic nu are decat un grad de libertate si anume deplasarea liniara a armaturii mobile pe directia  z. Tinand cont ca asupra acestei piese ac
Citeste mai mult « 370 cuvinte, 1 pag. »


anterior ... 1 ... 1112 13 1415 ... 49 ... urmator




Politica de confidentialitate





Copyright © 2026 - Toate drepturile rezervate

Electronica





termeni
contact

adauga