![]() | Afaceri | Agricultura | Economie | Management | Marketing | Protectia muncii |
| Transporturi |
Metode de sinteza a filtrelor
Scopul acestui capitol este de a prezenta cateva aspecte referitoare la filtrele analogice, liniare si invariante in timp. Desi exista o literatura bogata referitoare la sinteza filrelor, vom aborda o singura metoda de sinteza, poate cea mai simpla.
Se analizeaza in domeniul frecventa structurile de filtre pasive implementate prin retele in scara conectate intre terminatii neideale. Functiile de transfer ale filtrelor analizate sunt aproximari de tip Butterworth, Cebasev sau Bessel ale unor filtre de tip trece jos, trece sus sau trece banda ideale.
Filtre pasive
Sinteza diportilor pur reactivi conectati intre terminatii neideale
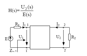
Diportii pur reactivi sunt retele de elemente nedisipative: bobine si condensatoare. Terminatiile neideale sunt rezistente nenule de valoare finita. Considerand diportul D din figura 4.1, prin sinteza se urmareste determinarea unei scheme de implementare a diportului pe baza functiei de transfer:
Figura 4.1. Schema bloc a unui diport pur reactiv
Analiza acestui diport poate fi facuta fara a
tine seama de structura interna, prin stabilirea legaturilor
intre transformatele U1, I1, U2 si I2. Admitand
ca doua dintre aceste transformate sunt variabile independente, se
pot exprima
familii de relatii de legatura intre cele
patru transformate.
Parametrii matriciali ai diportilor pasivi
Notand prin Mi matricea coloana formata din cele doua transformate independente si prin Md matricea coloana formata din cele doua transformate dependente de primele doua, legatura dintre cele patru transformate se poate exprima matricial prin relatia:
Md = MpMi
unde prin Mp s-a notat matricea parametrilor. In tabelul 4.1. sunt prezentate caracterizarile matriciale ale diportilor folosind parametrii matriciali Z, Y si A.
Tabelul 4.1
Parametrii de lucru ai diportilor
Acesti parametri sunt folositi la analiza diportilor inchisi pe terminatii neideale, facilitand analiza circuitelor pe baza functiilor lor de transfer. Considerand circuitul din figura 4.2, parametrii sai de lucru sunt impedanta de intrare si functia de transfer de la generator la sarcina.
Figura 4.2. Schema de conectare a diportului studiat.
Definitie. Se numeste functie de transfer de lucru si se noteaza Γ(s) expresia:
Se observa ca legatura dintre functia de transfer de lucru, Γ(s) si functia de
transfer in tensiune a circuitului:
Impedanta de intrare in diport la poarta 1 se calculeaza cu relatia:
Definitie. Se numeste coeficient de transfer de neadaptare la poarta 1 si se noteaza ρin 1, expresia:
Parametrii de repartitie ai diportilor
Acesti parametri sunt destinati analizei transferului de putere printr-un diport intre generatorul de semnal si sarcina. Neadaptarea la una din portile unui diport se poate pune in evidenta si prin puterea reflectata la acea poarta. Puterea refelectata la poarta 1 se poate considera ca fiind generata de catre un
generator conectat la poarta 2. De aceea, circuitul care contine un diport poate fi reprezentat si ca in figura4.3.
Figura 4.3. Evidentierea neadaptarii in putere a diportului la iesire.
Definitie. Se numeste
matrice de incidenta si se noteaza cu [a] matricea
coloana:
Definitie. Se numeste matrice de reflexie si se noteaza cu [b] matricea coloana:
Definitie. Se numeste matrice de repartitie si se noteaza cu [s] matricea definita prin:
Tinand seama
de ultima definitie, parametrii s pot fi exprimati in functie de
parametrii de lucru ai aceluiasi circuit dupa cum urmeaza:
(1) (2)
(3)
Similar se pot
deduce relatiile:
(4)
Definind matriceal puterea vehiculata prin diport cu formula:
(5)
se poate demonstra prin calcul, identitatea:
(6)
unde cu
si
s-au notat transpusele matricilor formate cu conjugatele elementelor
matricilor [a] si [b]. Daca se doreste determinarea puterii
disipate in diport, Pd, avand in vedere ca aceasta este pur
reala, separand partea reala din membrul drept al relatiei de
mai sus, se obtine:
(7)
Dar, in cazul diportilor pur reactivi, este indeplinita conditia: Pd = 0
(8)
si deci:
sau, tinand seama de definitia matricii [s]:
(9)
(10)
(11)
unde cu [l] s-a notat matricea unitate. Aceasta conditie este indeplinita daca:
(12)
(13)
Aceasta relatie conduce la
conditiile:
(14)
care se mai scriu:
(15)
(16)
(17)

Inmultind la stanga cu [s] si la dreapta cu [s]-1 relatia, se obtine:
conditie din
care decurg ecuatiile:
(18)
(19)
Din relatiile (15), (16), (18) si (19) se constata ca:
(20)
Tinand seama de relatiile (1) si (2), relatia (20) se mai scrie:
(21)
relatie care permite stabilirea legaturii dintre parametrii de lucru ai unui diport nedisipativ.
Copyright © 2025 - Toate drepturile rezervate