![]() | Aeronautica | Comunicatii | Constructii | Electronica | Navigatie | Pompieri |
| Tehnica mecanica |
Raport de Cercetare
Grant: A2278 - METODE INTELIGENTE DE PROIECTARE SI CONTROL PENTRU CONVERTOARE ELECTRONICE DE PUTERE PERFORMANTE IN VEDEREA ASIGURARII CALITATII ENERGIEI ELECTRICE
Proiectul si-a propus dezvoltarea de metode si tehnologii de proiectare a unor convertoare de putere performante, care sa respecte cerintele de calitate a energiei electrice, folosind algoritmi inteligenti si platforme DSP cu procesoare in virgula mobila. Finalizarea sa a condus la dezvoltarea unei platforme de implementare, studiu si testare a sistemelor inteligente, bazata pe procesorul DSP TMS320C6711, precum si la proiectarea unei biblioteci de algoritmi genetici, implementabili DSP, utilizabili in proiectarea si controlul convertoarelor. Deoarece TMS320C6711, superior ca performante celor din familia 2000 actualmente folositi in electronica de putere, nu este dedicat unor astfel de aplicatii, a fost necesara proiectarea unei interfete adecvate pentru comunicarea cu sistemul controlat. Din categoria algoritmilor inteligenti, s-au studiat algoritmii genetici, ca metode eficiente de optimizare ce deschid noi perspective pentru sinteza si proiectarea optimala a echipamentelor electronice in general, din categoria carora s-au proiectat convertoare electronice de putere cu topologii originale, propuse de membrii grantului. S-a proiectat, folosind tehnologia orientata obiect, o biblioteca de programe ce implementeaza algoritmi genetici, punand la dispozitia utilizatorului, prin intermediul unei interfete prietenoase, o larga varietate de optiuni : diverse implementari ale cromozomilor (binar, real), diversi operatori de selectie, incrucisare, mutatie, modalitati de conditionare a convergentei. Utilizarea algoritmilor evolutivi a imbunatatit substantial performantele convertoarelor, in special in ceea ce priveste calitatea energiei absorbite din retea (factor de putere, continut in armonici), raspunzand astfel cerintelor standardelor internationale privind poluarea electromagnetica.
I. INTRODUCERE
Tema proiectului a necesitat o abordare convergenta atat din punct de vedere al algoritmilor genetici cat si al electronicii de putere, respectiv al actionarilor electrice, prin investigarea unor metode de proiectare performante, cat si din punctul de vedere tehnologic/electronic, al proiectarii unor echipamente capabile sa implementeze metodelele de control propuse, respectiv platformele cu procesoare digitale de semnal.
Consideram ca domeniul de cercetare abordat constituie o imbinare complexa atat intre diverse domenii ale stiintei si tehnicii moderne, cat si intre teorie si practica, a carui abordare este perfect sustinuta de preocuparile existente actualmente pe plan international in cele trei aspecte vizate :
I.1. Domeniul Convertoarelor Electronice De Putere AC/DC Performante
In ultimii ani se constata o dezvoltare continua a redresoarelor de putere folosite atat ca surse propriu-zise de alimentare, cat si la incarcarea bateriilor, ca balasturi electronice, schimbatoare de frecventa etc. Principala motivatie a acestei dezvoltari este efortul permanent de a imbunatati eficienta procesului de conversie a energiei prin reducerea armonicelor si a puterii reactive generate.
Principiul general al unei strategii de alimentare a unei instalatii industriale in conditiile asigurarii calitatii energiei este prezentata in Figura 1, unde AR/PR reprezinta redresorul activ sau pasiv, APF este filtrul activ de putere si uC, microcalculatorul ce controleaza sistemul.
Schema prezentata in Figura 1 poate fi comentata sub urmatoarele patru aspecte care profileaza si posibile directii de cercetare in vederea imbunatatirii performantelor sistemului :
P Reducerea interferentei armonice generate de convertoarele clasice de putere constituie o preocupare continua a proiectantilor sistemelor electronice de putere. Una dintre solutiile moderne este utilizarea unui ansamblu de filtre pasive si active ce folosesc invertoare PWM, adecvat proiectate. O alta varianta este folosirea redresoarelor PWM sau SVM ce modeleaza adecvat forma curentului de intrare. Caracterul neliniar al sistemelor ce lucreaza in comutatie, in particular al convertoarelor ce opereaza cu modulatie PWM, determina o interactiune extrem de intensa cu zgomotul, rezultand : modificarea distributiei acestuia, alterarea secventei PWM, interferenta cu semnalele de masura si control, etc, [15]. Mai mult, costul unor astfel de echipamente este relativ ridicat. Acesta este motivul pentru care se investigheaza solutii mai simple pentru cresterea calitatii energiei electrice.

Fig. 1 Sistem de alimentare a unei instalatii industriale
De altfel, studiile facute asupra impactului aplicarii standardul IEEE 519 privitor la conversia energiei precizeaza: "proiectarea echipamentelor electronice cu costuri scazute, care sa satisfaca cerintele impuse de standardele privitoare la armonici si care sa nu introduca efecte colaterale sau interactiuni nedorite cu sistemul, ramane o provocare pentru specialistii in electronica de putere",[16]. Cele de mai sus justifica efortul de a cauta noi topologii pentru filtre de retea si redresoare de putere.
P In literatura de specialitate se constata actualmente o puternica tendinta de a utiliza metode moderne de cautare/optimizare, atat in proiectarea filtelor de retea, [2]-[4], cat si a convertoarelor de putere, [5] - [7], avand in vedere cresterea performantelor sistemelor de calcul, care nu mai fac prohibitiva utilizarea unor algoritimi complecsi, extrem de solicitanti din punctul de vedere al volumului de calcul si al memoriei necesare.
De exemplu, in [2] se face o comparatie intre performantele obtinute folosind metode clasice de proiectare a filtrelor de retea si metode evolutive. Astfel, pentru proiectarea unui filtru clasic, desi la iesire s-a presupus existenta unei inductante extrem de mari, factorul de putere obtinut a fost de cel mult 0.9. Folosind algoritmi genetici autorii au reusit sa obtina, pentru acelasi filtru, in aceleasi conditii de proiectare, un factor de putere de 0.97 si o imbunatatire a factorului total de distorsiuni armonice (THD) de la 154% la 21%.
Plecand de la similitudinea problematicii prezentate in articolul citat, era de asteptat ca, folosind metode de proiectare bazate pe algoritmi evolutivi, sa se obtina parametri superiori si pentru topologiile originale de convertoare, [17]-[20], proiectate de membrii colectivului acestui grant, cu metode clasice.
P O alta directie importanta de cercetare pe plan international este cea privitoare la utilizarea unor algoritmi de optimizare stohastica, din familia carora fac parte si algoritmii genetici, in controlul filtrelor active de putere si, mai general, al actionarilor electrice, [3]-[10]. Studii aprofundate au investigat comparativ diverse metode de optimizare neliniara (Levenberg-Marquardt, Gauss-Newton) cu cele evolutive, demonstrand eficacitatea acestora din urma, in special in cazul unui spatiu al solutiilor cu multe minime locale. Posibilitatea de a formula diverse tipuri de cromozomi, creste complexitatea problemelor ce pot fi rezolvate folosind astfel de algoritmi. De exemplu, in [3] se demonstreaza posibilitatea folosirii unor filtre de ordine diferite pentru gasirea variantei optime de filtrare activa in retele de alimentare foarte poluate. Evident astfel de solutii de implementare presupun folosirea unor circuite de procesare extrem de performante, in particular a procesoarelor digitale de semnal.
P In ceea ce priveste problematica actionarilor electrice, in mod traditional, problemele de control se solutioneaza cu ajutorul controlerelor conventionale (PI, PID, precum si controlere adaptive). Aceste tipuri de controlere au limitari datorita faptului ca proiectarea acestora depinde de cunoasterea exacta atat a modelului motorului, precum si a parametrilor acestuia. Pe langa dificultatile legate de obtinerea precisa a reactantelor in sistemul de axe d-q, astfel de controlere sunt foarte sensibile la perturbatii. Din considerentele expuse mai sus, se preconizeaza folosirea unor controlere inteligente in actionarile electrice performante. O solutie posibila pentru un astfel de controler utilizeaza tehnici fuzzy bazate pe algoritmi genetici, [10] .
Cele de mai sus justifica proiectarea si implementare unui sistem de dezvoltare, testare si analiza care sa permita controlul inteligent si flexibil al convertoarelor performante, folosind procesoare digitale de semnal din familia Texas Instruments. Prin implementarea flexibila, folosirea experientei anterior acumulate de membrii echipei de cercetare (pentru obtinerea rezultatelor prezentate in [17]-[19], am dezvoltat un prototip de redresor de tip RNSIC - Rectifier with Near Sinusoidal Input Currents) si folosirea resurselor existente (laborator dotat cu 6 placi de dezvoltare de tipul TMS320C6711 o placa de dezvoltare TMS320C6416, doua placi de dezvoltare TMS320F240 si un modul de putere ACPM750E, prezentat in anexa 10 ne propunem sa construim un sistem de dezvoltare care sa permita implementarea unor algoritmi de comanda inteligenti care sa valideze acele rezultatele care au fost obtinute numai prin simulare de catre noi in [18],[19] si sa ne permita formarea bazei de dezvoltare si cercetare ulterioara a echipei. Nu in ultimul rand acest sistem va fi folosit in cadrul cursurilor: Inteligenta Artificiala si Sisteme Inteligente cu Aplicatii (Sef. lucrari ing. Dan-Marius Dobrea) si Convertoare Moderne de Randament Ridicat (Prof. dr. ing. Dimitrie Alexa) pe care membrii echipei de cercetare le sustin la directia de master Convertoare Electronice de Putere.
I.2. Domeniul Algoritmilor Genetici
Algoritmii genetici, [23], [24], reprezinta metode computationale de tip evolutiv, ce pot fi totodata considerati ca metode de optimizare. Din categoria metodelor clasice de optimizare cele mai des utilizate sunt:
Metode de gradient (Hill Climbing Methods)
Metodele de acest tip sunt in esenta metode de cautare a unui optim de-a lungul gradientultui local al functiei de optimizat. Ele sunt metode esentialmente deterministe ce genereaza rezultate succesive exclusiv pe baza rezultatului obtinut anterior. Dintre dezavantajele unor astfel de metode amintim : se presupune ca spatiul de cautare este de natura continua, cu alte cuvinte, functia de optimizat este derivabila, ceea ce nu intotdeauna poate fi garantat, iar extremul determinat este de multe ori local, metodele esuand in cazul functiilor cu mai multe extreme locale.
Metode enumerative (Enumerative Methods)
Valoarea optimului se obtine in acest caz prin cautare exhaustiva in spatiul de cautare (presupus finit). Metodele sunt extrem de ineficiente, efortul computational fiind urias in majoritatea cazurilor.
Algoritmi de cautare aleatoare(Random Search Algorithms)
Cautare a aleatoare a optimului exploreaza spatiul de cautare , inregistrand cele mai bune valori obtinute pana in punctul curent. Complexitatea calculelor este comparabila cu a metodelor enumerative.
Metode de cautare probabilistice (Randomized Search Techniques)
Astfel de metode folosesc informatiile obtinute din pasii anteriori ai cautarii si le combina cu operatori ce introduc si o componenta aleatoare. Astfel de tehnici de cautare nu sunt nedirectionale, ca de exemplu metodele enumerative sau cele de cautare aleatoare, dar nici deterministe, ca metodele de gradient. Rezultatul combinarii celor doua componente furnizeaza algoritmi extrem de puternici care pot opera, cateodata eficient , si in spatii de cautare multimodale, eventual afectate de zgomot. Doua din cele mai populare astfel de metode sunt :
algoritmii de tip simulated annealing
algoritmii genetici
Algoritmii genetici apartin calculului evolutiv, domeniu in plina ascensiune al inteligentei artificiale. Calculul evolutiv a fost introdus in anii 60 de I. Rechenberg (Evolutionsstrategie). Algoritmii genetici au fost propusi de John Holland( Adaption in Natural and Artificial Systems, 1975).
Un algoritm genetic porneste de la un set de solutii (reprezentate prin cromozomi) ce alcatuiesc o populatie. In continuare, solutii dintr-o populatie, selectate dupa un anumit criteriu, denumit fitness, sunt folosite pentru a obtine o populatie noua.
Elementele specifice algoritmilor genetici (AG), care ii diferentiaza fata de alte metode de optimizare, sunt:
AG opereaza cu forme codificate ale valorilor functiei de optimizat, si nu cu valorile propriu-zise;
AG folosesc in procesul de cautare a optimului o intreaga populatie si nu doar un singur punct din spatiul de cautare , ceea ce confera avantajul de a putea opera in spatii afectate de zgomot si cu mai multe extreme locale.
AG folosesc doar o singura informatie (fitness-ul) pentru a se orienta in spatiul de cautare , spre deosebire de alte metode ce necesita informatii mai complexe (de tip gradient de exemplu).
AG sunt metode de natura probabilistica si nu determinista.
Implementarea unui algoritm genetic in vederea solutionarii unei aplicatii date presupune codificarea/reprezentarea indivizilor (cromozomilor) si stabilirea functiei de evaluare pe baza careia se stabileste fitness-ul. Startarea aloritmului se face prin generarea populatiei initiale, dupa care se aplica operatorii specifici.
Operatorii de baza ai algoritmilor genetici sunt :
▪ operatorul de selectie
▪ operatorul de incrucisare(crossover)
▪ operatorul de mutatie
Operatorul de reproducere selecteaza indivizi(cromozomi) din populatie pentru posibila includere in generatia urmatoare. Sansa ca un individ sa fie selectat depinde de fitness-ul sau.
Exista mai multe tipuri de operatori de :
▪ selectia de tip ruleta (Roulette Wheel Selection)
▪ selectia de tip rang (Rank Selection)
▪ selectia stationara (Steady-State Selection)
▪ elitismul
Odata selectati indivizii pentru reproducere, se aplica urmatorul operator, cel de incrucisare. Semnificatia acestuia este asemanatoare cu cea din biologie si anume amestecarea cromozomilor parintilor pentru a produce noi cromozomi progeniturilor. Incrucisarea se poate face intr-un singur punct sauin mai multe puncte. Probabilitatea cu care se face incrucisarea este un parametru important al AG.
Desi selectia si incrucisarea pot crea o larga diversitate de progenituri, exista totusi posibilitatea ca, in functie de populatia aleasa initial, sa nu existe o suficient de larga varietate de indivizi care sa acopere intreg spatiul de cautare . Acesta este motivul pentru care s-a introdus operatorul de mutatie : pentru fiecare individ, cu o anumita probabilitate (parametru al algoritmului) este posibila modificarea acestuia (in cazul reprezentarilor binare de exemplu bitul 0 se transfoma in 1 sau invers). Probabilitatea mutatiei trebuie mentinuta foarte scazuta (0.001%) deoarece rate mai mari vor determina degenerarea algoritmului intr-o cautare aleatoare.
Studii recente, [25], releva
impactul deosebit al utilizarii algoritmilor genetici in domeniul electronicii
de putere, subliniind potentialul inca neexplorat al posibilelor aplicatii
ale calculului evolutiv in acest domeniu. Interesant de semnalat este locul modest,
cu o lucrare, pe care il ocupa
I.3. Domeniul Circuitelor de Procesare Digitala a Semnalelor
Prelucrarea numerica a semnalelor este unul dintre cele mai dinamice domenii ale electronicii, atat din punct de vedere tehnologic, cat si economic. Din statisticile publicate rezulta ca pe piata cipurilor dedicate acestui domeniu, 45% reprezinta procesoarele numerice de semnal. Acest segment este dominat de 5 firme : Texas Instruments (57%), Motorola (13%), AT&T(13%), NEC(8%) si Analog Devices(6%).
Pozitia
dominanta, unanim recunoscuta, a firmei
Desi procesoarele de semnal pot parea un artificiu exotic, [26], un lux pentru majoritatea specialistilor angrenati in rezolvarea unor probleme practice in diverse domenii ale electronicii si automatizarilor, pretul in continua scadere al acestor componente, suportul tehnic si de aplicatii oferit de firmele producatoare, le fac din ce in ce mai atractive pentru aplicatii uzuale. Utilizarea lor face ca aplicatii inabordabile in timp real de catre procesoarele clasice fara hardware suplimentar sa revina la un pret convenabil cu un minim de circuite externe.
Actualmente familia de procesoare TMS320 consta in 3 platforme importante: TMS320C2000, TMS320C5000 si TMS320C6000. In cadrul platformei C6000 s-au profilat trei generatii: TMS320C62x, TMS320C64x si TMS320C67x, cu caracteristici si performante ce reflecta pozitia de lider a firmei Texas Instruments pe piata solutiilor DSP, [26]-[28].
In sistemele electronice de putere este raportata in literatura doar utilizarea procesoarelor din familia TMS320C000:P Generation DSP Type Features
- TMS320C24xT DSP procesor pe 16 biti, virgula fixa SCI, SPI, CAN, 10-bit A/D, timere, generare PWM, memorie Flash, on-chip, 20-40 MIPS
- TMS320C28xT DSP procesor pe 32 biti, virgula fixa, SCI, SPI, CAN, 12-bit A/D, McBSP, timere, generare PWM, on-chip Flash memory, pana la 150 MIPS, a carui structura este prezentata in Figura 2.

Figura 2. Structura procesorului TMS320F2812
Este unanim recunoscut faptul ca aceste procesoare ofera una dintre cele mai bune combinatii intre integrare, flexibilitate, eficienta si performanta. Cum sistemele de actionari sunt din ce in ce mai complexe si, corespunzator, creste complexitatea metodelor de control (cu orientare dupa camp sau de tip formatoare de curent cu reluctante comutate), proiectarea unor astfel de sisteme devine o sarcina dificila in absenta unor controllere performante, care sa poata fi, la randul lor, proiectate intr-un mediu de dezvoltare prietenos. si din acest punct de vedere familia de circuite Texas Instruments ofera un suport software extrem de valoros, atat prin facilitatie propriu-zise ale mediului, cat si prin bibliotecile de programe pe care le pune la dispozitia utilizatorilor.
Avand in vedere aspectele analizate, ne-am propus sa corelam cele doua directii, electronica de putere si procesarea digitala de semnal, in incercarea de a le dezvolta in paralel si convergent din perspectiva AG.
II. PROIECTAREA BIBLIOTECII DE ALGORITMI GENETICI
In general, proiectarea convertoarelor electronice de putere este o activitate elaborata, care implica un numar mare de variabile de proiectare, precum si de restrictii relativ severe impuse de standarde si respectiv costuri de fabricatie/intretinere. Actualmente, abordarile traditionale ocolesc aceasta complexitate neglijand o serie de variabile, concentrandu-se mai ales asupra aspectelor legate de comportamentul electric/electronic al sistemului proiectat. Dar chiar si in astfel de conditii, exista cazuri in care chiar principiile de operare impun adoptarea unui compromis intre cerinte conflictuale rezultate din diferite aspecte ale functionarii.
Posibilitatea luarii in consideratie a celor mai multi, daca nu a tuturor, dintre acesti parametri impusi in faza de proiectare, ar avea drept efect reducerea substantiala a eforturilor de testare efectiva a diferitelor variante de implementare.
Tehnicile de optimizare moderne pot oferi un instrument valoros in incercarea de a rezolva cerintele impuse de activitatea complexa de proiectare. Printre aceste tehnici, algoritmii genetici (GA) s-au dovedit a fi o solutie alternativa din ce in ce mai agreata. Este de asteptat ca, in special datorita faptului ca algoritmii genetici nu necesita evaluarea de derivate, acestia sa permita obtinerea de solutii pentru functii obiectiv sofisticate, avand abilitatea de a manevra probleme complexe ce contin chiar discontinuitati.
Exista in literatura rezultate notabile ce mentioneaza utilizarea algoritmilor genetici in proiectarea sistemelor electronice de putere, intr-o aboradre apropiata de cea pe care am avut-o in vedere; chiar mai mult, aceste rapoarte indica obtinerea de imbunatatiri substantiale ale solutiei de proiectare in comparatie cu abordarile clasice. Acesta este motivul pentru care ne-am propus dezvoltarea unui mediu de proiectare bazat pe tehnicile algoritmilor genetici.
Unul din obiectivele acestui grant a fost acela de a dezvolta un mediu complex de simulare pentru proiectarea asistata de calculator a sistemelor electronice utilizand algoritmi genetici, cu un accent particular privind convertoarele de putere (respectiv obiectivul numarul 1 : Proiectarea unui pachet de programe pentru implementarea algoritmilor genetici folosind tehnologia orientata obiect). Mediul proiectat include un motor de optimizare GA, scris in C++ si nucleul PSPICE de analiza a circuitelor electronice.
Algoritmii genetici reprezinta o familie de modele computationale adaptive, stohastice, globale inspirate de prinicipiile evolutiei biologice. Specific pentru astfel de algoritmi este faptul ca in procesul de cautare se manipuleaza nu numai o solutie potentiala a unei probleme, ci o multime de astfel de solutii potentiale (indivizi sau cromozomi), care formeaza o populatie. Fiecare individ este o reprezentare codificata a tuturor parametrilor ce caracterizeaza solutia, avand asociata o valoare, numita fitness, care este o masura a performantelor sale (gradul de conformanta cu cerintele impuse).
Pentru a asigura evolutia indivizilor cu performante superioare, algoritmii genetici utilizeaza operatori genetici (incrucisare/crossover, mutatie si elitism) precum si mecanisme speciale de selectie, care asigura faptul ca solutii mai performante au sanse mai mari de a produce urmasi, care sa mosteneasca caracteristicile benefice ale parintilor. Se pot formula diferite criterii de convergenta a algoritmilor ca de exemplu : numar de generatii, raport intre valoarea minima si maxima a fitnessului individual comparativ cu un prag impus. Structura de baza a algoritmului genetic este prezentata in figura 1.
Pentru implementarea algoritmului genetic s-a adoptat o abordare inspirata de GALib, o biblioteca C++ pentru algoritmi genetici, [30]. Proiectarea codului s-a facut utilizand facilitatile oferite de mediile de dezvoltare Visual C++ 6.0 si respectiv C++ Code Composer Studio al firmei Texas Instruments.
O problema esentiala in proiectarea algoritmului genetic a fost reprezentarea cromozomilor. Am utilizat in acest scop clasa de baza Genome ce defineste proprietatile de baza ale cromozomilor, derivand apoi adecvat clase ce implementeaza diverse tipuri de reprezentare. Pentru a asigura flexibilitate si generalitate bibliotecii, s-au implementat atat reprezentarea ca sir de biti, utila pentru valori intregi ale caracteristicilor cromozomiale, cat si reprezentarea ca valori reale.
S-a proiectat apoi o clasa adecvata pentru a reprezenta o populatie de indivizi.
S-au definit corespunzator operatorii de initializare, mutatie, crossover (incrucisare intr-un singur punct, in doua si respectiv trei puncte) si elitism.
start
atribuie t
generare aleatoare a populatiei initiale P(t)
evaluare P(t)
cat timp criteriul de convergenta nu este indeplinit executa
atribuie t t +1
selectia indivizilor (parinti) din P(t-1) in P(t)
reproducerea indivizilor selectati
aplicarea operatorului de mutatie
evalurea P(t)
stop
Fig. 1. Reprezentarea schematica a principiului de operare a unui algoritm genetic
S-a implementat o ierarhie de clase care sa realizeze operatia de selectie, dupa diverse scheme sugerate in literatura : Rank Selection, Roulette Wheel Selection, Tournament Selection, Stochastic Uniform Sampling Selection, Stochastic Remainder Sampling Selection and Deterministic Sampling Selection.
Clasa GeneticAlgorithm, care implementeaza propriu-zis algoritmul genetic, foloseste functia obiectiv adecvata pentru a rezolva problema de optimizare.
Utilizatorul poate alege criteriul de convergenta dorit : fie evolutia pe durata unui numar de generatii impus, fie atingerea unei valori de prag impuse de catre raportul intre valoarea minima si maxima a fitnessului individual, ca masura a calitatii populatiei.
Pentru generearea de numere pseudo-aleatoare si pentru genererea aleatoare de biti am folosit rutinele descrise in literatura de specialitate.
III. PROIECTAREA OPTIMALA A CONVERTOARELOR RNSIC
In literatura exista mentiuni privitoare la optimizarea proiectarii convertoarelor de putere folosind algoritmi genetici. Acestea folosesc pentru simularea functionarii circuitului fie soft-uri dedicate, ce reprezentau tendinta principala pana in prezent, fie, mai nou, mediul MATLAB. Ambele abordari au meritele lor, dar consideram ca solutia propusa de noi si anume aceea de a utiliza pentru co-simulare nucleul PSPICE ca soft dedicat pentru analiza functionarii ofera numeroase detalii pentru analiza specifica de circuit.
In acest context s-a dezvoltat in C++ un mediu de complex de simulare, construit in jurul nucleului PSPICE, pentru a realiza proiectarea optimala a convertoarelor de putere folosind algoritmi genetici. Mediul este astfel conceput incat permite analiza parametrizata pe loturi de experimente (parametric batch analysis), colectarea datelor relevante pentru analiza de regim tranzitoriu, procesarea digitala de semnal, permitand astfel constructia unor functii obiectiv (necesare in optimizarea cu algoritmi genetici la evaluarea fitnessului) extrem de complexe. In esenta, se intervine in functia de evaluare a populatiei - evalurea P(t), mentionata in figura 1, proiectand adecvat o functie obiectiv capabila sa proceseze, in conformitate cu criteriile de proiectare impuse, rezultatele oferite de analiza PSPICE asociata si sa ofere o masura a fitnessului individual. Astfel, evaluarea functiei obiectiv implica lansarea nucleului PSPICE urmata, dupa incheierea analizei dorite, de extragerea valorilor de interes din fisierul out si calculul propriu-zis al fitnessului.
Avand in vedere platformele de calcul moderne ce opereaza la frecvente ce au ajuns deja la ordinul giga hertz-ilor, co-simularea propusa, mixajul dintre executia unui algoritm genetic si o simulare in PSPICE a functionarii circuitului, poate constitui o alternativa fezabila de obtinere a unei solutii aproape optimale intr-un timp de executie rezonabil.
Algoritmul utilizat pentru evaluarea functiei obiectiv, care supervizeaza si proceseaza simularea in vederea analizei functionarii convertoarelor de putere (ce au parametrii de proiectare asignati ca urmare a evolutiei procesului de optimizare) este prezentat in figura 2.
functie Obiectiv (Genome& g)
atribuirea valorilor rezultate pentru genom parametrilor circuitului
crearea fisierului PSPICE .cir
executia nucleului PSPICE pentru simularea functionarii convertorului
extragerea rezultatelor relevante pentru analiza
calcularea fitnessului
return fitness
Fig. 2. Rutina de calcul al fitnessului
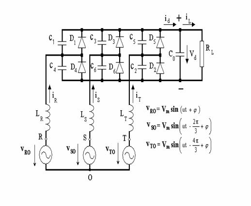
Al doilea obiectiv al grantului a fost proiectarea optimala a convertoarelor RNSIC folosind algoritmi genetici. In acest scop am utilizat mediul de proiectare propus pentru proiectarea redresoarelor cu curenti aproape sinusoidali (RNSIC). Circuitul primului convertor proiectat, in varianta cu condensatoare pe partea de curent alternativ, este prezentat in figura 3.

Fig.3. Convertor RNSIC cu capacitati pe partea de curent alternativ (RNSIC-2)
Anterior am utilizat diferite tehnici pentru
a verifica solutia de proiectare propusa. Am exploatat intensiv
diferite medii de simulare ca PSPICE, Saber sau MATLAB. Practic, am explorat
quasi-exhaustiv spatiul de cautare si am evaluat comportarea convertorului,
alegand cea mai buna solutie. Cerintele
de proiectare sunt insa contradictorii : pentru a creste raportul
dintre valoarea maxima si valoarea minima a fundamentalei
curentului de linie, in plaja de valori posibila pentru rezistenta de
sarcina, parametrul
trebuie sa
aiba valori cat mai mici, dar pentru a minimiza factorul total de
distorsiuni (THD), acelasi parametru trebuie sa aiba valori cat
mai mari, satisfacand in permanenta conditia:n
.
In plus, s-a constatat ca ar fi extrem de util sa existe posibilitatea de a optimiza proiectarea luand in consideratie si aspecte ne-electrice, ca de exemplul costul si/sau volumul/greutatea echipamentului. De exemplu, in cazul nostru, pentru volum si costuri mai mici, parametrul mentionat trebuie sa aiba valori minime.
Am adoptat pentru inceput reprezentarea de tip zecimal codificat binar si am utilizat varianta standard de algoritm genetic, descrisa de Goldberg. Acest tip de algoritm utilizeaza populatii nesuprapuse si elitism. Pentru fiecare generatie se creaza o populatie in intregime noua, prin selectia adecvata a indivizilor pentru reproducere, pastrand doar cel mai bun exemplar din populatia precedenta.
Pentru a testa mediul dezvoltat am creat, pentru inceput, o functie obiectiv simpla pentru evaluarea factorului total de distorsiuni (THD). In vederea simularii functionarii circuitului in domeniul timp, avand in vedere constantele de timp ale circuitului, se poate estima ca regimul permanent se atinge in mai putin de 4 secunde. Fisierul .out generat de simularea PSPICE este procesat si se extrage valoarea THD-ului calculat, care este returnata de functia obiectiv. Experimentele efectuate au vizat minimizarea THD-ului pentru o valoare data a rezistentei de sarcina.
Dupa mai multe testari, am ales o populatie de 20 de indivizi, probabilitatea de crossover de 0.6 si probabilitatea mutatiei 0.01. Maparea fenotipului a fost astfel definita incat sa reprezinte valorile reale cu 24 de biti, in domeniul de valori explorat pentru valoarea capacitatii si respectiv a inductantei. Criteriul de convergenta a fost ales cel al evolutiei pe un numar prescris de generatii (10).
Pentru setul de date de simulare si de parametri ai algoritmului de optimizare ales, executia programului pe un sistem de calcul dotat cu un procesor Pentium II la 400 MHz (performate relativ modeste!) a fost de mai putin de 20 de minute.
In Tabelul I prezentam rezultate
comparative ale performantelor convertorului RNSIC-2 din figura 3 pentru
doua seturi de valori ale parametrului
, 0.0782 (L = 18mH, C
= 44uF), valoare obtinuta
anterior, folosind metode clasice de proiectare si 0.089420 (L = 28mH, C = 32uF) valoare
obtinuta utilizand abordarea cu algoritmi genetici. Vd2 reprezinta
tensiunea la iesire, iar I(1) - fundamentala curentului de linie,
- defazajul dintre tensiunea de faza
si fundamentala curentului de faza, THD este factorul total de
distorsiune si raportul I(5)/ I(1) specifica valoarea relativa a
celei mai importante armonici si anume a cincea. Se poate observa ca,
odata cu reducerea factorului THD, s-a obtinut si o valoare mai
mica a defazajului
.
TABELUL 1
COMPARATIE INTRE METODA CLASICA SI CEA BAZATA PE GA PENTRU CONVERTORUL RNSIC-2
K1 = LC
= 0.0782 (L = 18 mH, C
= 44 uF)
=0.089420 (L = 28
mH, C = 32 uF)
RL[ |
Vd2[V] |
I(1)[A] |
|
THD |
I(5)/ I(1) |
|||||
K1 |
K2 |
K1 |
K2 |
K1 |
K2 |
K1 |
K2 |
K1 |
K2 |
|
|
|
|
|
|
|
|
|
|
|
|
|
|
|
|
|
|
|
|
|
|
|
|
|
|
|
|
|
|
|
|
|
|
|
|
|
|
|
|
|
|
|
|
|
|
|
|
|
|
|
|
|
|
|
|
|
|
|
|
|
|
|
|
|
|
|
|
|
|
|
|
|
|
|
|
|
|
|
|
|
|
|
|
|
In continuare, am testat validitatea metodei propuse pentru convertorul a carui schema este prezentata in figura 4.
Am investigat diferite reprezentari pentru cromozomi : zecimal codificat binar si respectiv sir de biti intr-o reprezentare obtinuta prin concatenarea reprezentarilor binare (byte per bit) ale inductantei L (exprimata in mH) si a capacitatii C (exprimata in mF). Asa cum era de asteptat, varianta BCD este mai mare consumatoare de timp de executie, fara a aduce un plus de precizie.
Dupa un numar relativ mare de experimentari, am ajuns la concluzia ca cel mai eficient operator crossover pentru aplicatia data este cel in doua puncte, iar cea mai eficienta metoda de selectie, metoda Stochastic Remainder Sampling Selection. O populatie de 10 indivizi s-a dovedit a fi satisfacatoare. Cat despre criteriul de convergenta, evolutia pe 7 generatii s-a dovedit a fi cel mai bun compromis intre precizie si timpul de executie.
Figura 4. Convertorul RNSIC-1
Pentru setul de date de simulare si de parametri ai algoritmului de optimizare ales, executia programului pe un sistem de calcul dotat cu un procesor Pentium II la 400 MHz (performate relativ modeste!), a fost de mai putin de 30 de minute.
In Tabelul 2 se prezinta performantele convertorului RNSIC-1 utilizand metoda clasica de proiectare si respectiv pe cea bazata pe algoritmi genetici ( Vd este valoarea medie a tensiunii pe sarcina, I(1) reprezinta valoarea efectiva a fundamentalei curentului de linie si I(5) este valoarea efectiva a celei de a cincea armonici).
Se observa ca solutia bazata pe algoritmi genetici are performante superioare celor proiectate folosind abordari clasice.
TABELUL 2
COMPARATIE INTRE METODA CLASICA SI CEA BAZATA PE GA PENTRU CONVERTORUL RNSIC-1
K1 = LC
= 0.0987 (L = 25mH, C = 40uF)
=0.0207 (L = 6mH, C = 35uF)
RL[ |
Vd[V] |
I(1)[A] |
THD |
I(5)/ I(1) |
|||||
K1 |
K2 |
K1 |
K2 |
K1 |
K2 |
K1 |
K2 |
||
|
|
|
|
|
|
|
|
|
||
|
|
|
|
|
|
|
|
|
|
|
|
|
|
|
|
|
|
|
|
||
|
|
|
|
|
|
|
|
|
||
|
|
|
|
|
|
|
|
|
||
IV. PROIECTAREA INTERFETEI CONVERTOR DE PUTERE/PLATFORMA DSP
Consideram ca dezvoltarea unor aplicatii sofisticate de comanda si control ale convertoarelor de putere in sistemele electronice de putere complexe va impune folosirea unor procesoare de semnal cu performante superioare. De exemplu, procesorul TMS230C6711 opereaza in virgula mobila la 150 MHz, dar nu este prevazut cu o interfata generala de porturi I/O (GPIO) care sa faciliteze interfatarea cu alte sisteme electronice complexe.
De aceea, al treilea obiectiv al grantului a fost acela de a proiecta o interfata convertor de putere/platforma DSP TMS320C6711 care sa permita utilizarea procesorului in controlul sistemelor electronice complexe (obiectivul numarul 3 : Proiectarea si realizarea interfetei GPIO cu platforma DSP cu TMS320C6711).
In acest context am construit un dispozitiv de interfatare pe care il vom denumi global modul de comunicatie (MC), a carui shema bloc este prezentata in Fig. 5. Acest modul de comunicatie ofera suport pentru un port bidirectional pe 8 biti, un port de iesire pe 7 biti si un port de intrare pe 8 biti.
Interfata EMIF (External Memory Interface) a DSP-ului permite conectarea unei largi serii de dispozitive precum: memorii pipelined synchronous-burst SRAM, memorii sincrone DRAM si dispozitive asincrone precum memorii SRAM, ROM si memorii FIFO.
Modulul construit in cadrul acestui grant lucreaza asincron si utilizeaza urmatoarele semnale pentru interfatarea cu bus-ul EMIF al DSP-ului: liniile de date (de la D15 la D0), liniile de adresa (A217), ARE (Asynchronous Read Enable), AWE (Asynchronous Write Enable) si CEx (Chip Enable pentru bancul x). DSP-ul TMS320C6711 poate lucra cu pana la 4 bacuri de memorie (controlate de liniile CE0, CE1, CE2 si CE3) ce pot fi configurate sa lucreze in mod independent cu diferite tipuri de dispozitive (sincrone sau asincrone). Deoarece primele doua zone de memorie sunt utilizate intern de catre DSP, modulul de comunicatie poate fi configurat cu ajutorul unor jumpere pentru a lucra fie in bancul de memorie doi, fie in trei. Portul bidirectional utilizeaza in plus si o iesire a latch-ului 1 (figura 5) pentru configurarea corecta a sensului comunicatiei.
In figura 6 se prezinta prototipul modulului de comunicatie. Pentru cuplarea acestuia la conectorii placii de dezvoltare am utilizat placa adaptor SPRA711 (Adapter Board).
![]()
![]()
![]()
![]()
Figura 5. Schema bloc a modulului de comunicatie realizat
Figura 6. Prototipul modulului de comunicatie
Testarile efectuate au evidentiat functionarea conforma cu scopul propus. De asemenea s-a cuplat interfata GPIO cu modulul de putere ACPM750E, testandu-se diversi algoritmi de comanda.
V. CONCLUZII
Consideram ca obiectivele acestui grant au fost indeplinite pe deplin, cercetarea desfasurata deschizand noi perspective in aplicarea implementarii unor noi instrumente si tehnologii (GA si DSP-uri) pentru aplicatii specifice, in particular in electronica de putere. Rezultatele obtinute au fost validate de comunitatea stiintifica internationala prin publicarea a doua articole ce sintetizeaza ceretarile desfasurate in cadrul grantului.
Faptul ca in 2005 au continuat sa apara lurari in reviste si conferinte de prestigiu, [31] - [33], confirma faptul ca tema de cercetare abordata suscita in continuare interes si ca merita a fi continuata.
[1] H. Szczerbicka, M. Becker, M. Syrjakow ,Genetic Algorithms: A Tool For Modelling, Simulation And Optimization Of Complex Systems, Cybernetics & Systems Vol. 29, 7/1998
[2] Y.-M. Chen - Passive Filter Design Using Genetic Algorithms, IEEE Trans. On Industrial Electronics, vol. 50. no. 1, Feb. 2003, pp. 202-207.
[3] M. Liserre, a. Dell'Aquila, F. Blaabjerg, Genetic Algorithm-Based Design of the Active Damping for an LCL-Filter Three-Phase Active Rectifier., IEEE Trans on Power Electronics, vol. 19, no. 1, Jan. 2004
[4] M. El-Habruk, M.K. Darwish, A New Control Technique for Active Power Filters Using a Combined Genetic Algorithm/Conventional Analysis, IEEE Trans. On Industrial Electronics, vol. 49. no. 1, Feb. 2002
[5] Busquets-Monge, S, Soremekun, G., Hefiz, E., Crebier, C., Ragon, S., Boroyevich, D.; Gurdal, Z., Arpilliere, M., Lindner, D.K.: Power converter design optimization, IEEE Industry Applications Magazine, Vol: 10,Issue: 1, Jan-Feb 2004, pp:32 - 38
[6] K. Sundareswaran , M. Chandra, Evolutionary Approach for Line Current Harmonic Reduction in AC/DC Converters, IEEE Trans. On Industrial Electronics, vol. 49. no. 3, Jun. 2002
[7] B. Ozpineci, J. Pinto, L. Tolbert, Pulse-Width Optimization in a Pulse Density Modulated High Frequency AC-AC Converter using Genetic Algorithms, Proceedings of the 2001 IEEE Systems Man. and Cybernetics Conference.
[8] J. Zhang, H. Shu-Hung et. All, Implementation of Decoupled Optimization Technique for Design of Switching Regulators Using Genetic Algorithms, IEEE Trans on Power Electronics, vol. 16, no. 6, Nov. 2001
[9] Zhang, J.; Wu, A.K.M.; Chung, H.S.H.; On the use of pseudo-coevolutionary genetic algorithms with adaptive migration for design of power electronics regulators Circuits and Systems, 2001. ISCAS 2001. The 2001 IEEE International Symposium on , Volume: 3 , 6-9 May 2001, pp:297 - 300 vol. 2
[10] M. Nasir Uddin, Development and Implemetation
of a Genetic Algorithm Based Novel Fuzzy Logic Controller for IPM Motor Drives,
Electrical Eng.Research Seminar Series, Dept. of Electrical Engineering,
[11] Boris Benedičič, Tomaz Kmecl Gregor Papa, Barbara Korousić-Seljak , Evolutionary Optimization of a Universal Motor, IECON'01: The 27th Annual Conference of the IEEE Industrial Electronics Society
[12] M. Lankhorst, M. van der Laan, W. A. Halang Wavelet-Based Signal Approximation with Genetic Algorithms, Systems Analysis Modelling Simulation ,Vol. 43, 11 / 2003 ,pp. 1503 - 1528
[13] S. Loyka, Applying Genetic Algoruthm to Modeling Nonlinear Transfer Functions, Electronics Letters, vol. 35, No. 10, 13th May 1999, pp.789-791.
[14] Roberto Rossi, Valentino Liberali, and Andrea G. B. Tettamanzi,An Application of Genetic Programming to Electronic Design Automation:from Frequency Specifications to VHDL Code, 2001
[15] P. Midya, P. Krein, Noise Properties of PWM Power Converters: Open Loop Effects, IEEE Trans. On Power Electronics, vol. 15, No. 6, Nov. 2000, pp. 1134-1143.
[16]
T S. Key,Jih-Sheng Lai, IEEE and International Harmonic Standards Impact on
Power Electronic Equipment Design, IEEE IECON,
[17] D. Alexa, Adriana Sirbu - "Optimized Combined Harmonic Filtering System", IEEE Transactions on Industrial Electronics, vol. 48, no. 6, 2001, pp. 1210-1218
[18] D. Alexa, Adriana Sirbu and D.- M. Dobrea - "An Analysis of Three-Phase Rectifiers with Near Sinusoidal Input Currents", IEEE Transactions on Industrial Electronics, Volume 51, Number 4, August 2004, pp. 884-891.
[19] D. Alexa, Adriana Sirbu and T. Goras - "Topologies of three-phase rectifiers with near sinusoidal input currents.", IEE Proceedings Electric Power Applications, Vol. 151, No. 6, November 2004, pp. 673-678.
[20] A. Sirbu, D. Alexa, I. Cleju, Robust Fourier Analysis of Variable Topology Systems in a Switched Bond-Graph Framework, Proceedings of 16-th International Association for Mathematics and Computers in Simulation World Congress IMACS'2000, Lausanne, Elvetia, 2000, CD-ROM, ISBN 3-9522075-1-9,6 pag.
[21] A. Sirbu, D. Alexa, I. Cleju,Optimal Design of Three-Phase Rectifiers with Almost Sinusoidal Input Currents Using Saber,Proceedings of 2nd European Conference on Intelligent Systems and Technologies ECIT'2002, Iasi, Romania, 17-20 iulie, 2002, ISBN 973-8075-20-3, CD-ROM, 8 pagini
[22]
A. Sirbu, D, Alexa,
[23] Goldberg D.: Genetic Algorithms in Search, Optimization and Machine Learning. Addison Wesley, 1989
[24] D. Whitley, A Genetic Algorithm Tutorial, Statistic and Computing Journal, Chapman & Hall, 1994
[25] J. Alander, An Indexed Bibliography of Genetic Algorithms in Power Engineering, Dept. of Information Technology and Production Economics, Univ. of Vaasa, Finland, www.uvasa.fi/~jal
[26] Procesoarele digitale de semnal TMS320C2x - Manual de utilizare, Texas Instruments , 1998.
[27] R. Arsinte - Procesoare digitale de semnal, Generatia TMS320C2X - Prezentare si aplicatii, Editura Promedia Plus, 1993.
[28] TMS320C6x- Manual de utilizare, Texas Instruments, 2001
[29]
[30] https://lancet.mit.edu/ga/
S.J. Ovaska, T. Bose and O. Vainio, 'Genetic algorithm-assisted design of adaptive filters for 50/60 Hz power systems instrumentation', IEEE Transactions on Instrumentation and Measurement, vol. 54, no.5, pp.2041-2048, October 2005
[32] X. Wang, X.Z. Gao and S. Ovaska "A hybrid optimization algorithm in power filter design," in Proceedings of the 31st Annual Conference of the IEEE Industrial Electronics Society (IECON'05), Raleigh, NC, 6-10 November, 2005, pp.1335-1340 Harmonic optimization of multilevel converters using genetic algorithms.
[33] Ozpineci, B.; Tolbert, L.M.; Chiasson, J.N.; IEEE Power Electronics Letters, Vol, 3, Issue 3, Sept. 2005 Page(s):92 - 95)
Copyright © 2026 - Toate drepturile rezervate