![]() | Aeronautica | Comunicatii | Constructii | Electronica | Navigatie | Pompieri |
| Tehnica mecanica |
Surse in comutatie farward si flyback.(surse multiple: comparative intre ele).
Sursele de alimentare asociate de regula CL sunt sursele in comuta_ie SC.

Din grafic se observa ca incepand din 1985, numarul de SC produse in lume a depasit numarul de surse liniare. Principalul motiv pentru care se prefera SC este acela ca puterea disipata (pe tranzistori sau tiristoare) in regim de comuta_ie este mult mai mica decat cea disipata pe un ERS dintr-o sursa liniara. Din acest motiv puterea furnizata raportata la volum/masa este extrem de favorabil surselor in comuta_ie.
Func_ionarea SC se bazeaza pe comportarea in regim tranzitoriu a componentelor pasive reactive.
Comportarea unui condensator in regim de comuta_ie


Raspuns indicial: ![]()

Comportarea unei bobine in regim de comuta_ie


Sursele in comuta_ie se pot impar_i in 3 categorii:
1. surse forward
2. surse fly-back
3. surse push-pull
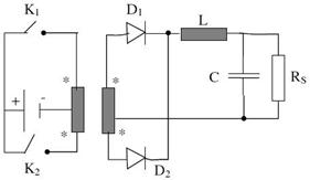
1. Surse in comuta_ie forward

Atunci cand K este inchis trece un curent prin L, care alimenteaza Rs si incarca condensatorul pozitiv si negativ. Cand K se deschide energia inmagazinata in bobina tinde sa pastreze valoarea curentului si pe bobina apare o tensiune indusa cu - inspre dioda si cu + catre condensator. In acest fel prin Rs continua sa curga un curent care se inchide prin dioda D. Daca D nu ar exista pe bobina ar aparea o tensiune foarte mare care ar strapunge infasurarea bobinei.
2. Surse in comuta_ie fly-back

Atunci cand K este inchis se alimenteaza numai bobina, cand K se deschide bobina se descarca prin circuitul de sarcina, prin dioda D.
3. Surse push-pull

Surse forward
Sursele in comuta_ie se impart in doua categorii, in func_ie de absen_a sau prezen_a izolarii galvanice dintre sursa si sarcina. Izolarea galvanica se realizeaza fie prin transformatoare electrice, fie prin circuite optocuploare.
In continuare se prezinta schema unei surse forward izolata la care exista un transformator intre alimentare si sarcina.


Figura de mai sus ne prezinta o astfel de sursa.
Pe
durata impulsului pozitiv de comanda tranzistorul Q e saturat si alimenteaza
primarul transformatorului de impulsuri. Presupunem ca durata impulsului este t1. In aceasta durata secundarul se deschide, sarcina e alimentata prin
L, D2 deschisa, D1 blocat. Avem o infasurare suplimentara conectata la
D1 care are rolul de a demagnetiza transformatorul
dupa dispari_ia impulsului de comanda. Curentul iC din
Q are 3 componente: una
infasurarea diodei D1 descarca unde magnetice in sursa de alimentare. Pe aceasta perioada tensiunea de pe colectorul lui Q ajunge 2ui (se dubleaza) datorita tensiunii induse in primar.
Dezavantaj:
(factor de umplere)
![]()
(datorat
magnetizarii si inductivita_ilor)
Circuit forward cu izolare cu tensiune redusa colector-emitor

Q1, Q2 sunt comandate simultan, tensiunea maxima la blocare este ui.
Sursa forward multipla cu izolare

Sursa fly-back cu izolare

Pe durata impulsului de comanda D este blocata, curentul prin Q creste liniar, uar pe durata t2, Q este blocat, iar energia inmagazinata in miez se descarca prin D pe sarcina.
![]()
![]()

Metoda cea mai folosita de reglare a tensiunii de sarcina in acest caz este prin varia_ia frecven_ei impulsurilor intru-cat este greu de contolat durata t2. Apare si aici efectul de dublare a tensiunii din colector.
Avantajul schemei fly-back cu izolare apare in cazul surselor multiple, care sunt extrem de simple.


Schema de comanda

Comanda se poate realiza prin tranzistorul de comanda Q2, care se blocheaza atunci cand UC are o tensiune apropriata de tensiunea de intrare Ui. Atunci cand UC este la o tensiune joasa apropriata de 0, Q2 se polarizeaza direct prin intermediul divizorului rezistiv R1, R2, apoi se satureaza si polarizeaza direct pe Q1.
Copyright © 2026 - Toate drepturile rezervate