![]() | Aeronautica | Comunicatii | Constructii | Electronica | Navigatie | Pompieri |
| Tehnica mecanica |
Electroencefalograful
Este dispozitivul folosit in electroencefalografie pentru determinarea potentialelor electrice neuronale la nivelul pielii. Acesta trebuie sa poata sesiza tensiuni intre 2 - 200 µV la frecvente intre 0,1 - 200Hz.
Electrozii se aplica pe suprafata pielii si este indicat sa fie acoperiti cu clorura de argint, dar pot fi si din alt material cum ar fi argint sau otel.
Amplitudinea semnalului fiind de cativa µV trebuie amplificata de cateva sute de ori inainte de a fi prelucrata. Dupa amplificarea semnalului analogic, acesta este convertit in semnal digital, pentru a putea fi transmis unui PC unde este prelucrat si vizualizat. Conversia este realizata de un microcontroler. Dupa prelucrare, semnalul digital este transmis unui PC prin interfata RS232, fara a fi necesara folosirea unei placi de achizitie speciale.
In cazul folosirii mai multor canale semnalul trebuie multiplexat inainte de a fi convertit.
Interfatarea microcontroler - PC este bine sa se realizeze prin intermediul unui optocuplor pentru a se izola electric microcontrolerul de PC.

Figura Schema bloc a electroencefalografului
Deoarece semnalul este foarte slab, acesta poate fi puternic afectat de zgomot in special de cel cu frecventa de 50/60Hz ce are un caracter capacitiv. Pentru a elimina zgomotul, semnalul este prima data amplificat cu un amplificator diferential ce masoara diferenta de tensiune dintre 2 puncte de pe cap. Deoarece zgomotul este identic in ambele puncte acesta este rejectat. Dupa aceasta semnalul este amplificat cu un amplificator simplu si trecut printr-un filtru trece jos ce elimina distorsiunile datorate esantionarii semnalului in vederea conversiei digitale. Circuitul de protectie are rolul de a proteja dispozitivul de descarcarile electrostatice. Pentru a evita zgomotul produs de incarcarea electrostatica a electrozilor se foloseste un filtru trece sus.
Pentru reducerea zgomotului de mod comun se foloseste un amplificator operational legat la masa, in acest caz piciorul drept al subiectului.
Mai jos este redata schema bloc a amplificarii semnalului analogic cules de electrozi.

Figura Amplificarea semnalului analogic

Figura Schema tipica a unui amplificator de impulsuri dervoase
Dupa conditionarea semnalului analogic acesta poate fi convertit in semnal digital prin intermediul microcontrolerului.

Figura Schema bloc a circuitului digital
In continuare se va prezenta un dispozitiv experimental.

Figura Schema electrica a circuitului analogic
Primul circuit la intrarea semnalului este cel de protectie. Condensatorii C210, C206 si C207 suprima semnalele de radio frecventa ce intra in sistem prin cablurile electrozilor. Din circuitul de protectie fac parte tranzistorii Q202, Q204, Q206 Q208 si rezistentele R203, R204 si R209 - R212 si au rolul de a limita curentul in cazul unui scurtcircuit.
Dupa circuitul de protectie se afla amplificatorul IC203 cu rolul de a amplifica semnalul si de a scadea impedanta facand circuitul mai putin sensibil la zgomot. Cistigul este reglat din the rezistentele R216 si R217 conform cu formula G = 1 + 50 kOhm / Rg, unde Rg = R216 + R217. Intre rezistentele R216 si R217 se poate masura tensiunea de mod comun, circuitul IC204A preia aceasta tensiune si o transfera ca semnal circuitului DRL.
Dupa amplificatorul de instrumentatie se afla filtrul trece sus format din C221 si R226, proiectat pentru a elimina tensiunea de offset.
Amplificatorul neinversor de dupa filtrul trece sus are un castig intre 6 - 100 ce poate fi reglat din P203. Castigul este calculat ca G = (Ra + Rb) / Ra, unde Ra = P203 + R222 = 1kOhm to 21kOhm si Rb = R225 = 100kOhm.
Etajul final este constituit dintr-un al doilea filtru trece sus identic cu primul, un filtru trece jos ce are rolul si de a amplifica semnalul de inca 16 ori, cu amplificatorul operational IC206B. Pe circuitul imprimat al amplificatorului de semnal analogic se afla numai 2 poli, al treilea pol fiind pe cablajul circuitul digital, format dintr-o rezistenta de 7.5kOhm si un condensator de 220nF cu rolul de a reduce interferentele ce pot apare datorita cablului de legatura dintre cele doua cablaje.
Circuitul de masa al pacientului este format din circuitul IC204A. Pentru fiecare canal este necesar un astfel de circuit.
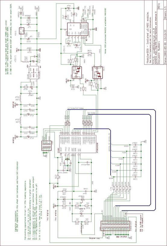
Interfata seriala RS232 este formata din 3 parti: circuitul MAX232 (IC106), cu rolul de a adapta nivelurile de tensiune TTL si doua optocuploare IC103 si IC104 cu rolul de a izola electric circuitul MAX232 de restul circuitului.
Microcontrolerul este ATMega8, dar poate fi folosit orice microcontroler cu prrogramul adaptat in mod corespunzator. Functiile principale sunt de conversie a semnalului analogic in semnal digital si comunicatia cu PC. Ca tensiune de referinta este folosit circuitul IC101. Rezistentele R102 si R103 formeaza un divizor de tensiune folosit ca circuit de reactie. Dioda D101 este dioda de protectie la oprirea dispozitivului.
Circuitul format din R111 si C108 este un filtru suplimentar trece jos.
Dispozitivul se alimenteaza la o tensiune de 9 - 12V curent continuu.

Figura Circuitul de conversie analog - digital
Copyright © 2025 - Toate drepturile rezervate