![]() | Aeronautica | Comunicatii | Constructii | Electronica | Navigatie | Pompieri |
| Tehnica mecanica |
Încercari pe betonul intarit
În functie de scopul urmarit prin efectuarea incercarilor de deosebesc:
- incercari preliminare, care au ca scop stabilirea compozitiei betonului ce urmeaza a fi folosit, stabilirea regimului de tratare termica etc;
- incercari de control pe faze, care au ca scop determinarea caracteristicilor betonului pentru diferite faze ale procesului de executie a lucrarii (decofrare, tratare termica, transfer, manipulare, livrare), in vederea compararii lor cu caracteristicile de control prescrise pentru fazele respective;
- incercari de verificare a rezistentei caracteristice la intindere, pentru verificarea clasei betonului.
1. Prepararea epruvetelor
Epruvetele se prepara din beton proaspat sub forma de cuburi sau prisme, sau se extrag carote sub forma cilindrica din imbracamintile rezultate (pentru determinarea rezistentei la compresiune si a rezistentei la intindere prin despicare).
Epruvetele cubice au dimensiunile conform tabelului 5.
Tabelul 5.
|
Latura epruvetei, mm |
Aria nominala a sectiunii de referinta a epruvetei |
Dimensiunea maxima a granulelor agregatelor, dmax |
|
|
Dimensiune |
Abateri |
mm2 |
mm |
Utilizarea epruvetelor cu latura de 141 mm se admite in masura in care sunt prevazute in documentele tehnice normative specifice in vigoare.
În cazul in care epruvetele depasesc abaterile dimensionale admisibile, rezistentele mecanice pot fi calculate numai pe baza dimensiunilor reale, rotunjite la 1 mm.
Epruvetele prismatice au dimensiunile din tabelul 6.
Tabelul 6.
|
Dimensiuni in mm |
Dimensiunea maxima a agregatelor, dmax, mm |
|
100´100´400 |
25 |
|
100´100´550 |
25 |
|
150´150´600 |
40 |
|
200´200´800 |
50 |
Epruvetele de aceeasi forma preparate din aceeasi proba de beton, pastrate in aceleasi conditii si incercate la aceeasi varsta constituie o serie.
Pentru verificarea rezistentei la compresiune, o serie este constituita din minimum trei epruvete cu exceptia urmatoarelor cazuri, in care numarul de epruvete este de:
- minimum 6 pentru incercarile preliminare, efectuate pe cuburi cu latura de: 100, 141, 150 sau 200 mm;
- minimum 2 pentru incercarile de control pe faza, dar numai in conditii de continuitate a productiei si de constanta a rezultatelor, insa in afara incercarilor pentru livrare la care seria este alcatuita din 3 epruvete.
Pentru verificarea rezistentei la intindere sau la incovoiere, o serie este constituita din minimum 3 epruvete, cu exceptia epruvetelor de 100´100´550 mm, la care seria curenta este alcatuita din minimum 2 epruvete.
Prelevarea probelor se face in felul urmator:
- la statiile de betoane, probele se vor lua din mijlocul de transport dupa incarcarea completa a acestuia. În basculantele si benele de transport, probele se iau din 3 puncte diferite, iar in cazul autoagitatoarelor, prin descarcarea unei cantitati de beton egala cu cel putin de trei ori volumul epruvetelor;
- la locul de punere in opera, probele se vor lua la punctul de descarcare, din 3 puncte diferite, in cazul descarcarii betonului din basculanta sau bena, iar in cazul descarcarii din autoagitator, probele se vor preleva din suvoiul ce curge prin jgheab, la trei intervale diferite.
Volumul unei probe din beton trebuie sa fie de cel putin 1,5 ori volumul epruvetelor. Recipientul pentru luarea probelor, realizat dintr-un material neabsorbant, trebuie sa fie curat si usor umezit. Probele vor fi ferite de actiunea directa a agentilor atmosferici, iar inainte de introducerea in tipare, betonul se va reamesteca.
Pentru prepararea apruvetelor se folosesc: tipare metalice demontabile cu prelungitoare, masa vibratoare de laborator cu frecventa de 3 000 200 vibratii/minut si amplitudinea de 0,35 0,02 mm, sau vibrator de interior cu diametrul buteliei £ 1/5 din dimensiunea minima a epruvetelor, vergea din otel-beton cu diametrul de 16 mm si lungimea 500 . 600 mm, cu capetele rotunjite, perii, mistrii, rigla metalica.
Prepararea epruvetelor se face la maximum 30 de minute de la luarea probelor, fara insa a depasi perioada limita admisa, pana la punerea in opera a betonului.
Înainte de umplerea tiparelor cu beton, acestea se curata si se monteaza cu grija, fetele interioare se ung cu un strat subtire de ulei mineral sau motorina ingrosata cu vaselina, iar inchiderile exterioare se ung cu vaselina.
Compactarea betonului se poate executa prin vibrare sau manual.
În cazul compactarii prin vibrare, tiparele, avand fixata rama prelungitoare se asaza pe o suprafata orizontala, se umplu cu beton (cu un exces de cca 50 mm), indesandu-se betonul cu mistria sau cu vergeaua pe langa peretii tiparului. Vibrarea se face pe masa vibranta sau cu ajutorul unui vibrator de interior. În al doilea caz, acesta se introduce vertical si rapid in beton pana la cca 20 mm de fundul tiparului unde se mentine pana la compactarea corespunzatoare, dupa care se scoate lent evitandu-se atingerea peretilor si formarea de goluri.
Durata vibrarii se stabileste in functie de lucrabilitatea betonului, astfel incat sa se obtina, fara segregarea acestuia, o compactare corespunzatoare si se mentine aceeasi pentru toate epruvetele seriei. Se apreciaza ca betonul este compactat corespunzator daca:
- suprafata betonului se aplatizeaza si devine orizontala;
- mortarul fin incepe sa iasa la suprafata;
- inceteaza practic aparitia bulelor de aer care ies din beton.
În cazul compactarii manuale, betonul se toarna in tipare in cel putin 2 straturi cu grosimea de max. 100 mm fiecare, ultimul strat trebuind sa umple tiparul in exces, cu cca 50 mm. Dupa turnarea fiecarui strat, betonul se indeasa mai intai cu mistria pe langa peretii vasului, apoi se compacteaza cu ajutorul vergelei de compactare, efectuandu-se o impunsatura la fiecare 1 000 mm2 de suprafata. Împunsaturile trebuie sa fie distribuite uniform si sa patrunda prin intreaga grosime a primului strat, iar la compactarea straturilor urmatoare prin intreaga grosime a stratului respectiv si 20 . 30 mm in stratul anterior.
Dupa executarea compactarii, se scoate rama prelungitoare si se indeparteaza surplusul de beton, suprafata epruvetelor fiind apoi netezita cu rigla metalica, astfel: imediat dupa compactare pentru betoanele cu lucrabilitate L0, L1 si L2 si dupa 15 . 30 min. pentru betoanele cu lucrabilitate L3, L4 si L5. Pentru evitarea evaporarii apei din beton, tiparele se vor proteja prin acoperire cu folii de polietilena sau alte materiale.
Înainte de decofrare si in timpul decofrarii, probele vor fi pastrate la temperatura de 20 3 0C, umiditatea relativa de 65 5 % si protejate. Decofrarea epruvetelor se va face dupa 24 h de la preparare; pentru incercari la termene mai scurte, decofrarea se va face inainte de incercare. Dupa decofrare, pastrarea epruvetelor se va face in conditiile prevazute in tabelul Pana la 7 zile se vor pastra in conditii de umiditate ridicata si apoi in regim cu umiditate normala, pana la incercare. Pe fata de turnare a fiecarei epruvete se vor nota (prin zgariere sau cu vopsea) cel putin indicativul seriei si data prepararii.
Tabelul 7
|
Caracteristica regimului de pastrare |
Mediul de pastrare a epruvetelor |
Temperatura mediului, C |
Umiditatea relativa a mediului de pastrare, % |
|
Apa |
20 2 |
- |
|
|
Umiditate ridicata |
Nisip umed |
90 . 100 |
|
|
Aer umed |
20 3 | ||
|
Umiditate normala |
Aer |
20 3 |
65 5 |
Termenele de incercare ale epruvetelor sunt: 28 de zile pentru incercarile de verificare ale rezistentelor la compresiune si/sau intindere (marca betonului sau clasa de beton), 7 si 28 zile in cazul incercarilor preliminare; in cazul incercarilor preliminare si de control pe faze, termenele de incercare pot fi diferite.
Înainte de efectuarea incercarii se verifica dimensiunile si forma epruvetelor. În cazul in care planeitatea sau paralelismul celor doua fete de incercare nu sunt corespunzatoare (denivelari ale fetelor mai mari de 0,5 mm, diferenta dintre valorile extreme obtinute prin masurare nu trebuie sa fie mai mare de 1 % din latura epruvetei) acestea se rectifica cu o pasta de ciment de marca minimum P 40, chit epoxidic sau cu pasta de sulf. Înainte de efectuarea rectificarii, fetele epruvetelor se curata cu peria de sarma, iar in cazul utilizarii pastei de ciment se vor umezi. Dupa rectificare, epruvetele se pastreaza in regim de umiditate normala cel putin 24 h in cazul folosirii pastei de ciment sau a chitului epoxidic si 30 min in cazul aplicarii pastei cu sulf. Nu se admite rectificarea epruvetelor cu mai mult de 72 h inainte de data incercarii.
2. Determinarea rezistentei la compresiune
Rezistenta la compresiune se determina prin aplicare unei forte uniform crescatoare pe epruvete cubice, cilindrice sau orientativ pe fragmente de prisma rezultate de la incercarea la intindere prin incovoiere sau de la incercarea la incovoiere. Pentru determinare se utilizeaza prese hidraulice sau mecanice cu precizie de 1 %, a caror forta maxima a treptei de functionare adoptata trebuie sa fie egala cu cel mult de opt ori forta de rupere a epruvetelor supuse incercarilor. Transmiterea incarcarilor se realizeaza prin doua platane din metal. Platanul superior (1) este prevazut cu un dispozitiv cu rotula (2) al carui centru coincide cu centrul placilor pentru transmiterea uniforma si centrica a fortei, iar cel inferior (3) este fix (figura 12.).
|
Fig. 12. Schema de incercare la compresiune |
Epruvetele se vor aseza astfel incat directia de incarcare sa fie perpendiculara pe directia de turnare. Încarcarea se aplica in mod continuu si uniform, pana la ruperea epruvetei cu o crestere constanta de 0,6 0,4 N/mm2/s, astfel incat incercarea sa dureze minimum 30 s. Încercarea se face fara anularea frecarii dintre platanele presei sI fetele cubului, neadmitandu-se introducerea vreunui material intre acestea (foi de plumb, carton, pasla etc.).
În cazul incercarii la compresiune pe fragmente de prisma, fiecare fragment se asaza intre platanele presei, prin intermediul unor placute metalice cu dimensiuni de 100´100´12 m, 150´150´12 mm sau 200´200´12 mm, in functie de sectiunea prismei.
Rezistenta la compresiune se calculeaza cu relatia:
N/mm2 (19)
in care: P este forta de rupere citita pe cadranul presei, in N;
A - aria nominala sau reala, dupa caz, a sectiunii de referinta, in mm2.
Rezultatele se rotunjesc la 0,1 N/mm2. Rezistenta la compresiune pentru o serie de epruvete se obtine ca medie aritmetica a rezultatelor individuale obtinute pe epruvetele incercate. În cazul in care unul din rezultate se abate cu mai mult de 20 % fata de medie, acesta se va elimina recalculandu-se media. Daca doua dintre rezultate se abat, in sens contrar cu mai mult de 20 % fata de medie, determinarea nu se ia in considerare.
3. Determinarea rezistentei la intindere
3.1. Determinarea rezistentei la intindere prin despicare
Rezistenta la intindere prin despicare se determina pe epruvete cubice, cilindrice sau orientativ pe fragmente de prisma, rezultate de la incercarea la intindere prin incovoiere, prin aplicarea unor forte uniform crescatoare cu ajutorul unor piese cu sectiune de 15´4 mm si lungimea mai mare decat cea a epruvetei cu care vin in contact.
Epruvetele se asaza
intre platanele masinii de incercat (presa) prin
intermediul unor fasii de carton, textolit sau sipci de lemn de
esenta tare cu latimea (s) de 15 2 mm, grosimea (t) de 4 1 mm
si lungimea cu cca 40 mm mai mare decat linia de contact cu epruveta
(latura cubului, sectiunea transversala a prismei sau
inaltimea carotei cilindrice) (fig. 13). Directia de
incarcare trebuie sa fie perpendiculara pe directia
de turnare. Epruvetele, curatate cu peria de par, se
asaza in presa astfel incat sa fie foarte
bine centrate. Încarcarea se aplica in mod continuu
si uniform pana la despicarea epruvetei cu o crestere
Rezistenta la intindere prin despicare se calculeaza cu formulele:
- pentru epruvete cubice si fragmente de prisma
N/mm2 (20)
- pentru epruvete cilindrice:
N/mm2 (21)
in care: P este forta de rupere, citita pe cadranul presei, in N;
L - lungimea medie a sectiunii transversale pe liniile de contact, in mm;
h - inaltimea medie a sectiunii transversale, in mm;
d - diametrul mediu in sectiunea transversala de rupere, in mm.
Rezultatul se rotunjeste la 0,1 N/mm2. În caz de abateri ale unor valori se aplica prevederile de la 2.
|
|
Fig. 13. Schema incercarii la intindere prin despicare
3.2. Determinarea rezistentei la intindere prin incovoiere
Rezistenta la intindere prin incovoiere se determina pe epruvete prismatice si pe fragmentele de prisma rezultate de la incercarea prismelor intregi prin aplicarea, in mod uniform crescator, a unei singure forte in mijlocul distantei dintre cele doua reazeme semicirculare.
Pentru incercare se foloseste presa universala de 50 . 100 kN (conform pct. 2.), cu reazeme reglabile si cutit pentru transmiterea fortei. Reazemele si cutitul trebuie sa aiba o sectiune semicirculara cu diametrul de 20 . 30 mm si trebuie sa fie, in tot timpul incercarii, in contact cu betonul pe intreaga latime a epruvetei. Distanta dintre reazeme trebuie sa se poata regla la 300 si 600 mm. Forta concentrata se transmite printr-un cutit asezat la mijlocul distantei dintre reazeme.
|
Fig.1 Schema incercarii la intindere prin incovoiere |
Epruvetele prismatice se asaza pe reazemele de incercat, astfel incat forta transmisa prin intermediul cutitului sa actioneze perpendicular pe directia de turnare. Pe fiecare dintre epruvetele prismatice de 100´100´550 mm se efectueaza doua incercari (distanta dintre reazeme este de 300 mm), in timp ce pe celelalte tipuri de epruvete se efectueaza o singura incercare (fig.1). Încarcarea se aplica uniform si continuu, cu o viteza de 0,05 0,01 N/mm2/s, pana la ruperea prismelor.
Rezistenta la intindere prin incovoiere se calculeaza cu relatia:
- pentru betoane cu agregate grele:
N/mm2
- pentru betoane cu agregate usoare:
N/mm2
in care: P este forta de rupere, in N;
L - distanta dintre reazeme, in mm;
b - latimea medie a sectiunii transversale, in mm;
h - inaltimea medie a sectiunii transversale, in mm.
Dimensiunile b si h se masoara perpendicular pe axa longitudinala a epruvetei, in imediata vecinatate a sectiunii de rupere.
Rezultatul se rotunjeste la 0,1 N/mm2, eventualele abateri ale unor valori tratandu-se ca la pct.2.
Determinarea rezistentei la incovoiere
1. Determinarea rezistentei la incovoiere pe prisme 100´ ´550 mm
Rezistenta la incovoiere se determina pe epruvete prismatice si pe fragmentele de la prismele incercate, prin aplicarea in mod uniform a unei singure incarcari la mijlocul epruvetei asezate pe doua reazeme semicirculare. Pentru incercare se utilizeaza aparatura si se aplica modul de lucru precizate la pct. 3.2.
Rezistenta la incovoiere se calculeaza cu relatia:
N/mm2
in care P, L , b si h au aceeasi semnificatie ca la pct.3.2.
Rezultatul se rotunjeste la 0,1 N/mm2, eventualele abateri ale unor valori tratandu-se ca la pct. 2.
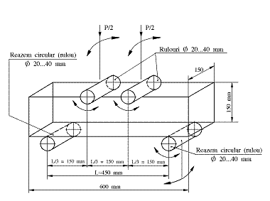
2. Determinarea rezistentei la incovoiere pe prisme 150´ ´600 mm
Epruvetele se prepara dn beton proaspat, utilizand tipare de 150´ ´600 mm. În cazul in care dimensiunile epruvetelor depasesc abaterea admisibila ( 0,5 % ), rezistenta la incovoiere poate fi calculata numai pe baza dimensiunilor reale, rotunjite la 1 mm.
Pentru determinare se utilizeaza serii alcatuite din min. 3 epruvete.
Pastrarea epruvetelor se face astfel:
- in tipare la 20 2 0C, ferite de vibratii si protejate cu folii de polietilena sau cu alte materiale, astfel incat sa se evite evaporarea apei din beton pana la varsta de o zi ( 24 1/2 h ) cand se decofreaza;
- in apa, la 20 2 0C, din momentul decofrarii si pana la varsta de 28 de zile, cand se incearca.
Cu 2 - 3 zile inainte de termenul de incercare ( 28 de zile ), epruvetele pot fi scoase din apa cca 24 ore ( timp necesar transportului de la statia de betoane la presa de incercare ), dupa care se reintroduc in apa, de unde se scot cu max. 15 minute inainte de incercare si se sterg cu o carpa uscata.
Rezistenta la incovoiere se determina prin aplicarea in mod uniform si continuu a doua forte egale si simetrice, amplasate la treimea deschiderii dintre cele doua reazeme circulare pe care se sprijina prisma (fig. 15).
|
Fig.15. Schema de determinare a rezistentei la incovoiere |
Pentru incercare se utilizeaza o presa hidraulica avand precizia de 1 %, a carei forta maxima corespunzatoare treptei de functionare adoptata trebuie sa fie de cel mult opt ori forta de rupere a epruvetelor. Reazemele presei, fixate la 450 mm deschidere trebuie sa fie reglabile, sa aiba o sectiune circulara cu diametrul de 20 . 40 mm si trebuie sa fie tot timpul incercarii in contact cu betonul pe toata latimea epruvetei. De asemenea presa trebuie sa fie dotata cu dispozitiv de rupere la incovoiere (cu doua forte), avand cutitele de sectiune circulara cu diametrul de 20 . 40 mm. Epruvetele se asaza pe reazemele presei in asa fel incat fortele transmise sa actioneze perpendicular pe directia de turnare.
Viteza de aplicare a sarcinii se regleaza astfel incat sa se produca in fibra maxim solicitata o crestere a efortului de 0,05 0,01 N/mm2/s (corespunzatoare unei viteze de aplicare a sarcinii de cca 250 N/s), pana la ruperea prismelor.
Rezistenta la incovoiere (Rinc ) se calculeaza cu relatia:
N/mm2
in care P, L , b si h au aceeasi semnificatie ca la pct.3.2.
Rezultatul se rotunjeste la 0,1 N/mm2, valoarea rezistentei la incovoiere considerandu-se media aritmetica a trei determinari efectuate pe o serie de epruvete.
5. Determinarea rezistentei caracteristice la incovoiere
Rezistenta
caracteristica la incovoiere (
) serveste la determinarea clasei betonului. Aceasta se
calculeaza cu relatia:
N/mm2
in care:
este rezistenta
la incovoiere medie a celor n rezultate analizate, in N/mm2;
t - parametru statistic (coeficientul Student) a carui valoare este indicata in tabelul 8;
Sinc - abaterea medie patratica a rezistentelor la incovoiere, sau abaterea standard, calculata cu relatia 27, in N/mm2.
N/mm2
Tabelul 8
|
n-1 |
t |
n-1 |
t |
|
| |||
|
> |
Relatia 27 este echivalenta cu relatia 28 care prezinta facilitati de aplicare:
N/mm2
5.1. Exemple privind verificarea realizarii clasei betonului
I. Sa se verifice realizarea clasei betonului rutier BcR 5,0 pe baza urmatoarelor 8 rezultate ale rezistentei la incovoiere: 6,0; 7,1; 6,4; 7,0; 8,1; 7,5; 7,9; 7,5 N/mm2.
a. Prelucrarea rezultatelor:
- suma valorilor rezultatelor:
åRinc= 6,0 + 7,1 + . + 7,5 = 57,5
- suma patratelor valorilor rezultatelor:
= 6,02 + 7,12 + . + 7,52 =
416,89
- abaterea medie patratica:

- rezistenta la incovoiere medie:
![]()
![]()
- rezistenta caracteristica:
![]()
b. Interpretarea rezultatelor
Betonul analizat corespunde clasei BcR 5,0, intrucat valoarea rezistentei caracteristice la incovoiere este superioara valorii clasei prevazute in tabelul 1.
N/mm2
II. Sa se verifice realizarea clasei betonului rutier BcR 5,0 pe baza unui grup de 30 de rezultate ale rezistentei la incovoiere, utilizand metodologia de prelucrare statistica cu intervale de clasare, rezistentele la incovoiere avand urmatoarele valori: 4,8; 5,2; 4,2; 7,1; 7,8; 6,3; 6,4; 6,4; 7,5; 7,4; 6,6; 6,7; 7,9; 5,7; 6,3; 5,7; 5,1; 6,2; 6,7; 7,1; 6,1; 5,2; 6,9; 6,1; 5,5; 6,4; 6,3; 5,8; 6,2; 6,1 N/mm2.
a. Prelucrarea rezultatelor ( se utilizeaza un formular de clasare conform tabelului 9 ), procedandu-se astfel:
- se ordoneaza rezultatele in ordine crescatoare;
- se adopta marimea intervalului de clasare a rezultatelor de 0,2 N/mm2;
- se inscriu in formularul de clasare limitele intervalelor stabilite si valoarea medie a intervalului, notata cu Rint.;
- se claseaza rezultatele marcandu-se in coloanele Frecventa cazurilor un x in dreptul fiecarei valori intalnite in grupul analizat;
- se determina frecventa f a cazurilor pentru fiecare interval;
-
se stabileste intervalul dominant in care se
intalneste frecventa maxima, notandu-se
valoarea medie a acestuia Rc ,
alegandu-se o valoare arbitrara, dar apropiata de
si frecventa dominanta;
- se determina abaterile: a ale valorilor medii ale fiecarui Rint fata de Rc, cu relatia:
a = Rint - Rc N/mm2
- se calculeaza produsele f × a si f × a2 , precum si sumele acestora;
- se calculeaza:
parametrii m1, m2:
rezistenta medie la incovoiere (
):
abaterea medie patratica (Sinc):
rezistenta caracteristica la incovoiere (
):
N/mm2
În cazul nostru se obtine:
N/mm2
Deci betonul nu corespunde clasei BcR 5,0, dar corespunde clasei BcR 4,5 (conform conditiilor date in tabelul 1).
Tabelul 9
|
Medie interval |
Interval de |
Frecventa cazurilor f : |
f |
a |
fa |
fa2 |
Prelucrare |
|||||||||
|
(Rint) |
clasare | |||||||||||||||
|
Rc = 6,2 |
||||||||||||||||
|
´ |
m1 = |
|||||||||||||||
|
m2 = |
||||||||||||||||
|
´ |
|
|||||||||||||||
|
´ |
|
|||||||||||||||
|
´ |
´ |
|
||||||||||||||
|
´ |
´ |
´ |
|
|||||||||||||
|
´ |
|
|
||||||||||||||
|
´ |
´ |
´ |
´ |
´ |
´ |
´ |
´ |
Concluzii: Betonul nu |
||||||||
|
´ |
´ |
´ |
´ |
´ |
corespunde clasei BcR |
|||||||||||
|
´ |
´ |
´ |
5,0 intrucat are |
|||||||||||||
|
´ |
´ |
|
||||||||||||||
|
´ |
N/mm2, dar |
|||||||||||||||
|
´ |
corespunde clasei |
|||||||||||||||
|
´ |
BcR 4,5 avand |
|||||||||||||||
|
|
||||||||||||||||
|
Total |
> 4,5 N/mm2 |
|||||||||||||||
6. Determinarea densitatii
Determinarea densitatii betonului intarit se face prin doua metode:
- metoda cu picnometru;
- metoda cu balonul cotat.
Pentru efectuarea incercarii sunt necesare: ciocan metalic de 500 . 1 000 g, mojar de otel, mojar de agat, sita din tesatura de sarma 020 (STAS 1077 - 67), capsula metalica sau din portelan, etuva, exsicator cu clorura de calciu, balanta analitica, palnie, picnometru cu capacitate de 50 sau 100 cm3, etalonat la 20 0C, cu dop de sticla prevazut cu tub capilar, pompa de vid, biureta de 50 cm3, balon cotat de 50 cm3.
Proba din beton se sfarama cu ciocanul colectandu-se o cantitate reprezentativa de cca 1 kg. Materialul se piseaza in mojarul de otel, apoi se reduce la jumatate prin metoda sferturilor si se mojareaza in mojarul de agat pana se obtine o pulbere care trece prin sita 020. Din materialul astfel obtinut se ia prin metoda sferturilor cca 150 g, intr-o capsula metalica sau din portelan. Capsula cu materialul se introduce in etuva, se usuca pana la masa constanta, apoi se lasa sa se raceasca pana la 20 3 0C intr-un exsicator cu clorura de calciu.
6.1. Metoda cu picnometru
Pentru determinarea densitatii se procedeaza in felul urmator:
- se determina masa m1 a picnometrului cu lichid de lucru (petrol lampant anhidru, benzina anhidra) pana la reperul partii superioare a tubului capilar, apoi se goleste picnometrul, se usuca si se cantareste cu precizie de 0,1 g;
- se introduce in picnometru 15 sau 30 g material pulverulent uscat cu ajutorul pilniei
(in functie de capacitatea picnometrului) si se cantareste cu precizie de 0,1 g;
- peste materialul din picnometru se toarna lichid, cel mult pana la jumatate din volumul acestuia, apoi se evacueaza aerul timp de 12 h cu o pompa de vid;
- picnometrul se lasa in repaos intr-o incapere cu temperatura de 20 3 0C pentru depunerea materialului aflat in suspensie si dupa 24 de ore se completeaza lichidul si se pune dopul picnometrului avand grija ca lichidul sa deverseze la partea superioara a tubului capilar si sa nu ramana bule de aer in picnometru;
- se usuca picnometrul la exterior (cu hartie de filtru), dupa care se cantareste cu balanta analitica, determinandu-se masa m2.
Densitatea betonului (r) se calculeaza cu relatia:
g/cm3
in care: m este masa materialului uscat luat pentru determinare, in g;
m1 - masa picnometrului umplut cu lichid, in g;
m2 - masa picnometrului cu material si lichid, in g;
r - densitatea lichidului corespunzatoare temperaturii la care se efectueaza incercarea, in g/cm3.
Ca rezultat se ia media aritmetica a doua determinari, cu conditia ca cele 2 valori sa nu difere cu mai mult de 2 %, in caz contrar repetandu-se determinarile. Densitatea se determina cu o precizie de trei zecimale.
6.2. Metoda cu balonul cotat
Pentru determinarea densitatii se procedeaza in felul urmator:
- se determina masa m0 a balonului cotat gol, curat si uscat, apoi se introduce in balon, cca 50 g material pulverulent si se cantareste din nou, obtinandu-se masa m1;
- dintr-o biureta de sticla de 50 cm3, plina pana la semn cu lichid de lucru (petrol lampant anhidru, benzina anhidra) se introduce lichid in balonul cotat pana la baza gatului, apoi se agita usor balonul pentru a elimina eventualele bule de aer. Se lasa 10 minute in repaos si se completeaza lichidul pana sub semn, dupa care se lasa din nou in repaos 10 minute si se verifica nivelul lichidului, completandu-se daca este necesar;
- dupa umplerea balonului pana la semn, se citeste pe biureta volumul lichidului de lucru (V1) introdus in balon.
Densitatea r se calculeaza cu relatia:
g/cm3
in care: m1 este masa balonului cotat cu material, in g;
m0 - masa balonului cotat gol, in g;
V0 - volumul balonului cotat, in cm3;
V1 - volumul lichidului introdus in balonul cotat, in cm3.
Prelucrarea rezultatelor se face ca in metoda cu picnometrul (6.1.).
Determinarea densitatii aparente
Densitatea aparenta se determina ca raport intre masa epruvetelor si volumul aparent al acestora (inclusiv porii), considerate in stare de umiditate naturala, stare saturata sau stare uscata.
Pentru efectuarea incercarii sunt necesare: balanta de 20 kg, balanta de 100 kg, etuva, subler, balanta hidrostatica, vas cu apa.
Încercarea se face pe epruvete cubice sau prismatice (preparate din beton proaspat) si nefasonate sau cilindrice (provenite din elementul de constructie).
Determinarea masei epruvetelor se face corespunzator celor trei stari mentionate mai sus.
În cazul starii de umiditate naturala, cantarirea se face imediat dupa prelevarea probei sau dupa pastrare in ambalaj ermetic inchis.
Pentru starea saturata, epruvetele se introduc in apa la 20 2 0C astfel incat nivelul apei sa le acopere cu cca 50 mm si se mentin pana la masa constanta (diferenta intre doua cantariri efectuate la min. 24 h, de max. 0,05 % pentru probe cu masa sub 200 g si max. 0,1 % peste 200 g). Înainte de cantarire, epruvetele se sterg cu o carpa umeda.
În cazul starii uscate, se considera ca s-a atins aceasa stare daca diferenta dintre doua cantariri succesive efectuate la min. 3 h este de max. 0,05 % pentru epruvete cu masa sub 200 g si max. 0,1 % peste 200 g. Volumul aparent al epruvetelor se determina prin calcul sau prin cantarire hidrostatica.
|
Fig. 16. Schema de masurare a dimensiunilor Fig. 1 Schema de masurare a epruvetelor cubice si prismatice dimensiunilor epruvetelor cilindrice |
Determinarea volumului aparent prin calcul se face in cazul epruvetelor cubice, prismatice sau cilindrice prin masurarea dimensiunilor cu precizie de 0,1 mm. La epruvetele cubice sau prismatice se masoara toate muchiile (fig. 16), dimensiunea acestora stabilindu-se ca medie a doua masuratori efectuate la distanta de 10 mm de muchia respectiva.
Volumul aparent al epruvetelor cubice se calculeaza cu relatia:
Vap = a × b × c cm3
in care:
cm
cm
cm
În cazul epruvetelor cilindrice (fig. 17) se masoara patru inaltimi (dupa doua diametre perpendiculare) si sase diametre perpendiculare, doua cate doua, la nivelul superior, mediu si inferior.
Volumul aparent al epruvetelor cilindrice se calculeaza cu relatia:
cm3
in
care:
cm
cm
Determinarea volumului aparent prin cantarire hidrostatica la temperatura de 20 2 0C, cu balanta hidrostatica, se aplica in cazul epruvetelor nefasonate. Epruvetele se pastreaza in prealabil, timp de 48 de ore intr-o incapere la temperatura de 20 3 0C si umiditate relativa a aerului de 65 5 %. Sunt parcurse urmatoarele faze:
- epruveta se cantareste in aer;
- se parafineaza epruveta dupa o incalzire prealabila in etuva la cca 60 0C prin suspendare cu ajutorul unei sarme si cufundare de cateva ori in parafina topita avand temperatura de min. 100 0C, pana cand grosimea stratului de parafina atinge cca 1 mm;
- se cantareste proba cu balanta hidrostatica in aer si in apa, cu precizia de 0,2 %. Pentru verificarea parafinarii, dupa cantarirea in apa, proba se usuca si se recantareste in aer. Daca masa difera de cea initiala cu mai mult de 0,5 %, determinarea se repeta pe alta epruveta din serie , pana se obtine toleranta prescrisa.
Volumul aparent al epruvetei se calculeaza cu relatia:
cm3
in care: m este masa epruvetei neparafinate in aer, in g;
- masa epruvetei parafinate in aer, in g;
- masa epruvetei
parafinate in apa, in g;
ra - densitatea apei ( ra 1 ), in g/cm3;
rp - densitatea parafinei (rp= 0,92 ), in g/cm3.
Densitatea aparenta a betonului se calculeaza corespunzator celor trei stari (de umiditate naturala - rap0, saturata - rap1, respectiv uscata - rap2) cu relatia:
g/cm3
in care: m este masa epruvetei corespunzatoare unei anumite stari, in g;
Vap - volumul aparent al epruvetei, in cm3.
Densitatea aparenta a betonului se considera media aritmetica a densitatii aparente a celor trei epruvete din serie, calculata cu trei zecimale.
8. Determinarea compactitatii
Compactitatea (C) se calculeaza cu relatia de mai jos, cu o precizie de doua zecimale.
in care: rap0 este densitatea aparenta a betonului in stare de umiditate normala ( conform 7 ), in g/cm3;
r - densitatea betonului intarit (conform 6), in g/cm3.
9. Determinarea absorbtiei de apa
Încercarea consta in determinarea cantitatii de apa absorbita, care se poate face prin imersarea epruvetelor in apa sau prin fierbere.
Pentru efectuarea incercarii sunt necesare: balanta tehnica sau hidrostatica, etuva, vas pentru saturarea sau fierberea probelor, perie de sarma sau piatra abraziva.
Se folosesc epruvete in stare de umiditate naturala sau uscata, a caror suprafata se curata de praf, murdarie sau urme de grasime cu peria de sarma sau piatra abraziva. Acestea se cantaresc, apoi se introduc in vasul cu apa la 20 2 0C, asezate pe suporti, astfel ca inaltimea sa fie dimensiunea minima, nivelul apei trebuind sa depaseasca proba cu cca 50 mm.
În cazul metodei imersarii, epruvetele se cantaresc dupa fiecare 24 h de absorbtie a apei cu balanta tehnica sau hidrostatica, asigurandu-se o precizie de 0,1 %. Daca se utilizeaza balanta tehnica, epruvetele se sterg in prealabil cu o carpa umeda, masa apei din pori care se scurge in talerul balantei incluzandu-se in masa probei saturate. Încercarea se continua pana la masa constanta (vezi 7).
Absorbtia de apa prin imersiune (wi) se calculeaza cu relatia:
in care: ms este masa epruvetei saturate, in g;
mu - masa epruvetei uscate, in g.
În varianta aplicarii metodei fierberii, epruvetele cantarite si introduse in vasul cu apa se supun fierberii. Dupa fiecare patru ore de fierbere, epruvetele se racesc in apa pana la 20 2 0 C, se sterg cu o carpa umeda si se cantaresc. Operatia se repeta pana cand diferenta intre doua cantariri, dupa doua fierberi succesive, este de max 0,1 %.
Absorbtia de apa prin fierbere (wf) se calculeaza cu relatia:
in care: mfierb este masa epruvetei dupa fierbere, in g;
mu - masa epruvetei uscate, in g.
Absorbtia de apa a betonului este media aritmetica a absorbtiei de apa a celor trei epruvete din serie, determinata cu o precizie de doua zecimale.
10. Determinarea porozitatii
Porozitatea betonului intarit reprezinta volumul de goluri din unitatea de volum a probei si poate fi:
- porozitate totala, care ia in considerare volumul tuturor porilor din masa de beton (inclusiv porii inchisi care nu comunica cu exteriorul);
- porozitate aparenta, care ia in considerare numai volumul porilor deschisi care comunica cu exteriorul (pori capilari si necapilari).
10.1. Determinarea porozitatii totale
Porozitatea totala (Pt) se calculeaza cu relatia:
in care: rap0 este densitatea aparenta a epruvetei in stare de umiditate naturala (conform 7), in g/cm3;
r - densitatea epruvetei (conf. 6), in g/cm3;
C - compactitatea epruvetei (conf. 8), in %.
10.2. Determinarea porozitatii aparente
Porozitatea aparenta se determina prin cantariri succesive ale betonului uscat si saturat cu apa. Saturarea epruvetelor se face prin imersare in apa timp de 24 h si cantarirea lor. Operatia se repeta pana la obtinerea masei constante, astfel incat diferenta intre doua cantariri sa fie de max. 1 g.
Valoarea porozitatii aparente (Pap) se calculeaza cu relatia:
in care: m1 este masa epruvetei saturate cu apa, in g;
m2 - masa epruvetei uscate, in g;
ra - densitatea apei (ra 1), in g/cm3;
rap0 - densitatea aparenta a epruvetei in stare de umiditate naturala (conf. 7), in g/cm3.
10.3. Alte caracteristici in legatura cu porozitatea
Încercarea de determinare a porozitatii permite si evaluarea altor caracteristici si anume:
- volumul porilor capilari deschisi (P0):
in care: W0 este absorbtia volumetrica de apa a epruvetei, in %;
Wi - absorbtia de apa determinata conf. 9, in %;
rap0 - densitatea aparenta, in stare de umiditate naturala (conf. 7), in g/cm3;
ra - densitatea apei (ra=1), in g/cm3;
- volumul porilor necapilari deschisi (volumul golurilor dintre granule) - P1:
in care: Vap1 este volumul epruvetelor stabilit prin calcul, in cm3;
Vap2 - volumul epruvetelor stabilit prin cantarire hidrostatica, in cm3;
- volumul porilor inchisi ai betonului (P2):
P2 = Pt - P0 - P1
- indicele microporozitatii betonului (Pmp):
in care: Wc este apa absorbita de epruveta la umiditatea relativa a aerului de 95 . 100 %;
m3 - masa epruvetei dupa pastrarea in aer cu umiditatea relativa de 95 . 100 %, in g;
m2 - masa epruvetei uscate, in g.
Porozitatea betonului este media aritmetica a porozitatii celor trei epruvete din serie, determinata cu doua zecimale.
11. Determinarea rezistentei la inghet - dezghet
Rezistenta la inghet - dezghet se poate determina prin:
- metoda distructiva, exprimandu-se prin numarul maxim de cicluri de inghet - dezghet
succesive pe care epruvetele din beton, incepand cu o varsta de cel putin 28 de zile pot sa le suporte fara sa sufere o reducere a rezistentei la compresiune mai mare de 25 %;
- metoda nedistructiva, exprimandu-se prin numarul maxim de cicluri de inghet - dezghet succesive, pe care epruvetele pot sa le suporte fara sa sufere modificari ale structurii, care sa reduca modulul de elasticitate dinamic cu mai mult de 15 %.
11.1. Metoda distructiva
Pentru efectuarea determinarilor prin metoda distructiva se folosesc epruvete cubice, numarul acestora fiind dat in tabelul 10, in functie de gradul de gelivitate (numarul de cicluri de inghet - dezghet la care trebuie sa reziste betonul fara ca rezistenta la compresiune sa scada cu mai mult de 25 % sau fara ca modulul de elasticitate dinamic sa se reduca cu mai mult de 15 %).
Tabelul 10.
|
Numarul epruvetelor |
Gradul de gelivitate |
|||
|
sub G 50 |
G 50 |
G 100 |
G 150 |
|
|
Epruvete supuse la ciclurile de inghet - dezghet | ||||
|
Epruvete martor | ||||
|
Total epruvete | ||||
Obs.: În cazul lucrarilor la care, prin proiect se impune realizarea unui anumit grad de gelivitate, cu acordul proiectantului, numarul total de epruvete poate fi redus la 6 (din care 3 epruvete martor), in acest caz determinarea pierderii de rezistenta facandu-se nu in trepte, ci numai dupa atingerea numarului final de cicluri prescris in proiect.
Aparatura necesara se compune din camera frigorifica sau frigorifer incapator, care permit mentinerea unei temperaturi constante de -17 2 0C, bazin pentru dezghetarea probelor in apa la 20 5 0C, aparat de control al temperaturilor.
Pentru efectuarea incercarii, epruvetele se introduc in bazinul cu apa la temperatura de 20 5 0C cu patru zile inainte de inceperea incercarilor. Pentru ca epruvetele sa fie saturate cu apa, se procedeaza in felul urmator: apa din bazin se toarna pana la 1/4 din inaltimea epruvetelor, dupa 24 h se adauga pana la 1/2 din inaltime, dupa alte 24 h la 3/4 din inaltime, iar dupa alte 24 h apa se adauga la un nivel cu cel putin 2 cm peste inaltimea epruvetelor, mentinandu-se astfel timp de 24 h, dupa care epruvetele se considera saturate.
Ciclurile de inghet - dezghet constau din mentinerea epruvetelor, cate 4 h, in camera frigorifica la - 17 2 0C si respectiv, in bazinul cu apa la 20 5 0C. Epruvetele destinate incercarii se introduc alternativ in camera de inghet si in bazinul cu apa, iar epruvetele martor se pastreaza tot timpul sub apa. Acestea se vor aseza astfel incat, sa fie complet inconjurate de aer in timpul ciclului de inghet si de apa in timpul ciclului de dezghet. Distanta dintre epruvete trebuie sa fie de cel putin 20 mm. Suportul pe care se asaza epruvetele va fi astfel construit, incat suprafata de contact cu baza epruvetelor sa fie cat mai mica. Ciclurile de inghet - dezghet continua fara intrerupere pana la atingerea numarului prevazut. Epruvetele supuse ciclurilor de inghet - dezghet si cele martor (cate 3 epruvete) se supun la incercarea la compresiune. Pierderea de rezistenta la compresiune (h) se calculeaza cu relatia:
in care: Rm este rezistenta medie la compresiune a epruvetelor martor, in N/mm2;
Ri - rezistenta medie la compresiune a epruvetelor supuse ciclurilor de inghet - dezghet, in N/mm2.
Daca h este mai mare de 25 %, incercarea se opreste, in caz contrar, se continua pana la atingerea numarului prescris de cicluri.
Ca rezistenta la inghet - dezghet se considera numarul maxim de cicluri de inghet - dezghet succesive pe care epruvetele de beton pot sa le suporte fara sa sufere o reducere a rezistentei la compresiune mai mare de 25 % fata de cea a epruvetelor martor.
11.2. Metoda nedistructiva
Metoda consta in stabilirea reducerii modulului de elasticitate dinamic in urma supunerii epruvetelor prismatice (conf. 11) la un anumit numar de cicluri de inghet - dezghet la varsta de 28 de zile. Se prepara cate 6 prisme de beton, indiferent de gradul de gelivitate prescris, din care, inainte de inceperea ciclurilor de inghet - dezghet, se aleg pentru incercare trei, care au frecventele proprii la incovoiere cat mai apropiate de medie, ecartul maxim admis fiind de 2 % fata de medie.
Pentru efectuarea incercarii sunt necesare: instalatie de inghet - dezghet (conf. 11.1) si aparat de incercari dinamice care poate inregistra frecventa de rezonanta la incovoiere cu o precizie de 1 %.
Pregatirea epruvetelor si aplicarea ciclurilor de inghet - dezghet se face ca la pct. 11.1, cu precizarea ca se determina frecventa proprie la incovoiere, pe fiecare epruveta saturata in parte, inainte de inceperea ciclurilor de inghet - dezghet, dupa ce a fost scoasa din apa.
Dupa efectuarea ciclurilor de inghet - dezghet indicate se determina pentru fiecare epruveta frecventa proprie la incovoiere, in conformitate cu instructiunile aparatului utilizat si se calculeaza reducerea modulului de elasticitate dinamic. Determinarea reducerii se face dupa fiecare serie de 25 cicluri, pentru betoane cu gradele de gelivitate G 100 si G 150, determinarile incepand dupa 50 cicluri.
Încercarea se opreste atunci cand s-a realizat numarul de cicluri prescris sau cand se constata ca reducerea modulului de elasticitate dinamic a atins valoarea limita admisa.
Se calculeaza media aritmetica a rezultatelor obtinute pe cele trei epruvete incercate. Ca rezistenta la inghet - dezghet se considera numarul maxim de cicluri de inghet - dezghet succesive, pe care epruvetele din beton pot sa le suporte fara sa sufere modificari ale structurii care sa reduca modulul de elasticitate dinamic cu mai mult de 15 %, fata de valorile determinate inainte de supunerea la inghet - dezghet a acelorasi epruvete.
Determinarea modulului de elasticitate dinamic se face prin masurarea frecventei proprii de vibratie la incovoiere cu ajutorul unui aparat (fig. 18) compus in principal dintr-un circuit excitator si un circuit receptor, cu care se masoara frecventa proprie de vibratie la incovoiere pe epruveta prismatica.

Fig. 18. Schema aparatului pentru determinarea frecventei proprii de vibratie
1 - epruveta; 2 - reazeme; 3 - traductor emitator de vibratii;
4 - traductor receptor; 5 - aparat pentru determinarea frecventei.
Modulul de elasticitate dinamic, dupa n cicluri ( Er,n ) se calculeaza cu relatia:
in care: f0 este frecventa proprie de vibratie la incovoiere a epruvetelor inainte de supunerea la cicluri de inghet - dezghet, in Hz;
fn - frecventa proprie de vibratie la incovoiere a epruvetelor dupa n cicluri de inghet - dezghet, in Hz.
12.Determinarea rezistentei la uzura prin frecare
Principiul metodei consta in supunerea epruvetei frecarii pe cale uscata, cu un abraziv presarat pe un disc metalic, care are o miscare circulara, uniforma, determinandu-se pierderea de material.
Încercarile se efectueaza pe trei epruvete cubice cu latura de 70 0.7 mm, care se prepara din beton sau se obtin prin taiere, astfel: din elemente cu dimensiuni mai mari de 70 mm, direct sub forma de cub cu latura 70 mm, iar din elemente cu grosimi mai mici de 70 mm, se taie intai placi patrate cu latura de 70 mm, care se completeaza pe fata opusa celei ce urmeaza a fi incercate cu mortar M 100, formandu-se un cub cu latura de 70 mm. Epruvetele se usuca in etuva la temperatura de 105 . 110 0C la masa constanta, se racesc la temperatura camerei si se fac asupra lor urmatoarele masuratori: se cantaresc cu precizie de 0,1 g, se masoara dimensiunile fetei de incercare cu sublerul, cu precizia de 0,1 mm si inaltimea cu micrometrul, cu precizie de 0,05 mm in cele doua puncte indicate in fig. 19.
|
|

Fig. 19. Dispunerea punctelor Fig. 20. Aparatul Böhme
masurare a grosimii epruvetelor
Pentru determinarea uzurii se foloseste aparatul Böhme (fig. 20), care se compune in principal din: un disc circular (1), care se roteste cu viteza de 30 1 rotatii pe minut si care se opreste automat dupa 22 de rotatii, dispozitiv de fixare a epruvetei (2), parghie pentru apasarea epruvetelor (3), prinsa in articulatia (4), greutatea (5) pentru realizarea fortei de apasare de 0,06 N/mm2.
Încercarea se efectuaza in felul urmator:
- se cantaresc 20 g material abraziv cu granulatia 10 (63 . 160 mm), care se presara in mod uniform pe disc;
- se introduce epruveta in dispozitivul de prindere si se asaza greutatea pe platanul de balanta al parghiei;
- se pune in miscare aparatul, care se opreste automat dupa 22 de rotatii, cand se scoate epruveta si se curata cu perie aspra, cu care se curata si discul de slefuire;
- se presara o noua cantitate de 20 g material abraziv, se reintroduce epruveta in aparat in aceeasi pozitie si se continua incercarea in acelasi mod, din 22 in 22 rotatii pana ce se realizeaza 110 rotatii, cu epruveta in aceeasi pozitie;
- dupa terminarea celor 110 rotatii se scoate epruveta din aparat, se cantareste cu precizie de 0,1 g si se masoara in cele 9 puncte, dupa care se introduce din nou in aparat, asezandu-se pe aceeasi fata, dar rotita cu 90 0 fata de prima pozitie si se repeta toate operatiile descrise mai inainte;
- epruveta se roteste inca de doua ori cu 90 0 si se repeta operatiile descrise, astfel ca la sfarsitul determinarii, epruveta a fost supusa la uzura pe fata incercata, in toate cele patru sensuri, prin rotirea discului de slefuire de 440 ori. La sfarsit, se fac din nou operatiile de masurare si cantarire.
Uzura prin frecare pe cale uscata se calculeaza cu relatiile:
g/cm2
cm3/cm2
U3 = I0 - If mm
in care: m0 este masa initial a probei, in g;
mf - masa finala a probei (dupa 440 rotatii), in g;
A0 - aria initiala a fetei incercate, in cm2;
I0 - inaltimea initiala a probei, in mm;
If - inaltimea finala a probei, in mm;
ra - densitatea aparenta a probei, in g/cm3.
Rezistenta la uzura prin frecare pe cale uscata ( Ru1, Ru2, Ru3 ) se calculeaza cu relatiile:
cm2/g
cm2/cm3
1/mm
in care U1, U2, U3 sunt uzurile determinate anterior.
Copyright © 2026 - Toate drepturile rezervate