Home - Rasfoiesc.com
Educatie Sanatate Inginerie Business Familie Hobby Legal
Meseria se fura, ingineria se invata.Telecomunicatii, comunicatiile la distanta, Retele de, telefonie, VOIP, TV, satelit




Aeronautica Comunicatii Constructii Electronica Navigatie Pompieri
Tehnica mecanica

Tehnica mecanica


Index » inginerie » Tehnica mecanica
» Sisteme de Transmisie AC flexibile


Sisteme de Transmisie AC flexibile


Sisteme de Transmisie AC flexibile

Facts

Cuprins

Capitolul 1 Introducere



1.1 Probleme intr-un sistem de transport al energiei electrice

1.2 Caracteristici FACTS

1.3 Principii de baza ale controlului fluxului de energie activ si reactiva

Capitolul 2 Principalele tipuri de Sisteme de Transmisie AC flexibile (FACTS)

2.1. Compensator static de putere reactiva (SVC)

A. Compenstaoare statice

B. Pricipii de operare

C. Aplicatiile SVC

2.2 Condensator serie (SC)

2.3 Compensator serie controlabil

2.4 Compensator static (Statcom)

2.5 Transformator pentru modificarea fazei (PST) (regulator de faza) Phase shifter (PST)

A. Interfazic de Energie (IPC)

2.6 Controler unificat al fluxului energetic (UPFC)

2.7 Stabilizator dinamic de tensiune (DVR)

Capitolul 3    Modelarea FACTS

3.1 Modelul cu injectie de putere

3.2 Modelul cu susceptanta totala

3.3 Modelul cu unghi de saturatie

3.4 Modelul TCR

3.5 Circuit pentru SVC si TCSC

3.6 Modellul SVC

3.7 Modelul TCSC

Capitolul 4    Implementarea FACTS-urilor in reglarea fluxului de energie

4.1 Domenii de utilizare a SVC

4.1.1 Reglarea energiei reactive

4.1.2 Reglarea tensiunii

4.1.3 Reglarea unghiului de aprindere

4.2 Domenii de utilizare a TCSC

4.2.1 Reglarea energie active

4.2.2 Reglarea unghiului de aprindere

4.2.3 Protectia de rezonanta si limitele de unghi

4.3 Implementari aditionale

4.3.1 Determinarea Unghiului de Intarziere la Aprindere

4.3.2 Schimbari incrementale ale SVC-ului si ale TCSC-ului

4.3.3 Comutarea SVC-ului si TCSC-ului

Capitolul 5 Reglarea fluxului de energie cu ajutorul FACTS pentru Sistemul Test 25

5.1 Regim slab incarcat

5.2 Regim cu incarcare medie

5.3 Regim puternic incarcat

Concluzii

Bibliografie

Capitolul 1 INTRODUCERE

Industria de furnizare a energiei electrice, care se dezvolta tot mai rapid, aduce utilizatorilor de sisteme de transport la inalta tensiune atat noi oportunitati cat si provocari. Acestea isi au originea in principal in puternica crestere a transferurilor de energie electrica a utilitatilor interne (a serviciilor publice), in efectele libertatii in afaceri, si considerentele politice, economice si ecologice asupra construirii de noi facilitati de transport.

De asemenea, calitatea energiei electrice este un subiect constant de tot mai mare interes in transportul si distributia energiei electrice. Din moment ce serviciile de transport sunt acum furnizate pe baza de contracte, restrictiile de parametrii de nivel tensiune si de deformare a curentului, de scaderi si fluctuatii vin cu o forta impresionanta, pana acum nemaivazuta in multe tari.

Traditionala abordare a capacitatii atat de colpesitoare si a limitarilor de calitate in transportul si distributia de energie electrica, in multe cazuri consta in adaugarea de noi modalitati de transport si/sau generare. Oricum, aceasta poate fi impracticabila sau indezirabila in cazul real, dintr-o varietate de motive. Adaugarea de noi linii sau/si statii, respectiv extinderea substatiilor existente poate fi prea costisitoare si poate dura prea mult timp, concesiunile pentru autoritatea legala de a trece pamantul altor proprietari pot fi imposibil de obtinut, si, in ultimul rand, dar nu mai putin important, pot fi intalnite serioase obstacole din punct de vedere ecologic.

Aceasta lucrare va dezvalui cum alte solutii, cunoscute colectiv ca Sisteme A.C. de transport flexibile (FACTS) bazate pe exprimarea artei, electronicelor de inalta putere si tensiune, pot constitui o optiune superioara, din punct de vedere tehnic, economic si ecologic.

1.1 Probleme intr-un sistem de transport

Teoretic, un sistem de transport poate transporta energie pana la limita lui de incacare termica. Dar, practic, pentru a atinge limita termica, sistemul intampina urmatoarele probleme:

Limite de stabilitate a transportului

Limite de tensiune

Circulatii de putere in bucla

Prin limitele de stabilitate a transmisiei de putere electrica se intelege limitele maxime de transport de putere electrica pe care poate suporta un sistem electroenergetic in conditiile de functionare cu defecte majore in sistem dar cu capacitatea de transport intacta.

Prin limite de tensiune se intelege limitele puterii transportate pentru care tensiunea retelei poate fi pastrata in cadrul unor deviatii permise de la valoarea nominala, de obicei nu mai mult de 5-10% (in functie de nivelul de tensiune). Tensiunea este determinata de marimea numita energie reactiva (Q). Q la randul ei, depinde de lungimea fizica a circuitului de transmisie, dar si de fluxul energiei active. Deci, in termeni simpli, cu cat linia este mai lunga si/sau cu cat fluxul energiei active este mai puternic, cu atat va fi mai puternic fluxul energiei reactive, iar ca o consecinta tensiunea va suferi o scadere, pana cand, la un anumit nivel critic va cadea complet.

Circulatiile de putere in bucla pot fi o problema, deoarece sunt determinate de legile fizice ale naturii care pot sa nu coincida cu interesele omului. Aceasta inseamna ca puterea care trebuie transmisa din punctul "A" spre punctul "B" intr-o retea nu va urma in mod necesar ruta directa, cea mai scurta, ci va trece necontrolata si se va raspandi pe cai nedorite disponibile in retea, in felul acesta generand pierderi aditionale si probabil, de asemenea, supraincarcarea sectiunilor din sistemele electroenergetice invecinate.

FACTS este proiectat pentru a indeparta astfel de constrangeri si pentru a raspunde finalitatilor stabilite de proiectanti, investitori si operatori, fara ca acestia sa trebuiasca sa aduca completari sistemului. Acesta ofera posibilitatea realizarii unei cresteri a capacitatii de transmisie a energiei in conditii optime, adica la o disponibilitate maxima, cu pierderi minime de transmisie si impact minim asupra mediului inconjurator. La acestea se adauga, bineinteles, costuri minime de investitie si consum de timp.

Imbunatatirea sau protectia calitatii energiei in transmisie si distributie este a doua forta motoare ca importanta pentru implementarea FACTS in sistemele electroenergetice. De exemplu, construirea unei otelarii poate fi o initiativa de mare importanta intr-o tara sau intr-o regiune, oferind atat cresteri de PIB, cat si de folosinta. Oricum, in multe cazuri, acolo unde furnizarea retelei este slaba sau insuficienta, aceasta valoarea adaugata ve deveni de asemenea o neplacere pentru multi datorita poluarii retelei, poluare care se va raspandi in toate partile retelei si in cel mai rau caz va deveni un impediment in efortul industrial din alta parte si in orice caz o sursa de nemultumire.

FACTS va oferi un remediu in astfel de cazuri, prin faptul ca va face posibila limitarea sau neutralizarea tulburarilor electrice precum scaderea si fluctuatiile tensiunii, distorsiunea neliniara si dezechiubrul fazelor in sistemele trifazice. Fiind o valoare adaugata utila, se va realiza si o imbunatatire a economiei procesului sau proceselor in discutie.

1.2 Caracteristici FACTS

Termenul "FACTS" acopera cateva sisteme bazate pe electronica de putere folosite pentru transmisia energiei AC. Data fiind natura echipamentului de electronica de putere, solutiile FACTS vor fi special justificabile in aplicatii ce necesita una sau mai multe dintre urmatoarele calitati:

Raspuns dinamic rapid

Abilitate pentru variatii frecvente in productie

Productie usor adaptabila

Dispozitivele FACTS s-au dovedit a fi eficiente in controlarea fluxului de energie si a oscilatiilor de amortizare a sistemului de energie. Prin controlarea fluxului de energie pe o linie individuala, energia poate fi redirectionata catre/de la diferite parti ale retelei de energie. Redrectionarea fluxului de energie permite ultilizarea liniilor de energie, ceea ce fizica fluxului de energie singura nu ar pemite.

Pentru administrarea eficienta a sistemului de transmisie utilizand FACTS e necesara o coordonare in timp real a regulatoarelor pentru a atinge un tel comun. Controlul unitar al dispozitivelor FACTS nu este bine inteleasa din cauza lipsei curente de controale bazate pe o scara de masurare a timpului si a paradigmelor descentralizate de operare pentru interactiunea dispozitivelor FACTS. Paradigmele de operare a sistemelor de energie sunt in mod tipic definite prin scara de masurare a timpului: control (minute) de operare (pe termen lung), control dinamic (secunde) si control local (fr: control (minute) de operare (pe termen lung), control dinamic (secunde) si control local (fractiuni de secunda). Algortimii distribuiti in computerele incorporate in fiecare dispozitiv FACTS pot coordona actiuni prin utilizarea unei combinatii de detectare locala, statut al sistemului de transmisie, cod local al executiei si coordonare cu alte computere incorporate. Codul executiei de cooperare si mesajul ce trece printr-o retea de comunicare ofera un nivel inalt al coordonarii. Dispozitivele FACTS combinate , computerele incorporate, reteaua si algortimii distribuiti de control formeaza un sistem de distributie numit Sistem de Energie FACTS.

Sistemele de energie sunt vulnerabile in doua privinte: caderi fizice a componentelor sistemului de energie electrica si caderi ale sistemelor asociate de control. In sistemul de energie FACTS, aceste caderi se pot petrece in combinatie. Caderile pot avea drept consecinta faptul ca dispozitivele FACTS sa controleze impropriu fluxul de energie, iar defectele fizice pe linie pot supraaglomera echipamentul. Pentru a proteja sistemul de un camuflaj ce rezulta din multimea de defecte, precursorii multimii de defecte trebuie sa fie caracterizate astfel incat sistemul sa poata detecta orice stari vulnerabile ce pot interveni in actiunile de remediere. Tipul cel mai fundamental de precursor al unei multimi de defecte este supraincarcarea unei linii.

Un dispozitiv FACTS este compus intr-un computer incorporat care depinde de u sistem de control de mic voltaj pentru procesarea semnalelor, care, la randul lui, depinde de un sistem de conversie de energie de voltaj inalt pentru comutarea rapida a energiei in linia principala de alimentare. Fiecare dispozitiv FACTS controleaza o linie principala de alimentare (Linie Controlata) si multiple dispozitive FACTS interactioneaza unele cu altele prin mesaje de schimbare prin reteaua de comunicare. Efectul net al dispozitivelor FACTS si al retelei de energie este ca fiecare linie principala de alimentare si fiecare dispozitiv FACTS sunt afectate de celelalte linii de alimentare si de celelalte dispozitive FACTS.

Restrictiile Sistemului de Energie FACTS sunt pentru a mentine stabilitatea tensinii, pentru a opera fara supraincarcari si pentru a mentine disponibilitatea.

Dispozitivele FACTS functioneaza automat, dar ele depind de informatiile primite din reteaua de transmisie pentru a determina raspunsurile lor. Fiecare dispozitiv FACTS trebuie sa-si monitorizeze continuu nu numai propria functionare ca raspuns la schimbarile din sistemul de operare, ci si raspunsul dispozitivelor invecinate. Fiecare dispozitiv FACTS trebuie sa fie apt sa determine daca alt dispozitiv nu functioneaza si, in cazul nefunctionarii, sa remedieze pierderea acelui dispozitiv.

Fluxul de energie este o functie a impedantei liniei de inalta tensiune, a magnitudinii tensiunii la capatul de trimtere si primire si a unghiului de faza dintre tesnsiuni. Prin controlarea unui motiv sau a unei combinatii de motive ale fluxului de energie, este posibila controlarea fluxului de energie atat activa, cat si reactiva in liniile de transmisie.

In trecut, sistemele de energie erau simple si erau proiectate pentru a fi independente. Schimbul de energie activa a sistemelor de energie invecinate era rar, deoarece sistemele de transmisie AC nu pot fi controlate destul de repede pentru a putea maenvra schimbarile dinamice din sistem si, astfel, problemele dinamice erau de obicei rezolvate prin existenta unor margini generoase de stabilitate, astfel ca sistemul isi poate reveni in cazul unor cheltuieli neprevazute anticipate.

Astazi, este posibila cresterea incarcaturii sistemului si in felul acesta a securitatii prin folosirea unui numar de diferite abordari. Este o practica uzuala in sistemele de energie instalarea condensatoarelor de suntare pentru a sustine tensiunile din sistem la niveluri satisfacatoare. Condensatoarele in serie sunt folosite pentru a reduce rectanta liniei de inalta tensiune si astfel pentru a creste capacitatea liniei de transfer a energiei. Sincrodefazoarele sunt folosite pentru a controla fluxurile de energie din liniile de transmisie prin introducerea unui defazaj aditional intre tensiunile la capatul de trimtere si primire.

In trecut, toate aceste dispozitive erau controlate mecanic si erau, in felul acesta, relativ lente. Sunt foarte folositoare intr-o stare stationara de operare a sistemelor de energie, dar din punct de vedere dinamic, constanta lor de timp este prea lenta pentru a depasi eficace oscilatiile temporare. Daca sistemele controlate mecanic ar fi facute pentru a raspunde mai rapid, siguranta sistemelor de energie ar fi in mod semnificativ imbunatatita , permitand utlizarea completa a capacitatii sistemului concomitent cu mentinerea nivelurilor adecvate de stabilitate. Acest concept si progresele din domeniul electronicii de energie au dus la o noua abordare introdusa de Institutul de Cercetare a Energiei Electrice (EPRI) in anii '80. Numite Sisteme Flexibile de Transmisie AC sau simplu FACTS, acestea au fost un raspuns la o cerinta pentru eficientizarea folosirii resurselor deja existente in sistemele actuale de energie concomitent cu mentinerea si chiar imbunatatirea sigurantei sistemului energetic.

1.3 Principii de baza ale controlului fluxului de energie activ si reactiva

Energia activa (reala) si reactiva intr-o linie de transmisie depinde de magnitudinea tensiunii si de unghiul de faza la punctul de intrare si la cel de iesire, precum si de impedanta liniei. Pentru a facilita intelegerea elementelor de baza in controlul fluxului de energie si pentru a introduce ideile de baza legate de regulatoarele FACTS bazate pe VSC, este folosit modelul simplu dat in [26] si ilustrat in Figura 1.1(a). Se presupune ca voltajele la capatul de trimtere si primire sunt fixate si pot fi interpretate ca puncte in sisteme mari de energie unde voltajele sunt "compacte". Capetele de trimtere si primire sunt conectate de o reactanta echivalenta, presupunand ca rezistenta liniilor de transmisie de voltaj inalt este foarte scazuta. Capatul de trimitere este modelat ca un nod cu putere infinita cu un unghi fixat de 0

Figure 1.1 - (a) Model for calculation of real and reactive power flow

(b) Power angle curve for (a)

Fluxurile de energie complaxa, activa si reactiva in acest sistem de transmisie sunt definite dupa cum urmeaza:

unde VS si VR sunt magnitudinile (in valori RMS) ale voltajelor la capatul de trimtere si primire , in timp ce δ este dafazarea dintre tensiunile la capatul de trimtere si primire.

Ecuatiile pentru fluxurile de energie activa trimisa si primita, PS and PR, sunt egale pentru ca sistemul se presupune a fi unul fara pierderi. Dupa cum se poate vedea in Figura 1.1.(b), transferul maxim de energie activa are loc, pentru sistemul dat, la o energie sau unghi de incarcare egal cu 900. Energia maxima are loc la un unghi diferit daca sunt incluse pierderile de transmisie. Sistemul este stabil sau instabil in functie de derivata dP/dis negativa sau pozitiva Limita de regim stationar este atinsa cand derivata este zero.

In practica, un sistem de transmisie nu este niciodata lasat sa functioneze aproape de limita de regim stationar, deoarece anumite margini trebuie lasate in transferul de energie pentru ca sistemul sa fie apt sa manevreze anomalii precum schimbari de incarcatura, erori sau operatii de comutare. Dupa cum se poate vedea in Figura 1.1.(b), intersectia dintre o linie de sarcina reprezentand capatul de trimitere puterea mecanica (turbina) si linia de consum a incarcaturii electrice defineste valoarea de regim stationar a ; o usoara crestere in puterea mecanica la capatul de trimitere duce la cresterea unghiului. Pentru un unghi de peste 900, cererea crescuta duce la un transfer mai scazut de energie, care accelereaza generatorul, iar apoi creste unghiul, facand sistemul instabil; in orice caz, pe partea stanga a intersectarii, cresterea unghiului duce la cresterea energiei electrice pentru a se potrivi cu puterea mecanica crescuta. In determinarea unei margini apropiate pentru unghiul de incarcare, sunt des utilizate conceptele de stabilitate scazuta sau dinamica sau stabilitate de semnal ridicata sau temporara. Conform definitiei IEEE, satbilitatea dinamica este abilitatea sistemului de energie de a mentine sincronismul in conditii de mici tulburari, in timp ce stabilitatea temporara este abilitatea sistemului de energie de a mentine sincronismul atunci cand este suspus la o tulburare severa temorara precum un defect sau o pierdere a generarii [27]. Transferurile tipice de energie corespund unghiurilor de energie sub 300; pentru a asigura stabilitatea unghiului de rotatie in regimul stationar, unghiurile de-a lungul sistemului de transmisie sunt de obicei mentinute sub 450 [26].

La o analiza atenta a ecuatiilor (1.2) si (1.4) se poate observa faptul ca transferul de energie activa sau reala depinde in principal de unghiul de energie; analiza ecuatiilor (1.3) si (1.5) da la iveala faptul ca cerintele de energie reactiva ale capetelor de trimitere si primire sunt excesive la unghiuri inalte si la transferuri inalte de energie. De asemenea, se poate deduce faptul ca transferul de energie reactiva depinde in principal de magnitudinile de tensiune, cu fluxuri dinspre voltaj ridicat si voltaj scazut, in timp ce directia fluxurilor de energie activa depinde de de semnalul unghiului de energie.

Ecuatiile (1.2) pana la (1.5) arata ca fluxul de energie in linia de transmisie depinde de reactanta liniei de transmisie, de magnitudinea voltajului la capatul de trimtere si primire si de unghiul de faza dintre voltaje. Conceptele ce stau la baza regulatoarelor FACTS permit controlul acestor parametri in timp real si, in felul acesta, variatia energiei transmise in concordanta cu conditiile din sistem. Capacitatea de a controla rapid energia, in cadrul unor limite definite corespunzator, poate creste stabilitatea dinamica si temporara, precum si amortizarea sistemului. De exemplu, o crestere sau o scadere a valorii reactantei liniei de transmisie X, dupa cum se poate observa in ecuatiile (1.2) si (1.4), mareste sau micsoreaza valoarea de transfer maxim a energiei Pmax. Pentru un flux de energie dat, o schimbare a lui X, schimba, de asemenea, unghiul dintre cele doua capete. Regularizand magnitudinea voltajelor la capetele de trimitere si primire, VS si VR, poate controla, de asemenea, fluxul de energie intr-o linie de transmisie. In orice caz, aceste valori sunt suspuse unui control strict datorita cerintelor de incarcare care limiteaza variatiile de voltaj la un nivel intre 0.95 si 1.05 p.u., si din aceasta cauza nu poate influenta fluxurile de energie intr-un nivel dorit. Din ecuatiile fluxului de energie reactiva, (1.3) si (1.5), se poate deduce faptul ca regularizarea magnitudinii de voltaj poate fi mult mai mult influentata in ceea ce priveste fluxul de energie reactiva decat in privinta fluxului de energie activa.

Intre regulatoarele FACTS ce prezinta aici interes, STATCOM are capacitatea de a mari/micsora magnitudinea de tensiune si, in consecinta, de a creste/scadea fluxurile de energie in linia de transmisie. SSSC controleaza fluxul de energie prin modificarea reactantei de serie a liniei, in timp ce UPFC poate controla toti acesti parametri in mod simultan, adica magnitudinea de voltaj terminal, reactanta liniei de transmisie si unghiul de faza dintre voltajele capetelor de trimitere si primire.

S-a aratat faptul ca regulatoarele FACTS pot fi utilizate pentru a controla fluxurile de energie activa si reactiva in regim stationar, dar ar trebui sa se observe si faptul ca aceste regulatoare rapide ar fi putut avea un impact pozitiv asupra conditiilor dinamice si temporare intr-un sistem de energie daca este proiectat adecvat. Prin utilizarea corespunzatoare a acestor regulatoare FACTS, este posibil, de exemplu, sa se mareasca amortizarea oscilatiilor de energie, cauzate de o eroare invecinata, este realizata prin folosirea controlului de conexiune inversa pentru a modula eficient fluxul de energie activa pe o linie de transmisie printr-un UPFC. Este recunoscut faptul ca nucleul instabilitatii de voltaj este lipsa de suport al energiei reactive intr-un sistem de energie [26]; STATCOM are capacitatea de a controla absorbtia/generarea energiei reactive si, din moment ce timpul lui de raspundere este foarte rapid, cateodata chiar mai putin decat un ciclu poate fi folosit ca sa previna aceasta problema.

Capitolul 2. Principalele tipuri de Sisteme de Transmisie AC flexibile (FACTS)

Termenul "FACTS" acopera toate sistemele bazate pe electronica de putere folosite pentru transportul energiei AC.

Principalele sisteme sunt:

Compensator static de putere reactiva (Static var compensator - SVC)

Compensator serie de putere reactiva fix si controlat cu tiristoare (Fixed and thyristor-controlled-controlled series capacitor - TCSC)

Transformator pentru modificarea fazei (Phase-shifting transformer - PST) si asistat PST (APST)

Compensator static sincron (Synchronous static compensator - STATCOM)

Compesator static serie sincron (Synchronous static series compensator - SSSC)

Controlor universal de circulatie de putere (Universal power flow controller -UPFC)

Stabilizatoare dinamice de tensiune (Dynamic Voltage Restorers - DVR)

Dispozitivele FACTS au capacitati de controlare a energiilor active si reactive ale sistemului de distributie, care pot maximiza utilizarea liniilor existente. In plus, ele pot stabiliza tensiunea la punctul de cuplare comuna si pot reduce amortizarea oscilatiilor de energie. Dispozitivele FACTS pot fi impartite in trei categorii, precum regulator de serie, regulator de deviatie si regulator combinat.

  • Regulatoare conectate in serie: Static Synchronous Serie Compensator (SSSC), Thyristor-Switched Series Capacitor (TSSC), Thyristor-Switched Series Reactor (TSSR) etc.
  • Regulatoare conectate pentru deviatie: Generator Static Sincron (SSG), Compensator Static de Volt-Amper Reactiv (SVC), Compensator Static Sincron (STATCOM), Reactor de Reglare a Tiristorului (TCR), Thyristor-Switched Capacitor (TSC) etc.
  • Regulatoare combinate: Regulator Unificat de Flux Energetic (UPFC), Sincrodefazor de Tirostoare Regulate (TCPST) etc.

Dintre dispozitivele FACTS, multe metode se bazeaza pe inversoare de topologie, precum cele STATCOM. Pe de o parte, dispozitivele TCS sau TCR, bazate pe schimbatoare de tiristor, folosesc elemente pasive precum condensatoare si reactoare pentru a schimba impedanta reactiva a sistemelor pentru controlarea energiilor active si reactive. Sistemul inversor ofera o flexibilitate mai mare de controlare a energiei si de imbunatatire a stabilitatii energiei, precum si de controlare a magnitudinii si a fazei tensiunii..

2.1 Compensator static de putere reactiva (SVC)

A.Compenstaoare statice

De-a lungul anilor, s-au construit compensatoare statice de putere reactiva de diferite tipuri. Totusi, majoritatea lor au elemente controlabile similare. Cele mai comune (frecvente/raspandite) sunt:

Condensator rotativ mecanic (MSC)

Rectanta controlata cu tiristoare (Reactor Thyristor-controlled -TCR)

Capacitate cu comutatie cu tiristoare (Condensator Thyristor-switched -TSC)

Rectanta cu comutatie cu tiristoare (Reactor Thyristor-switched -TSR)

Capacitate cu comutatie mecanica (Condensator rotativ mechanic-MSC)

B. Pricipii de functionare

In cazul cu reactanta fixa TCR (Rectanta controlata cu tiristoare), un tip caracteristic de nucleu pe baza de aer, este conectat in serie cu un tiristor bidirectional. Curentul de frecventa fundamentala este variat prin controlerul fazic al tiristorului. Un TSC (Capacitate cu comutatie cu tiristoare) este alcatuit dintr-o capacitate in serie cu un tiristor bidirectional si o reactanta saturata. Functia de comutatie de tiristaore este de a conecta sau de a deconecta condensatorul pentru un numar integral de jumatati de constante de timp de tensiune aplicate (corespunzatoare). Condensatorul nu este controlat fazic, fiind in stare inchis sau deschis. Reactanta din circuitul TSC (Capacitate cu comutatie cu tiristoare) serveste la limitarea curentului in conditii anormale si de asemenea la armonizarea circuitului la frecventa dorita.

Rezistenta electrica a reactantelor si a capacitatilor, respectiv a transformatoarelor de energie electrica definesc domeniul operativ al SVC (Compensator static de putere reactiva). Diagrama corespunzatoare tensiune - curent (V-I) are doua regiuni operative diferite. In interiorul domeniului de control, tensiunea este controlabila cu o exactitate (precizie) stabilta de panta. In exteriorul domeniului de control, caracteristica este aceea a reactantei capacitative pentru tensiune scazuta, si aceea a curentului constant pentru tensiuni ridicate. Performanta de tensiune scazuta poate fi usor imbunatatita prin adaugarea unui depozit extra TSC (doar pentru utilizarea in conditii de tensiune scazuta).

. Outside the control-range the characteristic is that of a capacitive reactance for low voltages, and that ofa constant current for high voltages. The low-voltage performance can easily be improved by adding an extra TSC bank (for use under low-voltage conditions only).

TSR (Rectanta cu comutatie cu tiristoare) este un TCR (Rectanta controlata cu tiristoare) fara control fazic al curentului, functionand asemeni unui TSC (Capacitate cu comutatie cu tiristoare). Avantajul acestui dispozitiv fata de TCR (Rectanta controlata cu tiristoare) este faptul ca nu sunt generati curenti sinusoidali.

MSC (Capacitate cu comutatie mecanica ) este o ramificatie acordata continand o baterie condensatoare si o bobina de reactanta. Este proiectat pentru a comuta nu mai mult de cinci ori pe zi, comutarea fiind executata de un intrerupator.

C. Aplicatiile SVC

SVC-urile sunt instalate pentru a indeplini urmatoarele functii:

Stabilizare dinamica de tensiune: capacitate crescuta de transport de energie electrica, variatie redusa de tensiune

Imbunatatiri de stabilitate sincrona; stabilitate crescuta, sistem electric de saturatie imbunatatit

Echilibru dinamic de incarcare

Suport constant al parametrilor de tensiune

In mod specific, SVC-urile sunt evaluate astfel incat sa aiba abilitatea de a varia sistemul de tensiune cu cel putin ±5%. Aceasta inseamna ca domeniul operativ dinamic este in mod normal de aproximativ 10% pana la 20% din puterea de scurt circuit la punctul de conectare comuna ((PCC). Trei locatii diferite sunt potrivite pentru SVC. Unul este aproape de centrele principale de consum, ca ariile urbane largi, altul este in statiile critice, in mod normal in locatii indepartate in retea si a treia este la alimentarea sarcinilor mari industriale sau de transport.

Fig. 1 Configuratii SVC utilizate la cmpensarii puterii reactive in sisteme electroenergetice

a configuratia TSR-TSC

b configuratia TCR-TSC

c configuratia TCR-MSC

2.2 Condensator serie (SC)

Pentru o functionare corecta, compensarea serie necesita facilitati de control, protectie si supraveghere pentru a-i permite sa functioneze ca o parte integranta a unui sistem energetic. De asemenea, daca condensatorul serie functioneaza la acelasi nivel de tensiune ca restul sistemului, trebuie sa fie izolat fata pamant in intregime.

Diagrama circuitului principal a unei capacitati serie de ultima generatie este prezentata in Fig.2. Principalul dispozitiv de protectie este un varistor de obicei unul de tipul ZnO, limitand tensiunea de-a lungul condensatorului la valori neprimejdioase, in legatura cu defectele sistemului, dand nastere unor mari circulatii de curent scurtcircuit care se curg prin linie.

In multe cazuri este folosite eclatoarele (spatiu liber pentru descarcare), pentru a face posibila ocolirea capacitatii serie in situatiile in care varistorul nu este suficient pentru a absorbi curentul in exces in timpul unei perioade de defect.

In final, se introduce in circuit un intrerupator pentru a conecta si deconecta capacitatea serie in functie de nevoi. De asemenea este necesar introducerea eclatorului G, pentru protejarea varistorului in cazul defectelor apropiate. Este de asemenea necesar pentru stingerea spatiului de descarcare sau in absenta acestui spatiu de descarcare, pentru ocolirea varistorului in legatura cu defectele apropiate de condensatorul serie (asa-numitele defectiuni interne).

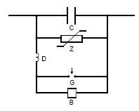
Fig. 2 Condensator serie

C - Condensator

Z - Metal oxid

D - decarcare amortizata

G - descarcare fortata

B - ocolire

2.1.3 Compensator serie controlabil

Desi intr-adevar foarte folositoare, condensatoarele conventionale serie sunt inca limitate in flexibilitatea lor din cauza valorii lor fixe. Prin introducerea controlului gradului de compensatie, se castiga beneficii aditionale. .

In primele tipuri de capacitati serie controlabile, sunt folosite intrerupatoare mecanice in circuit pentru introduce sau a scoate diferite trepte de valori ale condensatorilor in functie de nevoi. Acesta se potriveste in toate situatiile pentru controlul fluxului de energie electrica, dar pentru aplicatii care necesita mai mult raspuns dinamic, inutilitatea lui este redusa din cauza limitarilor asociate cu folosirea intrerupatoarelor de circuit.

Folosirea moderna a tehnicilor avanasate pentru compensarea controlabila de serie este expusa in Fig.3. Aici, introducerea tehnologiei electronicii de putere a permis dezvoltarea puternica a conceptului de compensare de serie. Beneficii suplimentare sunt controlul fluxului dinamic de energie electrica, posibilitatea de amortizare a oscilatiei energiei electrice, la fel ca micsorarea rezonantei sub-sincrone (SSR), ar trebui sa fie o solutie.

Fig.3 Compensare controlabila de serie

Principiul operarii

Tensiunea introdusa de un condensator in serie este proportionala cu patratul curentului. Astfel, energia reactiva generata de condensator este proportionala cu patratul valori curentului. In consecinta, un condensator in serie are o actiune de reglaj proprie. Cand sarcina sistemului creste, creste de asemenea si energia reactiva generata de condensatorul in serie.

Impactul compensarii in serie asupra sistemelor electroenergetice

Reglarea oneline a tensiunii si prevenirea caderilor de tensiune

Un condensator in serie are capacitatea de a compensa caderile de tensiune intr-o linie de transport datorita inductantei serie. La sarcini scazute, scaderea tensiunii de retea este mai mica si tensiunea condensatorului in serie este mai mica. Cand sarcina se mareste si scaderea de tensiune devine mai mare, contributia condensatorului in serie creste si tensiunea de retea este in consecinta reglata. Compensarea in serie extinde de asemenea regiunea de stabilitate a tensiunii prin reducerea reactantei liniei, in felul acesta ajutand la prevenirea caderilor de tensiune. Arata stabilitatea tensiunii si limiteaza cresterile la un nivel mai ridicat.

Controlul fluxului energetic

Compensarea in serie poate fi utilizata in retelele de tensiune pentru controlul fluxului de putere in starea de functionare. In cazul liniilor de transmisie cu capacitate termica suficienta, compensarea poate deci facilita supraincracarea altor linii, paralele.

2.1.4 Compensator static (Statcom)

Un compensator static este compus dintr-un convertor de sursa de tensiune; un controlor si transformator de cuplare (Fig.4). In Fig.4, Iq este vectorul curentului de generator si este perpendicular vectorului de tensiune Vi. Amplitudinea vectorului de tensiune si energia reactiva produsa (Q) este controlabila. Daca Vi >VT, compensatorul static furnizeaza sistemului ac energie reactiva. Daca Vi<VT, compensatorul static absoarbe energia reactiva.

Folosirea moderna a tehnicilor avansate pentru compensator static se face prin utilizarea IGBT. Prin folosirea Moduatiei de Puls de inalta frecventa a Latimii (PWM), a devenit posibila utilizarea unui singur convertor conectat la un transformator de putere standard prin reactante comutabile cu intrerupatoare cu vid(nucleu de aer). Echipamentele sunt pozitionate in interiorul unei cladiri prefabricate. Echipamentul exterior este limitat la schimbatoare de caldura, reactante comutabile si transformatorul de energie. Pentru extinderea operatiunii, pot fi folosite capacitati fixe suplimentare, capacitati cu comutatie cu tiristooare sau un ansamblu de mai mult de un convertor.

State of the art for Statcom is by the use of IGBT. By use of high frequency Pulse Width Modulation (PWM), it has become possible to use a single converter connected to a standard power transformer via air-core commutating reactors. The core parts of the plant are located inside a prefabricated building. The outdoor equipment is limited to heat exchangers, commutation reactors and the power transformer. For extended range of operation, additional fixed capacitors, thyristor switched capacitors or an assembly of more than one converter may be used.

Fig. 4: Compenstaor static

Semiconductoarele comandate dintr-un compensator static reactioneaza aproape instantaneu la o comanda de intrerupere. De aceea, factorul de limitare pentru intervalul complet de raspuns a centralei electrice este determinat de timpul necesar masuratorilor de tensiune si controlului sistemului de procesare a datelor. Poate fi folosit un controlor de o sensibiletate inalta, obtinandu-se un timp de raspuns mai scurt decat un sfert de ciclu.

Sistemul poate fi proiectat in cele mai multe cazuri complet fara filtre armonice. In cazurile in care cerintele armonicilor de ordin inalt sunt foarte stringente, poate fi utilizata o filtrare trece sus. De aceea, riscul de conditii rezonante este foarte mic. Aceasta trasatura face ca compesatorul static sa fie potrivit pentru repozitionare in alte locuri in conditiile schimbarii de retea.

Frecventa inalta de schimbare folosita in conceptul compesatorul static bazat pe IGBT are drept consecinta o capacitate esentiala de a produce tensiune la frecvente mai ridicate fata de cea fundamentala. Aceasta proprietate poate fi folosita pentru filtrarea activa a armonicilor deja prezente in retea. Compesatorul static atunci propulseaza curentii armonici in retea cu o faza si o amplitudine potrivite pentru a contracara tensiunile armonice.

Aplicatii:

Functiile indeplinite de compesatorul static sunt:

  • Stabilizare dinamica a teniusniii: capacitate crescuta de transport a energiei electrice, variatii reduse de tensiune
  • Imbunatatiri stabilitate sincrona: stabilitate temporara crescuta, saturatie imbunatatita a sistemului energetic
  • Echilibru dinamic de incarcare
  • Imbunatatire a calitatii energiei electrice
  • Suport pentru Stabilitatea statica a tensiunii

2.1.5Schimbator fazic (PST)

Schimbatoarele fazice sunt folosite pentru a controla fluxul energiei electrice prin liniile de transport. Atat amplitutdinea, cat si directia fluxului de energie electrica pot fi controlate prin variatia schimbatorului fazic de-a lungul PST.

Schimbatorul fazic este obtinut prin extragerea tensiunii de faza a unei faze si injectarea unei portiuni din acesta in serie cu alta faza. Aceasta se realizeaza prin utilizarea a doua transformatoare: transformatorul regularizator (sau magnetizator), care este conectat in schimbator, si transformatorul de serie (Fig.5). Tensiunea de serie injectata este in sfert de faza fata de tensiunea de faza.

Unghiul PST este in mod normal ajustat de un schimbator de ploturi sub sarcina. Tensiunea serie poate fi schimbata prin schimbatorul de ploturi in etape determinate de ploturile de pe infasurarile de reglare. Progresul in domeniul electronicii de inalta putere face posibil acum ca tiristorii sa fie folositi in reteaua de schimbare, in felul acesta facand-o mai rapida si mai putin supusa uzurii mecanice.

Fig. 5: Schimbator fazic

IPC

The PST concept, carried a bit further, leads directly into the Interphase Power Controller (IPC). The topology of an IPC, or as it is also called in this particular shape, APST (Assisted Phase Shifting Transformer) is shown in Fig. 7. The nature of the reactive element in parallel with the PST depends on the quadrant in which the PST is called upon to operate.

A. ?????? Interfazic de Energie the Interphase Power Controller (IPC)

Conceptul PST, dus putin mai departe, conduce direct in interiorul Controlorului Interfazic de Energie (IPC). Topologia unui IPC, sau cum este de asemenea numit in aceasta forma specifica, APST (Transformator de Schimbare Fazica Asistata), este afisata in Fig.6. Natura elementului reactiv in paralel cu PSt depinde de cadranul in care PSt este destinat sa functioneze. Cele doua ramificatii functioneaza in sens unic, permitand ca APST sa forteze transferul mai mare de energie electrica printr-un circuit obtinut doar de PST. Susceptibilitatea elementului reactiv este aleasa de multe ori mai mica decat cea a PST. De aici, comportamentul APST este dirijat in principal de PST, insemnand ca controlabilitatea APST este detinuta de PST.

Fig. 6: APST(Transformator de Schimbare Fazica Asistata)

2.1.6 Controlorul unificat de flux energetic (UPFC)

Controlorul Unificat de Flux Energetic este alcatuit din doua convertoare de schimbare puse in functiune de o legatura DC (in legatura) normal, asa cum se arata in Fig.8. In figura, Convertorul 2 indeplineste functia principala a UPFC prin injectarea unei tensiuni AC cu amplitudine controlabila si unghiul in faza cu linia de transport. Functia de baza a Convertorului 1 este sa furnizeze sau sa absoarba energia electrica activa necesara Convertorului 2 la legatura comuna in current continuu. De asemenea, poate genera sau absorbi energia reactiva controlabila si sa asigure o compensare reactiva pentru impedanta inseriata a linie.

Fig. 7: Controlorul unificat de flux energetic

Un UPFC poate regla energia activa si reactiva in mod simultan. In principiu, un UPFC poate indeplini functia de stabilizare a tensiunii, de control a fluxului de energie electrica si de imbunatatire dinamica a stabilitatii in unul si acelasi dispozitiv.

2.1.7 Stabilizator dinamic de tensiune (DVR)

Functia Stabilizator dinamic de tensiune (DVR) este ilustrata in Fig.8. In eventualitatea unei coborari de tensiune, convertorul electronic de energie injecteaza tensiunea corespunzatoare necesara in magistrala de alimentare pentru a compensa scaderea. Ciclurile de control rapide si viteza de schimbare (millisecunde) ale convertorului permit controlul exact de tensiune, care trece prin sarcina. Acesta poate fi periculos in procesele sensibile de fabricare, unde o singura scadere de tensiune poate cauza pierderi de productie si, odata cu acestea, foarte mari costuri.

Un DVR specific va avea suficienta capacitate de stocare a energiei pentru a compensa o scadere de de tensiune trifazica de 50% pentru pana la 10 cicluri, perioada normal ceruta pentru repararea defectiunilor. Chiar daca un DVR poate fi evaluat sa compenseze pana la 90% din scaderile de tensiune, nu sustine penele complete de curent electric. Capacitatoarele servesc ca dispozitive de stocare a energiei.

Un domeniu tipic de energie pentru a fi acoperit de DVR este de la 3 MVA pana la 50 MVA.

In ceea ce priveste implementarea FACTS, trebuie indeplinite doua sarcini diferite: in primul rand trebuie gasite modele matematice potrivite, in al doilea rand dsipozitivele trebuie sa fie implementate in estimarea fluxului de energie si de asemenea si in suprafata grafica de utilizare (GUI).

Fig. 8:Restaurator dinamic de tensiune

Sisteme flexibile de transport in curent alternativ

Sistemele de Transport de Curent Alternativ Flexibil (FACTS) sunt dispozitive bazate pe electronica de putere controlabila in sistemele de transport, care permit influentarea dinamica a fluxului de energie si/sau a de tensiunilor in noduri.

Asa cum s-a mentionat, primul FACTS, bazat pe reactante si condensatoare cu comutare mecanica, a fost lansat in anul 1960. Mai tarziu, in 1970, au fost aplicate comutatoarele semiconductoare, ceea ce a oferit noi oportunitati si a initiat o dezvoltare rapida. Astazi, FACT-urile sunt echipate cu tehnologii bazate pe convertizoare care folosesc tiristoare de mare capacitate (de asemenea si tiristoare GTO) sau comutatoare cu tranzistori.

In general, FACTS functioneaza ca

compensare paralela

compensare serie

atat compensare paralela, cat si compensare de serie.

Campurile reprezentative de aplicare sunt compensarea dinamica de putere reactiva, controlul dinamic al fluxului de energie si coordonarea fluxului de energie, cresterea capacitatii de transport, imbunatatirea stabilitatii statice (reglarea tensiunii) si intensificarea stabilitatii dinamice (amortizarea oscilatiei).

Capitolul 3

Modelarea FACTS

Sunt mai multe posibilitati de modelare ale FACTS, avand in vedere ca potrivirea modelului depinde de problema specifica.

Cateva circuite de baza FACTS vor fi prezentate succint in acest capitol, iar descrierile matematice ale dispozitivelor sunt date in ceea ce urmeaza.

3.1 Modelul cu injectie de putere

Modelul cu injectie descrie FACTS ca pe un dispozitiv care injecteaza o anumita cantitate de energie activa si reactiva intr-un nod, deci dispozitivul FACTS este reprezentat ca un element PQ [5], [8], [11]. Figura 9 expune ideea de modelare a dsipozitivului FACTS ca elemente PQ. Daca modelul FACTS nu contine pierderi, modelul cu injectie poate fi reprezentat ca in relatiile:

Figura 9: Modelul cu injectie

tinand cont de faptul ca numai FACTS (nu alte elemente) este conectat intre portul i si potul j. Pij si Pji reprezinta fluxul de putere activa, Qij si Qji reprezinta fluxul de putere reactiva. Unghiurile de trasport sunt

Din moment ce acest model utilizeaza elemente PQ pentru a descrie FACTS, poate fi implementat intr-o metoda de calcul a circulatiilor de puteri tip Newton-Raphson ca sarcini PQ. Modelul cu injectie nu contine informatii interne (detaliate) despre dispozitiv, adica este independent de proiectarea interna a FACTS.

3.2 Modelul cu Susceptanta Totala

Acest model interpreteaza FACTS ca o derivatie (pentru compensarea derivatie) sau ca un element serie (pentru compensarea serie) cu susceptanta variabila B Fluxul energiei prin FACTS depinde de B, Pij and Qij f(B).

Figura 10. Modelul cu Susceptanta Totala

Se prezinta ca o "cutie neagra" cu Canal 1 si Canal 2. In analizele de retea fiecare Canal n este reprezentat de matricea de impedanta care poate fi stabilita din modelul de circuit T sau II a elementului de retea. Inserand variabila B in modelele de Canal 1 si 2 pentru elementele de compensare derivatie si de compensare serie ne duce la modelul matricei cu Canal 1 pentru elementul conectat in derivatie:

Figura 11: elementul de canal 1 (a) si 2 (b)

Modelul de Canal 2 pentru elementul de serie poate fi exprimat astfel:

Fiind bine cunoscuta modalitatea de implementare a modelelor cu Canal 1 si 2 in evaluarea fluxului de energie, acest model este potrivit pentru estimarea circulatiei de curent cu metoda Newton-Raphson. Ca si Modelul cu injectie, Modelul cu susceptanta totala nu prezinta detalii despre proiectarea interioara a FACTS. Nu contine dependenta fata de nici un indice interior, ca de exemplu unghiul de saturatie.

3.3 Modelul cu unghi de saturatie

Modelul cu unghi de saturatie include dependenta impedantei FACTS sau a indicilor de putere, de unghiurile variabile de saturatie ale comutatoarelor semiconductoare. Unghiul de saturatie este acum considerat ca o stare variabila, astfel incat

Bij-1=Xij=f(α,XL,XC) si Pi,j,Qi,j= f(α,XL,XC)

O astfel de functie f(α,XL,XC) poate fi introdusa atat in Modelul cu Injectie, cat si in Modelul cu susceptibilitate totala. Cu acest model extins, utilizatorul poate influenta energiile prin schimbarea unghiurilor de saturatie a supapelor.

Consideram ca la Modelul cu unghi de saturatie atat circuitul intern, cat si valorile care influenteaza fluxul de energie prin dispozitiv, cum ar fi capacitatea, reactanta si in mod special unghiul de saturatie. O diferenta majora intre acest model si modelele mentionate anterior este ca Modelul cu Unghi de Saturatie descrie proiectarea interna a FACTS.

Reglarea circulatiei de putere: Se dau energiile injectate stabilite de utilizator, adica sarcinile injectate. Dupa estimarea fluxului de energie cu metoda Newton-Raphson, susceptanta aparenta a FACTS poate fi determinata de la tensiunea nodului si de la valoarea energiei. In ultima faza, unghiul de intarziere la aprindere este estimat cu ajutorul susceptantei aparente prin adoptarea Modelului Unghiului de Saturatie .

Reglarea tensiunii: Se da nodul de tensiune dorit, puterile injectate sunt rezultate ale estimarii circualtiei de puteri. Dupa determinarea susceptantei totale a dispozitivului cu ajutorul valorii tensiunii si puterii, se calculeaza unghiul de intarziere la aprindere.

Reglarea Unghiului: Susceptanta totala poate fi determinata cu ajutorul unghiului de intarziere la aprindere definit de utilizator si cu ajutorul reactantei condensatorului si a bobinei de inductie. Dupa aceea, dispozitivul este implementat in estimarea fluxului de energie ca o derivatie sau ca un element de serie (SVC sau TCSC). Sarcinile injectate sunt rezultate din estimare.

Pierderile de energie activa ale unui SVC sau TCSC(Condensatorul in Serie Controlat de Tiristor) sunt neglijate in modele, deoarece de obicei ele sunt sub un procent din evaluarea energiei reactive a dispozitivului.

3.4 Modelul TCR(Rectanta controlata cu tiristoare

Curentul unui TCR (Rectanta controlata cu tiristoare)simplu monofazat cu control de unghi de intarziere la aprindere

este exprimat ca:

'Unghiul de intarziere la aprindere' numit si 'unghi de declansare', este echivalent cu 'unghiul de conductie predominant', , in consecinta un TCR poate fi caracterizat atat prin amandoua. si

Cu o tensiune sinusoidala u(t) U cos ωt obtinem pentru curent:

Presupunand nu numai tensiunea sinusoidala, ci si curentul, indicele RMS are ca rezultat

Folosind     ITCR=UBTCR si

susceptanta aparenta (Aceasta este frecventa fundamentala echivalenta fara a    considera armonicele curentului) a circuitului poate fi exprimata ca   

Asadar, susceptanta unui TCR poate fi variata continuu

de la maxim

la minim

.5 Circuit pentru SVC(Compensator static de putere reactiva) si TCSC(Condensatorul in Serie Controlat de Tiristor

Un TCR in paralel cu o capacitate este un circuit de baza pentru SVC sau TCSC. Schema prezentata in Figura 12 permite diversificarea continua a suceptantei echivalente. Daca

domeniul de control acopera modurile de functionare capacitiv si reactiv.

Figura 12: Circuit de baza pentru SVC sau TCSC

Ecuatiile pentru acest circuit pot fi exprimate dupa cum urmeaza. Cu o capacitate

BC=XC-1= -ωC

conectata in paralel cu un TCR, susceptanta aparenta a intregului circuit are drept rezultat     B= BTCR+Bc

Figura 13 and Figura 14 prezinta traiectoriile B si X B-1 pentru un circuit de baza cu BL = 1.0 p.u. si BC = -0.2 p.u. In ceea ce priveste unghiul de aprindere pot fi definite trei moduri de operare diferite pentru acest circuit :

Modul de functionare: tiristor cu conductie integrala In acest mod, tiristoarele sunt declansate (comandate) la conductanta integrala, modulul se comporta aproximativ ca o schema paralela a condensatorului sau a bobinei de inductie. Daca susceptanta bobinei de inductie este mai mare decat suceptanta condensatorului, curentul prin dispozitiv este inductiv.

Modul de functionare: tiristor cu conductie blocata ~ Tiristoarele sunt blocate, curentul prin reactor este la nivelul zero si schema actioneaza exact ca un condensator fix.

Modul de functionare: tiristor cu conductie partiala (0 < α < In aceasta arie de operatie este posibila controlarea continua a suscepantei aparente a circuitului de la caracterul inductiv la cel condensator.

Dupa cum se stie, o capacitate in paralel cu o inductanta are intotdeauna un punct de rezonanta unde BL -BC. Conditia antirezonanta pentru circuitul de baza este

Aceasta conditie poate fi indeplinita prin variatia lui adica exista un unghi de aprindere αres unde circuitul oscileaza in rezonanta. Pentru a preveni circuitul de starea de rezonanta, acest unghi de intarziere la aprindere αres trebuie sa fie 'interzis', asadar utilizatorului n-ar trebui sa i se permita sa stabileasca αres= α Determinarea unghiului de intarziere la aprindere αres unde B αres

Pentru a pastra o " limita de siguranta" a rezonantei este definite o zona de protectie pentru unghiul de aprindere.definita ca

αres α>α> αres+ Δ α

Antirezonanta nu este o problema pentru circuitele conectate in paralel pentru ca tensiunea barelor colectoare este fixa, deci in cazul rezonantei curentului se apropie de zero, ceea ce nu pune in pericol elementele interne ale dispozitivului. Pentru circuitele conectate in serie putem considera curentul sau transmisia energiei ca fiind fixe, ceea ce duce la o cadere de tensiune serie inalta daca circuitul este intr-o stare de rezonanta. Acest fapt ar putea cauza o presiune serioasa pentru coponentele FACTS.

3.6 SVC(Compensator static de putere reactiva) Model

Dupa cum s-a mentionat, un SVC este un circuit conectat in paralel. Ecuatiile unui circuit de baza sunt folosite aici.

Datorita ecuatiilor Modelului cu Injectie de putere si faptului ca nu este nici un portul j pentru un element conectat in paralel, ceea ce inseamna

Uj=0   

valorile energiei active si reactive ale unui element SVC au drept rezultat

Pi=0

Qi=Ui2B

Fig. 13: Suceptanta variabila(BL = 1.0 p.u., BC = -0.2 p.u.)

   

Fig. 14: Suceptanta variabila(BL = 1.0 p.u., BC = -0.2 p.u.)

Figura 15: Model SVC(Compensator static de putere reactiva)

Cu (2.15) obtinem o functie pentru energia reactiva care include unghiul de intarziere la aprindere:

Considerand aceasta ecuatie in termini de rezonanta, unde B = 0 se poate observa ca starea de rezonanta poate cauza un consum de energie reactiva de Qi

Modelul TCSC(Condensatorul in Serie Controlat de Tiristor

TCSC este un TCR conectat in serie in paralel cu un condensator. Pentru valorile puterii injectate ale TCSC-ului la bus i si bus j sunt folosite ecuatiile (2.1)-(2.6).

Figura 16. Modelul TCSC

Aplicand (2.15) se ajunge la puterea activa transmisa

Din moment ce modelul nu ia in considerare pierderile energiei active din TCSC, obtinem aceeasi valoare absoluta (dar datorita sistemului de referinta cu un semn diferit) la celalalt bus al TCSC-ului:

Pji= - Pij

Avand in vedere faptul ca pierderile din linii de obicei nu sunt neglijate, aceasta ecuatie este valida doar pentru elemental TCSC, nu si pentru o combinatie a TCSC-ului cu liniile. Pentru ca TCSC-ul este un element reactive, valorile energiei reactive nu sunt egale la ambele noduri, ele pot fi exprimate ca

    1

    2

Daca circuitul este intr-o stare de rezonanta, exprimarea in paranteze mari a (1) si a (2) se apropie de zero. Presupunand un anumit (dorit) flux de energie Pij jQij se poate recunoaste ca aceasta ar putea cauza tensiuni foarte mari de port, ceea ce ar putea pune in pericol TCSC-ul.

Capitolul 4

Implementarea FACT-urilor in estimarea fluxului de energie

Implementarea elementelor FACTS este bazata pe modelele lineare ale elementelor existente. Nu exista tipuri de elemente in matricile de retea si in matricea jacobiana. In functie de reglatrea FACTS-ului sunt incluse in elementul matricial de sarcina, generatoare, sunturi si linii.

4.1 SVC

In functie de tipul de reglaj, SVC-ul poate fi descris ca ca un generator PV, o sarcina PQ sau un element de sunt cu o susceptanta B definita. Matricea originala SVC este fractionata si fiecare element SVC este incorporata in matricea de element a generatoarelor, sarcinilor sau sunturilor inainte ca estimarea Newton-Raphson sa fie pornita. Cand estimarea a luat sfarsit, rezultatele referitoare la elementele SVC sunt extrase din vectorii rezultanti ai generatorului, sarcinii si suntului si valorile energiei sunt salvate in vectorii rezultanti. Aceasta procedura este expusa in Anexa A.

4.1.1 Reglarea energiei reactive

Pentru un SVC Q reglat utilizatorul determina energia reactiva Qi pe care dispozitivul trebuie sa o injecteze. In acest caz este folosit Modelul cu Injectie de putere si SVC-ul este implementat ca o sarcina reactiva care consuma o cantitate determinata de energie reactiva din portul conectat.

Din moment ce Qi este cunoscut si Uj este un rezultat al estimarii fluxului de energie, putem obtine susceptanta echivalenta prin transformarea (2.20) in

Cu B,Ui, si (2.15) este posibila determinarea unghiului de intarziere la aprindere (explicat in sectiunea 3.3.1).

4.1.2 Reglarea tensiunii

Daca utilizatorul doreste sa controleze tensiunea portului Ui SVC-ul trebuie sa actioneze ca un generator PV reglat (cu P = 0) in concordanta cu Modelul cu Injectie de putere. Un rezultat al estimarii fluxului de energie este valoarea de energie Qi, dar nu susceptanta echivalenta sau unghiul de aprindere a tiristoarelor.

4.1.3 Reglarea unghiului de aprindere

In afara de reglarile mentionate ale energiei reactive si ale nodurilor de tensiune, este posibila stabilirea unghiului de intarziere la aprindere a unui TCR. Daca aceasta este efectuata, Modelul cu Susceptanta Totala este aplicat dupa ce susceptanta aparenta B a SVC-ului este estimata de la α, XL si XC.

In acest mod de reglare, limitele energiei reactive nu sunt luate in considerare. Utilizatorul poate obtine fiecare valoare a energiei reactive care rezulta din unghiul de intarziere la aprindere specificat. O modalitate de a gasi unghiurile de aprindere in care valorile energiei reactive sunt la limita este pornirea SVC-ului in modul de reglare a puterii, stabilirea valorii dorite la limita si privirea unghiului de intarziere la aprindere. Pentru a se asigura ca limita minima a energiei reactive nu este incalcata cu reglarea unghiului de aprindere, unghiul nu trebuie sa fie mai mic decat unghiul afisat cand SVC-ul functiona in modul de reglare a energie reactive la limita lui mai mica. Limita maxima a energiei reactive este depasita daca unghiul este mai mare decat unghiul care este afisat, daca SVC-ul functioneaza in reglarea energiei reactive la limita superioara a energiei reactive.

4.2 TCSC

Pentru Condensatorul in Serie Controlat de Tiristor sunt implementate doua tipuri de reglare. Primul este controlul energiei active transmise P, al doilea este stabilirea unghiul de intarziere la aprindere . In functie de modul de control, TCSC-ul este implementat ca sarcini in porturile conectate sau ca o linie intre ele. Din acest motiv, matrice a TCSC care include toate informatiile TCSC-ului este scindata si elementele TCSC-ului sunt incorporate in matricile de element sarcinilor si liniilor. Estimarea incepe cu aceste siruri aditionale in matricile de sarcini si linii. Dupa ce este finalizat, rezultatele sunt asociate TCSC-ului, liniilor si sarcinilor.

4.2.1 Reglarea energie active

Reglarea P a TCSC-ului inseamna ca utilizatorul stabileste energia activa care trebuie sa fie transmisa de la portul i la portul j, in timp ce energiile reactive, susceptanta echivalenta si unghiul de aprindere sunt necunoscute.

Eliminand B din (2.1)- (2.4) se ajunge la valorile energiei reactive injectate ca functii ale valorii specificate P si ale tensiunilor complexe de nod:

(3.2)

(3.3)

Cu aceste ecuatii TCSC-ul poate fi manevrat ca doua sarcini Pij+Qij la bus I si -Pij+jQijla bus j.

Utilizand (3.2) si (3.3) pentru obtinerea valorilor energiei reactive, trebuie sa luam in considerare faptul ca nodurile de tensiune nu sunt cunoscute inainte de estimarea fluxului de energie si ca ele vor varia cu fiecare repetare a algoritmului Newton-Raphson. De aceea, Qij si Qji trebuie sa fie recalculate dupa fiecare pas de iterare.

Dupa ce estimarea Newton-Raphson este finalizata, susceptanta aparenta a TCSC-ului este gasita prin transformarea

(3.4)

B poate fi de asemena determinat de la Qij sau Qji. Din moment ce valoarea definita nu include nici o eroare de calculare numerica, am decis pentru Pij.

Unghiul de intarziere la aprindere poate fi determinat din susceptanta echivalenta B=f(α), XL si XC dupa cum este explicat in 3.3.1.

4.2.2 Reglarea unghiului de aprindere

TCSC-ul cu reglare de la unghi este tratat ca o linie cu reactanta variabila X. Dupa ce susceptanta aparenta B a circuitului TCSC este estimata de la (2.15), impedanta de linie poate fi stabilita la X B- Acest TCSC, care este acum manevrat ca o linie cu Z jB- este adaugat in matricea de linie si estimarea este pornita. Rezultatul contine valorile energiei active si reactive.

4.2.3 Protectia de rezonanta si limitele de unghi

Dupa cum s-a discutat in Sectiunea 2.2.2, fiecare circuit TCSC are un punct de rezonata unde impedanta totala ajunge infinit de ridicata si, presupunand un anumit curent, tensiunea dintre porturile TCSC-ului ajunge de asemenea infinit de ridicata. Pentru a proteja elementele TCSC-ului de supratensiune, circuitele reale includ un Varistor de Metal Oxidat (VMO) in paralel cu condensatorul si TCR-ul. Un alt tip de protectie impotriva supratensiunii este evitarea unei anumite benzi a unghiului de aprindere in care rezonanta poate provoca circuitului riscul de supratensiune.

Din acest motiv, utilizatorului nu i se permite sa stabileasca unghiul de intarziere la aprindere intr-o arie care este aproape de unghiul de rezonanta αres, 'marginea de siguranta' Δ trebuie sa fie mentinuta. Avand in vedere ca utilizatorul de obicei nu cunoaste unghiul de rezonata a circuitului, unghiul de intarziere la aprindere αres care poate cauza rezonanta este estimat cu (2.16). Dupa aceea este verificat (2.17) si, daca e necesar, unghiul este corectat in mod automat:

daca αres α<α≤ αres+ Δ α este setat la α= αres α

  • daca αres<α< αres+ Δ α este setat la α= αres α

Acestea sunt limitele de rezonanta pentru unghiul de intarziere la aprindere. Limitele suplimentare rezulta din intarzierea maxima si minima de aprindere, aceasta este

si, corectata, daca utilizatorul defineste unghiul de aprindere in afara acestei zone. Pentru a informa utilizatorul despre orice modificare automatica a datelor de intrare, este trimis un mesaj catre GUI daca au fost facute corecturile

4.3 Implementari aditionale

4.3.1 Determinarea Unhgiului de Intarziere la Aprindere

Pentru dispozitive reglate P-, Q- si V-, susceptanta echivalenta este determinata dupa estimarea fluxului de energie.

Datorita (2.15) unghiul de intarziere la aprindere este o functie a susceptantei aparente B a TCR-ului, a suscpetantei reactorului BL si a capacitantei BC. Daca aceste trei valori sunt cunoscute, este posibila determinarea dintr-o ecuatie nonlineara implicita in forma

g(

Transformand (2.15) se ajunge la

(3.6)

Aceasta ecuatie poate fi rezolvata pin metoda Newton-Raphson. Foloseste aproximatia seriei Taylor, de aceea este necesar sa se se gaseasca derivatia

(3.7)

aceasta rezulta in   

(3.8)

Determinarea unghiului de intarziere la aprindere este implementat cu un algoritm Newton-Raphson in Matlab. Functia este utilizata pentru a determina unghiul de rezonanta la aprindere αres inainte ca estimarea fluxului de energie sa porneasca si pentru a determina unghiul de aprindere dupa ce s-a finalizat estimarea fluxului de energie a dispozitivelor reglate P-, Q- sau V-.

4.3.2 Schimbari incrementale ale SVC-ului si ale TCSC-ului

Ori de cate ori utilizatorul schimba o valoare a retelei, de exemplu o valoare de sarcina, programul nu porneste o estimare complet noua a intregii retele. Doar valoarea schimabata este transmisa de client motorului de estimare si algoritmul Newton-Raphson incepe sa preia rezultatele anterioare ca valori initiale. In spatele acestei proceduri se afla intentia de a creste viteza de estimare, mai ales cand clientul lucreaza in run-mode si utilizatorul schimba o valoare prin apasarea unui buton plus/minus al unui element. Pentru SVC si TCSC, aceste schimbari incrementale sunt implementate pentru schimbari ale valorilor tinta P, Q, U si . Daca modul de control a elementului FACTS este schimbat, estimarea fluxului de energie este pornita de la inceput.

Implementarea permite operarea de schimbari in doua etape:

  1. Trebuie facute cateva instructiuni ale variabilelor care identifica elemental de schimbare si stabilirea unei noi valori tinta.
  2. Trebuie cerut un document care cauta elementul de schimbare si inlocuieste vechea valoare cu noua valoare inainte sa porneasca estimarea fluxului de sarcina.

4.3.3 Comutarea SVC-ului si TCSC-ului

Daca un element este comutat inchis sau deschis, fluxul de energie trebuie sa fie calculate din nou. Comutarea este implemntata aproximativ similar cu schimbarile incrementale descrise in sectiunea 3.3.2.

Daca un element este comutat, nu intreaga retea este trimisa spre motorul de estimare. Doar informatia despre elementul comutat este transmisa programului de flux de incarcare. Daca un element este comutat pe off, valoarea curenta a elementului este definita cu zero si comutarea incepe cu vechile rezultate ca valori initiale pentru algoritmul Newton-Raphson. Programul nu indica noua tipologie a retelei si matricea de incidenta este la fel ca inainte. Doar valorile date si dorite se schimba.

Un alt mod de implementare a comutarii este stergerea liniei elementului din matricea de element, reconstruirea matricelor de comutare si inceperea Newton-Raphson folosind o parte a vechilor rezultate ca valori initiale. Dupa ce matricile sunt pregatite pentru Newton-Raphson, este mereu posibila diferentierea intre sirurile matricei de elemente care provine dintr-un SVC sau TCSC si sirurile care reprezinta elementele originale. Dar exista o problema, deoarece dupa inchiderea unui element FACTS si curatarea sirului de elemente dependente din matricea de elemente, salvand aceasta informatie si verificarea calculatiei fluxului de sarcini, se poate intampla ca alte elemente sa fie comutate inainte ca primul element sa fie pornit din nou. Aceasta ar putea cauza o schimbare in dimensiunea matricii.

In general, este posibila rezolvarea problemei in discutie, ar putea fi o sarcina pentru viitoarea munca.





Politica de confidentialitate





Copyright © 2025 - Toate drepturile rezervate