![]() | Aeronautica | Comunicatii | Constructii | Electronica | Navigatie | Pompieri |
| Tehnica mecanica |
STUDIUL SENZORILOR SI TRADUCTOARELOR INDUCTIVE
1.Obiectul lucrarii
In aceasta lucrare se urmareste cunoasterea principalelor tipuri de traductoare inductive si a principiului de functionare a acestora.
2. Notiuni teoretice
2.1 Generalitati
Traductoarele inductive fac parte din categoria traductoarelor parametrice (care convertesc marimea neelectrica de masurat intr-un parametru electric (inductivitatea)). Inductivitatea proprie sau mutuala a senzorului este modificata de acele marimi care influenteaza geometria sau permeabilitatea magnetica a senzorului.
Traductoarele inductive prezinta urmatoarele avantaje fata de traductoarele generatoare:
- influenta lor asupra sistemului supus masurarii este mult mai redusa decat in cazul traductoarelor generatoare (la care este necesara o absorbtie de energie din sistemul supus masurarii);
- sensibilitatea traductoarelor parametrice este mai ridicata;
- exactitatea mult mai ridicata a traductoarelor parametrice fata de cele generatoare.
In schimb traductoarele generatoare permit o utilizare mult mai comoda, furnizand la iesire o marime direct masurabila (curent, tensiune) cu ajutorul unui aparat de masura.
In practica se incearca un compromis intre exactitatea masurarilor si complexitatea lantului de prelucrare (ceea ce se reflecta in pretul de cost), utilizandu-se in acest scop traductoare parametrice conectate intr-o schema adecvata unei bune exploatari.
2.2Tipuri de traductoare inductive
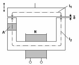
Traductorul inductiv cu armatura mobila se bazeaza pe modificarea geometrica a circuitului magnetic al unei bobine, cu ajutorul unei armaturi mobile atasata unui surub micrometric.
In fig. 3.1 se prezinta din punct de vedere constructiv traductorul inductiv cu armatura mobila.
Daca se neglijaza campul de dispersie si se considera ca sectiunea pachetului de tole ce formeaza circuitul magnetic este aceeasi in orice punct, putem determina inductivitatea bobinei:
L
(3.1)
Rm
![]()
(3.2)
in care:
L este inductivitatea proprie a bobinei;
N este numarul de spire al bobinei;
Rm este reluctanta circuitului magnetic;
l1, l2 reprezinta lungimea liniilor de camp in armatura mobila si respectiv in circuitul magnetic principal;
d este intrefierul circuitului magnetic, egal cu deplasarea ce trebuie masurata;
m este permeabilitatea magnetica a vidului;
mFe este permeabilitatea magnetica a tolelor ce compun circuitul magnetic al bobinei;
A este aria sectiunii transversale a circuitului magnetic.

Fig. 3.1 Traductorul inductiv cu armatura mobila.
Din relatiile (3.1) si (3.2) se determina:
L
(3.3)
ceea ce determina o dependenta neliniara a inductivitatii L functie de intrefier, conform fig. 3.2

Fig. 3.2 Dependenta inductivitatii functie de intrefier.
Abaterea caracteristicii de conversie L L( d ) de la forma unei hiperbole se datoreste atat factorilor de natura geometrica, cat si factorilor de natura electrica, dintre care enumeram:
- influenta campului magnetic de dispersie;
- permeabilitatea finita a circuitului magnetic al senzorului inductiv;
- neliniaritatea curbei de magnetizare a circuitului magnetic;
- concentrarea liniilor de camp in unele zone ale circuitului magnetic.
Traductorul este robust, usor de exploatat, dar nu permite utilizarea acestuia decat pe intervale reduse ale deplasarii si anume de la (0 mm pana la (0 5) mm (intervale in care caracteristica de conversie este liniara).
Traductorul inductiv cu
miez mobil, prezentat in fig. 3.3,este mult mai
utilizat in practica. ![]()
Este alcatuit dintr-o bobina, in interiorul careia se poate deplasa un miez feromagnetic de aceeasi lungime cu a bobinei.

Fig. 3.3 Traductor inductiv cu miez mobil.
Dependenta inductivitatii L a bobinei, in functie de deplasarea x a miezului feromagnetic este data de relatia:
L ( Lmax L0 ) e
L0
(3.4)
in care:
Lmax reprezinta inductivitatea maxima a bobinei (in cazul in care miezul feromagnetic al bobinei este complet introdus in aceasta);
L0 reprezinta inductivitatea minima a bobinei (in cazul in care miezul feromagnetic al bobinei este complet scos din aceasta).
Caracteristica de conversie L f (x), exprimata de relatia 3.4 si reprezentata grafic in fig.3.4 este neliniara.

inductiv cu miez mobil.
Liniarizarea caracteristicii de conversie pentru un interval destul de larg al deplasarii x, se realizeaza prin distributia longitudinala neuniforma a spirelor bobinei.
Traductorul este robust, simplu si se poate utiliza pentru masurarea deplasarilor medii (0 100) mm si mari (0 200) mm.
Traductorul inductiv cu bobine diferentiale este mult mai comod de utilizat, avand o caracteristica de conversie liniara intr-un interval suficient de larg pentru majoritatea aplicatiilor, deci nefiind necesare operatii suplimentare de liniarizare a caracteristicii de conversie.
Conform fig. 3.5, acest traductor este compus din doua bobine identice L1 si L2 , fiecare avand lungimea l, de-a lungul carora se poate deplasa un miez feromagnetic cu aceeasi lungime l, astfel incat in momentul in care inductivitatea uneia dintre bobine este maxima a celeilalte sa fie minima.

Fig. 3.5 Traductor inductiv cu bobine diferentiale.
Caracteristica de conversie
a acestui traductor L1
L2 f (x), reprezentata
grafic in fig. 3.6 este liniara in intervalul
.

Fig. 3.5 Caracteristica de conversie a traductorului
inductiv cu bobine diferentiale.
In vederea utilizarii acestui traductor, cele doua bobine pot fi conectate intr-o punte de curent alterna-tiv neechilibrata, celelalte doua brate ale puntii fiind ocupate de doua rezistoare de valoare egala R.

Fig. 3.6 Schema electrica simplificata a puntii cu doua traductoare.
Tensiunea de iesire a puntii este:
DU U
(3.5)
Dar neglijandu-se rezistentele celor doua bobine in comparatie cu reactantele inductive se poate scrie ca:
Z1 j w ( L1 M ) si Z2 j w ( L2 M ) (3.6)
in care M reprezinta inductivitatea mutuala intre cele doua bobine.
In aceste conditii ecuatia (3.5) devine:
DU
(3.7)
Analog relatiei (3.4) putem scrie:
L1 ( Lmax
L0 ) e
L0
(3.8)
L2 ( Lmax
L0 ) e
L0
(3.9)
Inlocuind relatiile (3.8) si (3.9) in relatia (3.7), se obtine:
DU
(3.10)
Dezvoltand in serie Fourier termenii exponentiali (pentru xI l/2,l/2)) si retinand numai termenii de rangul intai, se obtine:
DU
(3.11)
Deci conform relatiei (3.11) tensiunea de dezechilibru DU este liniara in functie de deplasarea x a miezului mobil, pentru intervalul ( l/2,l/2), iar daca tensiunea DU este redresata sincron cu tensiunea U de alimentare a puntii, se poate pune in evidenta si sensul deplasarii x.
Traductorul inductiv tip transformator diferential (LVDT) se bazeaza pe modificarea inductivitatilor mutuale dintre doua sau mai multe circuite electrice in functie de marimea de masurat.
Este realizat din doua transformatoare monofazate, ce utilizeaza un miez magnetic comun, infasurari-le primare ale celor doua transformatoare monofazate fiind inseriate, iar cele secundare fiind conectete in opo-zitie,conform fig. 3.7.


a b
Fig. 3.7 Traductor inductiv tip transformator diferential:
a) - principiu constructiv pentru deplasari liniare;
b) - schema electrica simplificata echivalenta.
Circuitul primar (cele doua bobine primare inseriate) este amplasat simetric fata de cele doua infasurari secundare, fiind alimentat la tensiunea sinusoidala U1.
Cele doua infasurari secundare se monteaza coaxial cu infasurarea primara, de o parte si de cealalta a acesteia, de la bornele acestora obtinandu-se tensiunile electromotoare induse U si U
Miezul feromagnetic se fixeaza rigid de tija palpatoare, putandu-se deplasa in interiorul bobinelor traductorului.
Marimea de masurat produce o deplasare a miezului feromagnetic, modificand astfel inductivitatile mutuale M'12 (intre infasurarea primara si cea secundara de pe care se culege U'2) si M''12 (intre aceeasi infasurare primara si infasurarea secundara de pe care se culege tensiunea U''2), ceea ce determina o modificare a tensiunilor U si U si deci a tensiunii U2 , conform relatiilor (3.12) (3.17):
M (x) f (x) (3.12)
M (x) f (x) (3.13)
U M
(3.14)
U M
(3.15)
Tensiunea secundara va fi:
U2 U U
U2 U U (M M
(3.17)
in care I1 reprezinta valoarea curentului ce strabate infasurarea primara.
Plasarea miezului feromagnetic simetric fata de cele doua infasurari secundare determina egalitatea celor doua inductivitati mutuale si obtinerea unei tensiuni secundare
U
Deplasarea miezului (de exemplu spre stanga) va duce la cresterea inductivitatii mutuale M si la descresterea inductivitatii mutuale M deci U2 va fi diferit de zero.
O detectie sincrona a tensiunii U2 cu tensiunea U1 are ca scop punerea in evidenta si a sensului de deplasarii miezului feromagnetic.
Acest tip de traductor este utilizat pentru masurarea deplasarilor mici si are o sensibilitate ridicata, dependenta de valoarea tensiunii de alimentare a infasurarii primare.
3. Desfasurarea lucrarii
3.1 Chestiuni de studiat
3.1.1 Studiul traductoarelor inductive cu armatura mobila respectiv cu miez mobil utilizate in lucrare.
3.1.2 Determinarea caracterisricii de conversie a traductorului inductiv cu armatura mobila.
3.1.3 Determinarea caracterisricii de conversie a traductorului inductiv cu bobine diferentiale.
3.2 Modul de experimentare si prelucrarea datelor
3.2.1 Se vor analiza din punct de vedere constructiv traductoarele respective, cat si principiile ce stau la baza functionarii acestora.
3.2.2 In vederea determinarii caracteristicii de conversie a unui traductor inductiv cu armatura mobila se va utiliza schema de montaj din fig. 3.11, in care armatura mobila este fixata de un surub micrometric.

Fig. 3.11 Schema de montaj pentru traductorul inductiv
cu armatura mobila.
Se vor efectua masuratori ale inductivitatii bobinei, in intervalul de deplasari ( 0 5 ) mm din 0.05 mm in 0.05 mm.
Valorile masurate se vor trece in tabelul 3.1
Tabelul 3.1
|
x [ mm] | |||||||||
|
L [ mH ] | |||||||||
|
S [ mH/mm ] |
Pentru fiecare interval al deplasarii x se va valcula sensibilitatea traductorului:
Si
cu i , valorile obtinute trecandu-se de asemenea in tabelul 3.1.
Se va calcula sensibilitatea medie a traductorului inductiv cu armatura mobila ca fiind media sensibilitatilor calculate anterior pentru fiecare interval al deplasarii:
Smed
(3.18)
Se va trasa caracteristica de conversie a acestui traductor L L (x), tragandu-se concluzii asupra liniaritatii acesteia, cat si a intervalului admis pentru utilizarea traductorului.
3.2.3 Pentru determinarea caracteristicii de conversie a traductorului inductiv cu bobine difrrentiale se va utiliza schema de montaj din fig. 3.12.

Fig. 3.12 Schema de montaj pentru traductorul inductiv cu bobine diferentiale.
Masuratorile inductivitatilor celor doua bobine componente ale traductorului inductiv cu bobine diferentiale se vor efectua alegand ca origine a axei de-a lungul careia are loc deplasarea pozitia in care inductivitatile celor doua bobine sunt egale (miezul feromagnetic mobil este centrat in raport cu cele doua bobine).
In intervalul (0 5) mm, din 0.1mm in 0.1 mm se va deplasa miezul feromagnetic mobil al traduct-rului, masurandu-se cu ajutorul RLC-metrului tip E 0711 inductivitatile bobinelor, prin conectarea pe rand a acestora prin intermediul comutatorului bipolar K, la bornele de masura ale aparatului.
Rezultatele obtinute se vor trece in tabelul 3.2.
Tabelul 3.2
|
x [ mm ] | |||||||
|
L1 [ mH ] | |||||||
|
L2 [ mH ] | |||||||
|
L1 L2 [ mH ] | |||||||
|
Si [mH/mm ] |
Pentru fiecare interval al deplasarii se va calcula sensibilitatea traductorului:
Si
cu i si L = L1 L2,
valorile obtinute trecandu-se de asemenea in tabelul 3.2.
Se va calcula sensibilitatea medie a traductorului inductiv cu bobine diferentiale ca fiind media sensibilitatilor calculate anterior pentru fiecare interval al deplasarii:
Smed
(3.19)
Se vor trasa grafic, in acelasi sistem de coordonate, cele trei caracteristici de conversie ale traductorului L1(x), L2(x), si L(x), tragandu-se concluzii asupra liniaritatii acestora cat si a intervalului admis pentru utilizarea traductorului.
Prelucrarea rezultatelor obtinute la subpunctele 3.2.2 si 3.2.3 se va realiza cu ajutorul subrutinelor adecvate din programul MATLAB.
4. Intrebari si probleme
4.1Cum poate fi marita sensibilitatea traductorului inductiv cu miez mobil?
4.2 Ce avantaje prezinta traductorul inductiv cu bobine diferentiale fata de cel cu o bobina si miez mobil?
4.3 Avand la dispozitie un traductor inductiv cu o bobina si miez mobil si altul cu bobine diferentiale, ambele avand aceeasi lungime, care dintre acestea se va alege astfel incat intervalul de utilizare sa fie maxim? De ce?
4.4 Care sunt factorii care influenteaza principalii parametri ai traductorului inductiv tip transformator diferential? De ce acesta, desi marimea de iesire este o tensiune electrica, nu poate fi considerat traductor generator?
4.5 Un traductor inductiv cu intrefier variabil se afla intr-un circuit oscilant avand in paralel o capacitate fixa de valoare C0. Sa se calculeze variatia de inductivitate DL, corespunzatoare unei variatii Df a frecventei de acord.
Copyright © 2025 - Toate drepturile rezervate