![]() | Aeronautica | Comunicatii | Constructii | Electronica | Navigatie | Pompieri |
| Tehnica mecanica |
1. DEFECTE SI REGIMURI ANORMALE IN INSTALATIILE ELECTRICE TRIFAZATE
Defecte posibile si cauzele lor:
A. Defecte de izolatie - strapungere sau conturnarea izolatiei.
B. Intreruperea circuitului electric primar.
C. Regimuri anormale de functionare.
Defectele de izolatie se manifesta in diferite forme, cum ar fi:
punerile la pamant.
scurtcircuite monofazate
scurtcircuite bifazate
scurtcircuite trifazate.
Prima punere la pamant
Prima punere la pamant este un defect de
izolatie a unei faze fata de pamant la o instalatie
electrica trifazata a carui nul este izolat fata de
pamant. In acest caz tensiunea fata de pamant a fazei cu
izolatia defecta devine nula, in timp ce tensiunile
fata de pamant ale fazelor sanatoase cresc cu
, devenind astfel egale cu tensiunile intre faze, iar
punctul neutru, care inainte de defect avea potentialul pamantului,
din motive de simetrie a celor trei faze, are acum fata de
pamant o tensiune egala si de sens contrar cu tensiunea de
faza a fazei cu izolatia defecta. Aceasta tensiune a
neutrului fata de pamant se numeste deplasarea punctului
neutru sau tensiunea de deplasare.
Asemenea defecte nu constituie un pericol major iminent si in anumite conditii pot fi tolerate chiar cateva ore.
Dubla punere la pamant
Punerea la pamant a doua faze diferite in doua puncte diferite ale unei instalatii electrice trifazate cu neutrul izolat se numeste dubla punere la pamant. In acest caz punerea la pamant poate fi prin arc ori neta (metalic).
Scurtcircuite monofazate
Scurtcircuitele monofazate sunt defecte care pot aparea doar in retele care au punctul neutru legat rigid la pamant si consta in strapungerea sau conturnarea izolatiei unei faze fata de pamant, realizandu-se astfel o bucla de scurtcircuit.
Curentul de
scurtcircuit monofazat este dat de relatia: Isc1=![]()
unde: Uf - tensiunea de faza.
Ze - impedanta liniei (circuitului pana la defect).
Zp - impedanta circuitului prin pamant (intre nulul sursei si locul de defect).
Scurtcircuite bifazate
Curentii de scurtcircuit bifazat circula numai prin cele doua conductoare scurtcircuitate. In acest caz nu exista simetrie intre curenti si tensiuni. Curentii de scurtcircuit in cele doua conductoare cu izolatia defecta sunt egali in valoare absoluta, insa de sensuri contrare.
Curentul de scurtcircuit bifazat este dat de relatia: Isc2=
.
Fata de curentul de scurtcircuit trifazat produs in
aceeasi retea in aceleasi conditii, curentul de
scurtcircuit bifazat este mai mic, raportul dintre ei fiind:
=
=1,5.
Scurtcircuite trifazate
Scurtcircuitele trifazate pot fi:
scurtcircuite trifazate simetrice;
scurtcircuite trifazate asimetrice.
Scurtcircuitele trifazate simetrice se produc prin rezistente egale, ca atare atat curentii, cat si tensiunile isi pastreaza simetria, cu toate ca valorile nominale au abateri mari pe timpul regimului cu defect (defect metalic).
Scurtcircuite
trifazate asimetrice se produc prin rezistente diferite. In acest
caz, atat curentii cat si tensiunile pe cele trei faze sunt diferite,
datorita rezistentei arcului dintre cele trei faze cu rezistente
diferite. Curentul de scurtcircuit trifazat are o componenta
aperiodica si o componenta periodica. Valoarea eficace a
componentei periodice se poate exprima: Isc3=![]()
B. INTRERUPEREA CIRCUITULUI ELECTRIC PRIMAR
Intreruperea circuitului electric primar in faze incomplete (a unei faze ori doua faze) reprezinta un regim dezechilibrat deoarece curentii nu mai sunt egali pe cele trei faze.
La hidrogeneratoare, cat si la marea parte a retelelor de medie tensiune, neutrul este izolat fata de pamant. Intreruperea unui conductor transforma linia trifazata in linie bifazata.
La retelele trifazate cu neutrul legat la pamant in ambele capete ale liniei, intreruperea unui conductor transforma linia din retea trifazata tot in trifazata (al treilea conductor fiind pamantul), insa asimetrica, deoarece impendantele celor trei conductoare nu mai sunt egale.
Daca la bornele statorului hidrogeneratorului apare o tensiune inversa, atunci componenta inversa creeaza in generator incalziri excesive, in special la rotor. In rotorul hidrogeneratorului care se roteste cu viteza de sincronism in sensul normal, in infasurarea de amortizare si in fier iau nastere curenti de inductie care produc incalziri excesive.
Gradul de
dezechilibru la generatoare se poate determina astfel: Idez(%)=
x100
Valoarea maxima admisibila a curentului de dezechilibru pentru hidrogeneratoare este maxim de 20%, cu conditia ca pe nici o faza curentul sa nu depaseasca valoarea nominala. Regimul dezechilibrat poate fi pus in evidenta prin:
marimile diferite ale curentilor pe cele trei faze ale statorului;
temperatura apei de iesire (aer iesire) racitori stator hidrogenerator, peste limitele normale (temperaturi marite provocate de incalzirea excesiva a statorului);
vibratii ale hidroagregatului, care pot conduce la limitarea sarcinii pe hidrogenerator, ori scoaterea din functiune a acestuia;
regimul de functionare al hidrogeneratorului la sarcini asimetrice, curentul de secventa inversa al statorului produce supraincalziri la rotor prin curenti turbionari, datorita campului magnetic rotoric de succesiune inversa;
regimul de functionare al generatorului sincron, subexcitat, favorizeaza aparitia curentilor de alunecare si implicit incalzirea inadmisibila a rotorului.
Infasurarea de amortizare are rolul de a reduce amplitudinea armonicelor superioare ale tensiunilor magnetomotoare de excitatie (in regim permanent).
In regimuri tranzitorii, prin reactanta pe care o introduce infasurarea de amortizare, se asigura constanta de timp mica. De asemenea, infasurarea de amortizare ajuta la sincronizarea generatorului prin crearea unui camp sincronizat .
Cauzele intreruperii infasurarii de amortizare:
incalzirea infasurarii de amortizare, drept cauza, scurtcircuite nesimetrice la bornele hidrogeneratorului, regimuri anormale ale hidrogeneratorului;
vibratii mari ale hidroagregatului.
Efectele intreruperii infasurarii de amortizare:
modificarea campului inductor ce are drept consecinta pendulatiile puterii pe hidrogenerator;
distrugerea mecanica a izolatiei datorita ecliselor desprinse, pieselor metalice ce se rotesc odata cu rotorul
C. REGIMURI ANORMALE DE FUNCTIONARE
Suprasarcina
Prin suprasarcina se intelege cresterea curentului intr-o instalatie peste curentul nominal la care a fost construita aceasta.
Suprasarcina poate fi cauzata de:
supraincarcarea peste curentul nominal al unei instalatii (generator, transformator, linie, etc.);
provocata de cresterea consumului;
aparitia unui defect in instalatie ( punere la pamant a unei faze, intreruperea unei faze, etc.);
subdimensionarea unei instalatii fata de sarcina reala.
Pendularile masinilor sincrone (generatoare)
In functionarea in paralel a generatoarelor sincrone, se observa uneori, cu ocazia supraincarcarilor bruste, schimbari rapide in configuratia sistemului sau a scurtcircuitelor care nu au fost eliminate la timp, variatii importante ale curentilor, tensiunilor si puterilor debitate de generatoare, care pot avea ca urmare iesirea din sincronism a acestora. Aceste variatii reprezinta pendularile generatoarelor sincrone.
Puterea debitata de un generator in sistem poate fi exprimata:
P =
x sin D
unde:
E - tensiunea electromotoare a generatorului;
U tensiunea in punctul de conexiune a generatorului cu sistemul;
Xs reactanta totala stator generator la punctul de conexiune (generator, transformator, linie);
D unghiul intern (unghiul dintre E si U).
Generatorul ramane in sistem (in sincronism) pentru unghiul D intre 00
Variatia unghiului intern determina mutarea centrului electric (punctului de tensiune minima) in lungul liniei, determinand variatia curentului, puterii active si puterii reactive. Daca variatia este in limite mari, schimbari rapide, bruste a unghiului intern, generatorul poate iesi din sincronism.
Generatorul este cuplat la sistem, excitat si aparatul director inchis (adica lipsa cuplului motor creat de apa).
Regimul subexcitat (reactiv capacitiv)
Acest regim se caracterizeaza prin faptul ca (unghiul intern al hidrogeneratorului (unghiul dintre tensiunea electromotoare si tensiunea la borne) este la limita de stabilitate.
Regimul asincron este regimul de functionare a generatorului din momentul intreruperii excitatiei, generatorul fiind in continuare cuplat la retea.
generator asincron - excitatia intrerupta - aparatul director deschis;
motor asincron - excitatie intrerupta - aparatul director inchis.
Dupa modul de actionare, protectiile si semnalizarile aferente circuitelor primare de inalta tensiune se impart in urmatoarele categorii:
a protectii si semnalizari preventive.
b - protectii si semnalizari de avarie.
La actionarea unei protectii sau semnalizari preventive protectia actioneaza numai la semnalizare.
Protectiile si semnalizarile de avarie, atunci cand actioneaza, realizeaza automat izolarea defectului prin deconectarea intrerupatoarelor respective si, dupa caz, oprirea hidrogeneratoarelor fara descarcarea prealabila de sarcina.
Personalul operativ actioneaza dupa urmatoarele reguli:
a) La actionarea unei protectii si semnalizari preventive.
Analizeaza functionarea instalatiilor in ansamblul lor si a echipamentului asupra caruia a aparut semnalizarea.
Intervine operativ pentru aducerea echipamentului, circuitului primar in limitele unei functionari normale.
Anunta DH si personalul ierarhic superior tehnic in situatiile ce impun o analiza la fata locului pentru stabilire cauze si masuri pentru eliminarea acestora.
Consemneaza in evidentele operative.
b) La actionarea unei protectii sau semnalizari de avarii.
Localizeaza rapid, pe baza semnalizarilor si indicatiilor aparatelor de masura, circuitul sau instalatia defecta.
Daca este cazul, asigura izolarea circuitului defect pentru impiedicarea extinderii incidentului sau avariei si limitarea efectelor acestuia, alimentarea serviciilor interne, oprirea hidroagregatelor etc., prin interventii directe .
Regleaza parametrii pe hidroagregate si dupa caz urmareste oprirea acestora.
Noteaza si interpreteaza protectiile.
Executa controlul instalatiilor, in functie de semnalizarile aparute.
Anunta DH si personalul ierarhic superior.
In cazul in care cauzele incidentului sau avariei nu pot fi eliminate de catre personalul operativ, semnalizarea atesta un posibil defect intern sau, in urma controlului, se constata un defect vizibil, circuitul primar in cauza se retrage din exploatare pentru remedieri si masuratori
Consemneaza in evidentele operative.
Automate Programabile (A. P.) Relee de protectii electrice
Cele mai frecvente automate programabile (A.P.) montate in hidrocentrale ca protectii electrice la hidrogeneratoare, transformatoare si linii electrice de medie si inalta tensiune, (inlocuind vechile relee de protectii) sunt:

Vedere din fata a releului
Automatele programabile numerice destinate protectiilor electrice au urmatoarele caracteristici specifice:
Reglarea contrastului ecranului - pentru a avea o vedere optima se poate regla contrastul de pe MIMIC la nivel de utilizator si in MAIN MENU la nivel tehnic. Valoarea de contrast este stocata in memoria non - volatila si de aceea dupa repornirea releului, contrastul este automat reglat, in concordanta cu valoarea setata.

Reglarea contrastului ecranului
Nivelul utilizatorului nivel 1, este pentru masuri si monitorizare, pe cand nivelul tehnic nivel 2, este folosit la programare releu de protectie si parametrizare.

Structura meniu
Iesiri de semnalizare, de comanda, de comutatie si de autosupraveghere.
Acest sistem informeaza utilizatorul asupra existentei unui defect in MMI si magistralei de comunicatie.
Marimile analogice pentru masura, protectie si semnalizare sunt colectate de la transformatoarele de curent si tensiune, se pot vizualiza.
Interfata cu cristale lichide afiseaza schema electrica primara (monofilara) a hidrogeneratorului, transformatorului, celulei de medie - inalta tensiune, deasemenea marimile analogice, parametrii, semnale si alarme.
In functionare normala A.P. citeste si afiseaza automat toate protectiile, aratand valorile acestora din acel moment.
Se pot vizualiza toate semnalele binare din releu.
Setarea protectiilor din A.P. se poate face numai de pe un calculator avand programul RE.316.v.60.

Selectarea limbii
Interfata A.P. contine deasemenea comutatoare, butoane de comanda si control si o interfata seriala standard, avand posibilitatea sa fie comandate local si de la distanta.
Principalele functii ale Automatului Programabil, de afisaj, supraveghere si actionare:
protectii electrice;
control;
interblocaje;
masura;
supraveghere si alarmare;
comunicatie;
stocarea datelor, evenimentelor.
Protectii electrice
Toate functiile de protectie sunt disponibile prin configuratie Software si folosesc un unic suport Hardware. Astfel, adaugarea unor noi functii de protectie nu necesita schimbarea releelor, ci doar reprogramarea lor.

Indicatori de protectie
Releele permit doua. seturi distincte de parametri pentru toate functiile de protectie. Fiecare set de parametri are o valoare predefinita pentru fiecare parametru. Aceasta valoare este activa pana la prima schimbare de catre utilizator. Setarile sunt procentuale (%) din valorile nominale ale secundarelor transformatoarelor de curent - tensiune.
Cand una din functiile de protectie ale A.P. porneste numele functiei de protectie corespunzatoare, textul START este afisat in fereastra de asistare. In cazul functiilor de protectie trifazate ori bifazate, sunt afisate chiar fazele defecte.
Daca functia de protectie pornita este blocata, se afiseaza numele functiei corespunzatoare si textul BLOCK in fereastra de asistenta .
Cand functia de protectie declanseaza, apare numele functiei si textul TRIP in fereastra de asistare. In cazul unei functii de protectie trifazate ori bifazate se afiseaza si fazele defecte .
Daca functia de protectie da o declansare temporizata, la defect de intrerupator sunt afisate in fereastra de asistare numele functiei si textul TRIP. In cazul unei functii de protectie trifazate ori bifazate se afiseaza si faza defecta.
Control
Comanda poate fi locala sau de la distanta functie de cheia de selectare a modului de control. Pentru releele REM 543 imaginea MIMIC este deschisa in fereastra principala, imaginea de configurare a unitatilor este prezentata pe ecran, in acord cu starea intrarilor binare predeterminate.
Testare control - sistemul prevede o interblocare generala ce se suprapune peste toate semnalele de interblocare. Activitatea interblocarii activeaza semnalele active de interblocare ale tuturor obiectelor. De aceea toate actiunile de control sunt posibile, dar semnalele active ale obiectelor controlabile nu sunt verificate cat timp obiectele sunt comandate
Testarea functiei - este posibila activitatea iesirilor, local de pe MMI sau extern prin comunicatia seriala, iesirile sunt activate prin folosirea parametrilor de control ai functiei.

Functiile butonului C in MIMIC:
apasand butonul C in timp de 2 sec. se reseteaza indicatiile
apasand butonul C se renunta la cererea parolei
Interblocaje
Interblocajele sunt folosite la interzicerea comenzii de inchidere sau deschidere pentru un obiect controlabil.
Interblocajele sunt realizate prin Software si se configureaza cu ajutorul unui program pe baza semnalizarilor de pozitie ale echipamentelor, hidrogenerator, transformator, celula controlata ori din celula vecina. Aceste semnale se colecteaza prin intrarile binare ale releului si poate in acest fel sa fie afisata ori inregistrata.
Comenzile locale sau de la distanta sunt executate numai daca toate conditiile de interblocaj sunt indeplinite. In caz contrar comanda nu se executa, dar genereaza un mesaj de eroare .
Masura
La accesarea masurii in fereastra principala, valorile masurate de releul de protectie vor fi prezentate pe ecran.
Parcurgerea listei din fereastra este posibila prin actionarea celor doua butoane prevazute in acest sens.

Functiile butonului C in fereastra de masuri:
daca sunt indicatii active, pentru resetare, se apasa butonul C timp de 2 secunde
daca nu sunt indicatii active, se apasa butonul C timp de 2 secunde pentru resetare energie acumulata
Fereastra masuri
Marimile ce pot fi masurate si vizualizate:
v curentii pe faza; curentul minim pe faza; curentul homopolar;
v media curentului pe faza pe durata a 1 - 30 minute;
v tensiuni de linie; tensiuni pe faza; tensiunea homopolara;
v puterea activa; energia activa;
v puterea reactiva; energia reactiva;
v factorul de putere; frecventa;
v ore de operare;
v suma curentilor de scurtcircuit declansati;
v numarul de anclansari - declansari.
Supraveghere si alarmare
Automatul Programabil (A.P.) 543 este prevazut cu un sistem de autosupraveghere, acest sistem informeaza utilizatorul asupra existentei unui defect in MMI si magistralei de comunicatie.
In fereastra de alarmare sunt aratate toate alarmele prezentand si textele acestora. Alarmele de control active se deosebesc de alarmele inactive prin LED-uri si textul alarmelor definit de utilizator.
Alarmele si atentionarile pot fi cu resetare manuala sau automata.

Functiile butonului C in fereastra de alarme:
daca sunt indicatii active, prin apasarea butonului C timp de 2 sec., acestea sunt resetate
daca nu sunt indicatii active, prin apasarea butonului C pentru 2 sec., alarmele sunt confirmate
confirmarea se face in concordanta cu configuratia facuta de utilizator.
Fereastra de alarme
Comunicatie
Prin interfata optica releul poate comunica direct cu un sistem centralizat de comanda si control.
Acest mediu de comunicare este imun la interferentele electromagnetice din statiile de medie si inalta tensiune.
Prin interfata electrica, seriala, releul poate comunica cu un calculator portabil (laptop).
Aceasta interfata se utilizeaza la programarea si configurarea releului sau la citirea configuratiei releului.
Aditional - este necesar un program pe PC pentru comunicare intre calculator si releul de protectie .
Stocarea datelor si evenimentelor
Toate datele sistemului de monitorizare sunt inregistrate in memoria permanenta a releului.
Lipsa tensiunii de alimentare nu influenteaza calitatea inregistrarilor.
Fereastra de evenimente contine numele aplicatiei, numarul canalului, codul, data si durata ultimelor 100 de evenimente.
Cel mai recent eveniment inregistrat este primul din lista de evenimente.
Aceasta lista este disponibila numai daca releul este conectat la un sistem centralizat de comanda si control.
Fata de vechiul sistem de inregistrare a evenimentelor (osciloperturbografele care primeau semnale de pornire de la releele de protectie), releele numerice (A.P.) noi au posibilitatea atat a inregistrarii evenimentelor si ordonarea in timp a acestora, cat si stocarea lor in vederea citirii pe ecranul releului ori preluarea evenimentelor cu ajutorul unui calculator portabil (laptop).

Functiile butonului C in fereastra de alarme:
daca sunt indicatii active, pentru resetare se apasa butonul C timp de 2 sec.
daca nu sunt indicatii active, prin apasarea butonului C pentru 2 sec. se reseteaza evenimentele inregistrate.
Fereastra de evenimente
4. SINCRONIZAREA
Conectarea la sistem a generatoarelor este posibila numai cu controlul sincronismului.
Sincronizarea poate fi efectuata:
v Sincronizare manuala
v Sincronizare automata
Instalatia de sincronizare in general este compusa din:
brat de sincronizare ∆V, Hz dublu, sincronoscop
releu de sincronizare automata
releu de control sincronism ..
relee de tensiune
reductori intermediari de tensiune pentru rotire faze
comutator pentru punerea in functiune a instalatiei de sincronizare
Inchiderea intrerupatorului pe MANUAL ori AUTOMAT este posibila daca:
turatia hidroagregatului este peste 90%
releele de pornire hidroagregat sunt actionate
releele de control a tensiunii pe cele doua parti sunt sub tensiune si actionate
releul de control sincronism functioneaza.
Selectarea regimului de sincronizare MANUAL ori AUTOMAT se alege prin cheia destinata acestui scop.
Sincronizarea manuala se face prin reglarea manuala a tensiunii cat si a frecventei. Sincronizarea automata se face cu reglarea automata din sincronizator (daca este dotat) a tensiunii si a frecventei, in. acest caz personalul operativ nu trebuie sa intervina decat la comutarea cheii pe automat.
Fig.1b Fig.1a Fig.1

In Fig.1 este prezentata schema electrica primara cu intrerupator borne HG, si racordarea instalatiei de sincronizare la cele doua grupuri de masura, borne generator si sistem (inaintea transformatorului).
Fig.1 a Schema electrica primara fara intrerupator borne HG si racordarea instalatiei de sincronizare la cele doua grupuri de masura, borne generator si sistem (dupa transformator) avand prevazuti reductori de tensiune intermediari pentru rotire faze.
Fig. 1 b Schema de principiu a conditiilor de sincronizare si conectare intrerupator.
Defectele ce pot aparea
In primul rand sunt de natura contactelor imperfecte a releelor de tensiune, a releului de control sincronism (presiunea de control slaba). Dupa o functionare mai indelungata, fiind in mediu de hidrocentrale cu umezeala ridicata, contactele releelor se oxideaza in zona de contact.
Alta posibilitate ar putea fi releele intermediare pentru supravegherea turatiei, pornire agregat ori contactele chei de selectare a regimului de sincronizare.
Unghiul de lucru al releului de control sincronizare nu corespunde cu unghiul de conectare din sincronizator.
Imposibilitatea egalizarii tensiunii din regulator (ori din BEM) cat si egalizarea frecventei din regulatorul de viteza.
Sincronizatorul automat este defect.
La bratul de sincronizare, aparate indicatoare defecte.
Lipsa tensiunii de sincronizare de pe o ramura.
Lipsa tensiunii operative.
Defect releul final de sincronizare.
Intrerupt circuitul de comanda intrerupator.
Defecta bobina de anclansare intrerupator.
La depistarea defectelor in circuitele de sincronizare se va lucra numai cu intrerupatorul pe proba la medie tensiune si cu intreruperea circuitului de comanda la celelalte intrerupatoare, pentru a preintampina actionarea lor in conditii de nesincronism.
Lucrarile ce se executa la depanarea defectelor in circuitele de sincronizare trebuie sa fie facute de personal bine calificat si cu documentatii (scheme) puse la zi.
5. CURENTUL CONTINUU
Partile componente ale unei instalatii de curent continuu:
v Sursele de alimentare - acestea cuprind totalitatea bateriilor stationare (bateriile functioneaza in montaj)
v Sursele de incarcare - acestea cuprind echipamentele electrice alimentate in curent alternativ pentru incarcarea bateriilor de acumulatoare. De regula, acestea sunt redresoare statice cu dispozitive de reglaj automat sau manual a curentului si tensiunii.
v Instalatiile de distributie principala - acestea cuprind barele colectoare alimentate de la sursele de alimentare si de incarcare, precum si caile de alimentare respective. Ea serveste la alimentarea unor receptoare individuale sau a grupelor de receptoare.
Barele principale, echipamentele si aparatajele aferente instalatiei de distributie principala sunt montate in panourile serviciilor proprii de curent continuu.
Instalatiile de distributie secundara cuprind intreaga retea de distributie a curentului continuu din centrala, prin formarea de barete de curent continuu. Sigurantele fuzibile trebuie sa fie calibrate functie de consumatori.
Baretele de curent continuu sunt realizate astfel:
Barete instalatii generale
Barete instalatii de grup
Barete automatizare
Barete protectii electrice
Iluminatul de siguranta
Toate aceste circuite, barete de curent continuu ce pleaca spre consumator sunt protejate prin sigurante automate etc.
Pe barele principale de curent continuu sunt prevazute relee de tensiune maxima si minima. Semnalizarile releelor la depistarea limitelor reglate este comandata de tensiunea de pe barele colectoare.
Pe barele colectoare sunt prevazute aparate pentru semnalizarea punerilor la pamant in Curent Continuu (ASPP), aparat ce este realizat din doua parti distincte:
aparatul de semnalizare
aparatul de masura.
Constructia aparatului permite utilizarea sa in doua regimuri ca aparat pentru aprecierea valorii rezistentei de izolatie sau ca aparat de semnalizare, atunci cand rezistenta de izolatie a unui pol scade sub limita admisa.
In cadrul lucrarilor asupra acestor aparate se vor verifica ambele regimuri de functionare prin legarea la pamant a polului pozitiv apoi celui negativ, prin rezistenta de 40-100 kΩ. Indicatorul trebuie sa indice valoarea rezistentei din montaj, iar aparatul de semnalizare trebuie sa semnalizeze punerea la pamant provocata.
La semnalizarea unei puneri la pamant pe barele de curent continuu personalul operativ de exploatare va verifica gradul de punere Ia pamant (totala sau partiala) cu aparatul ASPP.
Etapa imediat urmatoare va intrerupe pe rand alimentarea buclelor (plecarilor) de pe barele principale, pana cand va disparea semnalul.
In acest caz este localizata bareta cu probleme. Daca sunt prevazute si alte posibilitati de intrerupere a unor ramificatii de pe bareta se va merge cu verificarea pana Ia ultima ramificatie.
Personalul operativ de exploatare va solicita echipa PRAM pentru investigarea, localizarea si eliminarea defectului.
Personalul PRAM, cu ajutorul aparatului de masura (MAVO, etc. ) va reusi sa gaseasca locul in care izoIatia este defecta, ori umezeala excesiva (murdarie etc.)
In general Punerile la Pamant se produc la bobinele electroventilelor, la limitatorii de la vane, aparat director, cutiile de comanda, aflate la cote inferioare din centrala etc. Alte defectiuni destul de frecvente se produc la lampile de semnalizare.
Alt gen de defecte sunt scurtcircuitele. La fel, cele mai sensibile locuri cu aparitia lor sunt tot lampile de semnalizare, bobinele in general.

Formarea si distributia C.C. in centrala cu denumirea elementelor de baza
Anexe
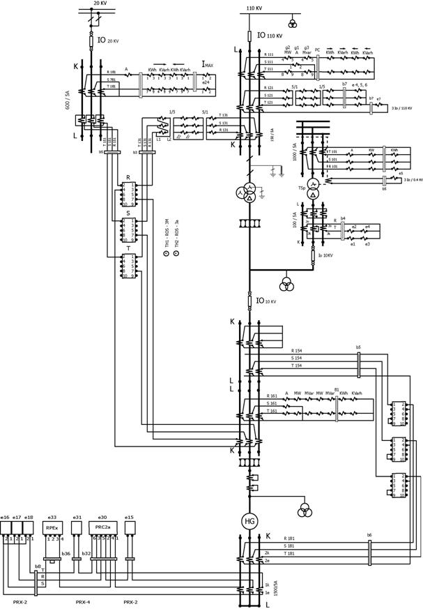
Anexa 1 - Protectiile electrice a hidrogeneratoarelor realizate cu Automate Programabile (A.P.) ABB de tip RM 543 si un dispozitiv de tip SPMK pentru protectia de punere la pamant rotor.
Schema prezentata contine:
1 a - Schema electrica primara a unui hidrogenerator de 12,5 MW, cu amplasarea reductorilor (transformatorilor) de curent si tensiune, racordarea releelor de protectii (A.P.) la marimile analogice; Curenti; Tensiuni; Curent continuu de excitatie.
1 b - Schema circuitelor operative de curent continuu cu racordarea releelor de protectii (A.P.) la releele finale de declansare (relee ce au fost folosite in vechea schema), existente cu toate functiile prevazute.
Protectiile hidrogeneratorului sunt realizate cu doua relee ABB, de tip REM 543 si un dispozitiv SPMK pentru protectia de punere la pamant rotor. Dupa cum se poate constata, protectiile hidrogeneratorului sunt realizate integral, dupa cum urmeaza:
v protectia diferentiala longitudinala generator;
v protectia maximala de curent cu blocaj voltmetric;
v protectia de minima tensiune borne;
v protectia de supratensiune generator;
v protectia de energie activa inversa (regim de motor);
v protectia de energie reactiva inversa (pierdere excitatie);
v protectia de punere la pamant stator;
v protectia de punere la pamant rotor;
v protectia de suprasarcina generator.
Anexa 2 - Protectiile electrice a transformatoarelor TH, realizate cu Automate Programabile (A.P.) ABB de tip RET 521, REJ 525.
Schema prezentata contine:
2 a - Schema electrica primara a unui Transformator TH, de 25 MW, cu amplasarea reductorilor (transformatorilor) de curent si tensiune, racordarea releelor de protectii (A.P.) la marimile analogice; Curenti; Tensiuni.
2 b - Schema circuitelor operative de curent continuu cu racordarea releelor de protectii (A.P.) la releele finale de declansare (relee ce au fost folosite in vechea schema), existente cu toate functiile prevazute.
Protectiile transformatorului sunt realizate cu doua relee ABB, de tip RET 521 si REJ 525. Dupa cum se poate constata, protectiile transformatorului sunt realizate integral, dupa cum urmeaza:
v protectia de gaze cuva si comutator ploturi;
v protectia diferentiala longitudinala transformator;
v protectia maximala de curent, principala si de rezerva;
v protectia homopolara de curent;
v protectia de tensiune maxima pe linie;
v protectia de tensiune minima pe linie.


Anexa 2 a

Anexa 1 b

Anexa 2 b
Anexe
Anexa 3 sunt prezentate diferite scheme de principiu monofilare a protectiei diferentiale longitudinale, generator, bloc generator-transformator si transformator, functie de schema electrica primara realizata in diferite hidrocentrale .
a) schema electrica primara bloc generator - transformator avand intrerupatorul de sincronism pe partea de inalta tensiune
- protectia diferentiala longitudinala generator.
- protectia diferentiala longitudinala transformator .
b) schema electrica primara bloc generator - transformator avand intrerupatorul de sincronism pe partea de inalta tensiune
- protectia diferentiala longitudinala generator.
- protectia diferentiala longitudinala bloc generator- transformator
c) schema electrica primara bloc generator - transformator avand intrerupatorul de sincronism pe partea de inalta tensiune
- protectia diferentiala longitudinala generator.
- protectia diferentiala longitudinala bloc generator- transformator
- protectia diferentiala longitudinala record - bloc.
d) schema electrica primara generator si transformator, cu intrerupator de sincronism pe borne hidrogenerator
- protectia diferentiala longitudinala generator.
- protectia diferentiala longitudinala transformator.
e) schema electrica primara bloc generator - transformator, avand intrerupatorul de sincronism pe partea de inalta tensiune si racordul transformatorului de servicii proprii borne generator.
- protectia diferentiala longitudinala generator.
-diferentiala longitudinala bloc generator - transformator si transformator servicii proprii .
f) schema electrica primara generator cu intrerupatorul de sincronism la borne generator si transformator cu trei infasurari .
- protectia diferentiala longitudinala generator.
- protectia diferentiala longitudinala transformator pe cele trei infasurari.
Anexa 4 - Sunt prezentate diferite scheme electrice primare ale hidrogeneratoarelor, transformatoarelor (TH) si servicii proprii, schemele contin deasemenea amplasarea transformatoarelor de curent si tensiune cu toate functiile pe partea secundara si intrerupatoarele pentru sincronizare.
a) Schema electrica primara Bloc generator - transformator P = 75MW.
- Intrerupatorul de sincronizare pe partea de inalta tensiune, 220 kV.
b) Schema electrica primara generator si transformator cu trei infasurari P = 22 MW.
- Intrerupatorul de sincronizare pe partea de medie tensiune, 10,5 kV.
c) Schema electrica primara Bloc generator - transformator P = 5,4 MW.
- Intrerupatorul de sincronizare pe partea de inalta tensiune. 20 kV.

Anexa 3

Anexa 4 a

Anexa 4 b

Anexa 4 c
Copyright © 2025 - Toate drepturile rezervate