![]() | Aeronautica | Comunicatii | Constructii | Electronica | Navigatie | Pompieri |
| Tehnica mecanica |
Analiza circuitelor
Etaje de amplificare (fara reactie):
Regim static (p.s.f.)
Regim dinamic (amplificari si impedante in interiorul benzii, limitele benzii, amplitudinea maxima a semnalului nedistorsionat la iesire)
Etaje cu mai multe tranzistoare, generator de curent
Clase de functionare
Amplificatoare cu reactie:
Topologia, cuadripolul de reactie, amplificatorul de calcul
Amplificarea, impedantele de intrare si iesire in interiorul benzii
Banda de trecere (dimensionarea condensatoarelor de cuplare si decuplare)
Amplificator operational, schemele de baza
Oscilatoare cu reactie pozitiva:
Oscilatoare armonice, frecventa de oscilatie, amplitudinea semnalului de iesire, impedanta de iesire
Oscilatoare armonice, alegerea elementelor neliniare din oscilator, dimensionarea condensatoarelor de decuplare
Oscilatoare de relaxare, formele de unda, determinarea perioadei
Redresoare necomandate:
Formele de unda, determinarea valorilor maxime ale tensiunilor si curentilor prin dispozitive, evaluarea riplului (tensiunii de ondulatie)
Stabilizatoare:
Determinarea proprietatilor pentru stabilizator parametric
Stabilizatoare liniare cu reactie, stabilizatoare duale, stabilizatoare cu trei terminale
Determinarea tensiunii stabilizate, a caracteristicii de sarcina (limitele curentului), a puterii disipate pe tranzistorul serie
Determinarea sensibilitatilor la perturbatii (rezistenta interna si factorul de stabilizare in raport cu alimentarea)
Stabilizatoare in comutatie, determinarea tensiunii stabilizate, evaluarea riplului
Exemple (in plus fata de cele din culegere)
Pentru circuitul din figura se dau valorile R, C, tensiunile extreme ale iesirii si tensiunile de prag. Se cer formele de unda si perioada oscilatiilor. Rezolvarea, vezi (4.25).
Pentru circuitul din figura se cer: alegerea frecventei de rezonanta serie a rezonatorului si conditia de amorsare a oscilatiilor (vezi 4.5.7 si 4.5.2).

Pentru circuitul din figura se cer: frecventa de oscilatie, conditia de amorsare, explicarea rolului condensatoarelor (altele decit cel variabil) si rezistoarelor (vezi 4.5.2).
Pentru circuitul din figura se cer stabilirea frecventei de oscilatie si explicarea rolului condensatorului din grila, bobinei din drena (vezi 4.5.6).
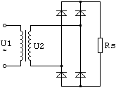
Pentru circuitele din figura se cer: diagrame ale tensiunii de sarcina, tensiunii pe dioda, curentului de sarcina, curentului prin dioda, valorile medii si maxime ale tensiunilor pe sarcina si dioda, valorile medii si maxime ale curentului prin sarcina si dioda (vezi 5.1) .

Pentru circuitul din figura (sau cele inrudite) se cere evaluarea tensiunii medii si a tensiunii de riplu (de ondulatie) pe sarcina (vezi 5.2)
Pentru circuitul din figura se dau tensiunea de strapungere a diodei, rezistenta dinamica (pentru punctul de functionare) si se cer tensiunea pe sarcina, rezistenta interna si coeficientul de stabilizare in raport cu alimentarea.
Pentru scheme tipice de stabilizatoare liniare cu amplificator de eroare, se cer: tensiunea pe sarcina, rezistenta interna, coeficientul de stabilizare fata de alimentare (toate trei in regimul de stabilizare). Se mai cer: caracteristica de sarcina (valorile curentului de scurtcircuit si curentului maxim in regim de stabilizare), tensiunea de alimentare minima (valoarea instantanee) astfel incit circuitul sa functioneze corect, puterea disipata pe tranzistorul serie, tensiunea medie de alimentare necesara (se da riplul), randamentul.
Pentru circuitul din figura se dau datele de catalog si se cer tensiunea pe sarcina si tensiunea minima de alimentare.

Pentru circuitul din figura (sau asemanatoare) se cer tensiunile de sarcina.
Pentru circuitul din figura (sau altele inrudite) se cere tensiunea stabilizata.
Pentru circuitul din figura (sau altele inrudite) se dau tensiunea de alimentare si tensiunea pe sarcina si se cere valoarea aproximativa a factorului de umplere al comenzii (vezi relatia (6.28)).
Pentru unul din circuitele din figura se cer curentul absorbit, impedanta de iesire, conditia de functionare in regim de curent constant (vezi 2.3.7, 2.2.5)
Copyright © 2026 - Toate drepturile rezervate