![]() | Aeronautica | Comunicatii | Constructii | Electronica | Navigatie | Pompieri |
| Tehnica mecanica |
|
NIKE Superior |

Centrale termice de perete cu camera de combustie etansa, instantanee cu tiraj natural, cu sistem Aqua Celeris
NIKE 21 Superior
NIKE 24 Superior
|
|
Caracteristici generale
NIKE Superior este o centrala termica cu randament ridicat, care datorita sistemului AQUA CELERIS, se caracterizeaza prin timpi extrem de redusi la furnizarea apei calde menajere.
Reglarea si controlul centralei sunt facute de o placa electronica cu microprocesor care prin intermediul unui display vizualizeaza starea de functionare a centralei (temperaturi, sigurante, etc.).
Modelele disponibile sunt cu aprindere electronica a flacarii si pot fi racordate la un panou de comanda la distanta (vezi Manualul de instructiuni al Comenzii la Distanta Amico).
Circuitul hidraulic este dotat cu un schimbator apa-gaz din cupru cu pierderi de sarcina reduse, cu un rezervor de apa pe circuitul primar (AQUA CELERIS), cu un by-pass reglabil pentru instalatie, cu o valva cu 3 cai hidraulica si cu un schimbator cu placi din otel INOX.
Centralele termice sunt prevazute de serie cu o functie de protectie anti-inghet care o protejeaza pana la o temperatura de -5°C.
|
|
Dimensiuni principale si racorduri
DIMENSIUNI (mm)
|
INALTIME |
LUNGIME |
ADANCIME |
|
850 |
450 |
350 |
RACORDURI
|
GAZ |
APA SANITARA |
INSTALATIE INCALZIRE |
||
|
G |
U |
E |
R |
M |
|
1/2 " |
1/2 " |
1/2 " |
3/4 " |
3/4 " |
V - racord electric
G - alimentare cu gaz
U - iesire apa calda menajera
E - intrare apa rece
R - retur instalatie incalzire
M - tur instalatie incalzire
|
|
COMPONENTE PRINCIPALE
1 - Termostat de siguranta cos
2 - Vas de expansiune
3 - Sonda NTC reglare sanitar
4 - Valva gaz
5 - Robinet de golire circuit incalzire
6 - Robinet de umplere circuit incalzire
7 - Valva aerisire automata
8 - Dispozitiv Aqua Celeris
9 - Colector de fum
1 10 - Sonda NTC reglare incalzire si limita
11 - Rezistenta PTC
12 - Camera de combustie
13 - Termostat de siguranta la supratemp.
14 - Pompa de circulatie
15 - Schimbator de caldura cu placi
16 - Supapa de siguranta 3 bar
17 - Presostat control pompa
18 - Valva cu trei cai hidraulica
19 - By-pass reglabil instalatie
20 - Schimbator de caldura primar
21 - Electrozi de aprindere si relevare
22 - Arzator
|
|
PANOUL DE COMANDA

1 - Led verde semnalizare functionare incalzire
2 - Selector temperatura incalzire
3 - Selector temperatura apa calda menajera
4 - Led verde semnalizare functionare sanitara
5 -
Intrerupator 0 / VARA si Comanda la
Distanta/IARNA
6 - Manometru circuit incalzire
7 - Reset
8 -
Display afisare temperatura si coduri
diagnoza
9 - Led semnalizare functionare arzator
|
|
CIRCUITUL HIDRAULIC
1 - Obturator debit minim
2 - Limitator de flux
3 - Valva cu 3 cai hidraulica
4 - Valva de gaz
5 - Schimbator sanitar
6 - Sonda NTC sanitar
7 - Valva automata de aerisire
8 - Vas de expansiune
9 - Arzator
10 - Schimbator primar
11 - Colector de fum
12- Termostat de siguranta cos
13- Sonda NTC limita si reglare inc.
14- Dispozitiv Aqua Celeris
15- Rezistenta PTC
16- Pompa de circulatie
17- Termostat siguranta supratemp.
18- Micro-intrerupator presostat pompa
19- Valva unidirectionala
20- Presostat control pompa de circulatie
21- Supapa de siguranta 3 bar.
22- By-pass automat reglabil
23- Micro-intrerupator fluxostat sanitar
24- Valva unidirectionala
25- Grup de umplere/golire
G - Alimentare cu gaz
U - Iesire apa calda menajera
E - Intrare apa rece
R - Retur instalatie incalzire
M - Tur instalatie incalzire
Apa calda pentru incalzire si pentru utilizare sanitara este produsa cu ajutorul unui circuit primar si al unuia secundar (sanitar) care sunt utilizate in functie de necesitate.
CIRCUITUL PRIMAR (CIRCUITUL DIN CENTRALA)
Circuitul primar cu dispozitivele de control si de siguranta relative, este pus in functiune de fiecare data cand intervine o cerere atat de incalzire cat si de tip sanitar.
Functionare
Caldura continuta in fumul produs de combustie este absorbita de lamelele din cupru ale schimbatorului apa-gaz (10) care, la randul sau, o cedeaza apei circulate prin interiorul sau de catre pompa centralei (16).
Apa calda este apoi circulata direct prin instalatia de incalzire sau poate fi deviata in interiorul unui schimbator instantaneu cu placi (5) din otel INOX.
Aceasta depinde de pozitia valvei cu 3 cai hidraulice (3) care, in functie de necesitate, permite circulatia agentului primar prin tevile de tur (M) si retur (R) ale instalatiei sau in urma unei preluari sanitare ii provoaca acesteia devierea spre schimbatorul sanitar (5).
Datorita schimbatorului special apa-gaz cu tuburi paralele, generatorul dispune de o sarcina hidraulica pentru instalatie deosebit de ridicata.
Forma curbei care reprezinta raportul dintre debit si sarcina hidraulica disponibila pentru instalatie depinde de reglarea by-pass-ului instalatiei, care in functie de pozitie, permite sa se dispuna la instalatie de o sarcina hidraulica mai mare sau mai mica.
Graficele de mai jos se refera la functionarea pompei la viteza a-4-a:
- A = By-pass exclus (surub strans)
- B = Reglare by-pass de serie (surub insurubat 4,5 ture fata de pozitia desurubat complet)
- C = By-pass deschis (surub desuruba complet)
NIKE 21 Superior
debit
[l/h]
![]()

NIKE 24 Superior
debit
[l/h]
![]()

In circuitul centralei mai functioneaza, alaturi de pompa de circulatie si de schimbatorul primar, alte cateva dispozitive hidraulice care garanteaza functionarea corecta a aparatului si protejand componentele cele mai importante.
SISTEME DE SIGURANTA SI CONTROL
|
Supapa de siguranta 3 bar (21) |
Evita ca in circuit sa fie depasita presiunea de siguranta (3 bar). Interventia sa provoaca evacuarea apei din teava de tur. |
|
|
|
|
Vas de expansiune (8) |
Compenseaza variatiile de volum cauzate de incalzirea apei si permite limitarea variatiilor de presiune ale acesteia. Are o capacitate de 8 litri si o presiune de preincarcare de 0,8 bar. |
|
|
|
|
Presostat control pompa (20) |
Releva diferenta de presiune la capetele pompei de circulatie. Este cuplat la un micro-intrerupator care impiedica functionarea arzatorului in caz ca pompa este blocata sau in cazul lipsei apei din circuitul primar. Evita supraincalzirea schimbatorului principal. |
|
|
|
|
Valva de aerisire automata (7) |
Permite evacuarea automata a produselor gazoase eventual prezente in circuitul primar al centralei. |
|
|
|
|
By-pass reglabil instalatie (22) |
Garanteaza circulatia apei in circuitul primar (intre tur si retur) chiar si atunci cand rezistenta ridicata din instalatie nu o permite. Este montat pe grupul valvei cu 3 cai si se poate regla prin intermediul unui surub accesibil din partea inferioara a placii de sustinere a valvei. |
|
|
|
|
Valva unidirectionala |
Evita ca apa din circuitul primar sa intre in mod accidental in circuitul sanitar. Este montata pe robinetul de umplere. |
CIRCUITUL HIDRAULIC
CIRCUITUL SECUNDAR (CIRCUITUL SANITAR)

Functionare
In stare de repaus apa din interiorul rezervorului AQUA CELERIS (3) este mentinuta la o temperatura constanta de circa 65sC de catre rezistenta electrica PTC (modulanta) (4).
O preluare sanitara determina trecerea apei reci prin interiorul valvei cu 3 cai (2) si in consecinta deplasarea sa in pozitia de functionare (vezi functionare valva cu 3 cai hidraulica).
Acest fapt provoaca inchiderea tevii de retur (R) si deschiderea pasajului spre schimbatorul sanitar (5).
In acest mod este impiedicata circulatia prin instalatia de incalzire si este permisa prin schimbatorul cu placi (5), in care pompa introduce apa continuta in rezervorul AQUA CELERIS.
Ca urmare a acestui fapt apa rece sanitara absoarbe caldura continuta in apa din circuitul centralei inainte de functionarea in plin regim a arzatorului.
In faza sanitara este exclusa functia de incalzire fata de care producerea de apa calda menajera are prioritate.
- Schimbator sanitar (Vezi NIKE MAIOR)
AQUA CELERIS
Este un rezervor cisterna cu capacitate de 4 litri izolat care este racordat intre turul schimbatorului sanitar (intrare) si returul pompei de circulatie (iesire) si este in mod expres conceput pentru a abate timpii de furnizare a apei calde.
Pe durata producerii sanitare este interesat de trecerea returului circuitului centralei termice.
La terminarea prelevarii apa la interiorul sau este mentinuta la o temperatura de circa 65sC de o rezistenta electrica PTC (4) speciala care furnizeaza apei caldura necesara pentru a regla pierderile prin dispersie termica.
- Valva cu 3 cai hidraulica (Vezi NIKE MAIOR)
CIRCUITUL DE GAZ
- Functionare (Vezi NIKE MAIOR)
- Valva de gaz modulanta (Vezi NIKE MAIOR)
- Arzator (Vezi NIKE MAIOR)
REGLAJELE DE GAZ
Reglarea presiunilor maxime si minime se realizeaza actionand aspra valvei de gaz si se efectueaza respectand valorile prezentate in tabelele relative fiecarui tip de centrala, pentru tipul de gaz corespunzator
Masurarea se executa utilizand un manometru diferential ale carui prize sunt racordate la iesirea valvei de gaz si la priza de presiune.
Valva SIT 845

1) Bobina de modulare
2) Surub reglare putere minima
3) Surub reglare putere maxima
4) Priza pres. iesire valva gaz
5) Priza pres. intrare valva gaz
Reglarea presiunii maxime
- Efectuati o preluare de apa calda menajera dupa ce ati reglat selectorul de temperatura la maxim.
Actionati in sens orar asupra piulitei "3" pentru a creste presiunea la arzator si in sens anti-orar pentru a o reduce.
Reglarea presiunii minime
Dupa ce ati intrerupt alimentarea electrica a bobinei de modulare, actionati in sens orar asupra surubului "2" pentru a creste presiunea la arzator si in sens anti-orar pentru a o reduce.
Transformarea pentru functionarea cu alt tip de gaz
Adaptarea la un tip de gaz diferit de cel pentru care centrala a fost prevazuta din fabricatie, se realizeaza utilizand kiturile corespunzatoare (pentru metan sau GPL) furnizate la cerere de catre Immergas.
Transformarea consta in inlocuirea duzelor arzatorului si in mutarea puntii "METAN - GPL" (CM3) aflata pe placa de modulare.
Presiunile maxima si minima sanitara vor fi reglate apoi pe valva de gaz in modul descris mai sus.
Se efectueaza apoi reglarea puterii maxime in faza de incalzire si a presiunii de aprindere a arzatorului actionand asupra trimmer-elor respective montate pe placa de modulare (vezi functionarea placii de modulare).
|
|
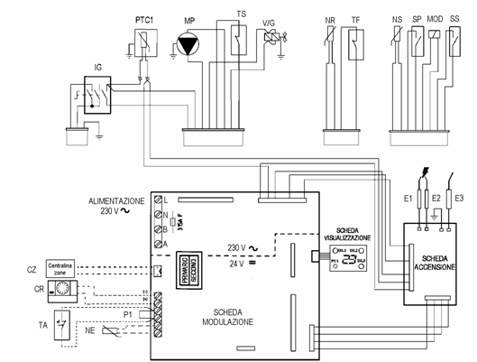
CIRCUITUL ELECTRIC
PLACA DE APRINDERE PLACA
DE VIZUALIZARE PLACA DE MODULARE ALIMENTARE 230 V CA

Circuitul electric este gestionat de o placa electronica cu microprocesor care controleaza functionarea aparatului si la care sunt racordate dispozitivele electrice ale acestuia.
Dispozitivele de control si siguranta inserate in circuit actioneaza in parte la tensiunea din retea (230 V AC) iar pe de alta la joasa tensiune.
CIRCUITUL DE 230 V AC
SISTEME de SIGURANTA si CONTROL
|
|
In functie de pozitie permite : |
|
|
Intrerupator general (IG) |
0 - circuit nealimentat
|
Intrerupator cu 3 pozitii |
|
|
|
|
|
Siguranta fuzibila |
Intrerupe alimentarea circuitului atunci cand curentul absorbit creste peste 3,5A. Este montata pe placa de modulare. |
Siguranta fuzibila 3,15 A 250 V |
|
|
|
|
|
Termostat de siguranta la supratemperatura (TS) |
La depasirea temperaturii de siguranta, termostatul intrerupe alimentarea bobinelor principale ale valvei de gaz. Este instalat pe tubul de iesire al schimbatorului principal. |
Termostat clicson cu doua contacte |
COMPONENTE ALIMENTATE LA 230 V AC
|
Pompa de circulatie (MP) |
Este alimentata de placa de modulare cand exista o cerere de tip sanitar, incalzire sau anti-inghet. Permite circulatia in circuitul primar. |
|
|
|
|
Placa de modulare |
Este alimentata atunci cand intrerupatorul
general este in pozitie |
|
|
|
|
Placa de aprindere |
Este comandata de placa de modulare cand este ceruta aprinderea arzatorului. Controleaza dispozitivele necesare aprinderii (valva de gaz, electrozi de aprindere) si releva flacara (electrod de ionizare). |
|
|
|
|
Valva de gaz (VG) (bobine principale) |
Este alimentata de la circuitul de aprindere atunci cand este necesara aprinderea arzatorului. Permite trecerea gazului la arzator. |
|
|
|
|
Rezistenta PTC (PTC1) |
Mentine la o temperatura constanta de circa 65sC apa din mini-rezervor (AQUA CELERIS). Este
alimentata cu intrerupatorul general in pozitie |
CIRCUITUL DE JOASA TENSIUNE
SISTEME de SIGURANTA si CONTROL
|
Senzor incalzire (NR) |
Permite placii de modulare sa masoare temperatura apei de pe turul circuitului primar. Defectarea sa blocheaza functionarea arzatorului atat la incalzire, cat si in regim sanitar. Este pozitionat la iesirea din schimbatorul principal. |
Senzor NTC 10 kOhm 25sC |
|
|
|
|
|
Senzor sanitar (NS) |
Permite placii de modulare sa releve temperatura de iesire a apei calde menajere. Defectarea sa blocheaza functionarea arzatorului in faza sanitara. Este inserat in teava de apa calda menajera la iesirea din schimbatorul cu placi. |
Senzor NTC 10 kOhm 25sC |
|
|
|
|
|
Intrerupator sanitar (SS) |
In urma unei preluari de apa menajera actioneaza asupra placii de modulare provocand functionarea pompei si abilitand-o pe cea a arzatorului. In repaus abiliteaza functionarea in faza de incalzire. |
Intrerupator cu doua contacte |
|
|
|
|
|
Termostat de siguranta cos (TF) |
In caz de tiraj scazut al cosului actioneaza asupra placii de modulare si permite sa se intrerupa alimentarea la placa. Este asezata pe colectorul de fum. |
Termostat clicson cu doua contacte |
|
|
|
|
|
Siguranta lipsa apa (SP) |
Actioneaza asupra placii de modulare si permite intreruperea alimentarii la placa de aprindere in caz de pompa blocata sau de lipsa de apa in circuitul primar. |
Intrerupator cu 2 contacte |
|
|
|
|
|
Termostat de ambient (TA) (optional extern) |
Abiliteaza functionarea in faza incalzire atunci cand temperatura ambientului este inferioara celei cerute. In caz de instalare a CDA-ului, termostatul de ambient trebuie sa nu fie racordat fara a se reface puntea existenta initial P1. |
Intrerupator cu 2 contacte |
|
|
|
|
|
Comanda la distanta (CR) (optionala externa) |
Permite controlul la distanta al centralei (intrerupator VARA/IARNA, reglare si indicare temperaturi, vizualizare alarme, reset, etc.) si indeplineste functia de cronotermostat saptamanal cu functionare modulanta. Racordata la un senzor extern (NE), permite placii de modulare sa varieze temperatura de tur a instalatiei in functie de necesitati. |
Comanda la distanta (CR) (optionala externa) |
|
|
|
|
|
Senzor extern (NE) (optional extern) |
Releva temperatura externa si permite placii de modulare sa varieze temperatura de tur a instalatiei in functie de temperatura externa. |
Senzor PTC 1 kOhm 25sC |
|
|
|
|
|
Placa de gestiune zone (CZ) (optionala externa) |
Permite functionarea centralei termice cu 3 valve de zona / pompe externe controlate de respectivele termostatele ambient. Zona 1 este controlata (orare/temperaturi) prin intermediul CDA-ului (daca este montata). |
Vezi functionare placa de gestiune zone |
COMPONENTE ALIMENTATE LA JOASA TENSIUNE
|
Bobina de modulare (MOD) |
Este alimentata de placa de modulare cu un curent continuu variabil. Permite varierea presiunii de gaz la arzator. |
|
|
|
|
Placa de vizualizare |
Vizualizeaza pe panoul de comanda functionarea arzatorului (led portocaliu), functionarea in faza sanitara (led verde) si in faza incalzire sau anti-inghet (led verde). Prin intermediul unui display indica temperatura centralei termice, temperaturile sanitare si de incalzire reglate si codurile de eroare (vezi functionare placa de modulare). |
CIRCUITUL ELECTRIC
FAZA DE INCALZIRE
(IARNA) PLACA
DE VIZUALIZARE PLACA
APRINDERE

Functionare cu termostat ambient
Cu intrerupatorul general (IG) in pozitia IARNA se alimenteaza PTC1 si placa de modulare.
Inchiderea contactului termostatului de ambient (TA) pune in functiune pompa de circulatie (MP) si inchiderea in consecinta a contactului releului RP.
Circulatia corecta a apei provoaca inchiderea intrerupatorului presostatului pompei (SP) care fiind racordat in serie la termostatul de fum (TF) permite sa se puna sub tensiune releul RT.
Daca temperatura relevata prin intermediul senzorului NTC de incalzire (NR) este inferioara celei reglate pe panoul de comanda, circuitul de reglare excita releul RT.
Acesta permite alimentarea placii de aprindere (PLACA APR.), care comanda intai electrozii de aprindere (E1-E2) si apoi, cu consensul termostatului de supratemperatura (TS), ambele bobine ale valvei de gaz (V/G).
Producerea aprinderii arzatorului este relevata de aceeasi placa interna de aprindere (PLACA APRINDERE) prin intermediul electrodului de ionizare (E3).
Functionare cu Comanda la Distanta Amico.
Cu intrerupatorul general (IG) in pozitia VARA se alimenteaza PTC1, placa de modulare si comanda la distanta Amico (CDA).
Daca conditiile relevate de comanda la distanta (CR) cer aprinderea in faza incalzire (selector VARA/IARNA CDA in pozitie IARNA, reglarea temperaturii de incalzire superioara celei relevate de senzorul de incalzire NR, cerere a programatorului orar, reglarea temperaturii ambientului superioara celei relevate) placa alimenteaza pompa (MP) prin intermediul contactului releului RP. Aprinderea arzatorului se produce asa cum este descris mai sus.
N.B : In ambele cazuri, la fiecare stingere datorita atingerii temperaturii fixate a agentului termic, circuitul de modulare nu permite reaprinderea arzatorului in regim de incalzire pentru un interval de180 secunde, care poate fi redus la 30 de secunde actionand asupra puntii (J1) (vezi functionare placa de modulare).
CIRCUITUL ELECTRIC
FAZA SANITARA
|
|
|
|
|
|
(*) in functie de valva de gaz utilizata, alimentarea bobinelor principale se face la tensiunea din retea (SIT 845) sau la tensiunea de retea redresata prin intermediul unei punti de diode inserata in conectorul de racordare la valva (Honeywell VK4105)
Functionare
Cu intrerupatorul general (IG) in pozitia VARA sau IARNA se alimenteaza PTC1, placa de modulare si abiliteaza functionarea in faza sanitara.
La inchiderea micro-intrerupatorului (SS) ca urmare a unei preluari de apa calda menajera, circuitul de joasa tensiune pune in functiune pompa (MP) prin intermediul contactului releului RP.
Circulatia corecta a apei provoaca inchiderea intrerupatorului presostatului pompei (SP) care fiind racordat in serie cu termostatul de fum (TF) pune sub tensiune bobina releului RT.
Daca temperatura relevata prin intermediul senzorului NTC sanitar (NS) este inferioara celei reglate pe panoul de comanda (sau pe CDA daca este montata) circuitul de reglare excita releul RT.
Acesta permite alimentarea placii de aprindere (PLACA APR.), care comanda mai intai electrozii de aprindere (E1-E2) si apoi, cu consensul termostatului de supratemperatura (TS), ambele bobine ale valvei de gaz (V/G).
Realizarea aprinderii arzatorului este relevata tot de catre circuitul de aprindere prin intermediul electrodului de ionizare (E3).
PLACA ELECTRONICA DE MODULARE
TEMPOR. INC SELECTOR POMPA (GPL/METAN) PUT MAX INC APR. LENTA TRANSFORMATOR PLACA VIZUALIZARE TEMP. SANIT. TEMP. INCALZ. SIGUR. FUZIBILA

Centrala termica este echipata in interiorul panoului de comanda cu o placa electronica cu microprocesor pentru controlul dispozitivelor electrice ale aparatului, care actionand asupra unei bobine de modulare realizeaza modularea liniara a puterii arzatorului.
Placa este racordata la o mica placa (PLACA DE VIZUALIZARE) care prin intermediul ledurilor si al unui display indica starea de functionare a aparatului.
Placa este
alimentata atunci cand intrerupatorul general (IG) este in
pozitia
(vara) sau
(iarna).
- FUNCTIONARE
Cerere incalzire cu termostat de ambient.
Cu intrerupatorul general (IG) in pozitia IARNA se alimenteaza PTC1 si placa de modulare.
Inchiderea contactului termostatului de ambient (TA) pune in functiune pompa de circulatie (MP) si inchiderea in consecinta a contactului releului RP.
Circulatia corecta a apei provoaca inchiderea intrerupatorului presostatului pompei (SP) care fiind racordat in serie la termostatul de fum (TF) permite sa se puna sub tensiune releul RT.
Daca temperatura relevata prin intermediul senzorului NTC de incalzire (NR) este inferioara celei reglate pe panoul de comanda, circuitul de reglare excita releul RT.
Acesta determina alimentarea placi de aprindere (PLACA APR.) si initierea ciclului de aprindere.
Pe durata fazei de aprindere curentul la bobina de modulare este limitat de reglarea efectuata cu trimmerul de aprindere lenta (POT. APR. LENTA).
La relevarea flacarii (semnal ce provine de la placa interna de aprindere), curentul este variat in mod direct proportional cu diferenta dintre temperatura fixata si cea relevata.
La depasirea valorii reglate este deschis contactul releului RT determinand stingerea arzatorului. Reaprinderea datorita aceleasi cereri ramane inhibata pentru 180/30 de secunde.
|
|
Cerere incalzire cu Comanda la Distanta Amico.
Daca conditiile relative de comanda la distanta (CR) cer functionarea in faza incalzire (selector VARA/IARNA CDA in pozitie IARNA, cerere a programatorului orar, reglarea temperaturii ambientului superioara celei relevate), circuitul de joasa tensiune actioneaza releul RP al carui contact, inchizandu-se alimenteaza pompa de circulatie (MP).
Circulatia corecta a apei provoaca inchiderea intrerupatorului presostatului pompei (SP) care fiind racordat in serie cu termostatul de fum (TF) permite excitarea releului RT.
Acesta determina alimentarea placi de aprindere (PLACA APR.) si initierea ciclului de aprindere.
Pe durata fazei de aprindere curentul la bobina de modulare este limitat de reglarea efectuata cu trimmerul de aprindere lenta (POT. APR. LENTA).
La relevarea flacarii (semnal ce provine de la placa interna de aprindere), curentul este variat in mod direct proportional cu diferenta dintre temperatura fixata si cea relevata.
La depasirea valorii reglate este deschis contactul releului RT determinand stingerea arzatorului. Reaprinderea datorita aceleasi cereri ramane inhibata pentru 180/30 de secunde.
|
|
Cerere sanitara
In urma inchiderii micro-intrerupatorului sanitar (SS) aprinderea arzatorului se realizeaza in mod analog fazei de incalzire.
Modularea flacarii se produce cu referire la diferenta dintre temperatura reglata cu potentiometrul sanitar (SANIT) si temperatura relevata de senzorul sanitar (NS).
La depasirea valorii setate este deschis contactul releului RT, care este reinchis imediat ce temperatura scade din nou.
Daca pe timpul functionarii senzorul de incalzire (NR) masoara o temperatura de peste 80sC, modularea se produce cu referire la temperatura de tur (max. 85sC).
|
|
Cerere anti-inghet incalzire
Atunci cand temperatura relevata de senzorul NTC de incalzire (NR) scade sub 4sC, placa da consensul aprinderii si mentine generatorul in functiune cu arzatorul la putere minima pana la atingerea unei temperaturi de tur de 42sC.
|
|
Cerere anti-inghet sanitar
Atunci cand temperatura relevata de senzorul NTC sanitar (NS) scade sub 4sC, placa da consensul aprinderii si mentine generatorul in functiune cu arzatorul la putere minima pana cand senzorul sanitar releva o temperatura de 8sC.
Pe durata functionarii apa circuitului primar se mentine sub 42sC deoarece la atingerea acestei temperaturi placa stinge arzatorul.
|
|
Cerere "cosar" (functie de analiza a combustiei)
Apasand pentru cel putin 10 secunde butonul de reset (PU1), la eliberarea acestuia placa va comanda aprinderea generatorului si il va mentine in functiune in faza incalzire la puterea maxima de incalzire pentru 15 minute.
In aceasta faza este respectata numai functia de termostat limita realizata de senzorul de incalzire (42sC).
Aceasta cerere este activata numai daca nu sunt in curs cereri de tip incalzire, sanitar sau anti-inghet si este semnalata de codul "7" pe display si de clipirea led-urilor de sub selectoarele de temperatura de incalzire (DL1) si A.C.M. (DL2).
Poate fi dezactivata numai intrerupand alimentarea electrica.
|
|
SEMNALE DE INTRARE
|
Intrerupator general (IG) |
Indica daca este abilitata functionarea in regim sanitar (VARA) sau in regim sanitar si incalzire (IARNA). |
inchis = IARNA deschis = VARA |
|
|
|
|
|
Semnal sanitar (SS) |
Indica o cerere in curs (sanitar sau incalzire). Depinde de pozitia intrerupatorului sanitar (SS) al valvei cu 3 cai. |
Inchis=sanitar Deschis=incalzire |
|
|
|
|
|
Senzor incalzire (NR) |
Este o rezistenta variabila invers proportional cu temperatura apei de pe turul circuitului de incalzire. Este utilizat si ca termostat limita (90sC). |
Senzor NTC 10 KOhm la 25sC |
|
|
|
|
|
Senzor sanitar (NS) |
Este o rezistenta variabila invers proportional cu temperatura de iesire a apei calde menajere. |
Senzor NTC 10 kOhm la 25sC |
|
|
|
|
|
Siguranta lipsa apa (SP) |
In caz de pompa blocata sau de lipsa a apei in interiorul circuitului primar nu permite aprinderea arzatorului intrerupand alimentarea releului RT. |
Intrerupator cu doua contacte |
|
|
|
|
|
Siguranta cos (TF) |
In caz de tiraj scazut al cosului nu abiliteaza aprinderea arzatorului intrerupand alimentarea la releul RT. Interventia sa blocheaza functionarea centralei pentru 20 de minute. |
Termostat clicson cu doua contacte |
|
|
|
|
|
Buton de reset (PU1) |
Apasarea sa permite deblocarea circuitului dupa interventia sigurantei la supratemperatura (100sC) si de nerealizarea aprinderii. Mentinandu-l apasat pe durata functionarii permite blocarea presiunii de gaz la valoarea de aprindere lenta. Mentinandu-l apasat pentru cel putin 10 secunde in absenta unor cereri, la eliberarea sa este activata functia de analiza combustiei. |
Buton cu doua contacte |
|
|
|
|
Relevare flacara |
Este un semnal care indica prezenta flacarii. Permite placii sa creasca curentul la bobina de modulare dupa ce l-a limitat pe durata fazei de aprindere. |
|
|
|
|
|
|
Blocare flacara |
Este un semnal ce provine de la circuitul de control are indica nerealizarea aprinderii arzatorului. Alarma este afisata ca un cod de eroare pe display-ul placii de vizualizare sau, daca este montata, pe comanda la distanta (vezi functionarea C.D.A.). |
|
|
|
|
|
|
Termostat de ambient (TA) (optional extern) |
Este un intrerupator cu contacte curate care abiliteaza functionarea in faza de incalzire atunci cand temperatura ambientului este inferioara celei cerute. |
Intrerupator cu 2 contacte |
|
|
|
|
|
Comanda la Distanta Amico (CDA) (optionala) (vezi functionare CDA) |
Trimite la placa semnalele selectorului VARA/IARNA, ale reglarii temperaturii de sanitar si de incalzire si ale cererii de incalzire (orar, temperatura ambient, etc.). La montarea CDA, termostatul de ambient trebuie deconectat fara a se reface puntea existenta initial P1. |
|
|
|
|
|
|
Senzor exterior (NE) (optional extern) |
Este o rezistenta variabila direct proportional cu temperatura externa. Permite placii de modulare sa varieze temperatura de tur a instalatiei in functie de temperatura externa. |
Senzor PTC 1 KOhm 25sC |
|
|
|
|
|
Placa de gestiune zone (CZ) (optionala externa) |
Trimite la placa semnalele referitoare la cererile de functionare ale eventualelor valve de zona sau pompe externe (vezi functionare placa gestiune zone). |
|
SEMNALE DE IESIRE
|
Bobina de modulare (MOD) |
Este un semnal in curent continuu care comanda bobina de modulare a valvei de gaz. Permite varierea presiunii gazului la arzator. |
|
|
|
|
|
|
Releu pompa circulatie (RP) |
Este un releu unipolar destinat comandarii pompei de circulatie care este excitat atunci cand ii este solicitata functionarea. |
|
|
|
|
|
Releu de cerere(RT) |
Este un releu unipolar care este excitat atunci cand este necesara aprinderea arzatorului. Prin intermediul contactului sau este comandat circuitul de aprindere. |
|
|
|
|
|
|
Comanda la Distanta
Amico (CDA) (vezi functionare CDA) |
Este un semnal care permite sa se vizualizeze pe display-ul comenzii la distanta temperatura centralei, functionarea in faza sanitar sau de incalzire, codurile alarmelor intervenite si temperatura relevata de eventuala sonda externa . |
|
|
|
|
|
|
Placa gestiune zone (CZ) (optionala externa) |
Este un semnal care permite placii de gestiune zone sa cunoasca starea de functionare a aparatului (sanitar/incalzire) si daca este montata sa recunoasca CDA-ul ca pe un termostat de ambient al zonei C.D.A-ului (vezi functionare placa de gestiune zone). |
|
REGLAJE
|
Potentiometru de inc. (INC.) |
Permite fixarea temperaturii apei necesare pentru incalzire intre 43sC si 90sC. |
|
|
|
|
|
|
Potentiometru sanit. (SAN.) |
Permite fixarea temperaturii apei calde menajere intre 35sC si 65sC. |
|
|
|
|
|
|
Trimmer putere inc. (POT. INC.) |
Permite reglarea puterii in regim de incalzire adaptand-o la necesarul instalatiei. |
|
|
|
|
|
|
Trimmer aprindere lenta (POT. APR. LENTA) |
Permite reglarea curentului la bobina de modulare si deci a presiunii gazului la arzator in timpul fazei de aprindere. Tinand apasat butonul reset (PU1) pe durata functionarii in sanitar sau incalzire, curentul trimis bobinei ramane blocat la valoarea de aprindere lenta. |
|
|
|
|
|
|
Selector gaz (CM3) |
Adapteaza parametrii de modulare la tipul de gaz pentru care este prevazuta centrala (metan/GPL). |
|
|
|
|
|
|
Temporizare la incalzire (JP1) |
La fiecare stingere datorita atingerii temperaturii in regim de incalzire, este activata o intarziere de 3 minute pana la reaprinderea urmatoare datorata aceleiasi cereri de incalzire. Eliminand puntea J1 timpul este redus la 30 de secunde. |
|
|
|
|
|
Selector pompa(CM2) |
Cu intrerupatorul general in pozitia IARNA, permite functionarea pompei de circulatie in mod continuu sau numai la cererea termostatului de ambient. |
|
FUNCTII DE PROTECTIE SI DE SIGURANTA
|
Siguranta
defectare |
Defectarea senzorului sanitar (NS) impiedica functionarea in faza sanitara. Defectarea senzorului incalzire (NR) impiedica functionarea in fazele incalzire si sanitara. |
|
|
|
|
Post-circulare |
Pentru evitarea supraincalzirii schimbatorului apa-gaz, la terminarea fiecarei cereri de incalzire (deschidere termostat ambient), anti-inghet sau de analiza combustiei, pompa este mentinuta in functiune pentru 150 secunde. |
|
|
|
|
Anti-blocare pompa de circulatie |
Pompa de circulatie (MP) este pusa in functiune pentru 150 secunde dupa: - 24 ore de inactivitate cu selectorul VARA/IARNA in pozitia VARA - 3 ore de inactivitate cu selectorul VARA/IARNA in pozitia IARNA (anti-inghet instalatie de incalzire). |
SEMNALIZARI (placa de vizualizare)

|
DL1 |
Este un led verde aprins cand centrala functioneaza la incalzire si anti-inghet. |
|
|
|
|
DL2 |
Este un led verde aprins cand centrala functioneaza in faza sanitara |
|
|
|
|
DL3 |
Este un led portocaliu aprins cand arzatorul este in functiune. |
|
|
|
|
Display |
In functie de starea sa indica : - valoarea temperaturii masurate de senzorul de tur pe durata functionarii in fazele incalzire, sanitara, anti-inghet si analiza combustiei. - valoarea reglata pe durata reglarii temperaturilor de incalzire si sanitara (pentru un interval de 5 secunde). - inscriptia CE cu CDA
montat si intrerupatorul general in pozitia - numarul de cod corespunzator sigurantei intervenite: 01 = blocare datorita nerealizarii aprinderii 02 = blocare datorita interventiei termostatului de siguranta la supratemperatura 03 = contactul presostatului de fum nedeplasat (NA) 05 = defectarea senzorului NTC de tur 06 = defectarea senzorului NTC sanitar 10 = siguranta lipsa apa 14 = racord incorect intre circuitul de aprindere si placa de modulare 31 = comanda la distanta incompatibila |
|
|
SECVENTA DE FUNCTIONARE NIKE SUPERIOR
|
Regim de incalzire |
|
Regim sanitar |
||
|
PUNERE SUB TENSIUNE |
|
PUNERE SUB TENSIUNE |
||
|
Intrerupator general in pozitia IARNA |
|
Intrerupator general in pozitia VARA sau IARNA |
||
|
|
|
|
||
|
ALIMENTARE PTC1, PLACA DE REGLARE SI CDA (comanda la distanta) |
|
ALIMENTARE PLACA REGLARE SI CDA (comanda la distanta) |
||
|
Inchiderea contactelor intrerupatorului general alimenteaza rezistenta PTC a dispozitivului Aqua Celeris, placa de modulare si CDA (daca este montata) |
|
Inchiderea contactelor intrerupatorului general alimenteaza rezistenta PTC a dispozitivului Aqua Celeris, placa de modulare, CDA (daca este montata) |
||
|
|
|
|
||
|
INCHIDERE INTRERUPATOR TERMOSTAT AMBIENT / CERERE FUNCTIONARE CDA |
|
INCHIDERE INTRERUPATOR SANITAR |
||
|
Cerere a termostatului ambient, sau CDA-ul (daca este montata) releva conditii care cer functionarea in regim de incalzire |
|
Preluare de apa calda menajera |
||
|
|
|
|
||
|
|
ALIMENTARE POMPA |
|
||
|
|
Placa de modulare alimenteaza pompa |
|
||
|
|
|
|
||
|
|
INCHIDERE MICRO-INTRERUPATOR PRESOSTAT POMPA |
|
||
|
|
Circulatia apei in interiorul circuitului primar provoaca inchiderea intrerupatorului presostatului de lipsa apa |
|
||
|
|
|
|
||
|
|
ALIMENTARE PLACA DE APRINDERE |
|
||
|
|
Cu consensul termostatului de fum, placa de modulare alimenteaza placa de aprindere |
|
||
|
|
|
|
||
|
|
ALIMENTARE ELECTROZI DE APRINDERE |
|
||
|
|
Circuitul de control al aprinderii alimenteaza electrozii de aprindere |
|
||
|
|
|
|
||
|
|
ALIMENTARE BOBINE VALVA DE GAZ |
|
||
|
|
Cu consensul termostatului de supratemperatura circuitul de aprindere alimenteaza bobinele valvei de gaz si trimite placii de modulare semnalul de aprindere lenta |
|
||
|
|
|
|
||
|
|
APRINDERE ARZATOR (LENTA) |
|
||
|
|
Pentru cateva secunde placa transmite bobinei de modulare curentul de aprindere lenta |
|
||
|
|
|
|
||
|
|
RELEVARE FLACARA |
|
||
|
|
Prin intermediul electrodului de relevare (ionizare), circuitul de aprindere releva prezenta flacarii pe arzator si transmite placii de modulare semnalul de realizare a aprinderii arzatorului |
|
||
|
|
|
|
||
|
|
CENTRALA IN FUNCTIUNE |
|
||
|
|
Arzatorul functioneaza la o putere variabila in functie de tipul de cerere, de reglajele/valorile de temperatura fixate si de cele relevate de senzorii NTC |
|
||
|
|
DATE TEHNICE NIKE Superior
|
|
|
NIKE 21 Superior |
NIKE 24 Superior |
|
Putere termica in focar nominala |
Kcal/h (kW) |
23333 (27,1) |
26667 (31,0) |
|
Putere termica in focar minima |
Kcal/h (kW) |
9467 (11,0) |
10490 (12,2) |
|
Putere termica utila nominala |
Kcal/h (kW) |
21000 (24,4) |
24000 (27,9) |
|
Putere termica utila minima |
Kcal/h (kW) |
8000 (9,3) |
9000 (10,5) |
|
Randament util la putere nominala |
|
90,0 |
90,0 |
|
Randament util la 30 % din puterea nominala |
|
87,2 |
88,7 |
|
|
1,7 / 1,1 |
2,8 / 1,0 |
|
|
|
8,3 / 0,8 |
7,2 / 0,7 |
|
|
|
|
|
|
|
Diametru duze (G20) |
mm |
1,30 |
1,30 |
|
Presiune de alimentare (G20) |
mbar (mm CA) |
20 (204) |
20 (204) |
|
Diametru duze (G30) |
mm |
0,75 |
0,75 |
|
Presiune de alimentare (G30) |
mbar (mm CA) |
29 (296) |
29 (296) |
|
Diametru duze (G31) |
mm |
0,75 |
0,75 |
|
Presiune de alimentare (G31) |
mbar (mm CA) |
37 (377) |
37 (377) |
|
|
|
|
|
|
Presiune maxima in circuit incalzire |
bar |
3 |
3 |
|
Temperatura maxima in circuit incalzire |
sC |
90 |
90 |
|
Temperatura reglabila incalzire |
sC |
43 - 90 |
43 - 90 |
|
Vas de expansiune volum total |
l |
8 |
8 |
|
Preincarcare vas de expansiune |
bar |
0,8 |
0,8 |
|
Continut de apa al generatorului |
l |
3,5 |
4 |
|
Continut de apa AQUA CELERIS |
l |
4 |
4 |
|
Sarcina hidraulica disponibila la debit 1000 l/h |
m C.A. |
3,10 |
3,40 |
|
Putere termica utila la producerea de ACM |
Kcal/h (kW) |
21000 (24,4) |
24000 (27,9) |
|
Domeniu reglare temperatura apa calda menajera |
sC |
35 - 65 |
35 - 65 |
|
Limitator de flux |
l/min |
10 |
12 |
|
Presiune minima (dinamica) in circuit sanitar |
bar |
0,3 |
0,3 |
|
Presiune maxima de lucru circuit sanitar |
bar |
10 |
10 |
|
Preluare minima apa calda menajera |
l/min |
1,5 |
1,5 |
|
Debit specific in serviciu continuu T 30sC |
l/min |
11,6 |
13,3 |
|
Debit specific cu T 30sC |
l/min |
11,5 |
12,9 |
|
Presiune min. pt. debit nominal limitator de flux |
bar |
1,0 |
1,0 |
|
Greutate centrala plina |
kg |
52,5 |
54 |
|
Greutate centrala goala |
kg |
45 |
46 |
|
|
|
|
|
|
Alimentare electrica |
V / Hz |
230 / 50 |
230 / 50 |
|
Curent absorbit nominal |
A |
0,64 |
0,66 |
|
Putere electrica instalata |
W |
140 |
145 |
|
Putere absorbita de pompa de circulatie |
W |
83 |
88 |
|
Protectie instalatie electrica aparat |
|
IP 44 |
IP 44 |
|
Rezistenta circuit de fum din centrala |
Pa |
1,5 |
1,5 |
PARAMETRI DE COMBUSTIE
(cu temperatura aerului de combustie de 15 sC)
|
|
|
NIKE 21 Superior |
NIKE 24 Superior |
||||
|
|
|
G20 |
G30 |
G31 |
G20 |
G30 |
G31 |
|
Debit masic fum la putere nominala |
kg/h |
86 |
78 |
79 |
82 |
80 |
92 |
|
Debit masic fum la putere minima |
kg/h |
78 |
82 |
81 |
76 |
73 |
84 |
|
CO2 la puterea nominala |
|
4,4 |
5,6 |
5,5 |
5,3 |
6,3 |
5,4 |
|
CO2 la puterea minima |
|
1,9 |
2,1 |
2,1 |
2,1 |
2,6 |
2,2 |
|
CO la 0% de O2 la putere nominala |
ppm |
93 |
90 |
45 |
66 |
7,3 |
140 |
|
CO la 0% de O2 la putere minima |
ppm |
80 |
100 |
65 |
54 |
5,7 |
79 |
|
Nox la 0% de O2 la putere nominala |
ppm |
170 |
230 |
187 |
141 |
183 |
160 |
|
Nox la 0% de O2 la putere minima |
ppm |
90 |
100 |
98 |
65 |
80 |
67 |
|
Temperatura fum la putere nominala |
sC |
106 |
106 |
107 |
105 |
103 |
98 |
|
Temperatura fum la putere minima |
sC |
79 |
76 |
77 |
78 |
87 |
87 |
REGLAREA PUTERII TERMICE LA NIKE 21 Superior
|
|
|
METAN (G20) |
BUTAN (G30) |
PROPAN (G31) |
|||||||||
|
Putere termica (Kcal/h) |
Putere termica (kW) |
Debit gaz la arzator (m3/h) |
Presiune la duzele arzatorului (mbar) (mm C.A.) |
Debit gaz la arzator (kg/h) |
Presiune la duzele arzatorului (mbar) (mm C.A.) |
Debit gaz la arzator (kg/h) |
Presiune la duzele arzatorului (mbar) (mm C.A.) |
|
|||||
|
21.000 |
24,42 |
2,87 |
10,8 |
110 |
2,14 |
28,2 |
287 |
2,11 |
36,8 |
375 |
|
||
|
20.000 |
23,26 |
2,73 |
9,8 |
100 |
2,04 |
25,3 |
258 |
2,01 |
32,6 |
333 |
|
||
|
19.000 |
22,09 |
2,60 |
8,9 |
91 |
1,94 |
22,7 |
231 |
1,91 |
28,8 |
294 |
|
||
|
18.000 |
20,93 |
2,47 |
8,0 |
82 |
1,84 |
20,2 |
207 |
1,81 |
25,3 |
258 |
|
||
|
17.000 |
19,77 |
2,33 |
7,2 |
73 |
1,74 |
18,0 |
184 |
1,71 |
22,1 |
226 |
|
||
|
16.000 |
18,60 |
2,20 |
6,4 |
65 |
1,64 |
15,9 |
162 |
1,62 |
19,3 |
197 |
|
||
|
15.000 |
17,44 |
2.07 |
5,7 |
58 |
1,55 |
14,0 |
143 |
1,52 |
16,7 |
170 |
|
||
|
14.000 |
16,28 |
1,95 |
5,0 |
51 |
1,45 |
12,2 |
125 |
1,43 |
14,4 |
147 |
|
||
|
13.000 |
15,12 |
1,82 |
4,4 |
45 |
1,35 |
10,6 |
108 |
1,33 |
12,4 |
126 |
|
||
|
12.000 |
13,95 |
1,69 |
3,8 |
39 |
1,26 |
9,2 |
94 |
1,24 |
10,6 |
108 |
|
||
|
11.000 |
12,79 |
1,56 |
3,3 |
34 |
1,16 |
7,9 |
80 |
1,14 |
9,1 |
93 |
|
||
|
10.000 |
11,63 |
1,43 |
2,8 |
29 |
1,06 |
6,7 |
68 |
1,05 |
7,8 |
80 |
|
||
|
9.000 |
10,47 |
1,30 |
2,4 |
24 |
0,97 |
5,7 |
58 |
0,95 |
6,8 |
70 |
|
||
|
8.000 |
9,30 |
1,17 |
2,0 |
20 |
0,87 |
4,8 |
49 |
0,86 |
6,1 |
62 |
|
||
REGLAREA PUTERII TERMICE LA NIKE 24 Superior
|
|
|
METAN (G20) |
BUTAN (G30) |
PROPAN (G31) |
|||||||||
|
Putere termica (Kcal/h) |
Putere termica (kW) |
Debit gaz la arzator (m3/h) |
Presiune la duzele arzatorului (mbar) (mm C.A.) |
Debit gaz la arzator (kg/h) |
Presiune la duzele arzatorului (mbar) (mm C.A.) |
Debit gaz la arzator (kg/h) |
Presiune la duzele arzatorului (mbar) (mm C.A.) |
|
|||||
|
24.000 |
27,9 |
3,28 |
10,8 |
110 |
2,45 |
28,4 |
290 |
2,41 |
35,9 |
366 |
|
||
|
23.000 |
26,7 |
3,15 |
10 |
102 |
2,35 |
26,1 |
267 |
2,31 |
33,5 |
341 |
|
||
|
22.000 |
25,6 |
3,02 |
9,3 |
95 |
2,25 |
24,0 |
245 |
2,21 |
31,1 |
317 |
|
||
|
21.000 |
24,4 |
2,88 |
8,6 |
88 |
2,15 |
21,9 |
224 |
2,12 |
28,7 |
293 |
|
||
|
20.000 |
23,3 |
2,75 |
7,9 |
81 |
2,05 |
20,0 |
204 |
2,02 |
26,5 |
270 |
|
||
|
19.000 |
22,1 |
2,62 |
7,2 |
74 |
1,95 |
18,1 |
185 |
1,92 |
24,3 |
247 |
|
||
|
18.000 |
20,9 |
2,49 |
6,6 |
67 |
1,85 |
16,4 |
167 |
1,83 |
22,1 |
226 |
|
||
|
17.000 |
19,8 |
2,36 |
6,0 |
61 |
1,75 |
14,7 |
150 |
1,73 |
20,0 |
204 |
|
||
|
16.000 |
18,6 |
2,22 |
5,4 |
55 |
1,66 |
13,2 |
134 |
1,63 |
18,0 |
183 |
|
||
|
15.000 |
17,4 |
2,09 |
4,8 |
49 |
1,56 |
11,7 |
120 |
1,54 |
16,0 |
163 |
|
||
|
14.000 |
16,3 |
1,96 |
4,3 |
43 |
1,46 |
10,4 |
106 |
1,44 |
14,1 |
143 |
|
||
|
13.000 |
15,1 |
1,83 |
3,7 |
38 |
1,36 |
9,1 |
93 |
1,34 |
12,2 |
124 |
|
||
|
12.000 |
14,0 |
1,69 |
3,2 |
33 |
1,26 |
7,9 |
80 |
1,24 |
10,3 |
105 |
|
||
|
11.000 |
12,8 |
1,56 |
2,7 |
28 |
1,16 |
6,8 |
69 |
1,15 |
8,5 |
87 |
|
||
|
10.000 |
11,6 |
1,43 |
2,2 |
23 |
1,06 |
5,8 |
59 |
1,05 |
6,8 |
69 |
|
||
|
9.000 |
10,5 |
1,29 |
1,8 |
18 |
0,96 |
4,9 |
50 |
0,95 |
5,1 |
52 |
|
||
|
|
Copyright © 2025 - Toate drepturile rezervate