![]() | Aeronautica | Comunicatii | Constructii | Electronica | Navigatie | Pompieri |
| Tehnica mecanica |
INSTALATII DE INVERSAREA SENSULUI DE ROTATIE (MARSULUI) MOTOARELOR NAVALE
Motoarele navale se echipeaza cu un mecanism de inversare a sensului de rotatie, care permite ca printr-o manevra sa se schimbe sensul de rotatie al arborelui cotit.
Inversarea sensului de rotatie al motorului trebuie sa se faca fara a se tulbura fazele de distributie stabilite, ceea ce se obtine printr-o constructie speciala a mecanismului de distributie si prin prezenta unor dispozitive suplimentare, destinate sa realizeze o interactiune corecta a organelor de distributie in concordanta cu sensul de rotatie dorit.
Mecanismul de inversare al motoarelor in doi timpi se realizeaza de obicei cu mijloace constructive mai simple.
Ordinea de realizare a inversarii este urmatoarea:
oprirea injectiei combustibilului ; oprirea motorului;
ridicarea si intreruperea contactului rolelor de la tachetii supapelor si pistoanelor pompelor de injectie cu camelc-disc;
actiunea dispozitivului de inversare;
coborarea rolelor tachetilor pe came in concordanta cu noul sens de rotatie;
pornirea cu aer a motorului la rotirea lui in noul sens de rotatie;
cuplarea injectiei combustibilului; inceputul functionarii.
Uneori, unele dintre operatiile enumerate incep putin mai inainte ca operatia precedenta sa se fi terminat (franarea cu aerul de pornire inaintea opririi, injectia combustibilului simultan cu trimiterea aerului pentru pornire). La efectuarea inversarii trebuie sa fie asigurate viteza si siguranta de functionare a intregii instalatii de comanda; existenta unei blocari corespunzatoare trebuie sa excluda posibilitatea unor manipulari gresite si inoportune. Durata inversarii sensului de rotatie nu trebuie sa depaseasca 10 - 15 s.
Dispozitivele de inversare pot fi realizate pe baza urmatoarelor principii constructive:
1) arborele cu came are doua serii de came : pentru mersul inainte si pentru mersul inapoi, iar parghiile supapelor sunt prevazute cu role permutabile; constructia unui astfel de dispozitiv este aratata in Figura 1; inversarea se realizeaza in acest caz prin mutarea rolelor cu ajutorul rotii de mana 5, montata pe melcul 8; pe sectorul indicator se traseaza pozitia corecta a mecanismului la cuplarea completa;

FIG.1
2) camele, impanate pe o bucsa speciala, se pot deplasa de-a lungul arborelui cu came (figura 2);

FIG.2
3) camele sunt impanate direct pe arborele cu came, iar deplasarea axiala se transmite insusi arborelui cu came; schema constructiva este similara cu cea precedenta, cu singura deosebire ca servomotorul realizeaza deplasarea intregului arbore; aceasta schema are o larga utilizare;
4) arborele cu came, cu setul de came, nu se deplaseaza, iar parghiile supapelor se rotesc pe nishte saibe excentrice, impanate pe axul de inversare cu o inclinatie fata de axa acestuia; in Figura 3 se arata schema constructiva a unui astfel de mecanism : la rotirea cu 180° a axului de inversare 5, parghiile 6 si 11 ocupa o noua pozitie, mutand rolele lor de pe camele 7 si 9 pe camele 8 si 10 si punand in contact cu cozile supapelor tachetii 2 si 3 in locul tachetilor 1 si 4; aceasta constructie este folosita la motoarele Diesel in patru timpi ale firmei Werkspoor;

FIG.3
5) arborele cu came nu are alte came, insa se modifica impanarea rotii dintate de pe acest arbore, care este in legatura cu actionarea de la arborele cotit (inversarea sensului de rotatie prin rotirea arborelui cu came); principiul acestui mecanism este aratat in schema constructiva din Figura 4: roata dintata de actionare 1, executata dintr-o bucata cu partea conductoare 2 a cuplajului cu dinti, este montata liber pe arborele 6, caruia ii transmite miscarea de rotatie prin cuplajul 3, impanat pe acest arbore; la inversarea sensului de rotatie, din cauza jocului dintre dinti, pozitia relativa a celor doua jumatati de cuplaj se modifica putin, asigurand distributia necesara; cu acest procedeu, inversarea se realizeaza numai prin actionarea distribuitorului de aer (uneori aceasta actionare se face manual), pentru ca sa se oblige arborele cotit sa se roteasca in sens contrar, dupa care distributia intra automat in noul regim de lucru; acest principiu se aplica la motoarele mai multor firme (Burmeister & Wein, Sulzer etc.);

FIG.4
6) distributia se realizeaza fara arbore cu came; actionarea parghiilor supapelor este in legatura directa cu pistonul (distributie fara arbore cu came); schema cinematica a acestui mecanism este aratata in Figura 5; pistonul 2, cu ajutorul parghiei 1, al tijei 4 si al parghiei 3 pune in miscare supapa; astfel, inceputul si sfarsitul deschiderii supapei se pun in acord deplin cu pozitia pistonului in inaltime; acest mecanism se foloseste la motoarele in doi timpi cu baleiaj in echicurent cu supape, ale firmei Werkspoor.
Ca si in cazul precedent, inversarea se realizeaza aici numai prin actionarea distribuitorului de aer.

FIG.5
INSTALATII DE COMANDA
Complexul de mecanisme care asigura pornirea, oprirea, inversarea sensului de rotatie, variatia cantitatii de combustibil injectat in cilindri si controlul curent al functionarii, formeaza instalatia de comanda a motorului.
Organele de comanda, care pun in functiune intreaga instalatie de comanda sau diferitele ei parti, cum si aparatele pentru controlul curent si semnalizare, se concentreaza intr-un unic ansamblu constructiv: postul de comanda.
Pentru asigurarea capacitatii maxime de manevrare, instalatia si postul de comanda trebuie sa aiba o constructie simpla si sigura, sa permita o functionare rapida si sigura a tuturor elementelor, fara ca sa necesite pentru aceasta aplicarea unor eforturi fizice prea mari. In constructia postului de comanda trebuie sa se prevada mecanisme automate de blocare, care sa excluda posibilitatea manipularii gresite sau executia neprecisa a acestor manipulari. La motoarele navale trebuie sa se prevada un sistem de blocaj cu telegraful masinii.
Dupa felul energiei folosite pentru executarea operatiilor de comanda, instalatiile de comanda pot fi impartite in : mecanice, pneumatice, hidraulice si combinate (cand se folosesc doua sau trei feluri de energii). In practica motoarelor cu autoaprindere nu au obtinut raspandire instalatiile electrice pentru comanda locala.
Intr-o serie de cazuri apare necesara comanda motorului la distanta; atunci, instalatia locala de comanda se completeaza cu mecanisme pentru comanda la distanta.
In instalatiile de comanda la distanta, pe langa folosirea transmisiilor pneumatice si hidraulice, se pot folosi pe scara larga si cele electrice, iar la distante apropiate se pot folosi si transmisii mecanice.
In constructia postului de comanda al motorului trebuie sa se prevada posibilitatea conectarii transmisiilor de la distanta. In acest caz, devine posibila comanda motorului atat de la un post de comanda local, cat si de la un post de comanda de la distanta, de rezerva, iar blocajul respectiv trebuie sa asigure coordonarea actiunilor acestor posturi.
Se dau in continuare exemple de executie constructiva a catorva variante caracteristice de instalatii de comanda.
INSTALATII DE COMANDA CU ACTIONARE MANUALA
In Figura 6 este reprezentata schema constructiva a unei astfel de instalatii, utilizata la motoarele cu o putere pana la 350 CP.

FIG.6
La postul de comanda exista trei organe de comanda: parghia de pornire, roata de mana pentru inversarea sensului de rotatie si roata de mana pentru comanda injectiei combustibilului.
Pornirea se face in modul urmator: prin rotirea inapoi a parghiei 23 se poate cobori sertarul 24 al supapei principale de manevrare si se poate deschide accesul aerului in instalatia de pornire.
Inversarea sensului de rotatie se realizeaza prin rotirea rotii de mana 8. In acest caz, cu ajutorul angrenajului melc 7 se roteste axul vertical 6, care la inceput actioneaza prin angrenajul conic 9 axul cotit 10, care departeaza de came tija 5 si rolele. Prin ulterioara rotire a axului 6 cu ajutorul sistemului de parghii 12, 13, 14 si 15, se deplaseaza arborele cu came 4, in lungul axei sale, aducand sub cozile supapelor noi came. In momentul cand roata de mana 8 ocupa pozitia finala, axul 10 reuseste sa coboare rolele tijelor pe saibele mobile.
Reglarea injectiei combustibilului se realizeaza cu roata de mana 21 prin intermediul angrenajului melc 22, al camei 19 montat pe axul 18, al tachetului 20 si al celorlalte parghii.
Blocajul, care exclude inversarea sensului de rotatie al motorului in functiune, consta in urmatoarele : daca roata de mana 21 pentru debitarea combustibilului nu este scoasa in afara, in pozitia "STOP", cama de oprire 17 nu permite rotirea axului 6 pe care se afla montata saiba de blocare 16, care are o crestatura. In pozitia "STOP", cama 19 opreste combustibilul, iar cama 17 elibereaza blocajul de inversare a sensului de rotatie. Mutarea parghiei de pornire in pozitia "PORNIRE" devine posibila numai dupa efectuarea inversarii sensului de rotatie, cand saiba 16 se roteste cu 360°C.
Motoarele in doi timpi, construite de uzina "Ruskii Diesel", sunt prevazute tot cu o instalatie de comanda manuala a dispozitivelor de inversare. Datorita baleajului prin fante al acestor motoare se poate executa numai inversarea distribuitorului de aer, ceea ce se obtine cu ajutorul unui tirant si al unei cremaliere (distribuitor de aer de tip cu disc). Inversarea distributiei cu sertar a pompei de baleaj se obtine in mod automat, prin rotirea axului de actionare la franarea pneumatica a axului sertarelor. Pompa de injectie nu isi schimba sensul de rotatie : cama are un profil simetric in raport cu punctul mort interior.
Toate manipularile de comanda se pot realiza cu ajutorul unei singure parghii.
Un alt exemplu de instalatie cu actionare manuala este instalatia utilizata de firma "Werkspoor" pentru motorul in doi timpi cu baleaj in echicurent cu supape, de 3600 CP la 125 rot/min (D=600mm; S=1100mm; 6 cilindri).
Cu toate ca puterea si gabaritele motorului sunt mari, datorita folosirii principiului de inversare bazat pe actionarea fara ax a mecanismului de distributie, comanda inversarii sensului de rotatie si injectiei combustibilului s-a putut realiza manual (Figura 5).
INSTALATII DE COMANDA CARE FOLOSESC O ENERGIE AUXILIARA
a). Instalatia pneumatica pentru comanda motorului in patru timpi "Krupp". Un exemplu al uneia dintre cele mai complexe instalatii automatizate cu folosirea unor servomecanisme pneumatice este instalatia utilizata la motoarele "Krupp" (Figura 7).

FIG.7
Cu toate ca schema este relativ complicata, aceasta instalatie are numai doua organe de comanda (parghiile A si B).
Pornirea se realizeaza in modul urmator. Se deschide manual supapa de inchidere 2 a instalatiei, si aerul din butelia 1, la presiunea de 50 kgf/cm2, intra in ventilul de reductie 11, unde presiunea se micsoreaza pana la 18 kgf/cm2; apoi, cea mai mare parte a aerului se indreapta spre supapa de pornire 7, iar restul aerului merge printr-o conducata auxiliara spre cutia sertarului principal de manevrare si apoi spre pistonasul pneumatic de comanda a supapei de pornire 7. Supapa de pornire este executata in cazul de fata cu deschidere pneumatica, insa cu comanda mecanica. Parghia cu tirantul 6, pusa in miscare de cama 3, scotand limitatorul de pe actionarea pneumatica, permite deschiderea supapei. Pentru a se realiza pornirea este necesar ca parghia B sa se mute in pozitia de pornire, astfel incat camele 15 sa vina sub sertarele mecanismului de manevrare: prin aceasta se trimite aerul in conducta de comanda a supapelor de pornire ale cilindrilor. Simultan cu aerul de pornire care intra in instalatie se prevede si inceputul injectiei combustibilului: parghia A se pune in pozitia de incepere a debitarii cu ajutorul dispozitivului de blocare.
La presiuni in cilindru de peste 20 kgf/cm2, supapa de pornire a cilindrului nu se deschide.
Inversarea se realizeaza prin deplasarea longitudinala a axului cu came cu ajutorul servomotorului pneumatic (principal) sau cu ajutorul servomotorului hidraulic (de rezerva).
Inversarea cu ajutorul instalatiei pneumatice are loc in modul urmator: parghia B se muta in pozitia "inversare" (care devine posibila numai prin asezarea prealabila in pozitia corespunzatoare a discului 13 al telegrafului masinii). Cama 15 de pe ax deschide sertarul a din mecanismul de manevrare 14, iar aerul intra in sertarul 10 al servomotorului 8. Partea de jos a cutiei sertarului comanda pistonul din dreapta (pneumatic) al servomotorului. Pozitia sertarului 10 depinde de pozitia discului telegrafului.
Trecand prin sertar, aerul actioneaza pistonul servomotorului, obligandu-l sa se deplaseze intr-un sens sau in altul.
La miscarea sa, pistonul executa, printr-un sistem de parghii, trei operatii : la inceput ridicarea rolelor tachetilor (prin rotirea axului auxiliar cu parghii), apoi deplasarea arborelui cu came 4 si, in sfarsit, coborarea rolelor pe noile came.
Blocajul se realizeaza si cu ajutorul arborelui 4, afara de executarea blocajului cu ajutorul discului telegrafului masinii. Blocajul cu ajutorul arborelui 4 (actionarea sertarelor mecanismului de manevrare) se face si cu ajutorul sistemuluii de tiranti 9, care, intrand in miscare simultan cu servomotorul, impiedica manipularile parghiilor A si B in timpul inversarii, preintampinand efectuarea inoportuna a injectiei combustibilului si a pornirii.
Comanda injectiei combustibilului se realizeaza cu parghia A, prin intermediul unui sistem de tiranti 12, prin care se actioneaza asupra axului 5 al pompei de injectie. Regulatorul de turatie are un dispozitiv care decupleaza automat sase cilindri din opt, in cazul cand turatia incepe sa creasca peste limita admisibila.
Inversarea de rezerva se realizeaza cu ajutorul servomotorului hidraulic (pistonul din stanga al servomotorului 8). Debitarea uleiului se face manual, cu ajutorul pompei 16. In acest caz, sensul de miscare al pistonului se determina prin pozitia sertarului 10 in partea sa superioara, pentru ulei. La inversarea cu aer a sensului de rotatie, cilindrul hidraulic al servomotorului 8 se foloseste ca cilindru de franare.
Avantajele acestei instalatii constau in automatizarea completa a proceselor de comanda si in pornirea rapida, ca urmare a introducerii simultane a aerului de pornire si a combustibilului.
Un dezavantaj al acestei instalatii consta in reducerea presiunii aerului, care micsoreaza temperatura acestuia.
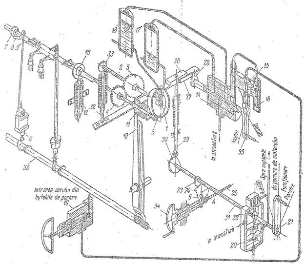
b). Instalatia de comanda a motorului in patru timpi construit de uzina din Kolomensk, cu comanda pneumo-hidraulica. (Figura 8).

FIG.8
Instalatia are trei organe de comanda: maneta de oprire si pornire 21, roata de mana pentru comanda injectiei combustibilului 34 si maneta de inversare 35.
Pornirea. Dupa ce se deschide ventilul de inchidere 19 si dupa ce maneta 21 se pune in pozitia "pornire", si se deschide supapa principala de manevrare 20, aerul se indreapta spre distribuitorul de aer si spre supapele de pornire (care nu sunt aratate in schema).
Inversarea se face tot dupa deschiderea ventilului de inchidere 19. Cu maneta 35, care comanda robinetul de inversare 14, se deschide accesul aerului in butelia 17 sau in butelia 18. Uleiul din butelie, in care intra aerul comprimat, incepe sa fie presat in una dintre cavitatile servomotorului cu rotor 1, cu ajutorul caruia se roteste axul 2, si dupa el axul de inversare 5. In prima treime a rotirii se face ridicarea tachetilor, ale caror parghii stau pe fusurile excentrice ale axului 5, apoi, cu ajutorul santului spiral 11 de pe un tambur special care se roteste impreuna cu axul 5 si al parghiei 10, se face deplasarea axiala a arborelui cu came 36 si, in sfarsit, in ultima treime a rotirii se face coborarea tachetilor.
Comanda injectiei combustibilului se face cu roata de mana 34, care deplaseaza tirantul 25 al cremalierei pompelor de injectie.
Blocajul. Pentru ca inversarea sa se poata efectua numai in pozitia "stop" a manetei 21, s-a prevazut un mecanism de blocare compus din cama 30, tija 29 si placa 26, care mentine axul robinetului de inversare in pozitie neutra. Pentru a impiedica mutarea robinetului de inversare in pozitie neutra inainte de terminarea manevrei, s-a prevazut tija de blocare 32, cu care se fixeaza la inversare placa 26, cum si axul robinetului de inversare. Cuplarea si decuplarea pompelor de injectie se fac tot cu parghia 21, cu ajutorul sectoarelor dintate 23 si 24 si al unui cuplaj.
Avantajele acestei instalatii sunt: blocarea sigura, precum si servomotorul pneumo-hidraulic cu functionare sigura.
Dezavantajul acestei instalatii consta in existenta a trei organe de comanda.
c). Instalatia de comanda a motorului in doi timpi cu dubla actiune al firmei "BURMEISTER & WEIN" cu comanda pneumatica si cu inversarea sensului de rotatie prin rotirea arborelui cu came. (Figura 9).
Aceasta instalatie este proiectata, avinindu-se in vedere reducerea maxima a duratei de manevra. Instalatia foloseste frinarea cu aer comprimat la inversare.
Pornirea se face astfel: se deschide ventilul de inchidere 1 al instalatiei, astfel incit aerul intra in supapa principala de manevra 2 si, prin conducta a, la ventilul auxiliar 3, iar de aici prin conducta b spre supapa 2, care comanda pistonul.

FIG.9
Aceasta supapa este actionata pe scaunul ei si aerul de pornire nu patrunde in cilindri. Pirghia de comanda A, fiind deplasata in pozitia "pornire", deplaseaza tija ventilului auxiliar prin intermediul unei instalatii de blocare, inchizind admisia aerului prin conducta a si deschizind orificiul de contact cu atmosfera, pentru evacuarea aerului din conducta b. In acest caz, se descarca pistonul de comanda al supapei 2 si aerul incepe sa patrunda prin conducta c spre supapele de lansare (pornire), iar prin conductele d si e patrunde spre distribuitorul de aer, prin care cu ajutorul conductei f se realizeaza comanda supapelor de lansare 4.
Inversarea se realizeaza in momentul in care instalatia de lansare este pregatita pentru functionare. Pirghia de comanda A se deplaseaza in pozitia "stop", blocajul se anuleaza, si pirghia de inversare B se deplaseaza in noua pozitie. Prin aceasta, pirghia B efectueaza, prin intermediul unui sistem de tiranti, deplasarea camelor distribuitorului de aer 5. Apoi pirghia de comanda se deplaseaza in pozitia "pornire" (deplasarea ulterioara a pirghiei in pozitia "functionare" este blocata pina la efectuarea inversarii).
Aerul incepe sa patrunda in cilindri pina se opreste motorul, frinind arborele cotit si, in sfirsit, obligindu-l sa se roteasca in sens invers.
In acelasi timp, aerul de lansare trece prin ventilul auxiliar, prin conducta d in cilindrul dispozitivului de frinare 7.
Cu ajutorul rotii de frinare 8 are loc fixarea arborelui cu came 9. Cind arborele cotit incepe sa se roteasca in sens invers, pinionul lantului 10 al mecanismului de actionare, impreuna cu jumatatea conducatoare a cuplajului cu dinti 11, se roteste pina cind intilneste o alta proeminenta a jumatatii conduse a cuplajului, fixata pe arborele cu came (rotire cu 120 s).
Rotirea relativa se foloseste si pentru rotirea bucsei 12, care are un sant elicoidal, astfel incit spre sfirsitul inversarii se deplaseaza prin intermediul unui sistem de tiranti ventilul auxiliar 6, iar cilindrul de frinare se descarca. Concomotent se anuleaza si blocarea pirghiei de comanda; ulterior, aceasta pirghie trebuie sa se deplaseze in pozitia de incepere a injectiei.
Blocarea se face astfel cu ajutorul a doua ventile pneumatice auxiliare si al instalatiei mecanice de blocare de la postul de comanda.
Comanda injectiei combustibilului se face cu pirghia A, prin intermediul unui sistem de tiranti, dupa ce aceasta pirghie a trcut prin pozitia de "start".
Avantajele acestei instalatii: permite o manevra rapida; inversarea se face folosind energia dezvoltata chiar de motor, ceea ce exclude necesitatea utilizarii unui servomotor special.
Dezavantajul acestei instalatii: automatizarea insuficient de completa a comenzii.
|
SUPRAVEGHEREA MOTORULUI IN TIMPUL CARTULUI |
ELEMENTE DE EXPLOATARE A MOTORULUI
Deservirea motoarelor cu ardere interna navale, pe timpul exploatarii, presupune asigurarea masurilor ce vizeaza pregatirea pentru pornire, pornirea motorului, deservirea motorului pe timpul funcġionarii, oprirea motorului.
Pregatirea motorului pentru pornire
Pregatirea motorului pentru pornire necesita executarea unor operatii in raport cu momentul in care ele se executa: la sfarsitul unei perioade de reparatii, dupa o stationare indelungata sau dupa o scurta stationare, intre momentul sosirii si plecarii din port.
Pregatirea pentru pornirea dupa reparatii a motorului principal presupune luarea urmatoarelor masuri:
verificarea ansamblarii corecte a tuturor pieselor fixe si mobile;
verificarea starii de curatenie a carterului;
inchiderea corecta a tuturor capacelor de la carter;
verificarea circuitului de ungere de inalta presiune la cilindri;
verificarea intregii instalatii, a nivelului uleiului in tancul de ulei pentru cilindri;
punerea in functiune a pompelor de ulei, amorsarea instalatiei de ungere la linia cuzinetilor de pat si biela;
se verifica etanseitatea instalatiei de ungere, si caderea de presiune in bateria de filtre;
se asigura incalzirea uleiului;
gresarea, deblocarea si actionarea manuala a diferitelor imbinari, articulatii, supape de lansare etc;
se asigura umplerea circuitului de racire in circuit inchis cu apa dulce asigurand evacuarea aerului la partea cea mai de sus a instalatiei;
se verifica etanseitatea sistemului de racire si corecta functionare a tuturor armaturilor si aparatelor de masura si control;
punerea in functiune a pompelor de racire si asigurarea aducerii motorului la un regim termic apropiat regimului de pornire;
in timpul incalzirii motorului si agentilor de lucru este necesara virarea arborelui motor pentru a uniformiza temperatura pieselor fixe si mobile, asigurandu-se in acelasi timp ungerea cilindrilor cu ajutorul pompelor de ungere;
rotirea arborelui cotit cu ajutorul virorului antrenat de motorul electric;
amorsarea instalatiei de alimentare cu combustibil prin injectoare;
umplerea cu aer a buteliilor de lansare pana la realizarea presiunilor necesare lansarii (10 daN/cm2) si purjarea acestora pentru eliminarea acumularilor de apa;
decuplarea mecanismului de virare a arborelui cotit si efectuarea unei lansari de proba pe aer avand robinetii de purja a fiecarui cilindru in pozitia deschis.
2. Pornirea motorului
Pornirea motorului este permisa numai dupa ce s-a primit ordin sau s-a dat aprobare.
Inainte de pornire se fixeaza maneta de inversare corespunzator ordinului. Turatia se va fixa astfel ca dupa lansare sa fie minima si stabila.
Se va lansa motorul actionand maneta de lansare cu aer.
Imediat dupa ce motorul a pornit se va pune maneta de lansare in pozitia initiala si se vor inchide valvulele de lansare cu aer, se va fixa turatia corespunzatoare de exploatare.
De asemenea se va verifica presiunea uleiului, apei si combustibilului in instalatiile ce deservesc motorul. Se va verifica de asemenea sa nu fie zgomote si batai suspecte. Daca dupa un minut de la lansare presiunea uleiului nu se ridica in limitele normale sau se observa zgomote si batai suspecte, motorul va fi oprit si va fi lansat din nou dupa inlaturarea cauzelor.
3. Deservirea motorului in timpul functionarii
Pe timpul functionarii motorului se efectueaza un control permanent asupra principalilor parametrii de lucru ai motorului cum sunt:
temperaturile si presiunile uleiului pe circuitele de ungere sau racire;
temperaturile si presiunile apei de racire a cilindrilor, pistoanelor etc.;
temperatura gazelor de evacuare pe fiecare cilindru, pe colector, inainte si dupa turbosuflante;
temperatura si presiunea aerului de supraalimentare etc.
Oprirea motorului
Oprirea motorului principal se face la comanda primita prin telegraf. Pentru aceasta se intrerupe alimentarea cu combustibil a pompelor de injectie.
Oprirea nu trebuie sa se faca brusc, ci treptat prin reducerea progresiva a turatiei.
In cazul opririi in conditii de forta majora se iau urmatoarele masuri:
se mentin in functiune instalatiile de racire si de ungere cel putin o ora;
nu se deschid capacele la carterul motorului decat dupa cel putin o ora de la oprire.
Defectiuni principale si remedierea lor:
La operatia de lansare, arborele motor nu se misca sau nu se invarteste complet:
|
Nr. crt. |
Cauze |
Remedieri |
|
Valvulele pentru deschiderea aerului de la butelii sunt inchise. |
Se verifica deschiderea valvulelor. |
|
|
Presiunea aerului din butelie este prea mica. |
Se incarca butelia, folosind compresorul de aer. |
|
|
Robinetele de control ale cilindrilor sunt deschise. |
Se inchid robinetele. |
|
|
Supapele de lansare nu se deschid corect. |
Se verifica inchiderea robinetelor; maneta se pune in pozitia pornire si se verifica daca jocul rolelor care le actioneaza corespunde indicatiilor tehnice ale uzinei constructoare. |
|
|
Supapa de pornire (lansare) s-a intepenit deschisa (ciuperca nu se aseaza pe scaun) |
Se preseaza supapa de pornire cu aer comprimat si se verifica deschiderea supapei. |
|
|
Sertarasele distribuitoare de aer se intepenesc. |
Se verifica functionarea prin apasare; revenirea in pozitia initiala trebuie sa se faca rapid si usor; sertarasele defecte se scot, se sterg cu o panza imbibata in ulei, dupa care se monteaza la loc; sertarasul nu trebuie sa aiba loc in locasul sau. |
|
|
Tubulatura de la distribuitorul de aer este infundata. |
Se verifica, se desfunda si se sufla cu aer, apoi se remonteaza. |
|
|
Elicea navei este blocata. |
Se verifica si in caz afirmativ se degajeaza elicea |
|
|
Presetupa etamboului este prea stransa. |
Se verifica si eventual se slabeste presetupa. |
Dupa ce motorul atinge turatia pentru trecerea pe combustibil, aprinderea nu are loc sau se face cu intarziere.
|
Nr. crt. |
Cauze |
Remedieri |
|
Compresia in cilindri este prea stransa. |
Se verifica capacitatea de etansare a segmentilor si a supapelor de pe chiulase. |
|
|
Combustibilul nu ajunge la pompa. |
- Se verifica existenta combustibilului in tancul de consum; - se verifica deschiderea valvulei de pe conducta de alimentare; - se verifica buna functionare a filtrelor; - se verifica umplerea tubulaturii si a pompei de alimentare cu combustibil; |
|
|
In tubulatura de alimentare si in pompele de combustibil a patruns aer |
Se aeriseste traseul de combustibil pana la injector. |
|
|
Dereglarea distributiei combustibilului. |
Se va verifica inceputul injectiei combustibilului si se regleaza conform indicatiilor tehnice ale uzinei constructoare. |
|
|
Acul injectorului (supapei de refulare) se intepeneste, iar aerul patrunde in tubulatura de alimentare. |
Se deblocheaza acul injectorului eventual se inlocuieste cu altul nou. |
|
|
Combustibilul contine apa. |
- se evacueaza apa din tancul de consum prin purjare periodica; - se umple tancul de serviciu cu combustibil curat; - se umple tubulatura de alimentare, filtrele si pompele cu combustibil curat. |
|
|
Blocarea regulatorului |
Se verifica modul de functionare al regulatorului si se remediaza defectele . |
|
|
Pulverizarea combustibilului se face in mod defectuos (lipsa de presiune) |
Se demonteaza pompa de combustibil, se curata si la nevoie se slefuiesc supapele de aspiratie si refulare. |
|
|
Acele duzelor si injectoarelor au scapari. |
Se demonteaza injectoarele si se slefuiesc acele in duze sau se inlocuiesc |
|
|
Presiunea insuficienta in cilindru |
Se verifica jocul intre tije si tacheti, restabilindu-se jocul normal; Se verifica daca ciupercile supapelor se asaza bine pe scaune; Se verifica cursa pistonului; |
|
|
Motorul este prea rece |
Se incalzesc cilindrii, cu mijloacele existente la bord |
|
|
Capul pistonului este crapat. |
Se inlocuieste pistonul. |
Motorul se opreste in timpul functionarii
|
Nr. crt. |
Cauze |
Remedieri |
|
Intreruperea alimentarii pompelor cu combustibil |
Se verifica existenta combustibilului in tancul de consum.; Se verifica starea filtrelor. |
|
|
Cantitatea prea mare de apa in tancul de consum |
Se evacueaza apa din tubulatura, din pompa si din tancul de consum, apoi se umple cu combustibil curat. |
|
|
Neetanseitatea pompei de combustibil si a conductei de alimentare |
Se evacueaza aerul din corpul pompei prin robinetele de control si pulverizatoare, pompand manual; se vor strange imbinarile pompei si ale tubulaturii de alimentare. |
|
|
Camera de combustie este arsa |
Se inlocuieste cu una noua. |
Turatia motorului scade, insa temperatura de evacuare creste
|
Nr. crt. |
Cauze |
Remedieri |
|
Motorul este supraincalzit (suprasarcina) |
Se micsoreaza numarul de rotatii pana la restabilirea temperaturii nominale |
|
|
Conul acului injectorului nu se inchide bine sau se blocheaza |
Se slefuieste sau se inlocuieste acul injectorului. |
Motorul prezinta batai in functionare
|
Nr. Crt. |
Cauze |
Remedieri |
|
Motorul este supraincarcat |
Se reduce sarcina motorului |
|
|
Avansul la admisie este prea mare |
Daca la suspendarea pompei unui cilindru bataile dispar, se va micsora avansul la admisie; Daca gazele arse sunt prea fierbinti, se va reduce debitul pompei; |
|
|
Un cilindru este supraincarcat |
Se verifica sistemul de injectie si se egaleaza sarcina pe toti cilindrii. |
|
|
Injectorul lucreaza defectuos |
Se verifica funcġionarea injectoarelor. |
|
|
Inceput de gripare (sau chiar gripare) intre cilindri si piston. |
Se mareste ungerea cilindrului, se micsoreaza racirea si alimentarea cu combustibil; Daca nu se gaseste cauza batailor, motorul se opreste si se pozitioneaza pistonul in PME; Daca in carter se gaseste pilitura sau praf metalic, se demonteaza pistonul, lagarele din capul de biela si camasa cilindrului. |
|
|
Boltul pistonului are joc mare in umarul pistonului sau in biela. |
Se demonteaza pistonul si se inlocuiesc boltul, bucsele de bolt sau chiar pistonul. |
|
|
Cuzinetul de la capul sau piciorul bielei are joc prea mare iar buloanele sunt slabite. |
Se opreste motorul si se examineaza jocurile si aspectul suprafetelor de frecare; se lasa jocul necesar; boltul pistonului se inlocuieste. |
|
|
Jocul dintre piston si camasa cilindrului este prea mare |
Se inlocuieste camasa cilindrului |
|
|
Cuzinetii s-au topit (gripat) si turatia a scazut |
Se opreste imediat motorul si se examineaza cuzinetii de biela si de pat, se slefuiesc rizurile butoanelor cu cuzinetii topiti si se monteaza cuzinetii noi |
|
|
Joc prea mare intre rotile dintate (distributie) |
Se inlocuiesc rotile care au uzuri mai mari decat cele prescrise |
Functionarea anormala a unor cilindri
|
Nr. crt. |
Cauze |
Remedieri |
|
Presiunea insuficienta la sfarsitul cursei de compresie |
Se examineaza cilindrul in cauza, daca nu are scapari de gaze pe la segmenti |
|
|
Pompa de combustibil are scapari |
Se verifica functionarea supapelor, pompei si se inlatura defectele |
|
|
Acul injectorului se blocheaza din cauza dezaxarii sau a ungerii insuficiente |
Se demonteaza si se verifica functionarea corecta. |
|
|
Duzele injectorului sunt coxificate |
Se curata sau se inlocuiesc duzele cu altele bune |
|
|
La injectorul de combustibil apar gaze |
Se indeparteaza gazele prin deschiderea robinetului de control de pe injector |
Gazele de eĝapament au o culoare inchisa
|
Nr. crt. |
Cauze |
Remedieri |
|
Amestec prea bogat de combustibil |
Se reduce debitul pompei de combustibil |
|
|
Acul injectorului se blocheaza sau orificiile duzelor sunt inchise |
Se incearca acul injectorului; daca nu se misca liber sau se opreste, se strange sau se slabeste putin acul |
|
|
Fisuri in sustinatorul acului si in duzele injectorului |
Se scoate injectorul si se remediaza defectiunile sau se inlocuieste |
|
|
Supapele de refulare ale pompei de combustibil nu se inchid |
Se demonteaza, se slefuieste supapa sau se inlocuieste acul daca acesta este rupt. |
|
|
Presiunea de compresie in cilindri este insuficienta |
Lipsa de etanseitate dintre piston si cilindru |
|
|
Combustibilul vine cu intarziere |
Se verifica inceputul injectiei |
|
|
Uzura orificiilor duzelor injectoarelor |
Se inlocuiesc duzele |
|
|
Presiunea aerului de pulverizare este insuficienta (la injectia pneumatica) |
Se verifica functionarea supapelor |
Gazele de eĝapament au o culoare albastra
|
Nr. crt. |
Cauze |
Remedieri |
|
Uleiul de ungere patrunde in cilindri in cantitate prea mare |
Segmentii de redare nu sunt bine montati sau sunt uzati; se monteaza corect sau daca sunt uzati se inlocuiesc |
|
|
Nivelul uleiului din carter este prea ridicat |
Se verifica nivelul uleiului din carter si se cerceteaza cauza cresterii lui |
|
|
Uleiul de ungere patrunde in camera de combustie o data cu aerul, din cauza ungerii prea abundente |
Se micsoreaza ungerea pompei de aer sau se micsoreaza nivelul din carter. |
Gazele de esapament au o culoare alba
|
Nr. crt. |
Cauze |
Remedieri |
|
Arderea combustibilului este incompleta; temperatura in camera de ardere este prea redusa |
Se mareste compresia pana la valoarea normala |
|
|
Combustibilul contine un procent prea mare de apa sau apa patrunde in cilindri prin chiulasa |
Se va separa apa din combustibilul aflat in tancul de alimentare, in filtre, iar chiulasele cu crapaturi se inlocuiesc |
|
|
Aerul admis in camera de ardere a cilindrului este prea umed. |
Se va evacua apa din buteliile de aer |
Copyright © 2026 - Toate drepturile rezervate