![]() | Aeronautica | Comunicatii | Constructii | Electronica | Navigatie | Pompieri |
| Tehnica mecanica |
a) Comanda cu unda plina
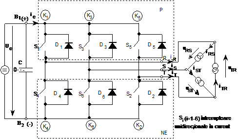
Schema invertorului trifazat de tensiune prezentata in fig. 9.29 se obtine utilizand 3 semipunti monofazate de tensiune, cate una pentru fiecare faza si un divizor capacitiv la intrare.
Schema este deci una in punte.

Fig.9.29 Invertorul trifazat de tensiune(cu sarcina in stea).
Daca numim
comutatoarele
, comutatoare ale partii P, iar
comutatoare ale
partii NE, atunci la comanda cu unda plina pentru a
obtine un sistem trifazat alternativ simetric de tensiuni la bornele
sarcinii, indiferent de modul ei de conectare, este necesar ca :
comutatoarele unei semipunti sa fie comandate in contratimp;
comutatoarele partii P
si cele ale partii NE sa fie comandate decalat cu
electrice;
comutatoarele aceleiasi
parti sa fie comandate decalat cu
electrice;
Dupa durata de conductie a comutatoarelor se disting doua programe de comanda:
programul de
electrice la care
fiecare comutator este in conductie un interval de timp echivalent cu
electrice;
programul de
electrice la care
fiecare comutator este in conductie un interval de timp echivalent cu
electrice;
Algoritmul de comanda pentru fiecare dintre aceste programe este dat in fig. 9.30.

Fig. 9.30 Algoritmul de comanda: a) programul de
; b) programul de
.
Pentru invertoarele de
tensiune este de obicei utilizat programul de comanda de
. Considerand comanda dupa acest program, daca
intreruptorul K din fig. 9.29 este inchis atunci
si:
(9.78)
este o tensiune alternativ dreptunghiulara care are dezvoltarea in serie Fourier:
(9.79)
Deoarece:
(9.80)
rezulta ca dezvoltarile in serie Fourier ale acestor tensiuni vor fi:
(9.81)
(9.82)
Deci sistemul trifazat de tensiuni real,asa cum arata relatiile (9.79), (9.81)si (9.82) este superpozitia unor sisteme simetrice care corespund fundamentalei si diverselor armonici si anume:
sisteme directe pentru fundamentala si armonicele 7,13,19,
sisteme inverse pentru armonicele 5,11,17,
sisteme homopolare pentru armonicele 3,9,15,
Daca
sarcina este echilibrata,fiecarui sistem de tensiuni ii corespunde un
sistem cu aceeasi pulsatie in curentii de faza
,trecerea de la unul la altul depinzand de
impedanta sarcinii pentru pulsatia considerata.
Prin urmare curentii de faza vor fi formati prin superpozitia sistemelor simetrice de curenti,directe,inverse si homopolare. Sistemele directe si inverse dau o suma nula,insa sistemele homopolare vor da un curent care va parcurge conductorul de legatura intre N si 0 .
Deci este avantajos in cazul sarcinii echilibrate sa deschidem intreruptorul K (fig. 9.29.), incat sa suprimam legatura intre N si 0. In acest caz nici nu mai este necesar un divizor capacitiv la intrare ,ci se poate utiliza un condensator C, de o valoare suficienta ca sa dea caracterul de sursa de tensiune alimentarii.
Deschiderea
lui K semnifica suprimarea armonicelor 3, 9, 15 din curentii de
faza,deci suprimarea armonicelor impare de rang multiplu de 3 din
tensiunile de faza
usurand astfel filtrarea lor .
b) Ecuatiile de tensiune ale invertorului trifazat
Pentru constructia formelor de unda ale tensiunilor de iesire de faza si intre faze ale invertorului trifazat functionand cu sarcina in stea echilibrata este utila exprimarea tensiunilor de faza in functie de tensiunile intre bornele de iesire R,S,T si punctul median '0' devenit fictiv prin deschiderea lui K.
Aceste tensiuni mai sunt numite si tensiuni de pol.
Tensiunile
au suma nula:
(9.83)
dar:
(9.84)
Facand suma relatiilor (9.84) si tinand seama de (9.83) rezulta:
(9.85)
Inlocuind valoarea (9.85) in fiecare din relatiile (9.84) se obtin tensiunile de faza:
(9.86)
Relatiile (9.86) reprezinta ecuatiile de tensiune ale invertorului trifazat.
Cu relatiile (9.86) tensiunile intre faze se pot scrie:
(9.87)
Din relatiile (9.87) rezulta posibilitatea de calcul a tensinilor de faza in functie de tensiunile intre faze:
(9.88)
Componenta
homopolara suprimata in tensiunile
si
corespunde unei diferente de
potential intre punctele N si O, date de relatia (9.85).
Comanda se realizeaza conform algoritmului de comanda prezentat in fig. 9.30,b.
In
fiecare moment vor fi in conductie (inchise) trei comutatoare. In
functie de pozitia acestor comutatoare tensiunile de pol
vor avea valoarea
sau
Pentru reprezentarea grafica a formelor de unda, dupa calculul tensiunilor de pol, cu relatiile (9.86) s-au calculat tensiunile de faza si cu relatiile (9.87) tensiunile intre faze.
Cu
relatia (9.93) s-a determinat pentru fiecare interval de timp valoarea
vectorului
al tensiunii de iesire.
Rezultatele calculelor sunt centralizate in tabelul 9.1. Pentru reprezentarea curentilor s-au considerat valabile ipotezele 9.a, 9.b si 9.c.
Formele
de unda pentru un defazaj inductiv
, respectiv
capacitiv
sunt date in fig. 9.34.
Tabelul 9.1 Valorile tensiunilor de faza si intre faze.
|
Intervalul |
Comutatoare in conductie (inchise) |
|
|
|
|
|
|
|
|
|
|
|
|
+ |
- |
+ |
|
- |
|
|
- | |
|
|
|
+ |
- |
- |
|
- |
- |
|
- |
|
|
|
|
+ |
+ |
- |
|
|
- |
|
- |
|
|
|
|
- |
+ |
- |
- |
|
- |
- |
| |
|
|
|
- |
+ |
+ |
|
|
|
- |
|
|
|
|
|
- |
- |
+ |
- |
- |
|
- |
|
Examinand pentru
fiecare interval de timp pozitia comutatoarelor
, observam ca valoarea curentului
va fi:
(9.94)
Cu valorile (9.94) s-a
reprezentat curentul
in fig. 9.34.
Curentul de intrare are perioada egala cu 1/6 din cea a marimilor de iesire.

Fig. 9. 34 Forme de
unda la functionarea dupa programul de
cu: a) sarcina
inductiva; b) sarcina capacitiva; sarcina conectata in
stea.
Valoarea efectiva a tensiunilor de faza este:
(9.95)
Valoarea efectiva a tensiunilor intre faze este:
(9.97)
Curentii
prin dispozitivele semiconductoare (comutatoarele
) au
aceeasi forma ca la invertorul monofazat (vezi paragraful 9.2.3).
Comutatiile care trebuie realizate vor fi aceleasi: comutatii
comandate daca
este inductiv si naturale daca
este capacitiv. Curentii de sarcina, de exemplu pentru cazul sarcinii inductive,
se scriu:
(9.98)
Curentul de intrare are valoarea medie:
![]()
si valoarea efectiva:
![]()
Ca si pentru
invertorul monofazat, sarcina trifazata nefiind ideala, formele
curentilor de faza
nu vor fi sinusoide,
ci se pot aproxima prin segmente de exponentiala, dar succesiunea
intervalelor de conductie a componentelor semiconductoare ramane
aceeasi.
Sarcina invertorului poate fi conectata si in triunghi, asa cum se arata in fig. 9.35.

Fig. 9.35 Invertorul trifazat de tensiune cu sarcina in triunghi.
In cazul sarcinii in
triunghi starea comutatoarelor
impune direct
tensiunile la bornele acesteia. Calculul tensiunilor se va face luand drept
origine pentru potentiale borna
'-' notata cu
a sursei.
Se vede ca:
;
;
(9.99)
Dar:
(9.100.a)
(9.100.b)
(9.100.c)
Rezultatul calculului
tensiunilor
si
facut cu
relatiile (9.99) si (9.100) este dat in tabelul 9.2.
Tabelul 9.2 Valorile tensiunilor la bornele sarcinii.
|
Intervalul |
Comutatoare in conductie |
|
|
|
|
|
|
|
|
|
|
|
|
|
|
|
|
|
|
|
|
|
|
|
|
|
|
|
|
|
|
|
|
|
|
|
|
|
|
|
|
|
|
|
|
|
|
|
|
|
|
|
|
|
|
|
|
|
|
|
|
Se observa ca
tensiunile
si
puteau fi calculate
si in functie de tensiunile de pol
si
, considerate fata de un punct median fictiv
'0' al sursei, aplicand relatiile (9.87). Valorile pentru
si
care trebuie luate in
calcul sunt cele din
tabelul 9.1.
Formele de unda
ale tensiunilor si curentilor sunt prezentate in fig. 9.36. Sarcina a
fost considerata cu caracter inductiv. Se observa ca tensiunile
intre faze
si
care acum sunt
tensiunile la bornele sarcinii au aceeasi forma si valoare ca
tensiunile intre faze in cazul sarcinii in stea (vezi tabelul 9.1), deci
relatiile (9.97) raman valabile.
Aceste considerente ne indreptatesc sa afirmam ca reprezentarea in complex a functionarii invertorului (fig. 9.33) este generala, ea permitand deducerea tensiunii la iesire, indiferent de sarcina. Formele de unda au fost trasate considerand valabile ipotezele 9.a, 9.b si 9.c.
La trasarea curentilor
si
s-a tinut seama
ca daca ei formeaza un sistem echilibrat, vor fi caracterizati
prin valoarea lor efectiva
si defazajul
fata de
fundamentala tensiunilor carora le corespund, adica
si
.
Curentii de sarcina, considerand un defazaj inductiv, vor fi:
(9.102)

Fig. 9.36 Formele de unda la functionarea dupa
programul de ![]()
cu sarcina inductiva
echilibrata, conectata in triunghi.
In concluzie inlocuirea unei sarcini in stea prin sarcina in triunghi echivalenta nu afecteaza functionarea convertorului static de putere.
Si pentru aceasta
situatie este valabila observatia legata de
imperfectiunea sarcinii si comutatoarelor. In realitate curentii absorbiti
si
nu vor fi siunsoidali, ci vor fi
alcatuiti din segmente de exponentiale asa cum se
prezinta in fig. 9.37, insa succesiunea de conductie a
componentelor semiconductoare se pastreaza aceeasi ca pentru
cazul ideal.

Fig. 9.37 Forme de unda pentru o sarcina reala RL.
Daca pe partea de curent alternativ este
necesar un conductor neutru si trebuie utilizat si un transformator,
atunci se va utiliza schema prezentata in fig. 9.38, in care
transformatorul are conexiunea

Fig. 9.38 Invertor trifazat cu transformator pentru asigurarea alimentarii cu fir neutru.
Intreruptoarele
comandate dupa programul de
vor impune tensiunile intre faze
si
in primar, deci tensiunile de faza
si
in secundar, ca si tensiunile intre faze
si
Daca sarcina este dezechilibrata, suma curentilor secundari este diferita de zero si:
(9.104)
Curentul
va circula prin firul
neutru.
Avantajul conexiunii primarului in triunghi este compensarea amper-spirelor pe fiecare miez al transformatorului. Astfel:
![]()
incat:
(9.105)
Curentii la iesirea invertorului vor fi:

Se observa ca:
(9.106)
indiferent de valoarea curentului
prin neutru.
In realitate curentilor primari trebuie sa li se adune si curentii de magnetizare, dar aportul lor poate fi neglijat pentru o constructie corecta a transformatorului.
Daca alimentarea trifazata in curent alternativ trebuie facuta cu fir neutru, fara a fi necesar un transformator, atunci se intrebuinteaza montajul din fig. 9.39, in care se impune utilizarea divizorului capacitiv de la intrare.

Fig. 9.39 Invertor trifazat cu divizor capacitiv la intrare
pentru asigurarea
alimentarii cu fir neutru.
Legatura
O-N face ca prin comanda comutatoarelor
dupa programul de
, sa
fie impuse tensiunile de faza
si
Se observa ca:
(9.107.a)
(9.107.b)
(9.107.c)
Tensiunile intre faze vor fi:
(9.108)
Valorile tensiunilor calculate cu relatiile (9.107) si (9.108) sunt date in tabelul 9.3.
Tabelul 9.3 Valorile tensiunilor de faza si intre faze
|
Intervalul |
Comutatoare in conductie |
|
|
|
|
|
|
|
|
|
|
|
|
|
|
|
|
|
|
|
|
|
|
|
|
|
|
|
|
|
|
|
|
|
|
|
|
|
|
|
|
|
|
|
|
|
|
|
|
|
|
|
|
|
|
|
|
|
|
|
|
Variatia in timp a tensiunilor este data in fig. 9.40. Valoarea efectiva a tensiunilor de faza este:
(9.109)
Daca
sarcina este dezechilibrata prin firul neutru va circula curentul
(9.112)
care va corespunde unui curent
in fiecare din
bratele divizorului capacitiv de intrare (fig. 9.39).

Fig. 9.40 Forme de
unda la iesirea invertorului trifazat cu divizor capacitiv la
intrare,
comandat dupa programul de
.
Pentru ca fluctuatiile tensiunii la bornele condensatoarelor C sa ramana neglijabile, valoarea capacitatii C trebuie aleasa:
(9.113)
unde:
este
valoarea efectiva a curentului in conductorul neutru
este pulsatia curentului
este tensiunea la bornele divizorului
capacitiv.
Ca si invertoarele monofazate cu tiristoare, cele trifazate pot fi cu stingere independenta sau cu stingere autonoma.
Invertoarele cu stingere (blocare) autonoma se impart in doua grupe, dupa locul condensatorului de stingere: pe fiecare faza sau intre faze.
In fig. 9.47 este prezentat un invertor de tensiune trifazat autonom cu blocare autonoma si condensator de blocare pe fiecare faza. Schema contine trei brate asemanatoare cu cele ale invertorului Bedford-Mc Murray (fig. 9.21). El poate fi comandat pe principiul 180° sau MID, pastrand dezavantajele invertorului monofazat de acelasi tip.

Fig. 9.47 Invertor de tensiune trifazat cu blocare autonoma si condensator de blocare pe fiecare faza.
Copyright © 2025 - Toate drepturile rezervate