Home - Rasfoiesc.com
Educatie Sanatate Inginerie Business Familie Hobby Legal
Meseria se fura, ingineria se invata.Telecomunicatii, comunicatiile la distanta, Retele de, telefonie, VOIP, TV, satelit




Aeronautica Comunicatii Constructii Electronica Navigatie Pompieri
Tehnica mecanica

Electronica


Index » inginerie » Electronica
» IMBUNATATIREA FACTORULUI DE PUTERE


IMBUNATATIREA FACTORULUI DE PUTERE


IMBUNATATIREA FACTORULUI DE PUTERE

1. Scopul lucrarii este masurarea factorului de putere, stabilirea cauzelor care determina valorile scazute ale acestuia. Se studiaza metode de imbunatatire a factorului de putere.

2. Consideratii teoretice

Factorul de putere se defineste ca fiind raportul dintre puterea activa si puterea aparenta transferata pe la bornele unui circuit:



(1)

Pentru circuitele monofazate in regim sinusoidal factorul de putere este:

(2)

Din relatia se observa ca, la tensiune constanta, aceeasi putere activa poate fi transferata unui consumator la diverse valori ale curentului, in functie de valorile factorului de putere (fig. 1: ).

a)

b)

Fig.1

Valoarea minima a curentului necesar pentru a obtine puterea activa P, la U = cst., corespunde unui factor de putere maxim, cosφ = 1, adica atunci cand U si I sunt in faza (φ = 0), deci puterea reactiva () este nula.

Daca cos φ este mic, aceeasi putere P se transfera consumatorului la un curent mare, ceea ce determina:

cresterea pierderilor de putere activa RlI2 in linia de alimentare a consumatorului. (Daca s-ar mentine I mare ar insemna micsorarea lui , adica marirea sectiunii S a conductoarelor, adica consum de material).

reducerea posibilitatilor de incarcare a generatoarelor electrice, transformatoarelor si liniilor de transport si distributie.

Factorul de putere se poate masura direct cu cosφ- metrul sau indirect, masurand P, U, I si calculand .

O metoda de compensare a factorului de putere este de a produce energie reactiva (cu condensatoare) cat mai aproape de consumatori, evitandu-se circulatia acesteia prin liniile electrice ale retelei.

Se considera un consumator monofazat care absoarbe de la sursa o putere P, la tensiunea U, curentul I, cu un factor de putere cosφ (fig.2). Daca se leaga in paralel cu consumatorul un condensator C, curentul total absorbit de sursa este .

Fig.2

Fig.3

Din figura 3 se observa ca , rezultand , iar puterea P este aceeasi .

Capacitatea condensatorului care trebuie conectat in circuit pentru a obtine o compensare totala se calculeaza cu relatia:

(3)

Daca compensarea este partiala (subcompensare).

Daca se realizeaza o supracompensare.

3. Partea experimentala

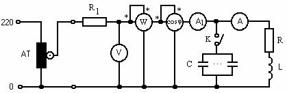
Se realizeaza montajul cu schema din figura 4 in care se cunosc: Rl = 105Ω, R = 250Ω, L = 0,1H

Fig.4

Cu intrerupatorul K deschis, se citesc indicatiile aparatelor si se trec in tabelul 1. Se calculeaza cu relatia (3) valoare capacitatii condensatorului care trebuie conectat in circuit pentru a obtine o compensare totala.

Se fixeaza condensatorul la valoarea obtinuta din calcul si se inchide intrerupatorul K. Se obtine o compensare totala. Se citesc indicatiile aparatelor si se trec in tabelul 2.

Se reduce valoarea capacitatii C si se citesc indicatiile aparatelor care se vor trece in tabelul 2. Se obtine o compensare partiala (subcompensare).

Se mareste capacitatea condensatorului C, facandu-se citiri de pe aparatele de masura si se trec in tabelul 2. S-a obtinut in acest caz o supracompensare.

Tabelul 1

U

[V]

I

[A]

P

[W]

cosφ

sinφ

Q

[VAr]

S

[VA]

[W]

Ccalculat

[F]

Tabelul 2

Cconectat

[F]

U

[V]

I1

[A]

I

[A]

P

[W]

cosφ

sinφ

Q

[VAr]

S

[VA]

[W]

IC

[A]

4. Concluzii:

Se compara pierderile de putere activa pe linie in cele trei situatii.





Politica de confidentialitate





Copyright © 2025 - Toate drepturile rezervate