![]() | Aeronautica | Comunicatii | Constructii | Electronica | Navigatie | Pompieri |
| Tehnica mecanica |
Majoritatea constructorilor electronisti, amatori sau profesionisti i-si doresc echipamente electronice audio complexe-cat maisimplu de realizat. Instalatiile in acest fel sunt deosebit de necesare in lantul audio de redare siamplificare a sunetului, ele corectand cu mare exactitate in mai multe puncte bine determinate amplificarea sau atenuarea semnalului util. In general, egalizatorul grafic are la baza folosirea filtrelor de tip LC,greu de realizat.
Schema electrica a egalizatorului este prezentata in figura 1

Caracteristicile lui sunt
-Spectru audio impartit in 10 puncte utile de lucru,in fiecare din ele corectia facandu-se liniar.Acestea sunt f1=31,25Hz , f2=62,5Hz , f3=125Hz , f4=250Hz f5=500Hz , f6=1kHz , f7=2kHz , f8=4kHz , f9=8kHz , f10=16kHz.
|
-Tensiune de intrare Ui=1V |
-Tensiune de iesire Ue=1V |
|
-Impedanta de intrare Zi=10Kohm |
-Impedanta de iesire Ze=1Kohm |
|
-Factorul de distorsiuni<0.02% in banda audio |
-Amplificarea +12dB |
|
-Atenuarea -12dB |
-Tensiune de alimentare diferentiala,+/-15v stabilizata |
|
-Curent absorbit: maxim 25mA |
Semnalul utilaplicat la intrare obtinut la iesirea unui amplificator audio, este preluat de Cl11, in conecsiunea neinversoare si cu amplificare unitara(raportul rezistentelor R64,R62 este 1) si cedat celor zece fregvante de lucru, fiecare reprezentant cate un filtru trece banda, avand la baza cate un Cl cu reeactie negativa. Se observa ca toate filtrele sunt identice intre ele, atat sub aspectul schemei cat si al componentelor folosite pe fiecare celula de filtrare, deosebirea constand in valoarea condensatorilor ele aflanduse in raport de 10:1. Semnalele obtinute pe rezistentele R51-R60, insumate si amplificate in scopul compensarii caderilor de tensiune ce au loc in fiecare filtru trece-banda, rolul condensatorului de iesire C22 fiind de a extinde cat mai mult limita superioara a benzii audio. Cablajul egalizatorului este prezentat in fig2 la scara 1:1 unde sau folosit circuite integrate de tip M324.
![]()
Cablajul potentiometrelor vazut dinspre plartea placata (mono)

|
Lista de piese | |
|
Cl1-Cl12 A741(mono) sau M324(stereo) | |
|
R1-R10,R31-R40-10Kohmi | |
|
R21-R30-2.2Kohmi | |
|
R11-R20 ,R41-R50-1Mohm | |
|
R51-R60,R62,R64,R65-100Kohmi | |
|
R61-11Kohmi |
|
|
R63-22Kohmi | |
|
P1-P10 100Kohmi liniar | |
|
C1-470nF |
C12-5.6nF |
|
C2-180nF |
C13-560nF |
|
C3-18nF |
C14-2,7nF |
|
C4-100nF |
C15-270nF |
|
C5-10nF |
C16-1.5nF |
|
C6-47nF |
C17-150nF |
|
C7-4,7nF |
C18-680pF |
|
C8-22nF |
C19-68pF |
|
C9-2.2nF |
C20-330pF |
|
C10-12nF |
C21-33pF |
|
C11-1,2nF |
C22-4,7uF |
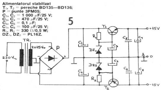
Sursa de alimentare
Tensiunea necesara functionarii egalizatorului grafic stereo este diferentiala +/-15v si se obtine de la un transformator ce furnizeaza in secundar 2x15Vca. Aceasta tensiune este redresata apoi intr-o prima etapa filtrata, stabilizata si din nou dublu redresata, pentru a nu permite fluctuatii de tensiune in timpul functionarii montajului. Pentru o mai buna stabilitate a alimentarii se recomanda ca T1si T2 sa fie pereche.

Cablajul sursei de alimentare

Mentionez ca datele au fost preluate din revista Tehnim 2/1988
Copyright © 2025 - Toate drepturile rezervate