![]() | Aeronautica | Comunicatii | Constructii | Electronica | Navigatie | Pompieri |
| Tehnica mecanica |
Dispozitive semiconductoare in regim de comutatie
Functionarea dispozitivelor semiconductoare de putere in regim liniar genereaza pierderi. Majoritatea circuitelor din electronica de putere se caracterizeaza prin utilizarea dispozitivelor semiconductoare in regim de comutatie, cu doua stari distincte: conductie si blocare, caracterizate prin putere disipata redusa. Corespunzator, valoarea instantanee a marimii controlate (tensiune, curent sau putere) va avea o variatie in trepte. In cele mai multe cazuri se doreste o variatie continua a marimii. Daca marimea reglata trebuie sa fie sub forma continua, atunci la iesirea convertorului trebuie sa se introduca elemente cu rol de stocare a energiei (inductante si condensatoare), Aceste elemente actioneaza ca un filtru trece jos.
Analiza matematica a convertoarelor electronice se face utilizand functia de comutatie s(t), descrie starea convertorului si determina raportul dintre tensiunea de iesire a etajului de putere si tensiunea de intrare.
S(t)=ue(t)/ui(t)
Gradul de modulatie instantaneu m(t) reprezinta valoarea filtrata a marimii de iesire raportata la valoarea sa maxima. m(t)=uefiltru(t)/Umax
Pentru a se obtine o anumita tensiune de iesire este necesar ca functia de comutatie sa fie modulata cu m(t): u (t) u (t) s(t,m(t))
Pe de o parte este de dorit ca frecventa de comutatie a dispozitivelor semiconductoare sa fie cat mai mare deoarece: • filtrarea marimii de iesire este imbunatatita,• energia stocata in filtrul de iesire, la aceeasi putere de iesire, va fi mai mica (similar costul filtrului mai mic). • la frecvente de comutatie de peste 15 kH apare avantajul suplimentar al functionarii fara zgomot acustic.
Utilizand comutatia soft-comutatia DSC la tensiune/curent zero (cea mai eficienta metoda de crestere a frecventei de comutatie). A dus la aparitia unei noi clase de convertoare electrice=convertoare electrice cu comutatie soft.
DSC functioneaza pe principiul controlului purtatorilor de sarcina electrica: - pentru ca un DSC sa intre in conductie sau sa se blocheze, este nevoie sa se acumuleze, respectiv sa se extraga o anumita sarcina electrica in/din baza, prin urmare timpii de comutatie si pierderile de putere depind direct de acest proces. O anumita cantitate de energie este stocata si in elementele parazite ale DSC (capacitatile de iesire si inductantele parazite ale conexiunilor). Aceste energii stocate se pierd in timpul procesului de comutatie. • Interferentele electromagnetice si radiatiile parazite cresc proportional cu puterea si viteza de comutatie.
O regula practica stabileste ca frecventa de comutatie variaza invers cu puterea convertorului electric. Pentru gama de puteri cuprinsa intre 1 kW si 100 kW, se poate utiliza formula aproximativa: (Pxf)=(1…3)x108 VA/s
Caracteristicile comutatiei hard
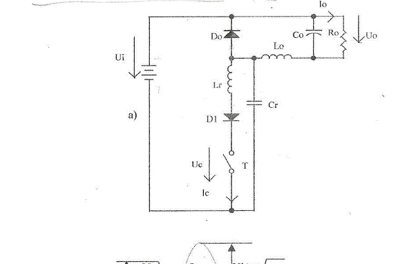
Pentru a realiza frecvente mari de comutatie este necesara minimizarea pierderilor de putere printr-o strategie de comutatie in care schimbarea starii unui dispozitiv semiconductor se face exclusiv in momentul in care tensiunea sau curentul sunt zero. Aceasta strategie utilizeaza o anumita forma de rezonanta a unui circuit oscilant LC, convertoarele electrice fiind clasificate, in sens larg, in clasa convertoarelor rezonante (cu comutatie soft). Analiza comutatiei hard, in scopul compararii cu comutatia soft, se face utilizand modelul unui variator de cc coborator de tensiune

se presupune functionarea convertorului in regim de curent neintrerupt, •pentru intervalele scurte ale comutatiei curentul prin inductanta de filtrare L0 poate fi considerat constant, • inductanta parazita Lp este prezentata concentrat,
nterior aplicarii comenzii in conductie a tranzistorului T, curentul de sarcina I0 se inchide prin dioda de fuga Dfsarcina R0- inductanta de filtrare L0, • dupa aplicarea comenzii in conductie, curentul prin T incepe sa creasca cu o panta determinata de caracteristicile sale si de comanda in poarta, tensiunea pe T fiind data de relatia: u(t)=L(di/dt)
- tensiunea pe T incepe sa scada din momentul in care curentul atinge valoarea de varf Icmax=I0+I inv dioda. • -la blocare, tensiunea pe T incepe sa creasca dar Ic=I0 cat timp uc≤Ui. Cand uc=Ui dioda se polarizeaza direct si curentul Ic incepe sa scada. Datorita lui Lp apar supratensiunile care determina Ucmax.
Concluzie: pentru sarcini inductive cu diode de fuga, DSC este supus unui stress simultan de tensiune si curent mare, in ambele faze de comutatie (fig. 2.1-b). • Comutatia hard reprezinta metoda de comutatie efectuata astfel incat, la intrarea in conductie, panta de crestere a curentului sa fie limitata exclusiv de caracteristicile dispozitivului semiconductor iar la intrarea in blocare, DSC este supus simultan la tensiune maxima si curent maxim.
Caracteristicile comutatiei soft
Comutatia soft reprezinta metoda de comutare a unui DSC efectuata prin utilizarea adecvata a unui circuit oscilant astfel incat una din fazele ciclului de comutatie sa fie complet lipsita de pierderi (trecerea prin zero pentru u sau i) iar cealalta faza sa se faca sub tensiune sau curent substantial reduse.
Modificarea formelor de unda ale tensiunii si curentului la comutatie determina - reducerea pierderilor de comutatie si - cresterea randamentului, fiabilitatii, frecventei de comutatie, - imbunatatirea dimensiunilor echipamentelor (echipamente mici), dinamicii reglajului, zgomotului acustic, - interferentele electromagnetice sunt reduse deoarece scad pantele tensiunii si curentului.
O proprietate specifica comutatiei soft este descarcarea automata si fara pierderi a circuitelor de degrevare prin recircularea energiei intre elementele pur reactive in cadrul unui proces cu caracter rezonant.
Exista trei variante de comutatie soft: • Comutatia de tip ZCS (Zero Current Switching), • Comutatia de tip ZVS (Zero Voltage Switching), • Comutatia de tip ZVT (Zero Voltage Tranzition).
Observatii: • Pentru crearea unui mediu de comutatie soft comutatorul ZCS trebuie inclus intr-un circuit exterior care sa se comporte capacitiv pentru a prelua energia inductantei Ls, iar comutatorul ZVS intr-un circuit inductiv, pentru descarcarea condensatorului. • la comutatia soft se pierde un grad de libertate in comanda, adica la ZCS timpul de comanda in conductie poate fi ales liber, respectiv la ZVS timpul de blocare poate fi de asemenea ales liber, restul timpilor (blocare la ZCS, conductie la ZVS) depind de circuit. Acesta este un neajuns care face ca domeniul de aplicabilitate al comutatiei soft sa fie limitat.
Analiza comutatiei soft






Tranzistorul MOSFET
Dispozitiv semiconductor modern, cu lungimi ale portii de 1 μm. Este alcatuit din celule MOSFET legate in paralel.

Structura interna MOSFET
Se poate considera ca un rezistor comandat in tensiune, deoarece IGS micsoreaza rezistenta dintre drena si sursa.
Functionarea MOSFET: se analizeaza pe baza caracteristicii statice ID=f(UGS)UDS
Uth- tensiunea de prag,
Cat timp UGS< Uth-MOSFET este blocat. Uth=3 V (tipic).
In practica se asigura UGS=12-15 V astfel incat sa se minimizeze caderea de tensiune directa UDS. In conductie UDS aproximativ proportional cu ID
Pentru ca nu exista purtatori minoritari, rezistenta creste rapid pe masura ce tensiunea inversa atinge valori de sute de volti.
Prin constructia sa, MOSFET are o jonctiune pn echivalenta cu o dioda in antiparalel. Aceste diode nu sunt rapide, cand sunt polarizate direct (UDS<0) pot conduce cel mult curentul nominal al MOSFET.
Rezistenta in conductie si tensiunea directa se caracterizeaza prin αR>0, ceea ce permite legarea in paralel a MOSFET-urilor.
Regimul dinamic al MOSFET se ppoate studia cu circuitul echivalent, in care sunt evidentiate capacitatile corespunzatoare. Timpii de comutatie sunt determinati de timpii necesari circuitului de comanda in poarta pentru incarcarea acestor condensatoare.
De pe caracteristica statica se observa ca variatia lui ID depinde de viteza de incarcare a lui CGS de catre circuitul de comanda.
CDS este legata de pirderile de comutatie in convertoarele PWM pentru ca energia stocata este pierduta la intrarea in conductie a MOSFET.
Datele de catalog: tensiunea maxima, curentul mediu, rezistenta in conductie, sarcina prin poarta Qg-reprezinta sarcina pe care trebuie s-o furnizeze circuitul de comanda in poarta pentru a creste UGS de la 0 la 10 V, pentru o valoare specificata a UDS in stare blocata.
Qg=Qcgs+Qcgd,
Selectarea MOSFET de obicei nu se face dupa curent, ci mai degraba dupa RON si influenta ei asupra pierderilor in conductie.
Timpii de comutatie sunt in general cuprinsi intre 50 si 200 ns.
Tranzistorul IGBT.
De de a aparut IGBT?
Un dezavantaj major al MOSFET-ului este dat de faptul ca densitatea de curent a lui este doar o ciincime din cea a unui tranzistor bipolar echivalent (putin din structura sa este utilizata pentru stabilirea caii de curent). MOSFET devine foarte scump cand se doresc tensiuni inverse mari si rezistente in conductie mici.
O posibilitate o reprezinta conexiunea Darlington dintre MOSFET si Tranzistorul bipolar.
De ce? Avantaje:1. utilizare mai buna a materialului semiconductor decat daca ar fi doar MOSFET, 2. comanda simpla in tensiune.
Dezavantaje: dispozitiv mai incet la blocare.
IGBT este un dispozitiv semiconductor cu patru straturi semiconductoare pnpn si poarta MOS.
Rezistenta in conductie este mica, tensiunile de blocare sunt mari (600-1700 V), tensiunile in conductie 2-4 V.
Timpii de blocare sunt cuprinsi intre 0,5 si 5 μs, fata de numai 0,1 μs la MOSFET. La IGBT la blocare apare “coada de curent”, detrminata de timpul necesar anularii curentului i2, specific tranzistorului bipolar.
Convertoarele PWM cu IGBT-uri pot functiona cu frecvente cuprinse intre 1 si 30 kHz.
Tensiunea de comanda UGE≥12 V, tipic UGE=15 V astfel incat tensiunea UCE sa fie mica, cuprinsa intre 2 si 4 V. Daca tensiunile aplicate pe poarta sunt sub 12 V, tensiunea de iesire creste dramatic, mai ales la curenti mari. Daca UGE<10 V, IGBT-ul functioneaza in zona liniara si se supraincalzeste rapid (UCE foarte mare). Pentru amentine o valoare scazuta a UCE, UGE trebuie sa fie peste 12 V.
Circuite de Comanda in Poarta (Drive Circuit)
Circuitele de comanda in poarta realizeaza legatura dintre functia de comutatie (provenita de la circuitul digital sau analogic) si un dispozitiv semiconductor de putere.
Circuitul de comanda in poarta si dispozitivul semiconductor formeaza impreuna un cuadripol.
Portul de intrare: are o functie de comutatie de mica putere, notata cu q(t).
Portul de iesire: - daca functia de comutatie este pe nivel ridicat, cuadripolul se comporta ca un scurtcircuit,
daca functia de comutatie este pe nivel scazut, atunci se comporta ca un circuit deschis.
Intre cele doua porturi nu exista legatura electrica.
Toate dispozitivele semiconductoare (mai putin dioda) necesita semnale de comanda corecte:
tiristorul: se comanda prin impuls de curent care sa determine IT>IH
tranzistorul: tensiunea bazei trebuie mentinuta ridicata pe tot intervalul pe care tranzistorul este in conductie.
GTO: are nevoie de impulsuri de comanda atat pentru intrarea in conductie, cat si pentru blocare.
Caracteristicile Circuitelor de Comanda in Poarta
- circuitul de comanda in poarta influenteaza performantele dispozitivului semiconductor pe care il comanda→proiectarea circuitului trebuie sa fie buna, astfel incat sa fie rapid, eficient si fiabil. Circuitele de comanda in poarta determina viteza de comutatie si pierderile in dispozitivele semiconductoare de putere.
- un circuit de comanda ideal functioneaza cat se poate de repede, nu utilizeaza energie si este prevazut cu functii de protectie si izolare galvanica.
- dupa marimea de comanda, circuitele de comanda in poarta pot fi:
a) comandate in tensiune: MOSFET, IGBT, MCT,
b) comandate in curent: tranzistorul bipolar.
Circuite de Comanda in Tensiune
Analizarea circuitului se face pe baza modelului simplificat al MOSFET
Functionarea este data de incarcarea si respectiv descarcarea capacitatii de intrarea sursa comuna Ciss, unde:
Ciss=CGS+CGD
- CGS-capacitatea grila-sursa,
- CGD- capacitatea grila-drena.
Comanda de intrare in conductie a tranzistorului MOSFET este data de polaritatea corecta si valoarea tensiunii UGS
Tensiunea de prag UTH reprezinta valoarea minima a tensiunii UGS care determina trecerea curentului de la drena la sursa. In practica se alege UGS≥2UTH
De pe caracteristica de iesire ID=f(UDS UGS se observa ca functionarea nu este fiabila daca tensiunea de comanda este prea mica (egala cu UTH), tranzistorul functioneaza in regiunea activa si determina pierderi in conductie foarte mari, care in timp pot determina distrugerea MOSFET.
Comanda motorului asincron
1. Modelul motorului asincron trifazat utilizand teoria fazorilor spatiali


Transformarea ecuatiilor marimilor statorice scrise in sistemul trifazat intr-o singura ecuatie, utilizand fazorii spatiali.


Ecuatia fazorului tensiunii statorice scrise in sistemul mobil:

Ecuatia fazorului tensiunii rotorice (egala cu zero in cazul rotorului tip colivie scurtcircuit), in sistemul mobil:
![]()

Ecuatiile masinii asincrone, in sistemul mobil, sunt date de:

In format compact, sistemul de ecuatii se poate scrie ca:

Strategii de comanda ale motorului asincron
Timp de 100 de ani dupa inventia sa, motorul asincron a fost utilizat doar ca o masina functionind la turatie constanta. Progresele din domeniul electronicii de putere au facut ca, incepand cu anii 60, motorul sa fie utilizat si la turatii variabile. Dezvoltarea tehnologiei digitale a creat posibilitatea implementarii de algoritmi de comanda complecsi, conducand la performante dinamice ridicate.
Controlul corect al cuplului reprezinta un aspect important al tuturor strategiilor de comanda.
Ecuatia cuplului poate fi dedusa pe baza puterii masinii, si poate fi exprimata in functie de fazorii spatiali ai tensiunii si curentului. Cuplul motorului este proportional cu puterea mecanica si invers proportional cu turatia rotorica.
Expresia cuplului electromagnetic:
![]()

unde δ reprezinta unghiul dintre fazorii spatiali ai fluxului statoric si rotoric.
Controlul scalar foloseste ecuatiile simplificate rezultate din modelul general al masinii utilizand fazorii spatiali (rel. 8). Modelul foloseste doar amplitudinile fazorilor si frecventele lor corespunzatoare. Ecuatiile simplificate sunt valabile doar la functionarea in regim stationar. In consecinta, controlul scalar este simplu dar genereaza un raspuns slab in regim tranzitoriu.
Prin contrast, controlul vectorial functioneaza direct pe baza modelului masinii reprezentate prin fazorii spatiali, si implementeaza ecuatiile date de relatia 10. De aceea, furnizeaza rezultate bune atat in regim stationar cat si in regim tranzitoriu. Algoritmii de control vectorial includ atat orientarea dupa camp cat si orientarea directa dupa cuplu (DTC). Teoria orientarii dupa camp a fost dezvoltata de cercetatorii de la Siemens, incepand cu anii 1968-1969. De atunci, cercetatori din intreaga lume si-au adus contributia la dezvoltarea ei.
Turatia motorului la u moment dat este cea mai importanta informatie pentru o aplicatie cu algoritm de control al vitezei. Dupa cum rezulta din clasificarea strategiilor de comanda, exista doua posibilitati de a calcula turatia:
1. utilizand traductor de turatie,
2. calculand turatia pe baza marimilor de natura electrica ale masinii.
Cele doua metode se pot folosi atat la controlul scalar cat si la controlul vectorial, dar in cel de-al doilea caz se raspunsul dinamic este mai bun.
Interesul pentru controlul de tip sensorless (fara traductor de turatie) a aparut din considerente practice, unde se cere un control de foarte buna calitate, dar traductorul de turatie ori este greu de utilizat, din motive tehnice, sau este prea scump. Controlul masinii asincrone de tip sensorless reprezinta un domeniu de cercetare de actualitate.
Controlul scalar
Controlul scalar utilzeaza amplitudinea tensiunii statorice Us =2/3|us| si frecventa statorica fs ca si marimi de intrare, si da rezultate bune in regim stationar si regim tranzitoriu lent. Strategia se bazeaza pe variatia tensiunii statorice Us si a frecventei statorice fs dupa o functie Us = f(fs), astfel incat cuplul disponibil maxim sa fie mare (si aproape constant) pentru toata gama de valori a pulsatiei statorice ωes
In regim stationar fluxul rotoric are amplitudinea constanta. Ecuatia tensiunii rotorice, in coordonate rotorice este:
![]()
La frecvente joase, rezistenta statorica are o influenta importanta asupra curentului statoric si conduce la diminuarea cuplului maxim (care depinde de curentul statoric), cu efecte negative asupra functionarii motorului. Efectul rezistentei statorice asupra cuplui masinii poate fi contracarat prin cresterea tensiunii statorice, dar rezulta o ecuatie neliniara, greu de implementat.
De aceea, amplitudinea tensiunii statorice este definita de relatia 12. Aceasta solutie aproximativa nu furnizeaza un cuplu maxim perfect constant, dar restrictioneaza variatia lui intr-o plaja ingusta.

Turatii peste valoarea nominala a frecventei pot fi obtinute marind frecventa statorica, dar in acest caz tensiunea statorica este mentinuta constanta la valoare UsMAX. Ca efect, cuplul maxim disponibil descreste (fiind invers proportional cu patratul frecventei), si turatii foarte ridicate nu se pot obtine cu aceasta metoda (cuplul poate fi diminuat cu pana la 25% pentru o frecventa de 100 Hz). Controlul scalar in bucla deschisa se implementeaza utilizand relatia 12, in acest mod se obtine un control aproximativ al turatiei, dar efectele variatiei cuplului de sarcinanu pot fi compensate datorita lipsei de informatie specifica unei bucle de reglare. Se poate realiza o compensare a variatiei frecventei de alunecare astfel incat turatia rotorica sa fie egala cu turatia de referinta pentru cele mai frecvente valori ale cuplului de sarcina
Controlul vectorial
Strategiile bazate pe control vectorial utilizeaza modelul masinii asincrone descris pe baza fazorilor spatiali, pentru a comanda corect turatia si cuplul atat in regim stationar cat si in regim tranzitoriu rapid.
Performantele dinamice obtinute prin utilizarea strategiilor bazate pe control vectorial egaleaza performantele dinamice ale actionarilor motoarelor de curent continuu.
In categoria strategiilor bazate pe control vectorial intra:
metoda orientarii dupa camp,
controlul direct al cuplului (DTC)
La randul ei metoda orientarii dupa camp poate fi:
cu orientare dupa fluxul rotoric,
cu orientare dupa fluxul din intrefier
cu orientare dupa fluxul statoric.
In fiecare dintre cele trei cazuri, axa reala a sistemului de referinta (axa d) este orientata dupa directia indicata de fluxul magnetic corespunzator.
Orientarea dupa fluxul rotoric are cea mai simpla schema de control si genereaza raspuns tranzitoriu foarte rapid.
Orientarea dupa fluxul rotoric
In cazul orientarii dupa fluxul magnetic rotoric, vectorul acestui flux are partea imaginara zero, si in acest caz expresia cuplului devine:



Orientarea dupa fluxul statoric si cel din intrefier
In acest caz ecuatiile motorului asincron pot fi scrise sub forma

Controlul direct al cuplului
In cazul masinii alimentate prin intermediul unui invertor PWM vectorul fluxului rotoric Ψr este mai filtrat decat cel al fluxului statoric si de aceea fazorul fluxului rotoric se roteste mai uniform. Rotirea fazorului spatial al fluxului statoric, dictata de tensiunea statorica, este discontinua dar viteza medie este aceeasi cu a fazorului fluxului rotoric in regim stationar. Controlul direct al cuplului se bazeaza pe relatia 10.c). In consecinta,
cuplul este controlat prin modificarea unghiului δ dintre cei doi fazori de flux. Orice implementarea a controlului de tip DTC contine o bucla de control a fluxului si respectiv una de control a cuplului. Valoarea de referinta a cuplului este controlata de un regulator de turatie, in timp ce fluxul de referinta este detreminat in functie de turatia de referinta ωref
Scheme de control vectorial de tip „sensorless”
Metodele de estimare a turatiei pentru motoarele asincrone se bazeaza pe posibilitatea de a calcula turatia rotorului in functie de curentii si tensiunile statorice. In acest fel traductorul de turatie (ca element fizic) este inlocuit de un modul de tip software sau hardware care realizeaza calculele necesare. Relatia dintre tensiune si curent este influentata atat de turatia motorului cat si de parametrii infasurarilor. Acesti parametrii se modifica in timpul functionarii motorului datorita temperaturii si saturatiei magnetice. In consecinta, procedeul de estimare a parametrilor in timp real trebuie sa fie implementat impreuna cu algoritmii de estimarea a turatiei pentru asigura rezultate corecte in conditii diferite de functionare. Metode matematice complexe s-au elaborat pentru a integra estimarea turatiei cu procesul de estimare in timp real a parametrilor, si pentru a obtine acuratete ridicata si independenta de modificarea parametrilor. Aceste metode combina principiul clasic al orientarii dupa camp cu filtrele Kalman extinse, observatorii Luenberger, retelele neuronale si logica fuzzy. O abordare diferita utilizeaza efectele saturarii rotorului asupra curentilor si tensiunilor statorice sau efectele parazite care provin din structura discreta a infasurarii rotorului colivie. In aceste doua cazuri, curentii statorici contin armonici care depind de turatia rotorica asa incat transformata Fourier este implicata in calculul turatiei. Majoritatea metodelor sunt mai precise la turatii ridicate decat la turatii joase. Ca rezultat, cea mai mica turatie la care sistemul lucreaza corect reprezinta un indicator de performanta ridicat.
Metoda orientarii naturale dupa camp (NFO), inventata si patentata de compania suedeza NFO Control AB este una dintre cele mai simple si mai eficiente strategii de comanda de tip sensorless .
NFO deriva din controlul orientat dupa fluxul statoric si poate fi implementata atat pe sistemele cu traductor de turatie cat si pe cele fara traductor de turatie. Cel mai bine metoda este pusa in valoarea la functionarea de tip sensorless. Esenta acestui tip de control consta in aceea ca amplitudinea fluxului statoric nu este calculata prin integrare, ca in cazul orientarii dupa fluxul statoric. Fluxul este setat in bucla deschisa ca o marime de referinta, si poate fi modi ficat in caz de slabire de camp
Regulatoarele de curent
Un invertor MID controlat in curent si avand frecventa de comutatie de ordinul kilohertilor poate functiona ca o sursa de curent reglabila, avand posibilitatea unui raspuns dinamic bun si unui continut redus de armonici. Este cel mai utilizat convertor de putere in domeniul puterilor mici si medii al actionarilor electrice de mare performanta. Invertoarele MID, prin natura lor, sunt surse de tensiune si conversia pentru functionarea ca surse de curent necesita control in bucla inchisa, cu semnale de reactie provenite direct de la curentii alternativi controlati. Traductoarele de curent de pe bucla de reactie trebuie sa aiba latime de banda suficienta, de la cea mai mica frecventa fundamentala care trebuie controlata, la o frecventa situata undeva deasupra frecventei purtatoare MID. In fig. 1 este prezentata schema de principiu a sistemului.
De obicei, doar doua traductoare de curent sunt utilizate deoarece, avand neutrul izolat, suma celor trei curenti trebuie sa fie zero. Este de fapt avantajos sa utilizam doar doua traductoare de curent pentru a evita semnalele de eroare continand o componenta de secventa zero rezultand din erorile de traductor. Curentii care se obtin reproduc curentii de referinta cu oscilatii MID de mare frecventa supraimpuse.
In comparatie cu convertoarele de tensiune MID in bucla deschisa, convertoarele MID comandate in curent au urmatoarele avantaje:
Controlul curentului instantaneu cu mare acuratete;
Protectie impotriva curentilor de varf;
Rejectia suprasarcinii;
Dinamica foarte buna;
Compensarea efectelor datorate modificarii parametrilor sarcinii (rezistente si reactante);
Compensarea caderii de tensiune pe semiconductor si a “timpilor morti” ai convertorului;
Compensarea modificarilor de tensiune pe partea de curent alternativ.
In timp ce cerintele legate de traductoarele de curent si realizarea de regulatoare bune inseamna un efort de cercetare considerabil, raspunsul excelent si continutul redus de armonici al acestui sistem MID fac din el cea mai buna sursa reglabila de curent disponibila in prezent.
Principala sarcina a partii de comanda din cadrul convertorului MID cu regulator de curent este de a forta curentii alternativi ai sarcinii sa urmareasca valorile impuse. Comparand valorile de referinta ia*(t), ib*(t), ic*(t) cu valorile instantanee masurate ia(t), ib(t), ic(t), regulatorul de curent genereaza starile de comutatie pentru dispozitivele semiconductoare ale convertorului astfel incat sa scada erorile de curent ea(t), eb(t), ec(t). In concluzie, regulatorul de current implementeaza doua functii: compensarea erorii (scaderea valorilor ea(t), eb(t), ec(t)) si modularea (determinarea starilor de comutatie ale dispozitivelor seminconductoare). Aceste doua functii sunt cerute oricarui tip de regulator de curent.
Cerinte de baza si criterii de performanta
Acuratetea regulatorului de curent poate fi evaluata tinand cont de cerintele de baza, cu caracter general, precum si de cerinte specifice, tipice pentru anumite tipuri de aplicatii. Cerintele de baza ale unui regulator de curent sunt:
erori de faza si amplitudine zero (“urmarire” ideala a semnalului de referinta) pentru o gama larga de frecvente de iesire;
sa determine raspuns dinamic ridicat al sistemului;
frecventa de comutatie limitata sau constanta pentru a garanta functionarea sigura a dispozitivelor semiconductoare de putere ale convertorului;
continut scazut de armonici;
utilizare buna a tensiunii din circuitul intermediar de curent continuu.
Este de notat ca unele dintre cerinte, cum ar fi raspunsul rapid si continutul redus de armonici, sunt contradictorii.
Criteriile specifice legate de comanda motoarelor de curent alternativ, respectiv a motorului asincron, sunt urmatoarele:
gama larga a frecventelor de iesire;
tensiune de iesire variabila ;
dinamica ridicata;
structura de comanda separata pentru componentele d si respectiv q ale curentului.
Evaluarea regulatorului de curent poate fi facuta in functie de criteriile de performanta, care includ performante statice si dinamice. La randul lor, performantele statice pot fi impartite in doua grupe:
1. criterii valabile si pentru convertoarele MID in bucla deschisa;
1. criterii specifice convertoarelor MID cu regulator de curent, bazate pe definitia erorii de curent.
Criteriile din prima grupa au fost deja definite la tratarea functionarii invertorului MID in bucla deschisa. Criteriile statice specifice invertoarelor MID cu regulator de curent sunt urmatoarele:
. valoarea efectiva a fazorului de eroare a curentului
Copyright © 2026 - Toate drepturile rezervate