![]() | Aeronautica | Comunicatii | Constructii | Electronica | Navigatie | Pompieri |
| Tehnica mecanica |
Microcentrale de pardoseala
1. - cu combustibil gazos - cu boiler de acumulare pe acm
- cu camera deschisa si tiraj natural
Schema hidraulica BITHERM 35 / 80
- functionare pe incalzire
1. camera de evacuare gaze arse,
2. supapa de siguranta,
3. supapa de sens,
4. vas expansiune boiler (nu face parte din furnitura),
5. supapa siguranta boiler (nu face parte din furnitura),
6. boiler acm,
7. robinet de golire,
8. anod de magneziu,
9. vas expansiune incalzire,
10. robinet incarcare,
11. robinet golire cazan,
12. rampa de gaz,
13. electrovana de gaz,
14. arzator,
15. corpul cazanului,
16. manometru,
17. dezaerator automat,
18. pompa de incalzire,
19. pompa de boiler,
20. termostat de fum.
functionare pe acm
Corpul schimbatorului primar este din fonta, elementii fiind asamblati prin presare, cu niple dublu conice din otel, pe partea hidraulica.
Boilerul de acm are capacitatea de 80 litri, este un boiler special construit pentru aceasta aplicatie, corpul din fonta al schimbatorului termic fiind asezat deasupra boilerului.
Elementul de comanda a regimului de functionare (incalzire sau acm) este termostatul de boiler, acesta asigurand si prioritatea pe acm.
Stabilirea regimului de functionare se face prin pornirea / oprirea pompelor de circulatie in functie de necesarul de caldura.
Vasul de expansiune si supapa de siguranta ale boilerului (pozitiile 4 si 5 din schema) nu sunt livrate in furnitura standard. Se recomanda supapa de 1' la 6 bari si vas de expansiune de minim 8 litri cu presiunea minima de lucru de 8 bari.
Anodul de magneziu are rolul de a preveni coroziunea peretelui interior al boilerului. La nivelul suprafetei de contact intre apa si anodul de magneziu se produc descarcari electrice prin acumularea de sarcini electrostatice, descarcari care au drept efect smulgerea atomilor de magneziu din anod si trecerea lor in apa. Prin urmare anodul de magneziu se consuma in timp. Intrucat polaritatea acestor sarcini electrostatice este inversa decat a celor care apar intre peretii de otel ai boilerului si apa, consumarea anodului de magneziu elimina posibilitatea de coroziune a peretilor boilerului. Cand anodul de magneziu este complet consumat aceasta protectie nu mai exista. Rezulta ca anodul de magneziu trebuie controlat periodic si inlocuit atunci cand este cazul. Intrucat durata in care se consuma anodul nu poate fi estimata (gradul de coroziune depinde si de compozitia chimica a apei, debitul apei, starea suprafetei de protectie interioara etc.) se recomanda ca, dupa punerea in functiune a centralei, la 6 luni sa se verifice dimensiunile anodului si, in functie de procentul care a fost consumat (prin comparatie cu dimensiunile initiale) sa se calculeze o perioada de inlocuire a anodului de magneziu, pe toata durata de viata a centralei.
Boilerele au protectie interioara cu strat de email, presiunea maxima suportata fiind de 5 bari. Daca presiunea de retea este mai mare se va monta un reductor de presiune, pe intrarea de apa rece.
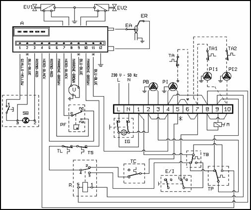
Schema electrica BITHERM 35/80
Arzatorul este intr-o treapta (bobinele EV1 si EV2; EV1 - vana de siguranta).
Blocul electronic A indeplineste urmatoarele functii:
- urmareste starea termostatului de siguranta si blocheaza arzatorul in cazul depasirii temperaturii de 100 gr.C. Becul conectat pe bornele 4, 6 se aprinde. Resetarea avariei se face apasand butonul R, accesibil de pe panou.
- primeste comanda de aprindere din schema electrica (tensiune de 220 Vac pe pinul 3) si da scanteia pe electrodul de aprindere.
- contine blocul de detectie a curentului de ionizare (in caz de probleme la aprindere se blocheaza arzatorul, identic ca in cazul interventiei Ts).
- asigura comanda celor doua bobine ale vanei de gaz (EV1 si EV2),
Cat timp intrerupatorul general IG este inchis blocul este alimentat cu tensiunea de retea pe pinii 1 si 2.
FA este un filtru de retea pentru atenuarea perturbatiilor electrice produse in blocul electronic in faza de aprindere.
TP este termostatul de protectie la inertie termica. Cat timp temperatura pe cazan este sub valoarea reglata pe TP, acesta asigura functionarea pompei de boiler prin contactul normal inchis al termostatului de boiler (TB). Daca se depaseste aceasta valoare, TP comuta, porneste pompa de boiler direct (faza retelei electrice se ia direct din borna L) si o mentine in functiune pana cand valoarea temperaturii scade sub valoarea de comutare a TP.
Termostatul de limita asigura functionarea arzatorului si dupa ce a declansat termostatul de cazan dar numai la functionarea pe acm. (prin contactul inchis al termostatului de boiler).
Comanda blocului de aprindere / ionizare este supravegheata si de cele doua contacte inseriate ale termostatului de limita (TL) si termostatului de fum (TF). Orice interventie a unuia dintre termostate opreste imediat functionarea arzatorului.
Exista, insa o diferenta semnificativa intre cele doua. Termostatul de limita intervine la 85 gr. C, opreste arzatorul, dar la revenirea temperaturii sub 85 gr. C contactul se inchide si arzatorul revine in functionare. Termostatul de fum intervine atunci cand, datorita unor probleme pe canalul de evacuare a gazelor arse, temperatura in zona compensatorului de tiraj depasesete valoarea de aproximativ 60 gr.C. In acest caz contactul nu mai revine in pozitia inchis decat dupa resetarea manuala a termostatului, chiar daca intre timp temperatura a revenit in limite normale.
Schema electrica desfasurata
2. varianta cu camera inchisa si tiraj fortat
1. corpul din fonta, G - intrare gaz,
2. vas de expansiune pe incalzire, R - intrare de la returul instalatiei,
3. dezaerator automat, M - iesire catre turul instalatiei,
4. arzator, C - racord pompa de
5. rampa de gaz, recirculare pe acm,
6. vana de gaz, U - iesre apa calda,
7. ventilator, E - intrare apa rece.
8. pompa de incalzire,
9. pompa pentru boiler,
10. boiler acm,
11. robinet de golire instalatie,
12. supapa de siguranta pe incalzire,
13. robinet de incarcare,
14. vas de expansiune pe acm,
15. supapa de siguranta pe acm,
16. anod de magneziu,
17. robinet de golire boiler,
18. supapa de sens,
Kit optional pentru o zona suplimentara de incalzire:
19. supapa de sens zona 2,
20. pompa de circulatie zona 2
Schema electrica BITHERM BF
EV1 - bobina de siguranta a vanei de gaz,
EV 2 - bobina de lucru a vanei de gaz,
A - aparatura de comanda si supraveghere a flacarii,
EA - electrod de aprindere,
ER - electrod de ionizare,
PB - pompa de circulatie pe boiler,
PI - pompa de circulatie pe incalzire,
TA - termostat de ambient,
PI1-PI2 - pompe de circulatie pe zone de incalzire,
TA1-TA2 - termostate de ambient pe zone de incalzire,
IG - intrerupator de retea,
M - bobina de presiune mare a vanei de gaz,
TS - termostat de siguranta,
TL - termostat de limita,
TC - termostat de cazan,
TB - termostatul de boiler,
E/I - comutator vara/iarna,
TP - termostat antiinertie,
R - releu de comutare regim de functionare,
PF - presostat de gaze arse,
SB - buton afisare / resetare avarie.
Panoul de comanda
Buton ON / OFF,
Bec semnalizare avarie / Buton de reset,
Comutator vara - iarna,
Termostat de fum,
Manometru,
Termometru,
Termostat de limita,
Termostat de boiler (setare temperatura acm in boiler),
Termostat de incalzire (setare temperatura pe agent de incalzire).
Microcentrala BITHERM (varianta de 26 KW) are posibilitatea cresterii presiunii de gaz (puterii) atunci cand functioneaza pe acm. Vana de gaz este in doua trepte, dar treapta a II -a este folosita numai la prepararea acm in boiler. Astfel la trecerea termostatului de boiler TB in pozitia de preparare acm (pozitia figurata in schema de mai sus) tensiunea de retea (faza) de pe contactul comun trece pe conectorul 9 al regletei si alimenteaza atat bobina M a vanei de gaz (bobina de treapta a II a) cat si bobina releului R.
Anclansarea releului comuta comanda arzatorului (conectorul 10 de pe automatul de ardere) de pe termostatul de cazan (contactul 2 - 4 al releului), direct pe faza de la retea, prin contactul termostatului de boiler la borna 1 a regletei (contactul 4 - 3 al releului). In acest caz controlul arzatorului se va face prin termostatul de limita inseriat pe linia de comanda a blocului de ardere, impreuna cu termostatul de fum.
Termostatul de fum intervine atunci cand apare o problema pe canalul de evacuare a gazelor de ardere (infundarea partiala sau totala a cosului). Din constructie, Tf este cu memorare mecanica a defectului, deci revenirea in functionare se face numai dupa resetarea manuala a acestuia.
Termostatul de limita intervine cand temperatura in centrala depaseste 85 gr.C. Arzatorul este, deci oprit de termostatul de limita la 85 gr.C sau de termostatul de boiler cand s-a indeplinit conditia de temperatura dorita a apei din boiler.
Din schema se vede ca si in cazul functionarii pe incalzire, pe linia de comanda a arzatorului, este inseriat termostatul de limita dar oprirea / pornirea arzatorului este controlata de termostatul de cazan TC care trebuie sa aiba temperatura maxima de declansare mai mica decat cea a termostatului de limita (85 gr. C).
Respectand aceiasi logica, rezulta ca termostatul antiinertie TP, trebuie sa aiba temperatura de declansare mai mare decat cea a termostatului de limita.
Interventia termostatului TP duce la pornirea pompei de boiler, direct, independent de starea termostatelor TB si TC sau de regimul de functionare. Disiparea caldurii din corpul centralei se face in apa calda din acumularea de acm.
Microcentrale de pardoseala pe gaz natural, cu schimbator din fonta:
|
PRODUCATOR |
MODEL |
PUTERE [Kw] |
DEBIT ACM [l/min] |
COD ROMSTAL |
|
SIME |
BITHERM 26/80 CE | |||
|
SIME |
BITHERM 35/80 CE |
34SM0044 |
||
|
SIME |
LOGO 32 OF |
- |
34SM0045 |
|
|
SIME |
LOGO 32 / 80 OF |
34SM0046 |
NOTA:
* la modelul BITHERM vasul de expansiune si supapa de siguranta pe acm (pozitiile 4 si 5) nu sunt livrate in furnitura standard.
* Modelul BITHERM, la puterea de 26 KW, se construieste si in varianta cu camera inchisa de ardere si tiraj fortat.
* Modelul LOGO se livreaza si in varianta fara preparare acm - cod 34SM0045.
* LOGO este echipat cu un arzator cu preamestec total de aer, avand urmatoarele avantaje:
- ardere cu emisie redusa de noxe,
- randament marit,
- arzator cu modulatie de putere,
- aprindere
electronica,
- posibilitatea cuplarii cu o unitate de control la distanta (LOGICA REMOTE CONTROL).
* LOGO este echipat cu placa electronica identica cu a microcentralei PLANET.
1. panoul de comanda,
2. supapa de sens,
3. dezaerator automat,
4. pompa de boiler,
5. pompa de incalzire,
6. robinet de incarcare,
7. anod de magnaziu si flansa de vizitare a boilerului,
8. robinet de golire boiler,
9. boiler acm,
10. robinet de golire instalatie,
11. distribuitorul de gaz,
12. arzator pilot,
13. vana de gaz,
14. presostat de minim gaz,
15. transformator de aprindere.
Arzator cu preamestec total de aer
Se observa ca, in partea inferioara, camera de ardere este etansata, aerul putand sa patrunda in camera de ardere doar prin capatul din fata al tuburilor de ardere, in zona duzei prin care gazul trece din distribuitorul de gaz in camera de ardere.
Amestecul astfel format nu va mai fi influentat de aerul secundar. Acest lucru permite controlul mult mai exact al excesului de aer in camera de ardere (se poate observa imediat, cu un gazanalizor, ca procentul de oxigen in gazele de ardere este mult mai mic decat la arzatoarele clasice).
Microcentrala de pardoseala AQUA PLUS - Hermann
Regim acm
Regim incalzire
Setarea parametrilor de functionare
Microcentrala AQUA PLUS beneficiaza de structura constructiva a microcentralelor murale Hermann (EURA, SUPERMICRA), avand urmatoarele caracteristici specifice:
- vana cu trei cai motorizata,
- vana de incarcare cu electromagnet dar cu comanda manuala (exista un buton de comanda pe panou care atat timp cat este apasat, vana se mentine deschisa.
- schimbator primar din cupru, la fel ca cele murale,
- un set de parametri selectabili prin cablare pe placa electronica, valoarea lor (ON sau OFF) fiind stabilita prin scurtcircuitarea (stare ON) sau desfacerea (stare OFF) a doi pini de pe placa cu ajutorul unei punti (jumper):
- JP1: ON - functionare pe GPL,
OFF - functionare pe gaz metan.
- JP2: ON - pompa de incalzire functioneaza tot timpul, in regim de incalzire.
OFF - pompa de incalzire este anulata pe regimul de incalzire. Setarea este utila atunci cand se monteaza o pompa externa, mai mare.
- JP3: ON - domeniul de reglare al temperaturii de iesire pe agent primar este 30.40 gr.C.
OFF - domeniul este 3080 gr.C.
- JP4: ON - intarzierea la reaprindere a arzatorului este de 3 minute.
OFF - intarzierea este anulata.
- JP5: ON - temperatura maxima pe agent primar, in faza de preparare acm, este de 75 gr.C.
OFF - temperatura este cu 5 grade C mai mare decat temperatura setata pe acm (setare necesara in cazul unei duritati mari a apei din retea)
JP6: ON - acm se prepara in boiler cu serpentina.
OFF - acm se prepara in acumulator (cu scimbator in placi).
Microcentrale de pardoseala pe combustibil lichid
SOLO - numai incalzire
DUETTO - incalzire + acm instantanee
1. corpul cazanului
2. manometru
3. dezaerator
4. pompa de circulatie
5. vana deviatoare
6. robinet de incarcare
7. fluxostat
8. supapa de siguranta
9. schimbator acm
10. vas de expansiune
11. robinet de golire
12. arzator pe motorina
AQUA - incalzire + acm in acumulare
1. corpul cazanului
2. manometru
3. dezaerator
4. pompa de incalzire
5. pompa de boiler
6. supapa de sens
7. vas de expansiune pe acm
8. supapa de siguranta pe acm
9. anod de magneziu
10. robinet de golire
11. vas de expansiune pe incalzire
12. robinet de golire cazan
13. robinet de incarcare
14. supapa de siguranta cazan
15.arzator pe motorina
16. boiler acm 100 l
G - intrare gaz,
R - intrare de la returul instalatiei,
M - iesire catre turul instalatiei,
C - racord pentru montarea unei pompe de recirculare pe acm,
U - iesre apa calda,
E - intrare apa rece.
NOTA
Modelul SOLO, in cele trei variante, este utilizat numai pentru incalzire.
Toate cele trei modele sunt echipate cu arzatoare pe motorina fabricate de firma RIELLO.
Alimentarea cu motorina

Racordul de retur se poate conecta in bazinul de alimentare cu motorina sau, printr-un teu, direct in racordul de aspiratie. Pe retur se evacueaza diferenta de debit intre iesirea pompei si consumul nominal al duzei. Este interzisa blocarea returului, intrucat apar suprapresiuni la iesirea pompei si aceasta se poate distruge. De asemenea este interzisa functionarea in gol (fara motorina) a pompei, motorina asigurand si ungerea mecanismelor mobile interioare.
Nu este recomandata modificarea presiunii de iesire a pompei de motorina, fiind reglata de producator in jurul valorii de 10 bari. Presiunea se va masura cu manometru cu scala de cel putin 20 bari prevazut cu un racord cu filet standard, pentru toate tipurile de pompe.
Pozitia corecta a electrozilor fata de duza

Schema electrica SOLO
TC - termostat de cazan,
TS - termostat de siguranta,
IG - intrerupator general,
TA - termostat de ambianta,
SB - bec semnalizare avarie arzator,
P - pompa de circulatie,
A - blocul de comanda al arzatorului,
F - fotocelula pentru supravegherea flacarii,
VG - bobina vanei de motorina,
M - motor ventilator + pompa motorina,
R - rezistenta preincalzitorului de motorina,
TR - termostatul de temperatura minima a motorinei.
Conexiunea intre panoul de comanda al microcentralei si automatul de comanda al arzatorului se realizeaza prin patru conductoare:
verde-galben: firul de priza de pamant al retelei electrice,
albastru: nulul retelei electrice - conectat permanent,
maro: faza retelei electrice - firul de comanda al pornirii / opririi centralei.
negru: comanda pentru aprinderea lampii SB, in caz de avarie a arzatorului.
Pornirea arzatorului are loc ori de cate ori faza retelei de alimentare electrica ajunge pe firul maro al arzatorului. Pentru a putea porni arzatorul, trebuie indeplinite urmatoarele conditii:
1. Comutatorul IG sa fie inchis (cazan pornit),
2. Contactul termostatului de ambient TA sa fie inchis (temperatura in ambient sa fie mai mica decat valoarea setata de beneficiar),
3. Contactul termostatului de cazan sa fie in pozitia c - 1, adica temperatura in apa cazanului sa fie mai mica decat cea setata,
4. Contactul termostatului de siguranta sa fie inchis, adica temperatura apei din cazan sa fie sub 100 gr.C.
In cazul in care nu se monteaza un termostat de ambient, intre conectorii 4 si 5 ai regletei de conexiuni a centralei trebuie sa existe o legatura electrica permanenta (strap).
Deconectarea TA opreste atat arzatorul cat si pompa de circulatie, iar deconectarea TC opreste numai arzatorul.
Antiinertie: pe contactul 2 al termostatului de cazan se porneste pompa de incalzire atunci cand temperatura in cazan este mai mare decat cea reglata pe TC, independent de pozitia termostatului de ambient.
Schema electrica DUETTO
TS termostat de siguranta,
SB semnalizare blocare arzator,
E/I intrerupator vara / iarna,
TA termostat de ambient,
VP fluxostat acm,
TC termostat de cazan,
TL termostat de limita,
IG intrerupator general,
VD vana deviatoare cu servomotor,
P pompa de circulatie,
B arzator pe motorina,
RE releu de comutare a regimului de functionare,
TM termostat de minim,
F fotorezistenta,
VG vana de motorina arzatorului,
M motorul ventilatorului,
R preincalzitor motorina,
A automatul de ardere.
Schema electrica AQUA
Comutarea regimurilor de functionare (acm / incalzire) este stabilita prin starea termostatului de boiler TB si a releului RE. Controlul temperaturii maxime pe cazan se face prin termostatul de cazan, TC, pentru incalzire, si prin termostatul de limita, TL, pentru preparare acm.
Pe contactul ND al termostatului de limita se activeaza pompa de boiler, fara sa mai depinda de starea termostatului de boiler (regim antiinertie).
Utilizand
o microcentrala de pardoseala se pot construi instalatii cu mai multe zone de
incalzire controlabile independent, prin termostate de ambient pe fiecare zona.
In acest caz se scoate din circuit pompa de circulatie pe incalzire, de pe centrala, circulatia agentului termic fiind asigurata de pompele de circulatie de pe zone. Cele trei pompe de zona sunt comandate de termostatele de ambient corespunzatoare fara sa aiba legatura cu comanda arzatorului centralei (arzatorul functioneaza dupa temperatura apei din centrala, reglata din termostatul de pe panou si evident, conditionat de elementele de siguranta: termostat de siguranta, de fum, fotocelula arzatorului).
Din punct de vedere al necesarului de caldura, intr-o locuinta pot fi identificate trei zone:
- zona de zi: living, sufragerie, birou. Temperatura de ambient medie, recomandata = 20 gr. C
- zona de noapte: dormitoare. Ta = 17 gr.C,
- zona anexelor: bucatarii, holuri, anexe: Ta = 15 gr.C
Intrucat pompele de zona sunt comandate independent, exista momente in care pot functiona toate pompele simultan, doua, una sau nici una. Acest lucru duce la existenta unor debite de apa variabile prin schimbatorul centralei ceea ce constituie chiar cererea de caldura a cladirii, la un moment dat. Cand functioneaza toate pompele (ceea ce inseamna ca in toata cladirea este frig, deci o cerere mare de caldura) debitul mare de apa prin schimbator (suma debitelor de pe cele trei zone) nu va putea fi incalzit la temperatura reglata pe panou intr-un timp scurt, deci centrala va functiona timp mai mult.
Cand functioneaza o singura pompa, debitul de apa este redus deci va fi adus la temperatura dorita mult mai rapid; centrala functionand in intervale de temperatura mult mai scurte.
Exista necesitatea unei protectii la supratemperatura: pornirea directa a pompei de boiler in cazul interventiei termostatului antiinertie.
Lista microcentralelor de pardoseala, cu combustibil lichid
|
PRODUCATOR |
MODEL |
PUTERE [Kw] |
DEBIT ACM [l/min] |
COD ROMSTAL |
|
SIME |
SOLO 20 |
34SM0036 |
||
|
SIME |
SOLO 30 |
34SM0037 |
||
|
SIME |
SOLO 40 |
34SM0038 |
||
|
SIME |
DUETTO 30 |
34SM0039 |
||
|
SIME |
AQUA 30 |
34SM0040 |
||
|
SIME |
AQUA 40 |
34SM0041 |
Microcentrale si cazane in condensatie
1. ARDEREA
Se stie ca, in cea mai mare parte, combustibilii utilizati in mod curent in centralele termice, sunt compusi a doua elemente chimice de baza: carbon (simbol C) si hidrogen (simbol H).
Exemple: C H - gaz metan,
C H propan
In compozitia combustibilior mai pot fi intalniti, ca impuritati si in cantitati destul de mici, atomi de sulf (S) s.a. In amestec cu aerul din atmosfera (de fapt cu oxigenul din aer, in proportie medie de 21 %) gazul devine inflamabil si, intr-o camera de ardere in care a fost data o scanteie de aprindere, se declanseaza o serie de reactii cu degajare de caldura.
Principalele reactii chimice sunt:
- 2 C + O = 2 CO (monoxid de carbon),
Monoxidul de carbon este inca un gaz inflamabil si mai poate intra in reactie cu oxigenul:
- 2 CO + O = 2 CO (bioxid de carbon),
- C + O = CO
Pe langa acestea mai au loc si unele reactii secundare intre elementele constituite de impuritati sau de alti compusi ai aerului (ex. Azot (N) - 71 %), rezultand, in general, gaze toxice (noxe): oxizi de azot (NOX), oxizi de sulf (SOX). Reactiile se pot descrie, la modul general, prin formulele de mai jos. Arderea completa are loc atunci cand in amestecul aer/combustibil, prezent in camera de ardere, exista suficient oxigen. Formulele de mai jos descriu reactiile generale care au loc intr-o camera de ardere in conditiile in care exista oxigen (deci aer) suficient in amestec - formulele 1 si 2 - si cand nu exista oxigen suficient - formulele 3 si 4.
In aceasta incinta, unde reactiile
de mai sus au loc la temperaturi mari (aproximativ 1400 gr. C)
se intalnesc si moleculele de hidrogen din combustibil cu cele de oxigen din aer, rezultatul fiind apa (H O).
In cadrul reactiei 2 se vede ca una din componentele rezultate este apa.
2. VAPORIZAREA
Evident ca apa rezultata, la temperatura de 1500 gr.C, nu poate rezulta decat sub forma de vapori. Vaporii respectivi pleaca din camera de ardere odata cu gazele de ardere, pe cos. Dupa cum iarasi este cunoscut, pentru a aduce apa din stare lichida in stare de vapori (fenomenul de vaporizare) trebuie consumata o cantitate de caldura (vezi principiul motorului cu aburi).
Rezulta, logic, ca vaporii de apa 'pleaca' pe cos cu o parte din cantitatea de caldura produsa in camera de ardere (caldura latenta inmagazinata in vaporii de apa). Pentru combustibil gazos, aceasta cantitate de caldura se poate masura destul de exact si este general acceptat procentul de 10 - 12 %.
In aceste conditii, este normal sa vorbim de doua cantitati de caldura produse in cadrul unui proces de ardere.
1. cantitatea de caldura totala care se produce prin arderea completa a unei cantitati de combustibil si care inglobeaza si caldura pierduta in vaporii de apa din gazele de ardere. In cazul acesta putem vorbi de puterea calorica superioara a combustibilului.
2. cantitatea de caldura efectiva care participa la realizarea transferului de caldura catre agentul termic, fara sa ia in calcul si pierderea de caldura in vaporii de apa din gazele de ardere si, in acest caz putem vorbi de puterea calorica inferioara a combustibilului.
Daca raportam un proces de ardere a unui metru cub de gaz metan, la cele doua puteri calorifice, evident ca obtinem doua randamente diferite ale arderii. Aproape inutil sa mai spunem ca toti producatorii de microcentrale , declara randamentul echipamentelor raportandu-se la puterea calorica inferioara a combustibilului.
3. CONDENSATIA
Daca aducerea apei din stare lichida in stare de vapori (vaporizarea) se face cu aport de energie, fenomenul invers, de trecere din stare de vapori in stare lichida (condensatia), este evident ca are loc cu eliberare de energie (caldura). Deci, prin condensarea totala a vaporilor din gazele de ardere, se cedeaza aceiasi cantitate de caldura cheltuita in procesul de vaporizare, adica 10 - 12 % din caldura produsa prin arderea gazului.
Fenomenul de condensatie a vaporilor de apa are loc atunci cand gazele de ardere evacuate din camera de ardere, intalnesc un mediu avand temperatura mai mica decat temperatura de condensare a apei (temperatura "punctului de roua"). Aceasta temperatura are valoarea de 5455 gr.C. Tinand cont ca gazele de ardere la iesirea din microcentrala au temperatura de peste 100 gr.C (pana la 160 gr. C, in functie de puterea momentana a arzatorului, de tipul camerei de ardere si de tipul echipamentului), condensarea va avea loc pe peretele cosului, incepand din zona unde acesta are temperatura sub temperatura punctului de roua sau la iesirea gazelor in atmosfera, daca cosul este bine izolat.
Este evident ca, in aceasta situatie, caldura latenta inmagazinata in vaporii de apa este cedata mediului pe care are loc condensatia, respectiv peretilor cosului sau aerului atmosferic.
Principiul microcentralelor in condensatie se bazeaza pe crearea conditiilor de condensatie a vaporilor din gazele de ardere in zona schimbatorului primar al microcentralei, astfel incat caldura eliberata sa fie recuperata in agentul primar care circula prin schimbator. Daca in aceasta zona are loc condensarea totala a vaporilor putem fi siguri ca am recuperat din gazele de ardere 1012 % din caldura produsa in camera de ardere, prin urmare o microcentrala in condensatie va avea un randament cu cel putin 10 % mai mare decat una clasica (cu arzator atmosferic).
Diferentele in ceea ce priveste randamentul unei microcentrale clasice (cu arzator atmosferic)
fata de una in condensatie sunt date schematic in figurile de mai jos.
Puterea termica totala poate fi asimilata, de fapt cu cantitatea de caldura produsa in camera de ardere a microcentralei prin arderea unui volum standard de combustibil, in conditii ideale (ardere completa si recuperare totala a caldurii). Din aceasta cantitate de caldura, utilizatorul microcentralei foloseste, pentru incalzire, numai cantitatea de caldura preluata efectiv de agentul primar care trece prin schimbator si cedata apoi, aerului din spatiul care trebuie incalzit.
Diferenta dintre cele doua valori o reprezinta pierderile de caldura iar raportul dintre puterea termica utila si puterea termica totala reprezinta randamentul microcentralei.
Exista trei categorii de pierderi:
1. Pierderi la cos: cantitatea de caldura pierduta prin eliminarea gazelor de ardere in exterior (gazele rezultate din ardere pleaca din camera de evacuare cu temperatura de peste 100 gr.C). Aceste pierderi depind de tirajul cosului, excesul de aer in camera de ardere, tipul constructiv de arzator, amestecul aer/gaz, etc.
2. Pierderi locale: cantitatea de caldura care trece in incaperea in care este montata microcentrala direct din camera de ardere. Depinde de: constructia (forma, gradul de izolare) camerei de ardere, temperatura mediului in care este montata microcentrala, gradul de ventilatie al incaperii etc.
3. Pierderi datorate caldurii latente in vaporii de apa din gazele de ardere (10..12 %). Aceste pierderi care, in cazul unei centrale clasice trec in atmosfera iar in centralele in condensatie sunt recuperate si devin caldura utila, reprezinta principala diferenta intre aceste categorii de microcentrale.
O alta diferenta majora este tipul arzatorului utilizat: arzatoare atmosferice in cazul microcentralelor clasice si arzatoare cu preamestec total de aer si debite reglabile, in mod automat, atat pe aer si gaz (ventilator cu turatie variabila si vana de gaz cu comanda electro / pneumatica).
Centrale clasice
Centrale in condensatie
Realizare constructiva
Principiul de functionare descris mai sus, impune, ca realizare practica, urmatoarele modificari fata de centralele clasice (figura de mai jos):
- datorita condensului rezultat, chiar pe elementele microcentralei este necesara realizarea schimbatorului primar si a camerei de ardere din otel inox (se stie ca apa rezultata din condensare are un caracter puternic coroziv (acid).
- reglarea continua a debitului de aer se face prin existenta unui ventilator cu turatie variabila, comandat printr-un convertizor static de frecventa (tensiunea de alimentare are frecventa variabila, comanda realizandu-se printr-un semnal de curent continuu (010 V) din placa electronica.
- reglarea presiunii vanei de gaz se face pneumatic, printr-o legatura directa intre camera etansa (camera de aspiratie a ventilatorului) si camera membranei de reglaj a presiunii de pe vana de gaz.
- condensul produs trebuie colectat si eliminat la canalizare printr-un sifon special care sa nu permita trecerea aerului din exterior in camera de ardere.
Schimbatorul primar este constituit dintr-o teava din inox cu sectiunea dreptunghiulara, spiralata, sub forma unui cilindru separat in doua camere de un perete din material rezistent la temperatura (fibroceramica). Camera din fata este camera de ardere, in care se gaseste arzatorul iar camera din spate este camera de condensare. Teava schimbatorului este parcursa de apa din instalatie din spate catre fata (in spate se racordeaza returul instalatiei, in fata turul).
Caldura produsa in camera de ardere este preluata de serpentina schimbatorului la trecerea gazelor de ardere printre spirele acesteia. Gazele de ardere din exteriorul serpentinei nu sunt dirijate direct catre cos (in acest caz centrala ar fi fost una clasca, fara condensatie) ci sunt obligate ca, in drumul catre evacuarea in atmosfera, sa mai treaca odata printre spirele schimbatorului, din exterior catre camera de condensare.
In acest punct, daca se asigura conditii de producere a fenomenului de condensare a vaporilor de apa din gazele de ardere, se obtine recuperarea cantitatii de caldura, direct pe serpentina schimbatorului.
Gazele de ardere trec apoi spre cos fara vapori de apa si la o temperatura mult redusa.
Asigurarea conditiilor de producere a condensului in zona camerei de condensare inseamna, de fapt un singur lucru si anume, existenta unei temperaturi pe serpentina schimbatorului primar mai mica sau egala cu "temperatura punctului de roua" adica sub 55 gr.C (pentru a asigura o condensare totala a vaporilor de apa conditia reala este ca temperatura pe agentul primar sa fie mai mica de 50 gr.C).
Intrucat controlul temperaturii agentului primar nu se poate face pe returul instalatiei (in acest punct temperatura de intoarcere a apei depinde de temperatura mediului ambient, de temperatura exterioara, de numarul de corpuri de incalzire active etc.) ci pe iesirea din schimbatorul primar, conditia de temperatura mai mica de 50 gr.C se transfera pe turul microcentralei.
In concluzie, conditia de functionare in condensatie totala a unei microcentrale este ca temperatura la iesirea schimbatorui primar sa nu depaseasca 50 gr.C.
Centrala functioneaza normal si la temperaturi mai mari, de ex. 85 gr.C, dar nu mai este microcentrala in condensatie ci una clasica, este adevarat, cu randament mult imbunatatit datorita arzatorului cu preamestec total de aer si ventilator cu turatie variabila.
Apare, in mod logic, ca principala aplicatie a microcentralelor in condensatie, instalatiile de incalzire in pardoseala, in care temperatura agentului prin tubulatura din pardoseala nu trebuie sa depaseasca 43 gr.C . In acest caz se va limita temperatura de iesire a microcentralei la 43 gr. C si nu mai sunt necesare bucle de reglare a temperaturii pe diferite zone de incalzire. Centrala va functiona la 80 gr.C numai in faza de preparare acm.
Din pacate, pentru regimul climatic al zonei noastre geografice, incalzirea in pardoseala nu poate acoperi necesarul de caldura al unei locuinte (temperatura la nivelul pardoselii nu poate fi crescuta peste valorile stabilite in standarde). Pentru o locuinta cu performante (grad de izolare) medii se constata ca ea poate fi incalzita, indiferent de tipul instalatiei de incalzire, cu temperaturi ale agentului primar mai mici de 50 gr.C, numai daca temperatura exterioara este mai mare de - 5 gr.C. Sub aceasta valoare, pierderea de caldura in exterior fiind mult mai rapida, este nevoie de temperaturi mai mari ale agentului primar, pentru a putea compensa in timp util pierderea de caldura. Altfel, timp de cateva ore dupa scaderea temperaturii exterioare, in ambient va avea loc o scadere a temperaturii sub valoarea de confort.
Pe instalatii cu corpuri de incalzire se pot folosi, dar este nevoie de redimensionarea (cresterea suprafetei) acestora (de aproximativ 34 ori) ceea ce devine si scump si inestetic.
Problema utilizarii microcentralelor in condensatie trebuie abordata dintr-un alt punct de vedere si se va vedea ca nu trebuie sa mai existe nici un fel de limtare a domeniului de aplicatie, acestea putand fi montate pe orice tip de instalatie.
Principala conditie este ca microcentralele in condensatie sa fie echipate cu sonda de temperatura exterioara si sa fie aleasa o curba de incalzire corespunzatoare.
Toate microcentralele in condensatie pe care le comercializeaza firma Romstal sunt echipate cu placi electronice sau regulatoare de temperatura suficient de inteligente pentru a indeplini aceste conditii.
Daca, pe exemplul familiei de curbe de incalzire de mai sus, se alege curba de incalzire
sau una apropiata de aceasta, centrala va functiona cu temperatura de iesire sub 50 gr.C (deci in condensatie totala), cand temperatura exterioara va avea valori peste - 5 gr.C.
Statistic vorbind, pentru un interval anual de incalzire (octombrie - aprilie) temperatura exterioara este superioara valorii de -5 gr.C in 65% din timp. Rezulta ca pe acest interval, centrala functionand in condensatie, se obtine o crestere de randament de aprox. 16 % (10% din condensare si 6% din constructia arzatorului) fata de o centrala clasica. Pe intervalul de temperatura sub - 5gr. C centrala nu functioneaza in condensatie, rezultand o crestere de randament de 6% datorata constructiei arzatorului.
Putem aproxima o crestere maxima de randament de 12% pe durata intregului an fata de cazul in care se utilizeaza o centrala clasica.
O centrala in condensatie mai prezinta, pe langa acest avantaj, si altele:
- include toate facilitatile oferite de o aplicatie cu reglarea automata a temperaturii de ambient si a temperaturii agentului primar in functie de temperatura exterioara,
- beneficiaza de schimbator de caldura, camera etansa, arzator din inox, deci cu durata mai mare de viata,
- mult mai putin sensibila la spalari chimice repetate, etc.
- include toate facilitatile necesare pentru a functiona sub supravegherea unui regulator climatic automat (termostat de ambient, sonda de temperatura exterioara si curbe de incalzire, program zilnic si saptamanal de incalzire si acm etc.) ceea ce nu au toate microcentralele clasice.
Rezulta ca, daca prezentam centrala in condensatie cu o crestere de randament de 12 % in loc de 16 %, putem sa folosim aceasta centrala pe orice tip de instalatie, deja existenta sau pe una noua proiectata dupa aceiasi parametrii ca si in cazul microcentralelor clasice.
In figura urmatoare se prezinta modul de realizare al unei astfel de centrale.
Oferta Romstal pentru domeniul condensatiei este:
HERMANN EURA CONDENSING - incalzire + acm
EURA CONDENSING R - numai incalzire
SIME PLANET DEWY 25 BF, 30 BF
PLANET DEWY 25 BFT, 30 BFT - fara acm, se poate cupla cu un boiler dedicat - BT 100 - pentru acm.
VIESSMANN VITODENS 200 - putere 4 32 Kw, murala,
VITODENS 200 - putere 11 60 Kw, murala,
VITOCROSAL 300 - putere pana la 895 Kw, cazan
Copyright © 2026 - Toate drepturile rezervate
| Instalatii | |||
|
|||
|
| |||
|
| |||
|
|
|||