![]() | Aeronautica | Comunicatii | Constructii | Electronica | Navigatie | Pompieri |
| Tehnica mecanica |
GRUP SCOLAR ENERGETIC TIMISOARA
Proiect de specialitate in vederea obtinerii
certificatului de competente profesionale nivel 2
Calificarea: Lucrator in electrotehnica
POMPE UTILIZATE IN CENTRALELE TERMOELECTRICE
Functionarea unei centrale termoelectrice se bazeaza pe aplicarea practica al celui de al doilea principiu al termodinamicii. Fluidul termic este amestecul apa-abur care evolueaza intre doua surse, una calda situata in cazan, caldura fiind obtinuta prin arderea unui combustibil si a doua sursa este rece si este localizata in condensatorul centralei electrice. Sursa rece este apa de racire aflata in circuit separat fata de circuitul apei de alimentare a cazanului. Evolutia fluxului termic este compusa din incalzire izoterma, destindere adiabata, condensare izoterma si comprimare adiabata.
A fost propus de Sadi Carnot la inceputul secolului al XIX-lea. Este un ciclu termodinamic ideal, reversibil efectuat de un motor fara pierderi si frecari si care lucreaza ca un gaz perfect. Este conceput pentru a realiza un randament maxim.
In fig.1.1 este reprezentat acest ciclu in doua diagrame. Diferenta energiilor calorice Q1 - Q2 se transforma in lucrul mecanic Lmec.
|
|
BC: incalzire izoterma; CD: destindere adiabatica; DA:condensare izoterma; AB: compresie adiabatica. |
|
Fig.1.1 Evolutia fluxului termic in ciclul Carnot
Randamentul termic al ciclului este:
(2.11)
Necesitatea existentei sursei reci, deci si a caldurii cedate Q2 reduce marimea randamentului, care chiar in conditiile de ciclu ideal va fi limitat la hc < 50 %.
Ciclul Carnot parcurs invers este un ciclu generator folosit ca termen de comparatie pentru ciclurile reale ale masinilor frigorifice si a pompelor de caldura.
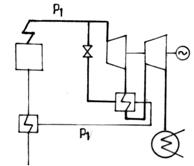
Tinand cont de proprietatile fluidelor reale, forma ciclului real se va modifica fata de cel ideal avand in vedere si procesul de fierbere reprezentat in fig.1.1. Noul ciclu obtinut, numit si ciclul Hyrn-Rankine este ilustrat in fig.1.3.a. Cu reprezentarea principalelor elemente ale centralei termoelectrice care localizeaza aceste evolutii ale fluidului, fig.1.3.b.
Conform cu notatiile din fig.1.3. punctul A se afla la temperatura de circa 70 C si presiunea redusa. Sub actiunea pompei de alimentare cu apa a cazanului PAC aceasta presiune creste adiabatic pana la A1 unde poate ajunge la 10 bari sau daca se doreste cresterea randamentului se poate functiona la 80 bari sau 180 bari.
La 10 bari fierberea incepe la 170 C, acesti parametri atingandu-se in punctul B. Cresterea temperaturii apei este realizata prin aportul caldurii cedate acesteia in preincalzitoarele regenerative ale apei de alimentare PRA, caldura obtinuta prin prelevarea de abur din prizele corpului turbinei T. La terminarea fierberii, localizata in punctul C, urmeaza o destindere a aburului, adiabatica si localizata in turbina.
Daca din C s-ar adopta aceasta destindere, in faza finala s-ar ajunge in C1, fig.1.3.a., ceea ce corespunde unei umiditati marite a amestecului apa-abur. Acest lucru dauneaza functionarii turbinei provocand la turatii mari ale acesteia fenomenul de cavitatie datorat titlului mare al amestecului apa-abur.
In corelatie si cu dorinta de marire a randamentului, deci de marire a suprafetei inchise in interiorul curbelor ilustrand transformarile fluidului termic, se procedeaza la o incalzire izobara, portiunea CD. Aceasta supraincalzire se realizeaza in supraincalzitorul S, situat in cazan in zona de radiatie maxima. Temperatura aburului corespunzatoare lui D este de 525 C. Valorile maxime sunt limitate de rezistenta mecanica a otelurilor din care sunt confectionate tevile fierbatoare ale cazanului. Peste aceste valori ale temperaturii se impune folosirea otelurilor supraaliate (austenitice), lucru ce mareste costul cazanului si introduce probleme suplimentare in exploatarea acestuia privind timpii de pornire si oprire.
Din punctul D, de la parametrii p1, T1 si i1 are loc destinderea adiabatica in turbina, ajungandu-se la parametrii p2, T2 si i2 corespunzator punctului E. Aceasta zona este caracterizata printr-o umiditate scazuta a aburului si se inlatura posibilitatea aparitiei cavitatiei paletelor turbinei. Destinderea este posibila datorita condensatorului Cd, unde apare condensarea vaporilor existenti in urma destinderii.
|
a) Diagrame de functionare |
|
b) Circuitul termic |
Fig.1.3. Diagramele de functionare si schema circuitului termic pentru o centrala termoelectrica
Se impune mentinerea unui vid inaintat si o temperatura redusa in condensator pentru favorizarea condensarii. Acest lucru se realizeaza cu un ejector Ej alimentat cu abur, respectiv prin circularea apei cu pompa de alimentare cu apa rece PAR. Aceasta va constitui sursa rece, apa fiind in circuit inchis sau deschis. Se ajunge la valori uzuale p2 = 0,03 0,07 bar, T2 = 30 C, s2 = 1,5 1,6 kcal/kg C, valori influentate de temperatura apei de racire.
Pompa de condensare Pcd repune condensatorul in circuitul principal.
Valorile parametrilor aburului in diferite momente ale evolutiei sunt in legatura cu puterea turbinei si cu metodele folosite pentru marirea randamentului circuitului termic.
In fig.1.4. se
exemplifica posibilitatile de realizare a unor circuite termice
pentru ciclul Rankine. Sunt reprezentate si destinderi politrope
finalizate in E' sau E" insotite de cresteri de entropie si
scaderi ale entalpiei, rezultand o micsorare a lucrului mecanic
conform si fig.1.3.b.

Fig.1.4. Realizari posibile de cicluri termice cu abur supraincalzit sau cu supraincalzitori intermediari.
Bilanturile de caldura evidentiaza modul de consumare a energiei calorice obtinuta prin arderea combustibilului cu precizarea aportului realizat prin incalzirea aerului din focar si prin preincalzirea apei de alimentare. Aceste bilanturi sunt specifice puterii blocului turbina - generator, tipul cazanului, a combustibilului folosit si a metodelor folosite pentru marirea randamentului termic.
In fig.1.5. se prezinta bilantul de caldura [1] in cazul unui generator de 230 MW, debitul cazanului fiind de 17,6 kg/s la 330 bar, 600 C. Carbunele folosit are o putere calorica de 23200 kJ/kg si temperatura gazelor de ardere de 120 C.
Randamentul energetic realizat este de 40,7%. Cazanele au randamente de 90%, iar turbinele se realizeaza cu randamente interne de 30 - 45%. Randamentul total general este determinat de randamentele realizate in instalatiile componente ale centralei.

Fig.1.5. Bilant energetic.
a) Randamentul cazanului hc este situat intre 75% - 90% si functie de caldura degajata prin arderea combustibilului Qa si cea pierduta in cazan Qc se exprima: hc = (Qo - Qc)/Qo. Pierderile de caldura in cazan se localizeza in gazele de ardere evacuate la cos sau prin arderi incomplete ale combustibilului, cat si in peretii cazanului prin conductibilitate si radiatie sau in zgura si cenusa evacuate calde.
b) Randamentul conductelor hcd este 98 99% si corespunde pierderilor de caldura prin suprafata izolatiei termice.
c) Randamentul ciclului termic ht sub cel teoretic de 50%.
Randamentul ciclului termic cu referire la notatile din fig.2.3. se calculeaza:
(2.13)
d) Randamentul termodinamic al turbinei htd este de 70
e) Randamentul mecanic al turbinei hm
f ) Randamentul generatorului hg
g) Randamentul transformatorului electric htr
h) CSI este consumul serviciilor interne din centrala situat intre 12
Imbunatatirea randamentului se poate realiza prin conceptia de proiectare si realizare a centralelor termoelectrice prin adoptarea de puteri unitare cat mai mari in conditiile de dimensionare rationala a instalatiilor componente. Se practica insa si metode de optimizare a randamentelor partiale realizand separat sau simultan marirea cantitatii de caldura Q1 intrata in circuit si micsorarea lui Q2 cedata in exterior prin condensator.
Marirea lui Q1 se obtine prin reducerea presiunii in condensator, preincilzirea apei de alimentare si folosirea termoficarii.
Ridicarea presiunii initiale a ciclului termic la temperatura constanta corespunzatoare fierberii, realizata prin dimensionarea corespunzatoare a pompelor de alimentare cu apa a cazanului, duce la modificari vizibile ale randamentului. In fig.1.6. se observa ca forma initiala 123456 a ciclului trece in forma 12'3'4'5'6' la marirea presiunii p1 castigandu-se pentru cresterea randamentul aria 33'4'5'4 si pierzandu-se aria 4566'.Partea nefavorabila a acestei masuri consta in terminarea destinderii adiabatice in punctul 6' caruia ii corespunde o umiditate a aburului mai mare decat in 6, cu urmari negative asupra ultimelor palete ale turbinelor supuse cavitatiei.

Fig.1.6. Modificarea ciclului Rankine la marirea lui p1 si T1.
Se prefera si marirea simultana a temperaturii aburului supraincalzit printr-o supraincalzire intermediara.
Cresterea presiunii p1 mareste puterea pompei de alimentare cu apa si scade deci randamentul general prin marirea consumului propriu al centralei.
Limita de crestere a presiunii p1 in conditia cresterii randamentului general este de 380 400 bar si a fost demult realizata. In fig.2.4. se prezinta cazul trecerii de la 10 bar la 80 bar, respectiv la 180 bar.
Cresterea presiunii p1 duce si la costul marit al cazanului, conductelor de inalta presiune si turbinei. La temperatura de 540 C la cresterea de la 140 bar volumul specific al aburului scade de la 1 la 0,755 m3/kg micsorandu-se deci diametrul conductoarelor de abur viu. Marirea presiunii p1 determina insa o micsorare a influentei pierderilor de presiune pe conductele dintre cazane si turbina asupra ciclului termic.
Fara supraincalzire intermediara si preincalzire regenerativa a apei de alimentare la t1=400 C trecerea de la p1=50 bar la p1=200 bar duce la o crestere a randamentului de la 37% la 42%. Pentru aceleasi cresteri ale lui p1 dar la t1=540 C se obtine o crestere a randamentului de cca. 7%.
Mentinand presiunea constanta, cresterea temperaturii initiale T1 si deci si a entalpiei i1 conform fig.1.6., deplaseaza punctul 5 in 5", randamentul crescand proportional cu cresterea suprafetei utile, adica 5"6"6.
Se obtine o micsorare pronuntata a umiditatii aburului corespunzator lui 6", dar se mareste cantitatea de caldura Q2 cedata apei de racire.
Cresterea randamentului la p1=ct. este aproape liniara cu cresterea temperaturii t1 [1]. De exemplu de la t1=425 trecand la t1=540 cresterea randamentului cu cca. 2% pentru p1=29 bar [1].
Cresterea temperaturii T1 duce la cresterea volumului specific al aburului si deci a scaderii rezistentei admisibile a otelurilor folosite pentru constructia tevilor fierbatoare. Se impune folosirea de oteluri cu proprietati termorezistente marite. Otelurile carbon se folosesc pana la cca. 420 . Peste aceasta temperatura se vor utiliza slab aliate cu crom, vanadiu si molibden. Intre 540 C si 570 C se folosesc oteluri puternic aliate austenitice. Acest lucru mareste mult pretul de cost al cazanului si impune multe restrictii in exploatarea acestuia.
Se utilizeaza cresterea simultana a lui p1 si T1 obtinandu-se deplasarea lui 34 in 3'4', urmata de cresterea temperaturii din 5' in 5''' si deci ajungerea dupa destinderea adiabatica tot in 6, conform fig.1.6.
Cresterea suprafetei utile a circuitului este 33'4'5'''6 in conditiile mentinerii constante a caldurii Q2.
Cresterea parametrilor initiali p1 si T1 determina o marire a puterii unitare a turbinei si a generatorului. Acest lucru se adopta in corelatie cu pretul combustibilului si cu durata de functionare a grupului turbina generator.
In constructia termocentralelor electrice s-a adoptat o presiune de 137 bar pentru puteri pana la 350 MW si 250-300 bar, la grupurile cu puteri peste 400 MW.
In tara, la CTE Ludus si Mintia s-au folosit initial 138 bar la 540-570 C, iar la CTE Isalnita 196 bar la 540 C la grupurile de 330 MW [1].
Cresterea randamentului ciclului termic este de la 40% pentru p1=32 bar si t1=420 C la 52,3% folosind p1=250 bar si t1=585 C [1].
Supraincalzirea intermediara a aburului consta in trecerea acestuia prin supraincalzitorul intermediar aflat in cazan dupa ce a avut loc o destindere partiala a aburului in turbina. Acest lucru presupune constructia turbinei in cel putin doua corpuri, aburul dupa supraincalzire destinzandu-se in continuare in corpul de joasa presiune. Pentru incalzirea intermediara a aburului este posibil a folosi si alta sursa exterioara de caldura in locul cazanului.
Supraincalzirea intermediara devine necesara supa depasirea unei valori a lui p1, realizandu-se deplasarea spre dreapta a ciclului termic obtinand astfel abur uscat dupa destinderea lui. Daca aceasta deschidere este politropa, dupa destinderea partiala 46 localizata in corpul de inalta presiune al turbinei, fig.1.7, urmeaza supraincalzirea 67 si apoi destinderea finala 78. Marirea randamentului ciclului termic este proportionala cu suprafata 6785.

Fig.1.7. Supraincalzirea intermediara.
Randamentul termic devine:
(2.17)
De la iesirea din corpul de inalta presiune al turbinei si pana la intrarea in cel de joasa presiune evolutia este numai teoretic dupa o izobara existand pierderi de presiune de 3-4% pe traseul conductelor si de cca.4% in supraincalzitorul intermediar.
Exista posibilitatea repetarii supraincalzirii intermediare fara a iesi din curba de saturatie a aburului la condensator. Acest lucru se adopta in cazul puterilor unitare mari functionand in regim de baza si utilizand combustibil superior.
Cresterea randamentului termic la o singura supraincalzire intermediara este de cca.4% la o pierdere de presiune de 10%.
Alegerea presiunii aburului la care se realizeaza supraincalzirea intermediara psi este functie de temperatura de supraincalzire primara, intermediara si bineinteles de presiunea p1. Pentru t1=550 C si p1=150 bar se utilizeaza psi=30 bar la tsi=550 C, iar pentru p1=250 bar, t1=600 C si tsi=500 C rezulta psi=43 bar.
Pentru grupul de 330 MW din tara valorile parametrilor aburului sunt p1=180 bar, t1=535 C, psi=44 bar cu o pierdere de presiune de 4 bar.
Posibilitatile de realizare a supraincalzirii intermediare sunt exemplificate in fig.4.8.
La pornirea si oprirea cazanului, cand prin turbina nu circula aburul, supraincalzitorul intermediar trebuie racit. Se vor introduce statii de reducere-racire, IRR, fig.1.8.a., care ocolesc turbina. In cazul cand traseul conductelor de legatura de la turbina la cazan este prea mare se va construi un focar separat instalat in sala turbinelor, cazul din fig.1.8.b. Daca aburul dupa supraincalzirea primara are parametrii ridicati, el poate fi folosit pentru supraincalzirea intermediara conform cu cazul c din fig.1.8. Folosind conditiile de transport ale Na lichid superioare celor corespunzatoare aburului se poate construi varianta d din fig.1.8, varianta specifica centralelor nuclearo-electrice.
|
|
|
|
a) Supraincalzire directa |
b) Supraincalzire cu focar separat |
|
|
|
|
c) Supraincalzire cu abur |
d) Supraincalzire indirecta |
|
Fig.1.8. Scheme de realizare a supraincalzirii intermediare. |
|
Centralele termoelectrice cu parametrii aburului cu valori reduse pot fi extinse si modernizate construind turbine cu contrapresiune care la iesire au parametrii mai mari decat ai vechiului ciclu. La iesirea din aceasta turbina numita si inaintasa, corespunzatoare noului ciclu numit suprapus, aburul va fi supraincalzit in supraincalzitorul intermediar al noului cazan construit. Se realizeaza alimentarea la parametrii vechi ai ciclului de baza a turbinelor existente initial. Aceasta situatie si cu diagrama ciclului suprapus este ilustrata in fig.1.9.
Cresterea randamentului ciclului termic corespunde suprafetei BB'C'D'FC in cazul destinderii politrope.
Se obtine o marire a puterii cu 30 50% din puterea ciclului de baza.

Fig.1.9. Schema si diagrama ciclului suprapus.
Micsorarea caldurii Q2 se obtine prin micsorarea temperaturii T2 urmata insa de marirea umiditatii aburului la iesirea din turbina si cresterea volumului sau specific. Debitul si temperatura apei de racire influenteaza direct temperatura de condensare a aburului. La fel influenteaza si suprafata condensatorului.
Entalpiile i2 si i3 la intrarea respectiv la iesirea din condensator sunt in legatura cu marimea presiunii in condensator. Aceasta la randul ei este influentata de temperatura apei de racire. In functionarea cu circuitul de racire deschis, la o temperatura medie de 15 C a apei de racire, presiunea in condensator este de 0,03 0,04 atm. In cazul circuitului inchis, caracterizat cu o temperatura a apei de racire la valoarea medie de 75 C, se functioneaza cu o presiune in condensator de 0,07 atm.
Coborarea temperaturii de condensare este limitata de umiditatea finala a aburului si de viteza lui la iesirea din turbina.
Actionarea asupra parametrilor finali ai aburului este deci limitata si are o influenta mica asupra cresterii randamentului circuitului termic.
Preincalzirea regenerativa a apei de alimentare consta in folosirea de debite de abur prelevate din prize nereglabile ale turbinei la sursa de caldura pentru incalzirea apei inainte de intrarea acesteia in cazan. Metoda are o influenta mare asupra randamentului ciclului termic obtinandu-se o crestere de 10 12% fata de ciclul simplu.
Randamentul termic al ciclului pentru 1 kg de abur intrat in condensator este:
unde aK este aburul extras prin priza K a turbinei, i1 si i2 fiind entalpiile la intrarea in turbina, respectiv la iesirea aburului din prima priza fixa a turbinei.
Maximul randamentului se obtine pentru maximul produsului
.
Parametrii initiali ai ciclului, numarul total de prize prelevate din turbina si prezenta supraincalzirii intermediare determina cresterea optima a entalpiei apei preincalzite.
Determinarea presiunii optime la care se practica prelevarea aburului din turbina prin prizele fixe se obtine de regula prin impartirea diferentei i3-i4 in mod egal. Prin i4 s-a notat entalpia apei la intrarea in cazan, iar i3 este valoarea ei la iesirea din condensator.
Pentru o crestere a entalpiei DiAA', fig.1.4, localizata in pompa de alimentare cu apa a cazanului, rezulta pentru n trepte de preincalzire, cresterea entalpiei apei corespunzatoare unei preincalziri:
(1.11)
Aceasta crestere se demonstreaza ca este optima din punct de vedere termodinamic [1].
Numarul maxim al preincalzitoarelor este in functie de marimea puterii grupului, la fel si temperatura optima de preincalzire a apei. Aceasta mai este influentata si de costul combustibilului si de regimul de lucru al centralei.
Tabelul 1.1. Valorile uzuale in instalatiile de preincalzire.
|
Putere [MW] |
Supraincalzire intermediara |
p' [bar] |
Nr. prize preincalzitoare |
Temperatura apei de alimentare [ C] |
|
nu | ||||
|
nu | ||||
|
nu | ||||
|
| ||||
|
>180 | ||||
|
peste 400 |
>240 |
In fig.1.10. este redata numeric si valoric situatia concreta a preincalzirii apei la un grup de 125 MW.
Se remarca doua tipuri de supraincalzitoare: de suprafata si de amestec. Cele de suprafata realizeaza schimbul de caldura spre apa de alimentare printr- o suprafata metalica. Condensatul rezultat este recuperat gravitational la preincalzitoarele apropiate de cazan si reintrodus in circuitul principal in degazor. Degazorul este preincalzitor de amestec realizand un contact direct dintre cele doua fluide avand aceeasi presiune. In degazor se realizeaza si o degazare a apei prin eliminarea O2 si a CO2, lucru impus de evitarea coroziunii suprafetelor tevilor cazanelor.

Fig.1.10. Preincalzirea regenerativa a apei de alimentare. V-vaporizor pentru introducerea apei de adaos; CIP, CMP, CJP-corpurile de inalta, medie si joasa presiune ale turbinei; PcDP-pompa pentru condensul din preincalzitor; PCd-pompa de condens dupa condensator.
Plasarea degazorului se realizeaza in zona presiunilor de 5 - 10 bar, cand degazarea este optima.
Degazorul poate fi realizat prin alimentarea cu presiune constanta a aburului sau la presiune variabila functie de sarcina turbinei. La degazor se aduce si adaosul de apa de alimentare necesar acoperirii pierderilor de 2
Apa de adaos este distilata in vaporizor dupa ce in prealabil a fost preparata, demineralizata si dedurizata.
Caldura Q2 cedata sursei reci apare ca pierduta din punctul de vedere al randamentului circuitului termic. Acest randament fiind scazut, sub 50%, se impune utilizarea caldurii Q2 in procesele industriale si pentru incalzire. Acest aspect duce la randamente ale ciclului de valori maxime, teoretic 100%.
Livrarea caldurii spre consumatorii termici se poate realiza prin racordarea acestora la turbinele cu contrapresiune. Regimul de lucru al acestora este dependent de aburul furnizat consumatorului. In acest caz nu exista condensator, condensul rezultat dupa cedarea caldurii consumatorului termic este reintrodus in circuitul termic. Exista schema de functionare cu contrapresiune simpla cand consumatorul este alimentat direct de la turbina sau cu contrapresiune cu acumulator de caldura, acesta din urma fiind interpus intre turbina si consumatorul termic. Cand exista doi consumatori termici utilizand presiuni diferite se adopta constructia din doua corpuri a turbinei, unul din consumatori fiind racordat la iesirea din primul corp al turbinei.
Alta varianta a termoficarii foloseste turbina de condensatie si prize reglabile atasate turbinei.
Alta varianta a termoficarii foloseste turbina de condensatie si prize reglabile atasate turbinei. O priza alimenteaza consumatorii industriali de caldura la presiuni ale aburului de 5 15 bar si 200 C, iar alta priza acopera termoficarea urbana la 0,5 2,5 bar li cca. 100 C.
In aceasta varianta aburul complet destins in turbina este dus in condensator. Condensatorul obtinut la consumatorii industriali este pompat in defazor.
Aceste principii sunt ilustrate in fig.2.1.
O relatie simplificata a randamentului este cea data de (1.12) obtinuta considerand i3 i4 si i3 i4,
(1.12)
unde ac, ap1, ap2 sunt cantitatile de abur care intra respectiv ies.
Se evidentiaza coeficientul de termoficare reprezentand raportul dintre consumul de caldura din termoficare si consumul total de caldura din centrala.
Avantajul producerii combinate de energie electrica si termica consta in obtinerea unei energii termice mai ieftina, dar in conditiile unei energii electrice mai mici prin nerealizarea destinderii complete in turbina a intregului volum de abur produs in cazane.
BIBLIOGRAFIE
1. Iacobescu N. - Instalatii electroenergetice, manual pentru licee, clasa a XI-a, EDP, Bucuresti, 1960
2. Mira N, Negus C-tin - Instalatii electrice industriale, manual pentru licee, clasa a XI-a, EDP, Bucuresti, 1960
3. *** - Manualul inginerului termotehnician, Ed. Tehnica, Bucuresti, 1986
Copyright © 2025 - Toate drepturile rezervate
| Instalatii | |||
|
|||
|
| |||
|
| |||
|
|
|||