![]()  |  Aeronautica | Comunicatii | Constructii | Electronica | Navigatie | Pompieri | 
| Tehnica mecanica | 
 
 
   
 
  
   
  
   
 
   
   
     
  
     
   
CONDITIONATOARE DE PERETE
INSTRUCTIUNI DE FOLOSIRE
CUPRINS
1. CARACTERISTICI
2. LISTA COMPONENTELOR PRINCIPALE
3. PARTI SI FUNCTIUNI
- UNITATEA INTERNA
- UNITATEA EXTERNA
- SEMNALIZARI, MOD DE FUNCTIONARE
- TELECOMANDA, INDICATORII TELECOMENZII
4. CIRCUITUL DE GAZ FRIGORIFIC
5. SCHEMA ELECTRICA
6. SCHEMA CIRCUITULUI
7. SCHEMA CIRCUITULUI TELECOMENZII
8. FUNCTIUNI
9. DIAGRAMA DE CONTROL LA BLOCARI
10. EVIDENTIEREA DEFECTIUNILOR
11. LISTA COMPONENTELOR PRINCIPALE
- UNITATEA INTERNA
- UNITATEA EXTERNA
- GRUP DE CONTROL
12. INSTRUCTIUNI PENTRU INSTALARE
1. CARACTERISTICI TEHNICE
| 
   MODEL  |  
   UNITATE DE MASURA  |  
   AS 95  |  
   AS 125  | 
 |||
| 
   CLASIFICARE  | 
 ||||||
| 
   PUTERE DE RACIRE  |  
   BtU/h (W)  |  |||||
| 
   PUTERE DE INCALZIRE  |  
   BtU/h(W)  |  |||||
| 
   ALIMENTARE  |  
   Ph-V-Hz  |  |||||
| 
   PUTERE ABSORBITA RACIRE/INCALZIRE  |  
   W  |  |||||
| 
   CURENT ABSORBIT RACIRE/INCALZIRE  |  
   A  |  |||||
| 
   
   
   DIMENSIUNI UNITATE  |  
   
   INTERNA  |  
   Largime  |  
   mm  |  |||
| 
   Inaltime  |  
   mm  |  |||||
| 
   Adancime  |  
   mm  |  |||||
| 
   
   EXTERNA  |  
   Largime  |  
   mm  |  ||||
| 
   Inaltime  |  
   mm  |  |||||
| 
   Adancime  |  
   mm  |  |||||
| 
   PUTERE MOTOR VENTILATOR  |  
   Unit. interna  |  
   W  |  ||||
| 
   Unit. externa  |  
   W  |  |||||
| 
   GREUTATE NETA  |  
   Unit. interna  |  
   kg  |  ||||
| 
   Unit. externa  |  
   kg  |  |||||
| 
   
   CONDUCTE FRIGORIFICE  |  
   LINIA LICHIDULUI  |  
   Diam.ext " x L (mm)  |  
   3/8" x 5  |  
   1/2" x 5  | 
 ||
| 
   LINIA GAZULUI  |  
   Diam.ext " x L (mm)  |  
   1/4" x 5  |  
   1/4" x 5  | 
 |||
| 
   ACCESORII  |  
   BANDA IZOLATOARE DIN VINILIN, CABLURI DE RACORD, SURUBURI DE FIXARE, SUPORT TELECOMANDA.  | 
 |||||
| 
   IMPORTANT! Nu dispersati gaz freon in mediu! La nevoie, dotati-va cu aparatura pentru recuperarea freonului.  | 
 
2. LISTA COMPONENTELOR PRINCIPALE.
* UNITATEA INTERNA
| 
   COMPONENTE  |  
   COD  | 
 |
| 
   AS 95  |  
   AS 125  | 
 |
| 
   MICROPROCESOR COMPLET  |  ||
| 
   TELECOMANDA  |  ||
| 
   MOTOR EVAPORATOR  |  ||
| 
   ELICE TANGENTIALA  |  ||
| 
   MOTOR PAS-PAS  |  ||
| 
   BATERIE EVAPORATOR  |  ||
* UNITATEA EXTERNA
| 
   COMPONENTE  |  
   COD  | 
 |
| 
   AS 95  |  
   AS 125  | 
 |
| 
   COMPRESOR  |  ||
| 
   TOTALITATEA PARTILOR ELECTRICE  |  ||
| 
   CAPACITATE ELECTRICA (COMPRESOR)  |  ||
| 
   CAPACITATE ELECTRICA 1,5 mF  |  ||
| 
   MOTOR CONDENSATOR  |  ||
| 
   BATERIE CONDENSATOARE  |  ||
| 
   ROBINET 1/4"  |  ||
| 
   ROBINET 3/8"  |  ||
| 
   ROBINET 1/2"  |  ||
3. PARTI COMPONENTE SI FUNCTII
 
   
 
  
   
  
SEMNALIZARI MOD DE FUNCTIONARE
 
 
   
       
  
   
   
    
   
   
     
  
     
   
  
   
 
   
     
  
     
   
   
  
TELECOMANDA
Apasind aceasta tasta se schimba ciclic modalitatea de functionare: AUTO - RECE - DEZUMIDIFICARE - VENTILATOR.
2. TASTA SWING SET
Regleaza directia verticala a fluxului de aer. De fiecare data cand se apasa aceasta tasta aripa H (oriz.) isi modifica pozitia cu 15sC.
3. TASTA FAN SPEED
La fiecare apasare a tastei, schimbati viteza ventilatorului: JOASA - MEDIE - INALTA - AUTO.
4. TASTA TIME
Folositi aceste taste pentru a regla ora si timerul.
5. TASTA TEMP
De fiecare data cand se apasa aceasta tasta se va produce o screstere sau o diminuare a temperaturii, intre 19 si 32s.C. Aceasta nu actioneaza pe setarea AUTO sau VENTILARE.
| 
      
  | 
    
6. TASTA ON/OFF
Permite pornirea sau oprirea conditionatorului de aer.
7. TASTA "RESET"
Se foloseste pentru a schimba functiunea.
8. TASTA SWING AUTO
De fiecare data cand apasati aceasta tasta, aripa H (orizontala) se roteste cu 25s. si se opreste.
9. TASTA TIME
Apasati aceasta tasta pentru a regla ora actuala.
10. TASTA TIMER ON/OFF.
Apasati aceasta tasta pentru a porni sau pri timerul.
11. TASTA CHECK TIMER
Apasati aceasta pentru a verifica functionarea timerului.
INLOCUIREA BATERIILOR
 
 
   
 
  
   
  
   
 
   
   
     
  
     
   
1. Deschideti capacul lacasului bateriilor.
trageti capacul in sensul indicat de sageata.
dupa ce ati extras bateriile consumate,
apasati tasta CLR cu un obiect de metal
pentru descarcare.
 
 
   
 
  
   
  
   
 
   
   
     
  
     
   
2. Inlocuirea bateriilor
montati noile baterii verificind polul
negativ si cel pozitiv.
INDICATORII TELECOMENZII
 
 
   
 
  
   
  
   
 
   
   
     
  
     
   
4. CIRCUITUL GAZULUI FRIGORIFIC
 
 
   
 
  
   
  
   
 
   
   
     
  
     
   
Tubulatura standard este de 5 metri lungime.
Daca tubul este de lungime mai mare de 5 metri, va fi necesar sa adaugati 10 g. de agent frigorific R-22 pentru fiecare metru adaugat.
1. Cuplul de prindere a suruburilor.
| 
   TIP DE SURUB  |  
   UNITATE DE MASURA  |  
   CUPLU DE PRINDERE INITIAL  |  
   CUPLU DE PRINDERE FINAL  | 
 
| 
   f 6.35 mm  |  
   kg x cm  |  
    | 
 |
| 
   f 9.52 mm  |  
   kg x cm  |  ||
| 
   f 12.7 mm  |  
   kg x cm  |  
* Dupa ce ati insurubat suruburile manual, strangetile definitiv cu cheie dinamometrica.
2. Cantitatea de agent frigorific
| 
   MODEL  |  
   UNITATE DE MASURA  |  
   CANTITATE DE REFRIGERENT  | 
 
| 
   AS 95  |  
   g  |  |
| 
   AS 125  |  
   g  |  
Continut:
unitatea interna - azot;
unitatea externa - sarcina de freon R 22 (+ 50 gr.).
 
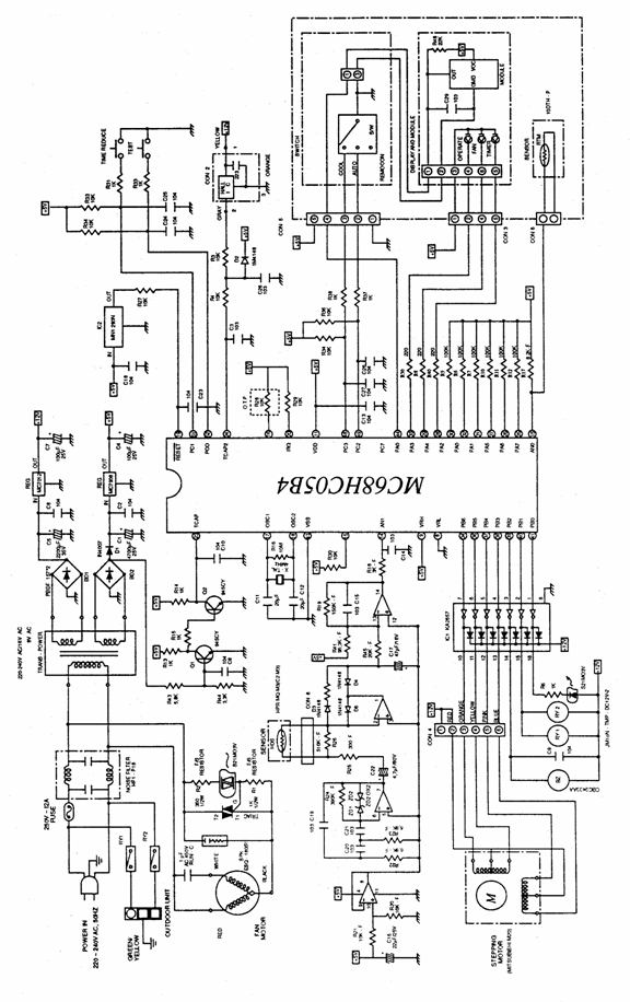
5. SCHEMA CIRCUITULUI ELECTRIC
   
   
 
   
   
     
  
     
   
 
6.
SCHEMA CIRCUITULUI
   
   
 
   
   
     
  
     
   
7. SCHEMA CIRCUITULUI TELECOMENZII
 
 
   
 
  
   
  
   
 
   
   
     
  
     
   
8. FUNCTIUNI
1. FUNCTIA "AUTO"
Cand este selectionata aceasta functie, conditionatorul releva automat temepratura in camera si selectioneaza modalitatea de functionare (RACIRE, DEZUMIDIFICARE sau VENTILARE).
| 
   TEMPERATURA IN CAMERA  |  |
| 
   26sC  |  
   RECE (Temperatura programata este egala cu 23sC)  | 
 
| 
   DEZUMIDIFICARE (Temperatura programata la 22sC)  | 
 |
| 
   23sC  |  
   NUMAI VENTILARE  | 
 
2. FUNCTIA "COOL" (RECE)
Conditionatorul functioneaza reglindu-se in baza diferentei intre temperatura fixata si cea a camerei in functie de gradul de umiditate prezent in camera.
3. FUNCTIA "DRY" (DEZUMIDIFICA)
durata aprinderii sau stingerii (ON/OFF) depinde de temperatura si de umiditatea prezente in camera;
ventilatorul functioneaza la viteza joasa (LOW);
cand umiditatea relativa a camerei este sub 60%, conditionatorul functioneaza in modalitatea NUMAI VENTILARE;
cand temperatura camerei este sub 15sC, unitatea externa inceteaza sa mai functioneze automat, pentru a proteja aparatul;
cand temepratura camerei urca pana la 18sC, aparatul se reactiveaza pe functia "DRY" (Dezumidificare).
4. FUNCTIA "FAN ONLY" (NUMAI VENTILARE)
se aprinde becul "FAN ONLY" pe unitatea principala;
compresorul unitatii externe inceteaza sa mai functioneze;
functioneaza numai ventilatorul intern pentru a asigura recirc. aerului in interiorul camerei.
5. FUNCTIA "FAN SPEED AUTO" (VITEZA VENTILATORULUI AUTOMATA).
viteza ventilatorului variaza automat in baza, fie a diferentei intre temperatura programata si cea a camerei, fie a gradului de umezeala din camera.
6. FUNCTIONAREA "TEMPORANEO"
cand comutatorul pentru selectionarea modalitatii de functionare a unitatii interne este pus pe "COOL" sau "AUTO", se poate face sa functioneze conditionatorul fara telecomanda;
in functionarea "AUTO", conditionatorul functioneaza in acelasi mod descris la primul paragraf;
dupa 30 minute de functionare pe "COOL"(racire), conditionatorul de aer va reincepe sa functioneze pe functia "DRY" (Dezumidificare).
7. FUNCTIA "SWING AUTO"
aripa orizontala H se muta oscilind in sus si in jos cu circa 25s.
8. FUNCTIA "SWING SET"
aripa orizontala H isi modifica pozitia la fiecare apasare a tastei;
pozitia aripii poate fi vizualizata pe display-ul telecomenzii.
9. FUNCTIA "TIMER"
conditionatorul poate porni sau se poate opri la ore fixate cu tasta "TIMER ON/OFF";
se aprind atat becul timerului cat si display-ul indicator pe aprins(ON) sau stins (OFF).
9. DIAGRAMA DE CONTROL A BLOCARII
10. CAUTAREA DEFECTIUNILOR
| 
   NR.1  |  
   PROCEDURI PENTRU DEPISTAREA DEFECTELOR  | 
 
| 
   Inainte de toate verificati care sunt elementele principale de verificat.  | 
 |
| 
   Daca problema nu intra in categoria celor specificate in capitolul 1, verificati care este problema specifica urmind procedura de control in baza sintomelor.  | 
 
1. Inainte de toate verificati urmatoarele situatii:
Tensiunea de alimentare este normala?
tensiunea trebuie sa fie cuprinsa intre 198 si 246 Vca. Daca nu este, aparatul nu poate functiona corect.
Unitatea interna este racordata la unitatea externa in mod corect?
unitatea interna trebuie sa fie racordata la unitatea externa prin intermediul a doua cabluri;
controlati sirurile de cleme pentru a vedea daca unitatile nu sunt racordate cu numarul de cablu care ii corespunde;
in caz contrar, conditionatorul nu poate functiona corect.
Pentru problemele ce vor fi descrise in continuare, nu ne putem asuma nici o responsabilitate, atunci cand nu depind de functionarea defectuoasa a aparatului.
| 
   Nr.  |  
   SITUATIE  |  
   DESCRIERE  | 
 
| 
   Cand cablul de alimentare al unitatii interne este racordat la priza, becul palpaie.  |  
   Becul care palpaie dovedeste ca unitatea este alimentata. Apasind tasta ON/OFF, becul inceteaza sa palpaie.  | 
 |
| 
   Chiar daca temperatura camerei este inferioara temperaturii maxime programate pentru functionarea compresorului, compresorul nu functioneaza.  |  
   Acesta reactiveaza functia de asteptare de 3 minute atunci cand se porneste compresorul. Cand se aprinde intrerupatorul principal, se verifica acelasi lucru.  | 
 |
| 
   in functie de dezumidificare, viteza ventilatorului nu se schimba  |  
   In functia de dezumidificare, viteza ventilatorului este fixata pe "LOW" (Viteza joasa).  | 
 |
| 
   In functia de dezumidificare, ventilatorul unitatii interne functioneaza cu intermitenta.  |  
   In functia de dezumidificare, ventilatorul unitatii interne si compresorul functioneaza mereu in acelasi timp. Deci, daca inceteaza sa mai functioneze compresorul, se va opri si ventilatorul unitatii interne.  | 
 |
| 
   In functia de dezumidificare, compresorul functioneaza cu intermitenta.  |  
   In functia de dezumidificare, ventilatorul unitatii interne si compresorul sunt activate impreuna, in baza temperaturii camerei.  | 
 |
| 
   Conditionatorul nu functioneaza cand se aprinde becul "TIMER" al unitatii interne.  |  
   Timerul este in stare de asteptare. Apasind tasta "TIMER" pe telecomanda, aceasta va bloca si conditionatorul va incepe sa functioneze normal.  | 
 
2. Lista procedurilor de control bazata pe cauzele defectiunilor.
2.1. Individualizarea problemelor si identificarea lor.
In unitatea interna sunt controlate conditiile functionarii si rezultatele controalelor sunt indicate pe panoul indicatorilor ei.
| 
   Nr.  |  
   INDICATII  |  
   AUTO-VERIFICARE  | 
 
| 
   Palpaie becul functiei "ON" (1 Hz)  |  
   Alimentare refixata (sau reaprinsa)  | 
 |
| 
   Palpaie becul TIMERULUI (5 Hz)  |  
   Probleme la termostatul de mediu.  | 
 
2.2. Controlul bazat pe o functionare defectuoasa.
| 
   Nr.  |  
   PROBLEMA  |  
   CONTROL  |  
   INCEPUTUL CONTROLULUI  | 
 |
| 
   Semnalul telecomenzii nu provoaca nici un efect  |  
   1. Stingeti intrerupatorul principal si reporniti-l.  |  
   1. Nu este posibil la functionarea cu telecomanda.  |  
   Defect la unitatea interna (cuprinde si telecomanda).  | 
 |
| 
   2. Incercati din nou functionarea telecomenzii.  |  
   2. Este posibila la functionarea cu telecomanda.  |  |||
| 
   Ventilatorul unitatii interne nu se invarte.  |  
   1. Compresorul este in functiune.  |  
   Defect de unitatea externa (motor ventilator unitate externa)  | 
 ||
| 
   2. Compresorul nu functiona.  |  
   Defect la unitatea interna.  | 
 |||
3. Procedura de control bazata pe simptome.
3.1. Cu conditionatorul complet inchis. (Control preliminar).
tensiunea de alimentare este normala (intre 198 si 264 Vca)?
alimentarea este racordata in mod corect?
infasurarea primara si cea secundara a transformatorului sunt racordate in mod corect la circuitul tiparit?
3-2. Daca unitatea externa nu functioneaza, controlati mai inainte urmatoarele lucruri:
1). Temperatura programata pe telecomanda este mai mare decat cea a camerei,
cu unitatea in functia "RACIRE"(COOL)?
2). Unitatea externa este racordata in mod corect prin intermediul selectorului SL?
3-3. Daca semnalul telecomenzii nu reuseste sa actioneze aparatul, verificati inainte de toate urmatoarele:
1). selectorul de modalitate de functionare al unitatii interne este pus pe functia
TELECOMANDA (REMOTE CONTROL)?
2). este aprins becul "TIMER" al unitatii interne?
4. Controlul circuitul imprimat.
4-1. Avertizari
1). Inainte de a scoate circuitul imprimat sau panoul frontal, verificati daca este
intrerupta alimentarea electrica.
2). In scoaterea circuitului imprimat, nu atingeti imbracamintea protectoare a
circuitului imprimat cu mainile si nu-l fortati in mod excesiv.
3). Cand racordati sau desfaceti conectorul la circuitul imprimat nu trageti firele
de alimentare. In timp ce efectuati operatia tineti fixa intreaga aparatura.
4-2. Proceduri de efectuat
1). Daca suspectati o disfunctionalitate a circuitului imprimat, controlati
conectorul, circuitul imprimat si itegritatea circuitelor de cupru de dedesupt.
2). Circuitul imprimat este format din urmatoarele 4 sectiuni:
- circuitul imprimat principal: releu de putere, circuitul principal al motorului
ventilatorului unitatii externe, circuitul Micom si cel periferic, circuitul pilot
al soneriei si soneria insasi.
- sectiunea receptorului de semnale luminos: receptor semnale luminos.
- indicator: LED
- circuitul tiparit al circuitelor de comutatoare: telecomanda, automat, rece.
4-3. Proceduri in detaliu.
| 
   Nr.  |  
   PROCEDURI  |  
   PUNCT DE CONTROLAT  |  
   CAUZE  | 
 
| 
   Extrageti stecherul din priza de curent si controlati fuzibilul situat pe schema circuitului imprimat.  |  
   Fuzibilul este ars?  |  
   Supratensiune. Scurtcircuit la motorul ventilatorului din unitatea interna.  | 
 |
| 
   Aprindeti intrerupatorul principal. Daca becul  |  
   Controlati tensiunea?  |  ||
| 
   palpaie (ON:0,5 sec./OFF:0,5 sec.), defectiunea nu se datoreaza problemelor de la punctele 1-6 enumerate in  |  
   1. Cablul de alimentare sau fuzibile defectuase, sau racorduri care nu au fost executate corect.  |  
   1. Cablul de alimentare sau fuzibile defectuase, sau legaturile au fost incorect executate.  | 
 |
| 
   coloana din dreapta.  |  
   2. Transformatorul este defect.  |  
   2. Transformatorul este defect.  | 
 |
| 
   3. Este un defect sau un scurtcircuit in circuitul de alimentare.  |  
   3. Este o defectiune sau un scurtcircuit in circuitul de alimentare.  | 
 ||
| 
   4. Este un defect sau un scurtcircuit in circuitul de alimentare.  |  
   4. Este o defectiune sau un scurtcircuit in circuitul de alimentare.  | 
 ||
| 
   5. Probleme la Q1 sau Q2 sau la transformator BD2.  |  
   5. Probleme la Q1 sau Q2 sau la transformatorul BD2.  | 
 
11. LISTA COMPONENTELOR PRINCIPALE
* UNITATEA INTERNA
* MODEL AS 95 UNITATEA INTERNA
| 
   Nr.  |  
   COMPONENTE  |  
   NR. COD  |  
   CANTITATE  | 
 
| 
   FILTRU DE AER  |  |||
| 
   ACOPERIREA SURUBURILOR  |  
    |  ||
| 
   PANOU FRONTAL  |  |||
| 
   CAPAC INTRERUPATOR  |  |||
| 
   CAPAC CONECTOR  |  |||
| 
   MOTOR PAS-PAS  |  |||
| 
   CONECTOR 6 POLI MOTOR PAS-PAS  |  |||
| 
   DOTAT CU VAS SUB EVAPORATOR  |  |||
| 
   BATERIE EVAPORATOARE  |  |||
| 
   RULMENT ELICE TANGENTIALA  |  |||
| 
   ELICE TANGENTIALA  |  |||
| 
   MOTOR EVAPORATOR  |  |||
| 
   ARC FIXARE MOTOR STANGA  |  |||
| 
   ARC FIXARE MOTOR DREAPTA  |  |||
| 
   MICROPROCESOR COMPLET  |  |||
| 
   RONDEL OPRIRE  |  |||
| 
   PLENUM  |  |||
| 
   IMBRACAMINTE VINILIN  |  |||
| 
   PRINDERE PENTRU UNITATEA INTERIOARA  |  |||
| 
   CAPAC PASAJ TUBURI  |  |||
| 
   COLIER FIXARE PE ZID  |  |||
| 
   |  
* MODEL AS 125 UNITATEA INTERNA
| 
   Nr.  |  
   COMPONENTE  |  
   NR. COD  |  
   CANTITATE  | 
 
| 
   FILTRU DE AER  |  |||
| 
   ACOPERIREA SURUBURILOR  |  |||
| 
   PANOU FRONTAL  |  |||
| 
   CAPAC INTRERUPATOR  |  |||
| 
   CAPAC CONECTOR  |  |||
| 
   MOTOR PAS-PAS  |  |||
| 
   CONECTOR 6 POLI MOTOR PAS-PAS  |  |||
| 
   DOTAT CU VAS SUB EVAPORATOR  |  |||
| 
   BATERIE EVAPORATOARE  |  |||
| 
   RULMENT ELICE TANGENTIALA  |  |||
| 
   ELICE TANGENTIALA  |  |||
| 
   MOTOR EVAPORATOR  |  |||
| 
   ARC FIXARE MOTOR STANGA  |  |||
| 
   ARC FIXARE MOTOR DREAPTA  |  |||
| 
   MICROPROCESOR COMPLET  |  |||
| 
   RONDEL OPRIRE  |  |||
| 
   PLENUM  |  |||
| 
   IMBRACAMINTE VINILIN  |  |||
| 
   PRINDERE PENTRU UNITATEA INTERIOARA  |  |||
| 
   CAPAC PASAJ TUBURI  |  |||
| 
   COLIER FIXARE PE ZID  |  |||
| 
   |  
* UNITATEA EXTERNA
* MODEL AS 95 UNITATEA EXTERNA
| 
   Nr.  |  
   COMPONENTE  |  
   COD  |  
   CANTITATE  | 
 
| 
   PROTECTIA VENTILATORULUI  |  |||
| 
   PARTE ANTERIOARA  |  |||
| 
   PIULITA CU FLANSA  |  |||
| 
   MOTOR CONDENSATOR  |  |||
| 
   ELICE ELICOIDALA  |  |||
| 
   PROTECTIE COMPRESOR  |  |||
| 
   TOTALUL PARTILOR ELECTRICE  |  |||
| 
   CAPAC  |  |||
| 
   PARTE POSTERIOARA  |  |||
| 
   CAPAC INSTALATIE ELECTRICA  |  |||
| 
   BATERIE CONDENSATOARE  |  |||
| 
   CAPACITATE ELECTRICA 25mF  |  |||
| 
   FILTRU FREON  |  |||
| 
   COMPRESOR COMPLET  |  |||
| 
   TUB CAPILAR  |  |||
| 
   ROBINET 1/4"  |  |||
| 
   ROBINET 3/8"  |  |||
| 
   COMPRESOR  |  
    |  ||
| 
   CAPAC SIR DE CLEME COMPRESOR  |  |||
| 
   PROTECTOR TERMIC  |  |||
| 
   GARNITURA CAPAC  |  |||
| 
   ARC PROTECTOR  |  |||
| 
   AMORTIZOR  |  |||
| 
   CAPACITATE ELECTRICA 1.5mF  |  |||
| 
   PIULITA CAPAC  |  |||
| 
   TABLITA MARCA "ARIAGEL"  |  |||
| 
   COLIER DE FIXARE PE ZID  |  |||
| 
   POMPA DE DESCARCARE CONDENS  |  
* MODEL AS 125 UNITATE EXTERNA
| 
   Nr.  |  
   COMPONENTE  |  
   COD  |  
   CANTITATE  | 
 
| 
   PROTECTIA VENTILATORULUI  |  |||
| 
   PARTE ANTERIOARA  |  |||
| 
   PIULITA CU FLANSA  |  |||
| 
   MOTOR CONDENSATOR  |  |||
| 
   ELICE ELICOIDALA  |  |||
| 
   PROTECTIE COMPRESOR  |  |||
| 
   TOTALUL PARTILOR ELECTRICE  |  |||
| 
   CAPAC  |  |||
| 
   PARTE POSTERIOARA  |  |||
| 
   CAPAC INSTALATIE ELECTRICA  |  |||
| 
   BATERIE CONDENSATOARE  |  |||
| 
   CAPACITATE ELECTRICA 25mF  |  |||
| 
   FILTRU FREON  |  |||
| 
   COMPRESOR COMPLET  |  |||
| 
   TUB CAPILAR  |  |||
| 
   ROBINET 1/4"  |  |||
| 
   ROBINET 3/8"  |  |||
| 
   COMPRESOR  |  |||
| 
   CAPAC SIR DE CLEME COMPRESOR  |  |||
| 
   PROTECTOR TERMIC  |  |||
| 
   GARNITURA CAPAC  |  |||
| 
   ARC PROTECTOR  |  |||
| 
   AMORTIZOR  |  |||
| 
   CAPACITATE ELECTRICA 1.5mF  |  |||
| 
   PIULITA CAPAC  |  |||
| 
   TABLITA MARCA "ARIAGEL"  |  |||
| 
   COLIER DE FIXARE PE ZID  |  |||
| 
   POMPA DE DESCARCARE CONDENS  |  
* GRUP DE CONTROL MODEL AS 95
| 
   Nr.  |  
   COMPONENTE  |  
   COD  |  
   CANTITATE  | 
 
| 
   CUTIE GRUP DE CONTROL  |  |||
| 
   CIRCUIT TIPARIT MICROPROCESOR  |  |||
| 
   CIRCUIT TIPARIT TERMOSTAT  |  |||
| 
   SUSTINE ECRANUL  |  |||
| 
   SUSTINE INTRERUPATORUL  |  |||
| 
   BAZA LED + I.R.  |  |||
| 
   INTRERUPATOR INCASTRAT  |  |||
| 
   CAPAC IZOLATOR  |  |||
| 
   CABLU DE ALIMENTARE  |  |||
| 
   TRANSFORMATOR  |  
* GRUP DE CONTROL MODEL AS 125
| 
   Nr.  |  
   COMPONENTE  |  
   COD  |  
   CANTITATE  | 
 
| 
   CUTIE GRUP DE CONTROL  |  |||
| 
   CIRCUIT TIPARIT MICROPROCESOR  |  |||
| 
   CIRCUIT TIPARIT TERMOSTAT  |  |||
| 
   SUSTINE ECRANUL  |  |||
| 
   SUSTINE INTRERUPATORUL  |  |||
| 
   BAZA LED + I.R.  |  |||
| 
   INTRERUPATOR INCASTRAT  |  |||
| 
   CAPAC IZOLATOR  |  |||
| 
   CABLU DE ALIMENTARE  |  |||
| 
   TRANSFORMATOR  |  
Copyright © 2025 - Toate drepturile rezervate
| Instalatii | |||
  | 
      |||
| 
		 | |||
| 
	 | |||
| 
 | 
  |||