![]() | Aeronautica | Comunicatii | Constructii | Electronica | Navigatie | Pompieri |
| Tehnica mecanica |
|
ZEUS Mini |

Centrale termice de perete cu boiler de acumulare cu camera de combustie etansa si tiraj fortat
ZEUS Mini
|
|
- CARACTERISTICI GENERALE
ZEUS Mini este o centrala termica ce produce apa calda menajera cu ajutorul unui boiler de acumulare cu serpentina din otel INOX (AISI 316 L) cu capacitate utila de 45 litri.
Centrala are o putere utila de 20.000 kcal/h (23,3 kW) si este caracterizata de dimensiuni reduse (H=870 mm, L=580 mm, P=380 mm).
Reglarea si controlul aparatului (aprinderea arzatorului, reglarea temperaturilor, modularea flacarii, functia anti-inghet pana la - 5 sC) sunt realizate de catre o placa electronica cu microprocesor care, prin intermediul a doua leduri vizualizeaza starea de functionare a centralei si ii efectueaza diagnoza in caz de anomalie.
Circuitul hidraulic este dotat cu un schimbator apa-gaz din cupru si cu o valva cu 3 cai electrica ce permite, in functie de necesitate, circularea apei incalzite in schimbatorul primar in instalatia de incalzire sau in serpentina boilerului pentru producerea apei calde menajere.
Aportul de aer necesar combustiei in interiorul camerei etanse si evacuarea fumului sunt asigurate de un ventilator a carui functionare corecta este controlata de un presostat diferential.
|
|
DIMENSIUNI PRINCIPALE SI RACORDURI

DIMENSIUNI (mm)
|
INALTIME |
LATIME |
ADANCIME |
|
890 |
580 |
380 |
RACORDURI
|
GAZ |
INSTALATIE INCALZIRE |
APA SANITARA |
||
|
G |
R |
M |
U |
E |
|
1/2 " |
3/4 " |
3/4 " |
1/2 " |
1/2 " |
V - racord electric
G - alimentare cu gaz
R - retur instalatie incalzire
M - tur instalatie incalzire
S - recirculare (optional)
U - iesire apa calda menajera
E - intrare apa rece
|
|
1 - Priza de presiune semnal negativ
2 - Priza de presiune semnal pozitiv
3 - Stuturi de prelevare (A=aer) (F=fum)
4 - Presostat de siguranta ventilator
5 - Sonda NTC reglare si limita incalzire
6 - Termostat siguranta supratemperatura
7 - Schimbator primar
8 - Electrozi de aprindere si relevare
9 - Camera de combustie
10- Arzator
11- Valva automata aerisire
12- Pompa de circulatie
13- Valva de gaz
14- Valva cu trei cai motorizata
15- Robinet umplere instalatie incalzire
16- Vas de expansiune
17- Sonda NTC sanitara
18- Boiler Inox 316L
19- Supapa de siguranta 3 bar incalzire
20- Robinet golire boiler
21- Ventilator evacuare fum
22- Camera etansa
23- Colector de fum
24- Supapa de siguranta 8 bar
(sanitara)
25- Robinet golire instalatie incalzire
|
|
PANOUL DE COMANDA
1 - Led galben semnalizare functionare arzator
2 - Led rosu semnalizare blocare centrala
3 - Intrerupator OPRIT/VARA/IARNA/RESET
4 - Selector de temperatura apa calda menajera
5 - Selector de temperatura incalzire
6 - Termo-manometru circuit incalzire
7 - Capac orificiu ceas programator
|
|
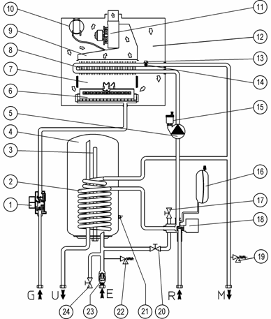
CIRCUITUL HIDRAULIC

1 - Valva de gaz
2 - Serpentina din Inox a boilerului
3 - Anod de magneziu
4 - Boiler
5 - Pompa de circulatie
6 - Arzator principal
7 - Camera de combustie
8 - Schimbator de caldura primar
9 - Colector de fum
10- Presostat siguranta ventilator
11- Ventilator evacuare fum
12- Camera etansa
13- Sonda NTC limita si reglare incalzire
14 - Termostat siguranta supratemperat.
15 - Valva automata aerisire
16 - Vas de expansiune
17 - Robinet golire instalatie incalzire
18 - Valva cu 3 cai motorizata
19 - Supapa de siguranta 3 bar incalzire
20 - Robinet de umplere instalatie incalz.
21 - Sonda NTC sanitara
22 - Supapa de siguranta 8 bar (sanit.)
23 - Valva unidirectionala
24 - Robinet de golire boiler
G - Alimentare cu gaz
U - Iesire apa calda menajera
E - Intrare apa rece
R - Retur instalatie incalzire
M - Tur instalatie incalzire
Apa calda pentru incalzire si pentru utilizare sanitara este produsa cu ajutorul unui circuit primar si al unuia secundar (sanitar) care sunt utilizate in functie de necesitate.
CIRCUITUL PRIMAR (CIRCUITUL DIN CENTRALA)
Circuitul primar cu dispozitivele de control si de siguranta relative, este pus in functiune de fiecare data cand intervine o cerere atat de incalzire cat si de tip sanitar.
- FUNCTIONARE
Caldura continuta in fumul produs de combustie este absorbita de lamelele din cupru ale schimbatorului apa-gaz (8) care, la randul sau, o cedeaza apei circulate prin interiorul sau de catre pompa centralei (5).
Apa calda este apoi circulata direct prin instalatia de incalzire sau poate fi deviata in interiorul serpentinei boilerului (2).
Aceasta depinde de pozitia valvei electrice cu 3
cai (18) care, in functie de necesitate, permite circulatia
agentului primar prin tevile de tur (M) si retur (R) ale
instalatiei sau il deviaza spre serpentina boilerului (2).
- POMPA DE CIRCULATIE
Functioneaza pe returul circuitului primar si este fixata pe grupul monobloc din bronz al valvei electrice cu trei cai.
Este conectata la grupul monobloc si la schimbatorul primar prin intermediul unor racorduri filetate.
Pe corpul acesteia exista un racord filetat pe care este fixata valva automata de aerisire (1).

- GRAFICUL DEBIT - SARCINA HIDRAULICA
Forma curbei care reprezinta raportul dintre debit si sarcina hidraulica disponibila pentru instalatie depinde de turatia de functionare a pompei si de utilizarea sau nu a by-pass-ului instalatiei de incalzire (optional).
Curbele reprezentate in graficul alaturat se refera la:
- A = Pompa la turatia a treia
- B = Pompa la turatia a doua
- C = Pompa la turatia a treia cu by-pass-ul (optional) inserat
- D = Pompa la turatia a doua cu by-pass-ul (optional) inserat
debit
[l/h]
![]()

- SCHIMBATORUL PRIMAR
Este un schimbator lamelar apa-gaz cu tevi cu aripioare din cupru la a carui iesire (tur) sunt pozitionate senzorul NTC de incalzire (6) si termostatul de siguranta la supratemperatura (2).
Cele patru tevi din care este constituit sunt conectate in serie (1) si are dimensiuni si caracteristici ce ii permit sa poata fi utilizat si pe centralele Mini instantanee (NIKE si EOLO).
Este racordat la iesirea din pompa (retur) si la turul circuitului primar prin intermediul tevilor mufate (3) ce etanseaza cu O-ringuri (5) blocate de cleme de siguranta adecvate (4).
Tur Retur
- SISTEME DE SIGURANTA SI CONTROL
By-pass instalatie incalzire (1) (optional)
Garanteaza circulatia apei in circuitul primar (intre tur si retur) chiar si atunci cand rezistenta ridicata a instalatiei nu o permite.
Se monteaza intre tevile de racordare la turul si returul instalatiei.
Robinet de umplere a instalatiei (4)
Este un robinet interpus intre circuitul centralei si intrarea apei reci sanitare care permite aducerea in presiune a instalatiei de incalzire.
Locasul sau este pozitionat la partea inferioara a grupului monobloc al valvei cu trei cai (3) in care este insurubat.
Robinet de golire a instalatiei (5)
Este un dop din bronz dotat cu un racord port-furtun care este montat (infiletat) in partea inferioara a grupului monobloc cu trei cai.
Slabindu-l este posibil sa se goleasca circuitul primar al centralei.
Valva de aerisire automata (6)
Permite evacuarea automata a substantelor gazoase prezente eventual in circuitul de incalzire al centralei.
Este montata pe turul pompei, direct pe corpul acesteia.
Supapa de siguranta 3 bar (7)
Evita ca in circuitul de incalzire sa fie depasita valoarea presiunii de siguranta (3 bar).
Este fixata cu ajutorul unui surub cu cap inbus pe un racord aflat pe tubul de tur di care provoaca iesirea apei in caz de interventie.
Vasul de expansiune (8)
Compenseaza variatiile de volum determinate de incalzirea apei si permite limitarea variatiilor de presiune ale acesteia.
Este pozitionat deasupra boilerului si are o presiune de preincarcare de 0,8 bar si o capacitate de 8 litri.
Este racordat la grupul monobloc cu trei cai printr-o teava de cupru (2) cu racorduri filetate.
Retur instalatie
Tur instalatie

Retur pompa Retur instalatie

Tur instalatie


|
|
CIRCUITUL HIDRAULIC
CIRCUITUL SECUNDAR (CIRCUITUL SANITAR)

Circuitul sanitar este utilizat de fiecare data cand este necesar sa se aduca la valoarea fixata temperatura apei din boiler si masurata cu senzorul NTC sanitar (7).
Aceasta se poate intampla atat in cazul unei preluari de apa calda menajera, cat si pentru recuperarea pierderilor prin dispersie termica ale apei din boiler.
- FUNCTIONARE
Ca urmare a unei cereri de tip sanitar, placa de modulare pune in functiune pompa centralei (1) si alimenteaza motorul valvei electrice cu 3 cai (8).
Deplasarea valvei in pozitie sanitara (vezi functionarea valvei electrice cu 3 cai) determina inchiderea tevii de retur (R) si deschiderea concomitenta a pasajului catre serpentina boilerului (4).
In acest mod este impiedicata circulatia in instalatia de incalzire, insa este permisa circulatia prin serpentina (4) care, prin peretii sai, cedeaza apei reci caldura continuta in apa din circuitul primar.
In aceasta faza este apoi exclusa functia de incalzire fata de care producerea de apa calda are prioritate.
- BOILERUL
Este un boiler cu serpentina cu capacitate utila de 45 litri, construit in intregime din otel INOX AISI 316 L si izolat total cu un invelis de polistiren ignifug.
Este constituit dintr-o camasa exterioara inchisa in partea inferioara de o flansa (15) ce etanseaza la interior cu un O-rin si care poate fi indepartata pentru a inspecta interiorul boilerului (serpentina, anodul, etc.) utilizand orificiul aferent ("gura de vizitare").
In interior este inserat un tub cilindric din otel INOX indoit in forma de spirala concentrica (serpentina) care este pozitionata in zona inferioara a boilerului si prin intermediul careia se realizeaza schimbul termic dintre apa calda din circuitul primar si apa sanitara continuta in boiler.
Aceasta permite mentinerea apei din boiler la temperatura constanta si garanteaza, in prezenta unei preluari, productia instantanee de apa calda menajera (20.000 kcal/h).
Functionarea normala si integritatea sa ii sunt garantate de urmatoarele dispozitive:
Anodul de magneziu (3)
Este inserat in boiler si il protejeaza de actiunea coroziunii cauzate de curentii galvanici.
Este infiletat in camasa exterioara pe fundul boilerului
Dozator de polifosfati (optional)
Impiedica formarea de depozite de calcar pe serpentina boilerului.
Acest kit se monteaza pe intrarea apei reci sanitare.
Kit de recirculare (optional)
Permite conectarea tevilor eventualei instalatii de recirculare a apei calde menajere.
Consta dintr-un tub ce se insereaza in boiler dupa ce s-a demontat anodul cu dopul relativ.
In cazul instalarii kitului, anodul se infileteaza in partea terminala a tubului.
Senzorul NTC al boilerului (NS) (7)
Permite placii electronice de modulare sa releve temperatura apei continuta in boiler.
Este fixata pe peretele exterior al boilerului si este inserata intr-o teaca de imersie.
Pe langa supapa de siguranta de 8 bar (10) care evita depasirea presiunii de siguranta din boiler, cuprinde :
- un filtru, un limitator de flux de 8 l/min (12), un robinet de golire a boilerului cu racord port-furtun (14) si o valva unidirectionala ("5" circ. sanitar) pentru a evita intoarcerea apei spre reteaua de alimentare datorita incalzirii acesteia.
Vasul de expansiune sanitar (11) (optional)
Compenseaza variatiile de volum cauzate de incalzirea apei continuta in boiler.
Este racordat la grupul valvei de siguranta si are o capacitate de 2 litri cu o presiune de preincarcare de 3,5 bar.
Intrare
apa rece Tur serpentina Retur serpentina
|
|
- VALVA CU 3 CAI MOTORIZATA
RETUR INSTALATIE
SEMNAL INCALZIRE
|
|
|
Este o valva cu 3 cai electrica ce actioneaza pe returul circuitului primar si care permite, in functie de cerere, trimiterea apei din centrala catre instalatia de incalzire sau catre serpentina boilerului.
Aceasta depinde de pozitia obturatorului (3) care, inchide pasajul catre instalatie deschizandu-l in acelasi timp catre boiler (pozitie sanitara) sau viceversa (pozitie incalzire).
Deplasarea obturatorului (3) in ambele pozitii se obtine alimentand motorul (1).
Cand este necesara deplasarea in pozitia incalzire, motorul (1) este alimentat de catre contactul termostatului de ambient, in timp ce in prezenta unei cereri de tip sanitar este actionat de placa de modulare.
Functionarea motorului, al carui numar de rotatii este redus de un sistem adecvat de angrenaje, presupune rotirea unui disc (6) fixat in mod excentric pe axul aceluiasi motor.
Miscarea discului implica deplasarea unui cuplaj adecvat (5) care, la fiecare rotatie de 180s, comprima (pozitie incalzire) sau elibereaza (pozitie sanitara) arcul de opozitie al obturatorului (4).
Retur
pompa Retur
instalatie Retur
serpentina

Ajungerea in pozitia ceruta (din punct de vedere hidraulic) provoaca deschiderea unui micro-intrerupator de cap de cursa (2) si inchiderea celuilalt.
Acesta permite intreruperea tensiunii la motor, blocandu-l in pozitia in care a ajuns si abilitand functionarea acestuia numai in prezenta unei cereri diferite (semnal sanitar sau de incalzire).
|
|
Circuitul este compus dintr-un arzator atmosferic si dintr-o valva de tip modulant, care permit combustia gazului respectiv reglarea debitului sau.
Alimentarea electrica a bobinelor principale (3) provoaca deschiderea ambelor obturatoare interne ale valvei permitand in acest mod trecerea gazului catre arzator.
Debitul/presiunea de iesire este apoi reglata actionand asupra stabilizatorului valvei gaz prin intermediul bobinei de modulare (1).
Prin intermediul duzelor (7) montate pe colectorul de gaz, combustibilul este injectat in tuburile Venturi (rampe) in interiorul carora se realizeaza amestecul aer-gaz care ulterior va fi aprins de scanteia produsa de electrodul de aprindere (5).
Valva de gaz (SIT SIGMA 845) este echipata cu doua bobine principale si una de modulare, comandate de catre placa electronica de reglare.
Pe bobina de modulare se efectueaza reglajele presiunii maxime si minime de iesire (vezi reglajele de gaz).
Bobinele electrice principale (3)
Sunt doua bobine de tip ON-OFF care sunt alimentate (230 V CA) de catre circuitul de aprindere al placii electronice atunci cand este necesara aprinderea arzatorului.
Sunt conectate din punct de vedere electric in paralel si sunt alimentate de la tensiunea din retea prin intermediul unui conector adecvat (2).
Bobina de modulare (1)
Este o bobina de joasa tensiune care este comandata de placa electronica de modulare.
Actioneaza aspra stabilizatorului valvei de gaz si permite varierea presiunii de iesire in mod proportional cu semnalul in curent continuu de care este parcursa.
SIT 845

- ARZATORUL
Arzatorul este compus din 12 tuburi Venturi orizontale (6) in care gazul este injectat de tot atatea duze (7) montate pe colectorul de gaz (8).
Aprinderea este realizata de catre placa electronica care controleaza atat electrodul de aprindere (5) cat si pe cel de relevare (4).
Electrozii de aprindere (5)
Sunt comandati de circuitul de aprindere al placii electronice care provoaca o descarcare electrica intre cei doi electrozi.
Sunt pozitionati pe partea anterioara a arzatorului intre prima si a doua rampa (tub Venturi).
Electrodul de relevare (4)
Este controlat de placa electronica si releva realizarea aprinderii arzatorului.
Este pozitionat pe partea anterioara a arzatorului pe rampa alaturata electrozilor de aprindere.
|
|
REGLAJELE DE GAZ
Reglarea presiunilor maxime si minime se executa actionand aspra valvei de gaz si se efectueaza respectand valorile prezentate in tabelele relative fiecarui tip de centrala, pentru tipul de gaz corespunzator.
- VALVA SIT SIGMA 845
Dupa ce ati conectat un manometru diferential la iesirea valvei de gaz (6) si la priza de presiune pozitiva aflata in partea superioara a camerei etanse (vezi figura alaturata), si ati indepartat capacelul de protectie al suruburilor de reglare ale bobinei de modulare, procedati in felul urmator:
- Efectuati o preluare de apa calda menajera dupa ce ati reglat selectorul de temperatura la maxim.
Actionati in sens orar asupra piulitei "3" pentru a creste presiunea la arzator si in sens antiorar pentru a o reduce.
Reglarea presiunii minime sanitare
(de efectuat dupa reglarea presiunii maxime)
- Dupa ce ati intrerupt alimentarea electrica a bobinei de modulare, actionati in sens orar asupra surubului rosu "2" pentru a creste presiunea la arzator si in sens antiorar pentru a o reduce.

1) Bobina de modulare 4) Priza presiune iesire valva gaz
2) Surub reglare putere minima 5) Priza presiune intrare valva gaz
3) Piulita reglare putere maxima 6) Capacel de protectie
- TRANSFORMAREA PENTRU FUNCTIONAREA CU ALT TIP DE GAZ
Adaptarea la un tip de gaz diferit de cel pentru care centrala a fost prevazuta din fabricatie, se realizeaza utilizand kiturile corespunzatoare (pentru metan sau GPL) furnizate la cerere de catre Immergas.
Transformarea consta in inlocuirea duzelor arzatorului si in mutarea puntii "METAN - GPL" (JP1) aflata pe placa electronica.
Presiunea maxima si minima sanitara vor fi reglate apoi pe valva de gaz in modul descris mai sus.
Se efectueaza apoi reglarea puterii maxime in faza de incalzire si a presiunii de aprindere a arzatorului (vezi tabelul de mai jos) actionand asupra trimmer-elor respective montate pe placa de aprindere si reglare (vezi functionarea placii electronice).
|
|
Metan |
GPL |
|
ZEUS Mini |
2,92 (30) |
6 (60) |
CIRCUITUL DE FUM

- FUNCTIONAREA
Produsele combustiei, dupa ce au traversat schimbatorul apa-gaz (1), sunt captate intr-o hota colectoare (2), in varful careia este instalat un ventilator extractor de fum (4).
Functionarea ventilatorului garanteaza evacuarea fortata a fumului si in acelasi timp creeaza o depresiune in camera etansa (5) ce permite aspirarea aerului necesar combustiei din exterior.
Evacuarea corecta a fumului este controlata de un presostat diferential (3) a carui interventie abiliteaza sau nu aprinderea flacarii arzatorului.
In partea superioara externa a camerei etanse se afla doua stuturi ce se inchid cu suruburi, accesibile frontal, prin intermediul carora este posibila prelevarea de aer necesar combustiei (6) si a fumului (7).
La partea superioara externa a camerei etanse sunt pozitionate doua prize de presiune ce se inchid cu suruburi, care permit masurarea semnalului la racordurile presostatului de fum (3).
Priza de presiune pozitiva (9) este racordata la interiorul camerei etanse prin intermediul unui tub din silicon (10).
In acelasi mod, priza de presiune negativa (8) este racordata la un tub in "Y" (11) care la randul sau este racordat la colectorul de fum (2) si la priza de presiune negativa a presostatului de fum (3).

- PRESOSTATUL DE FUM (5)
Este pozitionat in partea superioara interna a camerei etanse si releva, prin intermediul unor prize de presiune, diferenta de presiune dintre varful hotei colectoare de fum (punctul in care este pozitionat si functioneaza ventilatorul) si interiorul camerei etanse de aer.
Semnalul masurat de presostat este variabil in functie de lungimea terminalelor de aspiratie/evacuare si este masurabil de la prizele de presiune corespunzatoare, aflate in partea superioara a camerei etanse (8-9).
Interventia sa provoaca inchiderea contactului unui intrerupator (SV) care actioneaza pe placa de aprindere, abilitand sau nu aprinderea flacarii arzatorului.
|
|
ON |
OFF |
|
Presiuni ON / OFF Pa (mm H2O) |
44 (4,4) |
36 (3,6) |
- VENTILATORUL (4)
Extractorul functioneaza in aval de camera de combustie si este fixat vertical la partea superioara a colectorului (2) de unde aspira fumul introducandu-l in tuburile de evacuare la care este racordata centrala.
Este alimentat electric de catre placa de reglare si functionarea sa coincide cu cea a arzatorului.
|
|
SISTEME DE ASPIRATIE SI EVACUARE
(vezi instructiunile terminalelor de aspiratie si evacuare)
Centralele din seria ZEUS Maior sunt prevazute pentru racordarea la tubulaturi de aspiratie/evacuare asamblabile prin mufare.
- EVACUAREA
Racordarea la conductele de evacuare se realizeaza prin intermediul unei flanse (1) sau al unui cot flansat ce trebuie fixat pe racordul (4) aflat la partea superioara a camerei etanse, interpunand o garnitura cu o forma speciala (6).
Flansa difera daca se utilizeaza sistemul coaxial sau cel cu tuburi separate: in primul caz orificiul pentru aspirarea aerului (5) este liber, in timp ce in al doilea caz este obturat.
Pentru functionarea corecta a centralei este necesara instalarea pe racordul de evacuare (4) a unei diafragme (7) inainte de instalarea flansei (1).
Sunt prevazute diafragme de diametru diferit ce se monteaza in functie de tipul de tubulatura si de lungimea acesteia (vezi manualul de instructiuni al centralei).
- ASPIRATIA
In cazul utilizarii sistemului cu tuburi separate, racordarea la tuburile de aspiratie se realizeaza in mod analog cu cea la tuburile de evacuare, prin cuplarea la unul din cele doua orificii laterale de diametru 80 mm (2) prezente la partea superioara a camerei etanse care este accesibil dupa ce s-a indepartat capacul relativ de inchidere (3).
In caso di utilizzo di tubi coassiali l'aspirazione avviene sfruttando il foro concentrico esterno al raccordo di scarico (5).
In cazul utilizarii de tuburi coaxiale, aspiratia se realizeaza prin intermediul orificiului inelar exterior al racordului concentric (5).
- KITURI DE ASPIRATIE-EVACUARE
Kiturile cu accesoriile relative permit utilizarea a patru sisteme coaxiale si a doua sisteme cu tuburi separate.
Pentru detalii despre pierderile de sarcina ale fiecarui tip de accesoriu, diversele combinatii realizabile si utilizarea de diafragme de instalat in functie de lungimea tuburilor, vezi instructiunile relative la terminalele de aspiratie si evacuare (din manualul de instructiuni al centralei). Imbinarea accesoriilor (coturi, tuburi de prelungire, terminale) se realizeaza prin mufare si etansarea este asigurata de garnituri cu margine dubla.
Kit coaxial orizontal Ř 60 / 100 cu mufare
Tubul de evacuare ( 60 mm) este inserat in interiorul tubului de aspiratie ( 100 mm).
Racordarea la centrala se realizeaza prin intermediul unui cot de 90s (1) orientabil in orice directie care, prin intermediul unor tuburi de prelungire (daca sunt necesare), va fi racordat la un terminal de aspiratie si evacuare corespunzator (2).
Lungimea maxima permisa dupa primul cot (1) este de 3 m rectilinii orizontali.

Kit coaxial orizontal Ř 80 /125 cu mufareTubul de evacuare ( 80 mm) este inserat in interiorul tubului de aspiratie ( 125 mm).
Racordarea la centrala se realizeaza prin intermediul unui cot de 90s (1) orientabil in orice directie care, prin intermediul adaptorului Ř60/100 - Ř80/125 (2) si al tuburilor de prelungire necesare, va fi racordat la un terminal de aspiratie si evacuare corespunzator (3)
Lungimea maxima permisa dupa primul cot (1) este de 7,3 m rectilinii orizontali.
Tubul de evacuare ( 60 mm) este inserat in interiorul tubului de aspiratie ( 100 mm).
Racordarea la centrala se realizeaza cu o flansa (1) care, prin intermediul tuburilor de prelungire necesare, va fi racordata la un terminal de aspiratie si evacuare Ř 60 /100 cu tigla din aluminiu.
Lungimea maxima permisa este de 4,7 m rectilinii verticali.
Tubul de evacuare ( 80 mm) este inserat in interiorul tubului de aspiratie ( 125 mm).
Racordarea la centrala se realizeaza cu o flansa (1) care, prin intermediul adaptorului Ř60/100 - Ř80/125 (3) si al tuburilor de prelungire necesare, va fi racordata la un terminal de aspiratie si evacuare Ř 80 /125 cu tigla din aluminiu (2).
Lunghimea maxima permisa este de 12,2 m rectilinii verticali.
Ambele tuburi au un diametru de 80 mm.
Racordurile la centrala se realizeaza prin intermediul a doua flanse corespunzatoare, care permit evacuarea (1) prin racordul central si aspiratia (2) prin unul din cele doua orificii laterale.
Lungimea maxima permisa (aspiratie + evacuare) este de 33 m rectilinii orizontali si de 41 m rectilinii verticali.
Pentru a evita problemele de condens, tubul de evacuare va fi limitat la o lungime maxima de 5 m.

Ambele tuburi au un diametru util de 80 mm.
Racordurile
la centrala se realizeaza prin intermediul a doua flanse
corespunzatoare, care permit evacuarea (1) prin racordul central si
aspiratia (2) prin unul din cele doua orificii laterale.
Izolarea este obtinuta gratie unor garnituri (3) care permit crearea unui strat izolator de aer intre tubul interior Ř80 mm si cel coaxial exterior de Ř125 mm.
Lungimea maxima permisa este de 33 m rectilinii (aspiratie + evacuare).
Pentru a evita probleme de condens, tubul de evacuare va avea o lungime maxima de 12 m
|
|
CIRCUITUL ELECTRIC
MODUL
RACORDARE VALVA CU 3 CAI Secundar ALIMENTARE 230 V CA Primar PLACA
DE APRINDERE SI
MODULARE
E1/E2 - Electrozi de aprindere
E3 - Electrod de relevare
F - Siguranta fuzibila
IG - Intrerupator general
JP1 - Selector tip de gaz
JP3 - Temporizare incalzire
LD1 - Led galben martor funct. arzator
LD2 - Led rosu alarme
MOD - Bobina de modulare
MP - Pompa de circulatie
MV- Ventilator
NM - Senzor NTC tur
NS - Senzor NTC sanitar
OP - Ceas programator
SV - Intrerupator presostat fum
TA - Termostat de ambient
TS -
Termostat siguranta
supratemperatura
VG - Valva de gaz
VD - Valva cu 3 cai electrica
VG - Valva de gaz
Circuitul electric al centralei Eolo Mini este controlat de catre o placa electronica cu microprocesor prevazuta pentru a controla toate dispozitivele electrice ale aparatului.
Dispozitivele de control si siguranta inserate in circuit actioneaza in parte la tensiunea din retea, iar pe de alta la joasa tensiune.
CIRCUITUL DE 230 V AC
|
Electrod de relevare (E3) |
Releva realizarea aprinderii arzatorului, prin ionizarea flacarii de care este acoperit. Este conectat la circuitul de aprindere/relevare al placii de reglare. |
|
|
|
|
|
Siguranta fuzibila |
Intrerupe alimentarea circuitului atunci cand curentul absorbit creste peste 2A. Este montata pe placa de modulare. |
Siguranta fuzibila 2A - 250V |
|
|
|
|
|
Termostat de siguranta la supratemperatura (TS) |
La depasirea temperaturii de siguranta (105 °C) termostatul intrerupe alimentarea bobinelor principale ale valvei de gaz (VG). Este instalat la iesirea din schimbator, in contact cu suprafata laterala a acestuia. |
Termostat clicson cu doua contacte |
COMPONENTE ALIMENTATE LA 230V CA
|
Pompa de circulatie (MP) |
Este alimentata de catre placa de reglare atunci cand exista o cerere de tip incalzire, sanitar sau anti-inghet. Realizeaza circulatia apei in circuitul primar. |
|
|
|
|
|
Electrozi de aprindere(E1-E2) |
Sunt comandati de circuitul de aprindere al placii de reglare care provoaca intre ele o descarcare electrica, in contact cu care amestecul aer-gaz se aprinde. |
|
|
Ceas programator (OP) (optional) |
Este un ceas care actioneaza asupra unui intrerupator (vezi sisteme de siguranta si control ale circuitului de joasa tensiune) care permite sau nu functionarea centralei in faza de incalzire pe durata intervalelor de timp selectionate. Este alimentat cu intrerupatorul general in pozitia 0, VARA si IARNA. |
|
|
|
|
Valva cu 3 cai electrica (VD) |
Permite devierea fluxului de agent primar din instalatia de incalzire spre serpentina boilerului si viceversa. Este alimentata de placa de reglare. |
|
|
|
|
Valva de gaz (VG) (bobine principale) |
Este alimentata de la circuitul de aprindere al placii atunci cand este necesara aprinderea arzatorului. Permite trecerea gazului la arzator. |
|
|
|
|
Ventilator (MV) |
Garanteaza circulatia aerului prin interiorul camerei de combustie etanse si evacuarea fumului rezultat in urma combustiei. Este alimentat de catre placa de modulare. |
CIRCUITUL DE JOASA TENSIUNE
SISTEME DE SIGURANTA si CONTROL
|
|
In functie de pozitia sa permite: |
|
|
|
Intrerupator general (IG) |
0
RESET |
circuitul de joasa tensiune nealimentat functionare in regim sanitar - functionare in regim sanitar si de incalzire - reluarea functionarii
dupa interventia sistemelor de |
Intrerupator dublu cu 3 pozitii + o pozitie de reset cu revenire |
|
|
|
|
|
|
Intrerupator ceas programator (OP) (optional) |
Actioneaza asupra placii de reglare permitand functionarea centralei in faza de incalzire, in intervalele orare selectate. Daca este montat singur, conexiunea se efectueaza la contactele 6 si 9 ale rigletei M3, dupa ce a fost indepartata puntea deja existenta P1. Daca este montat impreuna cu un termostat de ambient (TA) va fi conectat la contactele 6 si 7 ale rigletei M3, dupa ce a fost indepartata puntea existenta P1. |
Intrerupator cu doua contacte |
|
|
|
|
|
|
|
Presostat de fum (SV) |
Permite alimentarea circuitului de aprindere al placii de reglare, adica functionarea arzatorului, daca ventilatorul evacueaza fumul corect. In cazul in care intrerupatorul presostatului este inchis desi ventilatorul este oprit, placa electronica nu permite aprinderea arzatorului. |
Intrerupator cu doua contacte |
|
|
|
|
|
|
|
Senzor incalzire (NR) |
Permite placii de modulare sa masoare temperatura apei de pe turul circuitului primar. Defectarea sa blocheaza functionarea arzatorului atat la incalzire, cat si in regim sanitar. Este pozitionat la iesirea din schimbatorul principal. |
Senzor NTC 10 KOhm - 25 sC |
|
|
Senzor sanitar (NS) |
Permite placii de modulare sa masoare temperatura apei calde continute in boiler. Defectarea sa blocheaza functionarea arzatorului in faza sanitara. Este inserat intr-un orificiu aflat pe peretele boilerului pe care este fixat. |
Senzor NTC 10 KOhm - 25 sC |
|
|
|
|
|
Termostat de ambient (TA) (optional extern) |
Actionand aspra placii de reglare, permite functionarea centralei in regim de incalzire atunci cand temperatura ambientului este inferioara celei cerute. Daca este montat singur, conexiunea se efectueaza la conectorii 6 si 9 ai conectorului M3, dupa ce s-a indepartat puntea deja existenta P1. Daca este montat impreuna cu un ceas programator (OP), va fi conectat la conectorii 8 si 9 rigletei M3, dupa ce s-a indepartat puntea existenta P1. |
Intrerupator cu doua contacte |
|
Bobina de modulare (MOD) |
Este alimentata de placa de modulare cu un curent continuu variabil. Permite varierea presiunii de gaz la arzator. |
|
|
FAZA DE INCALZIRE


FUNCTIONARE
Intrerupatorul general (IG) in pozitia IARNA alimenteaza circuitul de joasa tensiune si abiliteaza functionarea in regim de incalzire.
La inchiderea contactului termostatului de ambient (TA) circuitul de reglare pune in functiune pompa de circulatie (MP) prin inchiderea contactului RELEULUI POMPEI.
Intre timp, prin deplasarea contactului RELEULUI 3 CAI, este alimentat motorul (M) al valvei cu 3 cai (VD), care ramane in functiune pana cand intrerupatorul de cap de cursa "A" se deschide ca urmare a ajungerii in pozitia incalzire.
Daca temperatura relevata de senzorul NTC de pe tur (NM) este inferioara celei fixate pe panoul de comanda cu ajutorul potentiometrului de incalzire, placa va pune in functiune ventilatorul (MV) comandand RELEUL VENTILATORULUI
Ulterioara inchidere a intrerupatorului presostatului de fum (SV) determina circuitul de reglare sa alimenteze RELEUL DE CERERE.
In acest mod este abilitata functionarea circuitului de aprindere (SECTIUNE APRINDERE) care intai comanda electrozii de aprindere (E1 - E2) si apoi excita RELEUL VALVEI DE GAZ.
Cu consensul termostatului de supratemperatura (TS), inchiderea contactului RELEULUI VALVEI DE GAZ permite alimentarea ambelor bobine principale ale valvei de gaz (VG).
Realizarea aprinderii arzatorului este relevata cu ajutorul electrodului de ionizare (E3).
N.B.: La fiecare stingere datorita atingerii temperaturii fixate a agentului termic, circuitul de reglare blocheaza functionarea arzatorului in regim de incalzire pentru un interval de 180 secunde, care poate fi redus la 30 s actionand aspra puntii corespunzatoare (JP3) (vezi functionarea placii de modulare).
CIRCUITUL ELECTRIC
FAZA SANITARA


Functionare
Intrerupatorul general (IG) in pozitia VARA sau IARNA alimenteaza circuitul de joasa tensiune si abiliteaza functionarea in regim sanitar.
Daca temperatura relevata prin intermediul senzorului NTC sanitar (NS) este inferioara celei fixate pe panoul de comanda cu potentiometrul sanitar, circuitul de joasa tensiune pune in functiune pompa de circulatie (MP) prin intermediul inchiderii contactului RELEULUI POMPEI.
Intre timp, circuitul de reglare alimenteaza servomotorul (M) al valvei cu 3 cai (VD) prin intermediul contactului in repaus NC al RELEULUI 3 CAI, care ramane in functiune pana cand intrerupatorul de cap de cursa "N" se deschide ca urmare a ajungerii in pozitie sanitara.
Placa de reglare pune in functiune ventilatorul (MV) comandand RELEUL VENTILATORULUI si apoi, la inchiderea intrerupatorului presostatului de fum (SV) va determina circuitul de reglare sa excite RELEUL DE CERERE.
In acest mod este abilitata functionarea circuitului de aprindere al placii (SECTIUNE APRINDERE) care intai comanda electrozii de aprindere (E1 - E2) si apoi excita RELEUL VALVEI DE GAZ.
Cu consensul termostatului de supratemperatura (TS), inchiderea contactului RELEULUI VALVEI DE GAZ permite alimentarea ambelor bobine principale ale valvei de gaz (VG).
Realizarea aprinderii arzatorului este relevata cu ajutorul electrodului de ionizare (E3).

Placa electronica cu microprocesor care echipeaza centralele ZEUS Mini integreaza functiile de aprindere si reglare a temperaturilor si prin intermediul unor leduri indica stadiul de functionare al aparatului, semnaland eventuale interventii ale sistemelor de sigurante cu care este dotata.
Gratie unui software adecvat cu o sectiune dedicata special comenzii valvei cu trei cai electrice (modul de conectare a valvei cu trei cai electrice), aceasta placa este prevazuta pentru a putea fi utilizata pe centralele seriei Mini cu acumulare (ZEUS Mini), instantanee (NIKE Mini si EOLO Mini) si numai pentru incalzire (NIKE Mini "S" si EOLO Mini "S").
Puntea JP2 permite de altfel selectarea a doua moduri diferite de functionare:
- JP2 absent (pozitie boiler), circuitul de reglare este predispus pentru functionarea cu un boiler de acumulare (valva cu trei cai electrica, sonda NTC sanitara, etc.)
- JP2 prezent (pozitie instantanee), circuitul de reglare este predispus pentru functionarea cu o valva cu trei cai hidraulica, o singura sonda de temperatura (sonda de tur) si efectueaza modularea sanitara cu set-point fix.
N.B.: racordarea electrica a acestei placi pe versiunile Mini instantanee, se va efectua acordand o atentie deosebita conectorului M6.
NIKE Mini si EOLO Mini nu sunt de fapt dotate cu sonda NTC sanitara si cablajul electric este prevazut cu un conector M6 cu 4 poli care va trebui inserat pe conectorul "M6" cu 6 poli lasand liberi pinii 41 si 42 (destinati sondei sanitare).
- FUNCTIONARE
Cerere incalzire
Cu intrerupatorul general (IG) in pozitia IARNA si contactul termostatului de ambient (TA) inchis, circuitul de reglare pune in functiune pompa (MP) prin intermediul RELEULUI POMPEI si alimenteaza servomotorul (M) al valvei cu 3 cai (VD) prin intermediul RELEULUI 3 CAI.
Daca temperatura relevata de senzorul NTC de pe tur (NM) este inferioara celei fixate pe panoul de comanda cu ajutorul potentiometrului de incalzire, placa va alimenta ventilatorul (MV) excitand RELEUL VENTILATORULUI.
Functionarea corecta a ventilatorului (MV) va determina inchiderea contactului presostatului de fum (SV) permitandu-i circuitului de reglare sa excite RELEUL DE CERERE.
In acest mod este abilitata functionarea circuitului de aprindere al placii, care intai comanda electrozii de aprindere (E1 - E2) si apoi, prin intermediul RELEULUI VALVEI DE GAZ, bobinele principale ale valvei de gaz (VG).
In timpul fazei de aprindere semnalul cu impulsuri transmis bobinei de modulare este limitat de reglajul efectuat cu trimmer-ul de aprindere lenta (POT. APR. LENTA), iar apoi, dupa ce a relevat prezenta flacarii cu ajutorul electrodului de ionizare (E3), este adus la valoarea minima reglata pe valva de gaz.
Ulterior, semnalul variaza in mod direct proportional cu diferenta dintre temperatura fixata cu potentiometrul de incalzire (RISC) si aceea relevata cu senzorul NTC de incalzire (NM) si, daca este necesar, creste astfel incat sa ajunga in 100 de secunde la valoarea reglata cu trimmer-ul de putere maxima de incalzire (POT MAX. INC.).
La atingerea temperaturii fixate este deschis contactul RELEULUI DE CERERE ce determina stingerea arzatorului, a carui reaprindere datorita aceleiasi cereri este intarziata (temporizata) pentru o perioada de 180 s sau 30 s (in functie de pozitia jumper-ului JP3).
|
|
Cerere sanitara
Cu intrerupatorul general (IG) in pozitia VARA sau IARNA, daca temperatura relevata de senzorul NTC pozitionat pe boiler (NS) este inferioara (cu 7 sC) celei fixate cu potentiometrul sanitar (SANIT), circuitul de joasa tensiune pune in functiune pompa (MP) prin intermediul RELEULUI POMPEI si alimenteaza servomotorul (M) al valvei cu 3 cai (VD) prin intermediul contactului NC al RELEULUI 3 CAI in repaus.
Aprinderea arzatorului se realizeaza apoi in mod analog fazei de incalzire.
Dupa ce a relevat prezenta flacarii prin intermediul electrodului de ionizare (E3), modularea se realizeaza in mod direct proportional cu diferenta dintre temperatura de tur cuplata cu reglajul potentiometrului sanitar (SANIT) si temperatura relevata de senzorul de tur (NM).
Cand temperatura masurata de senzorul de tur (NM) depaseste valoarea temperaturii de tur de referinta, este deschis contactul RELEULUI CERERE care se inchide imediat ce temperatura scade din nou.
Atunci cand temperatura masurata de senzorul sanitar (NS) atinge valoarea fixata cu potentiometrul sanitar (SANIT), este deschis contactul RELEULUI CERERE si, dupa timpii de post-functionare, sunt deschise si contactele RELEU POMPA si RELEU VENTILATOR.
Cand temperatura scade nou, releele sunt alimentate pentru a initia un nou ciclu de aprindere. Daca in timpul functionarii temperatura masurata de senzorul de incalzire (NM) atinge 90 sC, este deschis contactul RELEULUI CERERE, care este inchis imediat ce temperatura scade la 75 sC.
|
|
Cerere anti-inghet
Cu intrerupatorul general (IG) in pozitia VARA sau IARNA, atunci cand temperatura relevata de senzorul NTC de pe tur (NM) scade sub 4 sC electronica pune in functiune centrala cu arzatorul la puterea minima, pana la atingerea unei temperaturi a apei in centrala de circa 42 sC.
|
|
INTRARI
|
Electrod de relevare (E3) |
Permite circuitului de aprindere al placii sa releve prezenta flacarii pe arzator. Daca aceasta nu se apare, intervine blocarea datorita lipsei aprinderii care este semnalata prin aprinderea ledului LD2 (rosu). Eventuala sa interventie inainte de aprinderea arzatorului este semnalata prin clipirea ledului LD2 (rosu). |
|
|
|
|
|
|
Intrerupator general (IG) |
Este un intrerupator dublu care, in functie de pozitie, alimenteaza sau nu circuitul de joasa tensiune si indica daca este abilitata functionarea in regim sanitar (VARA) sau in sanitar si incalzire (IARNA). In pozitia RESET deblocheaza circuitul de aprindere dupa interventia de blocare aprindere sau supratemperatura. |
Intreruptor A deschis =circuit OFF inchis = circuit ON Intrerupator B deschis = VARA inchis = IARNA |
|
|
|
|
|
Intrerupator ceas programator (OP) (optional) |
Este un intrerupator cu contacte curate comandat de un ceas care abiliteaza sau nu functionarea centralei in regim de incalzire in intervalele de timp prestabilite. |
deschis = incalzire OFF inchis = incalzire ON |
|
|
|
|
|
Presostat de fum (SV) |
Abiliteaza alimentarea valvei de gaz atunci cand functionarea ventilatorului garanteaza corecta evacuare a fumului. Eventuala sa inchidere cu ventilatorul oprit nu permite initierea ciclului de aprindere. |
deschis = ventilator OFF inchis = ventilator ON |
|
|
|
|
Senzor de tur(NM) |
Este o rezistenta variabila invers proportional cu temperatura apei de pe turul circuitului de incalzire. Este utilizat si ca termostat limita (90sC). |
Senzor NTC 10 kOhm la 25 sC |
|
|
|
|
|
Senzor sanitar (NS) |
Este o rezistenta variabila invers proportional cu temperatura apei continuta in boiler. |
Senzor NTC 10 kOhm la 25 sC |
|
|
|
|
|
Siguranta la supratemperatura (TS) |
La depasirea temperaturii de siguranta (105°C) intrerupe alimentarea bobinelor principale ale valvei de gaz (VG). Interventia sa blocheaza functionarea centralei (blocare datorita supratemperaturii) si este semnalizata prin clipirea ledului LD2 (rosu). |
Termostat clicson |
|
|
|
|
|
Termostat de ambient (TA) (optional) |
Este un intrerupator cu contacte curate care permite functionarea in regim de incalzire atunci cand temperatura mediului ambiant este inferioara celei cerute. |
deschis = incalzire OFF inchis = incalzire ON |
|
Bobina de modulare (MOD) |
Este un semnal cu unda patrata pozitiva cu raport ON-OFF (duty-cycle) variabil care comanda bobina de modulare a valvei de gaz si permite varierea presiunii de gaz la arzator. |
|
|
|
|
Electrozi de aprindere (E1) |
Este un semnal de inalta tensiune (circa 16 kV) care permite alimentarea electrozilor de aprindere pozitionat pe arzator. |
|
|
|
|
Ceas programator (OP) |
Permite alimentarea la 230V AC a ceasului programator (optional) care poate fi montat pe panoul de comanda al centralei indepartand capacul existent. Semnalul este prezent cu intrerupatorul general in pozitie OPRIT, VARA si IARNA. |
|
|
|
|
RELEU 3 CAI |
Este un releu care permite alimentarea servomotorului valvei cu 3 cai electrice (VD). Este excitat cu o cerere de incalzire, ramane in repaus cu o cerere sanitara. |
|
|
|
|
RELEU POMPA |
Este un releu unipolar destinat comandarii pompei (MP) care este excitat atunci cand ii este solicitata functionarea. |
|
|
|
RELEU CERERE |
Este un releu unipolar care este excitat atunci cand este necesara aprinderea arzatorului. Prin intermediul contactului sau este comandat circuitul de aprindere al placii de reglare. |
|
|
|
|
RELEU VALVA GAZ |
Este un releu unipolar care este excitat de catre circuitul de aprindere pentru a alimenta bobinele principale ale valvei de gaz (VG). |
|
|
|
|
RELEU VENTILATOR |
Este un releu unipolar care este excitat atunci cand este necesara functionarea ventilatorului (MV). |
REGLAJE
|
Potentiometru de incalzire (INC.) |
Permite fixarea temperaturii apei necesare pentru incalzire (agent termic) intre 35sC si 85sC. |
|
|
|
|
|
|
Potentiometru sanitar (SANIT.) |
Permite fixarea temperaturii apei din boiler intre 20sC si 55sC. |
|
|
|
|
|
|
Selector tip gaz (JP1) |
Adapteaza parametrii de modulare la tipul de gaz pentru care este prevazuta centrala. |
absent = metan prezent = GPL |
|
|
|
|
|
Selector modalitate (JP2) |
In functie de pozitie predispune placa pentru functionarea cu valva cu trei cai electrica sau cu valva cu trei cai hidraulica. Permite montajul placii pe centralele din seria Mini cu boiler (ZEUS) sau instantanee (NIKE si EOLO). |
absent = boiler prezent = instantanee |
|
|
|
|
|
Temporizare la incalzire (JP3) |
La fiecare stingere datorita atingerii temperaturii in regim de incalzire, este activata o intarziere de 180s / 30s pana la reaprinderea urmatoare datorata aceleiasi cereri de incalzire. |
absent = 30 s prezent (de serie)= 180 s |
|
|
|
|
|
Trimmer aprindere lenta (POT. APR. LENTA) |
Permite reglarea curentului la bobina de modulare si deci a presiunii gazului la arzator in timpul fazei de aprindere (de la min pana la 2 3 din maximul reglat pe valva). |
|
|
|
|
|
|
Trimmer putere max inc. (POT. MAX INC.) |
Permite reglarea puterii maxime in regim de incalzire la valoarea rezultata din calculul necesarului de caldura al spatiilor de incalzit (se poate regla intre minimul si maximul reglate pe valva de gaz). |
|
FUNCTII DE PROTECTIE SI DE SIGURANTA
|
Anti-blocare pompa |
Cu intrerupatorul general (IG) in
pozitia VARA sau IARNA, pompa (MP) este pusa in functiune
pentru 30 secunde dupa 24 ore de inactivitate. |
|
|
|
|
Anti-blocare valva cu trei cai |
Dupa 24 ore de inactivitate este alimentat pentru 10 secunde motorul (M) al valvei cu trei cai (VD) facand-o sa comute in pozitie incalzire. |
|
|
|
Blocare datorita
|
Daca in interval de 10 secunde de la inceperea ciclului de aprindere electrodul de relevare (E3) nu releva prezenta flacarii la arzator, este blocata functionarea centralei. Pentru a repune in functiune aparatul este necesar sa se aduca pentru scurt timp intrerupatorul general (IG) in pozitia RESET si sa se efectueze o cerere de functionare in regim sanitar sau de incalzire. Interventia acestei functii de siguranta este semnalizata prin aprinderea ledului LD2 (rosu). |
|
|
|
|
Blocare datorita supratemperaturii (TS) |
In cazul deschiderii contactului termostatului de supratemperatura (temperatura in circuitul primar peste 110°C) este blocata functionarea centralei. Pentru a repune in functiune aparatul este necesar sa se aduca pentru scurt timp intrerupatorul general (IG) in pozitia RESET si sa se efectueze o cerere de functionare in regim sanitar sau de incalzire. Interventia acestei functii de siguranta este semnalizata prin aprinderea ledului LD2 (rosu). |
|
|
|
|
Lipsa apa / absenta circulatie |
Pentru a evita supraincalzirea schimbatorului apa-gaz, atunci cand senzorul NTC de pe tur (NM) releva o crestere a temperaturii mai mare de 5 sC la fiecare 1,5 secunde (lipsa apa, pompa blocata, robinete de izolare a instalatiei inchise, etc), arzatorul este stins. Interventia acestei functii de siguranta este semnalizata pe panoul de comanda prin aprinderea ledului LD2 (rosu) si clipirea ledului LD1 (galben). |
|
Post-circulare pompa |
Pentru evitarea supraincalzirii schimbatorului apa-gaz, la terminarea fiecarei cereri de incalzire (deschiderea termostatului de ambient sau anti-inghet) pompa de circulatie este mentinuta in functiune pentru 30 secunde cu valva cu trei cai (VD) in pozitia incalzire. La terminarea oricarei cereri sanitare, pompa (MP) este mentinuta in functiune pentru 30 secunde cu valva cu trei cai (VD) in pozitie : - sanitara, daca intrerupatorul general (IG) este in pozitie VARA (post-circulare pe serpentina boilerului) -incalzire, daca intrerupatorul general (IG) este in pozitie IARNA (post-circulare pe instalatie) |
|
|
|
|
Post-ventilare |
Pentru evitarea supraincalzirii schimbatorului apa-gaz, dupa stingerea arzatorului la terminarea oricarei cereri (sanitare sau de incalzire), se realizeaza evacuarea gazelor arse calde din camera de combustie, prin mentinerea ventilatorului (MV) in functiune pentru 20 secunde. |
|
|
|
|
Siguranta
defectare |
Defectarea senzorului sanitar (NS) interzice functionarea in regim sanitar. Defectarea senzorului de incalzire (NR) interzice functionarea in regim de incalzire si sanitar. Interventia sa este semnalizata de clipirea ledului galben LD1. |
|
|
|
|
Ventilare la supratemperatura tur |
Pentru evitarea supraincalzirii schimbatorului apa-gaz, daca temperatura circuitului primar relevata de senzorul NTC primar (NM) depaseste 105°C, este pornit ventilatorul (MV) si este mentinut in functiune cand temperatura scade sub 100°C. |
|
LD1 (led galben) |
|
LD2 (led rosu) |
In functie de stadiul lor indica urmatoarele situatii |
|
|
|
|
|
|
|
|
|
|
|
stins |
|
stins |
- centrala oprita (lipsa alimentare electrica) |
|
|
|
|
|
|
clipeste ON = 0,2 s OFF = 4,5 s |
|
stins |
- centrala in stand-by (asteptare cereri) |
|
|
|
|
|
|
clipeste ON = 1,5 s OFF = 1,5 s |
|
stins |
- defectare senzor NTC sanitar (NS) sau senzor de tur (NM) |
|
|
|
|
|
|
aprins |
|
stins |
-arzator in functiune |
|
|
|
|
|
|
stins |
|
clipeste ON = 1,5 s OFF = 1,5 s |
-
interventie blocare datorita supratemperaturii |
|
|
|
|
|
|
stins |
|
aprins |
-
interventie blocare datorita nerealizarii aprinderii |
|
|
|
|
|
|
clipesc simultan ON = 1,5 s OFF = 1,5 s |
- intrerupator presostat de fum (SV) deschis
(evacuare fum |
||
|
|
|
|
|
|
clipeste ON = 1,5 s OFF = 1,5 s |
|
aprins |
- interventie siguranta lipsa circulatie/circulatie insuficienta (lipsa apa, pompa blocata, robineti de izolare inchisi, etc.) |
|
|
SECVENTA DE FUNCTIONARE ZEUS Mini
|
Regim de incalzire |
|
Regim sanitar |
||||
|
PUNERE SUB TENSIUNE |
|
PUNERE SUB TENSIUNE |
||||
|
Intrerupator general in pozitia IARNA |
|
Intrerupator general in pozitia VARA sau IARNA |
||||
|
|
|
|
||||
|
ALIMENTARE CIRCUIT REGLARE |
|
ALIMENTARE CIRCUIT REGLARE |
||||
|
Inchiderea contactelor intrerupatorului general (pozitia IARNA) alimenteaza circuitul de reglare si abiliteaza functionarea in regim de incalzire |
|
Inchiderea contactelor intrerupatorului general (pozitia VARA sau IARNA) alimenteaza circuitul de reglare si abiliteaza functionarea in regim sanitar |
||||
|
|
|
|
||||
|
CERERE DE INCALZIRE |
|
CERERE SANITARA |
||||
|
Inchidere intrerupator termostat de ambient |
|
Temperatura apei din boiler inferioara celei fixate |
||||
|
|
|
|
||||
|
ALIMENTARE POMPA SI VALVA CU 3 CAI |
|
ALIMENTARE POMPA SI VALVA CU 3 CAI |
||||
|
Placa de modulare alimenteaza pompa de circulatie si valva electrica cu 3 cai. Valva este adusa in pozitia incalzire. |
|
Placa de modulare alimenteaza pompa de circulatie si valva electrica cu 3 cai. Valva este adusa in pozitia sanitara. |
||||
|
|
|
|
||||
|
ALIMENTARE CIRCUIT DE APRINDERE |
|
ALIMENTARE CIRCUIT DE APRINDERE |
||||
|
Daca temperatura apei din circuitul de incalzire este inferioara celei fixate, circuitul de reglare al placii alimenteaza circuitul de aprindere |
|
Circuitul de reglare al placii alimenteaza circuitul de aprindere |
||||
|
|
|
|
||||
|
|
CONTROL CONTACT DESCHIS PRESOSTAT DE FUM |
|
||||
|
|
Placa verifica pozitionarea corecta a presostatului de fum (contact deschis) |
|
||||
|
|
|
|
||||
|
|
ALIMENTARE VENTILATOR |
|
||||
|
|
Placa de modulare alimenteaza ventilatorul |
|
||||
|
|
|
|
||||
|
|
CONTROL CONTACT INCHIS PRESOSTAT DE FUM |
|
||||
|
|
Placa verifica inchiderea contactului presostatului de fum datorita functionarii ventilatorului (contact inchis) |
|
||||
|
|
|
|
||||
|
|
ALIMENTARE ELECTROZI DE APRINDERE |
|
||||
|
|
Circuitul de aprindere al placii alimenteaza electrozii de aprindere |
|
||||
|
|
|
|
||||
|
|
ALIMENTARE BOBINE VALVA GAZ |
|
||||
|
|
Cu consensul termostatului de supratemperatura (TS), circuitul de aprindere alimenteaza bobinele principale ale valvei de gaz. |
|
||||
|
|
|
|
||||
|
|
APRINDERE ARZATOR (LENTA) |
|
||||
|
|
Placa transmite bobinei de modulare curentul necesar aprinderii lente. |
|
||||
|
|
|
|
||||
|
|
RELEVARE FLACARA |
|
||||
|
|
Prin intermediul electrodului de relevare, circuitul de aprindere releva prezenta flacarii pe arzator si termina ciclul de aprindere |
|
||||
|
|
|
|
||||
|
|
CENTRALA IN FUNCTIUNE |
|
||||
|
|
Arzatorul functioneaza la o putere variabila in functie de tipul de cerere, de reglajele/valorile de temperatura fixate si de cele relevate de senzorii NTC |
|
||||
DATE TEHNICE ZEUS Mini
|
Putere termica in focar nominala |
kW (kcal/h) |
25,5 (21972) |
|
Putere termica in focar minima |
kW (kcal/h) |
11,0 (9467) |
|
Putere termica utila nominala |
kW (kcal/h) |
23,3 (20000) |
|
Putere termica utila minima |
kW (kcal/h) |
9,3 (8000) |
|
Randament util la putere nominala |
|
91,0 |
|
Randament util la 30 % din puterea nominala |
|
84,5 |
|
|
0,96 / 1,30 |
|
|
|
0,68 / 7,70 |
|
|
|
|
|
|
Diametru duze (G20) |
mm |
1,30 |
|
Presiune de alimentare (G20) |
mbar (mm H2O) |
20 (204) |
|
Diametru duze (G30) |
mm |
0,77 |
|
Presiune de alimentare (G30) |
mbar (mm H2O) |
29 (296) |
|
Diametru duze (G31) |
mm |
0,77 |
|
Presiune de alimentare (G31) |
mbar (mm H2O) |
37 (377) |
|
|
|
|
|
Presiune maxima de lucru circuit incalzire |
bar |
3 |
|
Temperatura maxima de lucru circuit incalzire |
sC |
90 |
|
Temperatura reglabila incalzire |
sC |
38 - 85 |
|
Vas de expansiune volum total |
l |
8 |
|
Preincarcare vas de expansiune |
bar |
0,8 |
|
Continut de apa al generatorului |
l |
3,5 |
|
Sarcina hidraulica disponibila la debit de 1000 litri/h |
kPa (m H2O) |
23,5 (2,4) |
|
Putere termica utila la producerea de apa calda menajera |
kW (Kcal/h) |
23,3 (20000) |
|
(*) Temperatura reglabila apa calda menajera |
sC |
20 - 55 |
|
Limitator de flux |
l/min |
8 |
|
Presiune minima dinamica circuit sanitar |
bar |
0,1 |
|
Presiune maxima de lucru circuit sanitar |
bar |
8 |
|
Debit specific in functionare continua cu DT 30sC |
l/min |
13,9 |
|
Debit specific cu DT 30sC |
l/min |
11,1 |
|
Presiune minima pentru debitul limitatorului de flux |
bar |
1,0 |
|
Greutate centrala plina |
kg |
95 |
|
Greutate centrala goala |
kg |
56 |
|
|
|
|
|
Alimentare electrica |
V / Hz |
230 / 50 |
|
Curent absorbit nominal |
A |
0,75 |
|
Putere electrica instalata |
W |
135 |
|
Putere absorbita de pompa de circulatie |
W |
67 |
|
Putere absorbita de ventilator |
W |
45 |
|
Protectie instalatie electrica aparat |
|
IPX4D |
PARAMETRII DE COMBUSTIE
(cu temperatura aerului de combustie 15 sC si cu temperaturi Ttur / Tretur = 50 / 30 sC
|
|
||||
|
|
|
G20 |
G30 |
G31 |
|
Debit masic de fum la putere nominala |
kg/h |
62 |
62 |
62 |
|
Debit masic de fum la putere minima |
kg/h |
66 |
66 |
63 |
|
CO2 la putere nominala |
|
5,85 |
6,88 |
6,7 |
|
CO2 la putere minima |
|
2,26 |
2,6 |
2,7 |
|
CO la 0% de O2 la putere nominala |
ppm |
52 |
77 |
53 |
|
CO la 0% de O2 la putere minima |
ppm |
93 |
107 |
91 |
|
Nox la 0% de O2 la putere nominala |
ppm |
125 |
344 |
353 |
|
Nox la 0% de O2 la putere minima |
ppm |
86 |
113 |
199 |
|
Temperatura fum la putere nominala |
sC |
117 |
119 |
118 |
|
Temperatura fum la putere minima |
sC |
94 |
93 |
97 |
REGLAREA PUTERII TERMICE
|
|
|
METAN (G20) |
BUTAN (G30) |
PROPAN (G31) |
||||||||||
|
Putere Termica (Kcal/h) |
Putere Termica (kW) |
Debit de gaz la arzator (m3/h) |
Presiune la duze arzator (mbar)(mm H2O) |
Debit de gaz la arzator (kg/h) |
Presiune la duze arzator (mbar) (mm H2O) |
Debit de gaz la arzator (kg/h) |
Presiune la duze arzator (mbar) (mm H2O) |
|
||||||
|
20.000 |
23,3 |
2,70 |
11,14 |
114 |
2,01 |
28,30 |
289 |
1,98 |
36,60 |
373 |
|
|||
|
19.000 |
22,1 |
2,58 |
9,94 |
101 |
1,92 |
25,67 |
262 |
1,89 |
32,08 |
327 |
|
|||
|
18.000 |
20,9 |
2,45 |
8,83 |
90 |
1,82 |
23,18 |
236 |
1,80 |
27,96 |
285 |
|
|||
|
17.000 |
19,8 |
2,32 |
7,81 |
80 |
1,73 |
20,83 |
212 |
1,70 |
24,23 |
247 |
|
|||
|
16.000 |
18,6 |
2,19 |
6,87 |
70 |
1,63 |
18,62 |
190 |
1,61 |
20,88 |
213 |
|
|||
|
15.000 |
17,4 |
2,07 |
6,02 |
61 |
1,54 |
16,53 |
169 |
1,52 |
17,89 |
182 |
|
|||
|
14.000 |
16,3 |
1,94 |
5,24 |
53 |
1,45 |
14,57 |
149 |
1,42 |
15,26 |
156 |
|
|||
|
13.000 |
15,1 |
1,81 |
4,54 |
46 |
1,35 |
12,72 |
130 |
1,33 |
12,99 |
132 |
|
|||
|
12.000 |
14,0 |
1,69 |
3,93 |
40 |
1,26 |
11,00 |
112 |
1,24 |
11,07 |
113 |
|
|||
|
11.000 |
12,8 |
1,56 |
3,39 |
35 |
1,16 |
9,39 |
92 |
1,14 |
9,50 |
98 |
|
|||
|
10.000 |
11,6 |
1,43 |
2,92 |
30 |
1,06 |
7,89 |
81 |
1,05 |
8,30 |
85 |
|
|||
|
9.000 |
10,5 |
1,30 |
2,54 |
26 |
0,97 |
6,52 |
66 |
0,95 |
7,47 |
76 |
|
|||
|
8.000 |
9,3 |
1,17 |
2,24 |
23 |
0,87 |
5,20 |
53 |
0,86 |
7,02 |
72 |
Copyright © 2025 - Toate drepturile rezervate | |||