![]() | Aeronautica | Comunicatii | Constructii | Electronica | Navigatie | Pompieri |
| Tehnica mecanica |
Schema bloc a unui SRA pentru reglarea presiunii
Rolul blocurilor componente .
Descrierea functionarii dupa schema bloc.
Legi de reglare.
Marimi de intrare/iesire.
Reglarea presiunii
Presiunea este o marime scalara egala cu raportul dintre
forta exercitata normal pe elementul de suprafata si
suprafata elementului: p =![]()
Presiunea poate fi absoluta, daca se masoara in raport cu vidul absolut, relativa sau efectiva, daca se masoara ca diferenta fata de presiunea atmosferica, sau diferentiala, daca se masoara fata de o presiune considerata ca referinta.
Pentru caracterizarea presiunilor pentru fluidele ce se afla in miscare se considera o suprafata plana ce separa fluidul in doua mase de fluid aflate in miscare; presiunea exercitata in planul de separatie este presiunea statica. Daca in planul de separare se realizeaza intrun punct oprirea curgerii fluidului, presiunea corespunzatoare in acel punct reprezinta presiunea totala. Diferenta dintre presiunea totala si presiunea statica se numeste presiunea dinamica.
Unitatea de masura pentru presiune este pascalul (1 Pa = 1 N/m2), relativ mica pentru aplicatiile tehnice, unde se prefera barul (1 bar = 103 Pa).
In practica se mai folosesc si alte unitati de masura pentru presiune ca:
atmosfera tehnica (1 at = 1 Kgf/cm2);
atmosfera fizica (1 atm este presiunea hidrostatica echivalenta unei coloane de mercur cu densitatea de 13,595 g/cm3, avand inaltimea de 760 mm, la 0°C, corespunzatoare unei acceleratii gravitationale de 980,666 cm/s2);
mm coloana de mercur (1 mmHg = 1 torr este presiunea hidrostatica a unei coloane de mercur, in conditiile de mai sus cu inaltimea de 1 mm);
mm coloana de apa (1 mm H2O este presiunea hidrostatica echivalenta unei coloane de apa cu inaltimea de 1 mm).
Presiunea de referinta in tehnica, numita presiune normala (presiunea exercitata de o coloana de mercur cu inaltimea de 735,6 mm in conditiile precizate), este diferita de presiunea atmosferica normala care corespunde presiunii hidrostatice echivalenta unei coloane de mercur cu inaltimea de 760mm, la 0°C si acceleratie gravitationata de 980,666 cm/s2.
In natura si in instalatiile tehnice pot exista diferite tipuri de presiuni:
Suprapresiunea si depresiunea, fiind exprimate in raport cu presiunea atmosferica, se mai numesc si presiuni relative.
Domeniul de masurare a presiunii in stiinta si tehnica este deosebit de intins. Din aceasta cauza metodele de masurare a presiunii sunt specifice numai pentru anumite intervale de masurare.
Reglarea presiunii se face cu ajutorul regulatoarelor P pentru reglari simple, cu regulatoare PI cu banda de proportionalitate mare si constanta de timp de integrare mica pentru lichide, banda de proportionalitate mica si constanta de timp de integrare mare pentru gaze si abur, cu regulator PID in cazul in care se doreste obtinerea unor performante deosebite.
Reglarea automata a presiunii se poate realiza in mai multe moduri, in functie de specificul instalatiei tehnologice.
|
|
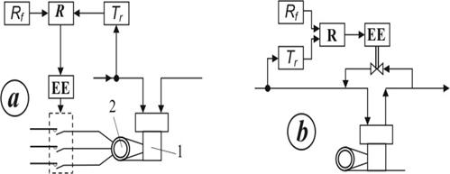
Fig. 2.1. Reglarea presiunii in recipiente cu circulatie |
Reglarea presiunii in recipiente cu circulatie se poate face prin schemele date in fig. 2.1.a si 2.1b. In aceste scheme, cat si in cele ce urmeaza, Tr este traductorul, RF - elementul de referinta (in cazul sistemelor de stabilizare), R - regulatorul iar EE - elementul de executie. In prima schema, organul de reglare este montat pe conducta de intrare, iar in a doua schema - pe conducta de evacuare. Cele mai utilizate scheme de reglare sunt cu actiune continua, cu regulator PI, si sisteme de reglare bipozitionale sau cu actiune directa (in instalatii la care nu se cer indicatori de performanta ridicati).
a) Reglarea presiunii gazelor in conducte se realizeaza cu scheme de tip aval sau de tip amonte (fig. 2.2).
|
|
Fig. 2.2. Reglarea presiunii gazelor in conducte |
In aceste aplicatii se utilizeaza foarte frecvent regulatoarele cu actiune directa. In figura 2.3.a si figura 2.3.b. se prezinta doua solutii des utilizate pentru reglarea presiunii de aspiratie a compresoarelor din instalatiile frigorifice.
|
|
Fig. 2.3. Reglarea presiunii de aspiratie a compresoarelor din instalatiile frigorifice |
b) In schema din figura 2.3.a, presiunea de aspiratie a compresorului 1 se regleaza bipozitional, prin cuplarea si decuplarea motorului de antrenare 2. Daca presiunea de aspiratie scade sub valoarea de basculare in starea "0" a regulatorului bipozitional se comanda oprirea motorului. Daca presiunea creste peste valoarea de basculare in starea "1" a regulatorului bipozitional, se comanda pornirea motorului.
In schema din figura 2.3.b. reglarea presiunii de aspiratie se face prin recircularea unei parti din gazul comprimat. Daca presiunea tinde sa scada sub valoarea permisa, se comanda deschiderea organului de reglare si invers. In aceste aplicatii se utilizeaza frecvent regulatoare cu actiune directa sau regulatoare specializate cu actiune indirecta. Presupunem ca in desfasurarea proceselor fizice, chimice si microbiologice din reactor, presiunea p se modifica in functie de aportul de caldura din exterior. In aceste conditii, intr-un ciclu de functionare a reactorului 1, presiunea se poate modifica prin ajustarea debitului de agent termic prin mantaua 2 a reactorului.
c) In figura 2.4. este prezentat reglajul presiunii intr-un rezervor. La intrarea in rezervor avem o presiune de intrare, la iesirea din rezervor presiunea este Pe. Pentru siguranta instalatiei, rezervorul este prevazut cu o supapa de siguranta, supapa care are rolul de a asigura presiunea prescrisa in acel recipient.
|
|
|
|
Fig. 2.4. Reglarea presiunii |
Fig. 2.5. Supape de siguranta |
Cateva tipuri de regulatoare si electroventile sunt prezentate in figura 2.6.
|
|
|
|
|
Regulatoare de presiune - 500 mbar, de la 3/8" la DN 150 |
Electroventile normal inchise, cu inchidere/deschidere lenta sau rapida, in una sau 2 trepte - 500 mbar, de la 1/4" la DN 200 |
Electroventile duble, compacte - 500 mbar, de la 3/8" la DN 125 |
|
Fig. 2.6. Regulatoare de presiune - electroventile |
||
Activitatea
de invatare 2

Competente vizate:
Elaboreaza scheme bloc pentru diferite posibilitati de reglare automata a unui proces
Analizeaza modul de conectare a elementelor componente pentru realizareaa unui SRA cu structura evoluata
Obiective vizate:
Aceasta activitate va va ajuta sa realizati macheta unei instalatii de reglare automata a presiunii pentru o schema data.
Durata: 180 minute.
Tipul
activitatii: lucrare
de laborator.
Se monteaza o instalatie hidraulica, conform schemei de mai jos (figura 2.7.) si planului de lucru (un cilindriu de ridicare trebuie sa apese pe o suprafata plana cu o presiune reglata corespunzator).

Figura 2.7.
Grup generator
Supapa de limitare a presiunii
Distribuitor 4/3
Cilindru cu dublu efect si franare la cap de cursa
Regulator de presiune, cu retur la bazin
Supapa de sens
Trei manometre
Fisa de lucru
Verificarea cunostintelor
Motorul electric nu va fi pus in functiune decat in prezenta instructorului. Nu lucrati cu mainile murdare de ulei (risc de alunecare). Defectele nu vor fi detectate decat daca instalatia nu mai este sub presiune. Montarea si demontarea instalatiei se face numai cand manometrul indica presiunea zero. Nici un obstacol mecanic nu trebuie sa incomodeze avansul tijei pistonului.
Cerinte:
1. Reglati:
presiunea pe1 la 2500 kPa (25 bar)
presiunea pe2 la 1000 kPa (10 bar) si la 1500 kPa (15 bar)
2. Valorile marimilor masurate vor fi completate in tabelele de mai jos.
Reglajul regulatorului de presiune la pe2 = 1000 kPa (10 bar)
|
Starea cilindrului hidraulic |
pe1 kPa (bar) |
pe2 kPa (bar) |
pe3 kPa (bar) |
Comanda distribuitorului |
Timp, t s |
|
Avansul pistonului | |||||
|
Finalul cursei de avans |
- |
||||
|
Revenirea pistonului | |||||
|
Finalul cursei de revenire |
- |
Reglajul regulatorului de presiune la pe2 = 1500 kPa (15 bar)
|
Starea cilindrului hidraulic |
pe1 kPa (bar) |
pe2 kPa (bar) |
pe3 kPa (bar) |
Comanda distribuitorului |
Timp, t s |
|
Avansul pistonului | |||||
|
Finalul cursei de avans |
- |
||||
|
Revenirea pistonului |
| ||||
|
Finalul cursei de revenire |
- |
. . . . . . . . . . . . . . . . . . . . . . . . . . . . . . . . . .
Competente vizate:
Elaboreaza scheme bloc pentru diferite posibilitati de reglare automata a unui proces
Analizeaza modul de conectare a elementelor componente pentru realizareaa unui SRA cu structura evoluata
Obiective vizate:
Aceasta activitate va va ajuta sa realizati macheta unei instalatii de reglare automata a presiunii pentru o schema data.
Durata: 180 minute.
Tipul activitatii: lucrare de laborator.
Se monteaza o instalatie electro-pneumatica pe un modul didactic conform schemei date in figura 2.8.
|
Grup generator |
Y1 solenoidul valvei y1 |
|
K1-contact al bobinei k1 |
S2-senzor cu rola pentru capat de cursa |
|
K2-contact al bobinei k2 |
p-presostat |
|
K3-contact al bobinei k3 |
b1-senzor pentru inceputul cursei pistonului |

Mod de lucru:
La actionarea intrerupatorului 1, electrovalva y1 actioneaza asupra circuitului prin permiterea trecerii agentului motor de la sursa la piston, pistonul extinzandu-se.
-In momentul in care diferenta de presiune intre calea de admisie si evacuare a pistonului atinge 6,8 bari, senzorul de presiune diferentiala actioneaza asupra circuitului, luand semnalul de pe extinderea electovalvei ducand la retragerea pristonului.
-pentru ca acest sistem sa functioneze este nevoie de o presiune minima a sistemului de alimentare cu agent motor (in acest caz aer comprimat) de 7 bari, presiunea de "operare" poate fi schimbata prin ajustarea senzorului diferential de presiune.
Test de autoevaluare
1. Care dintre simbolurile de mai jos corespunde unui regulator de presiune ?

2. Care este rolul unui regulator de presiune intr-o instalatie hidraulica ?
3. Explicati functionarea unui regulator de presiune, schematizat alaturat, daca presiunea creste in racordul aval.

5.
Forta elastica din resortul
unui regulator de presiune este reglata la 250
Autoevaluare
|
Nr. intrebare |
Raspuns corect |
rezultat |
|||
|
Nesatis-facator |
Satis- facator |
bine |
foarte bine |
||
|
c), d). | |||||
|
Asigura fuctionarea
agregatului hidraulic ca o sursa de presiune | |||||
|
Este schema constructiv-functionala a unui regulator de presiune (o supapa de reglare a presiunii normal-deschisa), care controleaza presiunea din racordul aval -Pe2 (Y conectat la A), in functie de reglajul surubului sau. | |||||
|
N=A* pe2=2*10-4*2000*103=400 N | |||||
|
pe2=N/A=250/2*10-4=125*104Pa=1250kPa | |||||
|
In coloana A a tabelului de mai jos sunt prezentate cateva scheme pentru reglarea presiunii, iar in coloana B sunt enumerate tipurile de scheme. Faceti asocierea literelor din coloana A cu cifrele corespunzatoare raspunsului corect din coloana B.
|
A |
B |
||
|
A |
|
Schema de tip aval pentru reglarea presiunii gazelor in conducte |
|
|
B |
|
Schema de tip amonte pentru reglarea presiunii gazelor in conducte |
|
|
C |
|
Schema pentru reglarea presiunii de aspiratie a compresoarelor din instalatiile frigorifice, prin cuplarea si decuplarea motorului de antrenare |
|
|
D |
|
Schema pentru reglarea presiunii in recipiente cu circulatie, cu reglarea pe conducta de evacuare |
|
|
E |
|
Schema pentru reglarea presiunii de aspiratie a compresoarelor din instalatiile frigorifice, prin circulatia unei parti din gazul comprimat |
|
|
F |
|
Schema pentru reglarea presiunii in recipiente cu circulatie, cu reglarea pe conducta de intrare |
|
Se considera schema din figura de mai jos, utilizata pentru reglarea automata a presiunii unui fluid la o valoare prescrisa pn.
|
a. Identificati in schema elementul de executie. b. Precizati tipul elementului de executie. c. Analizati functionarea schemei cand presiunea lichidului din conducta creste peste valoarea pn. |
|
Avand date figurile de mai jos, specificati denumirea elementului de executie, precum si tipul motorului de executie.
a) b) c)
In figura alaturata este reprezentat un sistem de control automat

a) Completati figura cu marimile specifice fiecarei sageti, specificand denumirea marimii
b) Specificati destinatia unui sistem de control automat
c) Enumerati trei operatii realizate de dispozitivul de control automat
Evaluare :
1. A- 4, B-5, C-1, D- 2, E-3, F-6
5x3=15 puncte
a) Elementul de executie este format din elementele 6, 7, 8
6 - cilindru
7 - piston cu doua fete active
8 - clapeta de inchidere
4x3=12 puncte
b) Elementul de executie este neelectric: hidraulic
3 puncte
c) Cand presiunea lichidului din conducta creste peste valoarea nominala pn, membrana 1 se deplaseaza in sus, comprima resortul 2 si punctul A se deplaseaza in A1, B in B1, C in C1, pistonul 7 se deplaseaza in jos si clapeta 8 obtureaza sectiunea de trecere a fluidului din conducta. In acest fel presiunea p scade pana ajunge la presiunea normala pn si elementul 4 revine in pozitia initiala.
8 puncte
- a - element de executie cu membrana; b - motor de executie pneumatic cu o fata activa; c - Motor de executie pneumatic cu ambele fete active.
3x4=12 puncte
4.
a) I - informatii transmise operatorului;
Xm - marime de executie;
Xp - marime perturbatoare;
Xe - marime de iesire.
4x4=16 puncte
b) Sistemele de control automat realizeaza supravegherea instalatiei automatizate IA, prin transmiterea la dispozitivul de automatizare, numit si dispozitiv de control automat, a tuturor marimilor masurabile din instalatie, care prezinta interes din punct de vedere tehnologic.
10 puncte
c) Operatiile realizate de dispozitivul de control automat pot fi: masurarea marimilor, inregistrarea acestora, integrarea (totalizarea) unor marimi - debit, energie - intr-o perioada data, compararea cu anumite limite de functionare normala si semnalizarea - acustica sau optica - a depasirii acestor limite, calculul unor bilanturi si al unor indicatori sintetici privind functionarea instalatiei tehnologice, cum sunt: bilanturi materiale si de energie, consumuri specifice, randament.
14 puncte
Copyright © 2025 - Toate drepturile rezervate
| Instalatii | |||
|
|||
|
| |||
|
| |||
|
|
|||