|  | Biologie | Chimie | Didactica | Fizica | Geografie | Informatica | 
| Istorie | Literatura | Matematica | Psihologie | 
LABORATOR

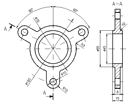
 Sa se realizeze desenul piesei
figura 1 (reprezentata in trei proiectii ortogonale - vedere
din fata, vedere de sus si sectiune laterala),
folosind comenzile de desenare si editare AutoCAD, cu gruparea diferitele
informatii grafice pe layere.
Sa se realizeze desenul piesei
figura 1 (reprezentata in trei proiectii ortogonale - vedere
din fata, vedere de sus si sectiune laterala),
folosind comenzile de desenare si editare AutoCAD, cu gruparea diferitele
informatii grafice pe layere. 
Fig. 1 - Modelul virtual sectionat, spre a vizualiza configuratia geometrica interioara
si desenul piesei pentru aplicatia rezolvata
Se incepe un desen nou selectind New, si la aparitia ferestrei Create New Drawing se opteaza pentru Use a Wizards cu varianta Quick Setup. Se va alege Decimal pentru unitatile de masura si dimensiunile corespunzatoare unui format A3 (420 x 297) pentru limitele desenului.
Folosind comanda Layer, diferitele elemente ale desenului vor fi grupate pe straturi, astfel:
 
 
Command: layer (sau se actioneaza butonul )
 Fig. 2
- Caseta de dialog pentru definirea layer-lor
Fig. 2
- Caseta de dialog pentru definirea layer-lor
Setind stratul Contur ca strat curent, se traseaza dreptunghiurile minime de incadrare al celor trei proiectii, conform relatiilor existente intre acestea si avind dimensiunile de gabarit ale piesei (L = 150, l = 20, h = 82). Se va avea grija ca, intre dreptunghiuri, sa se lase spatiu suficient pentru inscrierea cotelor. Pentru a pastra corespondenta dintre proiectii, se vor folosi modurile Grid (F7) si Snap (F9).
 Command: rectangle
Command: rectangle 
Specify first corner point or [ . ]: (se indica primul colt a dreptunghiului pentru VF-P1)
Specify other corner point or [Dimensions]: @150,82 (coltul opus)
<Enter> (pentru a repeta comanda)
Specify first corner point or [ . ]: (se indica primul colt a dreptunghiului pentru VS-P1)
Specify other corner point or [Dimensions]: @150,-20 (coltul opus)
<Enter> (pentru a repeta comanda)
Specify first corner point or [ . ]: (se indica primul colt a dreptunghiului pentru SL-P1)
 Specify other corner point
or [Dimensions]: @20,82 (coltul opus)
Specify other corner point
or [Dimensions]: @20,82 (coltul opus)
Pentru a putea folosi aceste dreptunghiuri in continuare, la realizarea celor trei proiectii, este convenabil ca ele sa nu mai fie considerate o entitate complexa (polilinie). Pentru aceasta ele vor fi editate folosind comanda Explode, si descompuse in entitati geometrice simple (4 linii).
 Command: explode
Command: explode
Select objects: (cele trei dreptunghiuri trasate)
Pentru a desena proiectia principala (vederea din fata) este util ca, folosind comanda UCS si optiunea O(rigin), sa definim un nou UCS cu originea pe mijlocul laturii de jos a proiectiei.
Command: ucs
Enter an option [New/Move//?/World/] <World>: o
Specify new origin point <0, 0, 0>: (mijlocul laturii)
 Pentru o mai buna vizualizare a zonei
din desen la care se lucreaza, se poate folosi comanda Zoom, alegind prin optiunea Window o fereastra de afisare
convenabila. In continuare, folosind comenzile Line  Circle Offset (fata de liniile existente), Trim si comanda Fillet se traseaza toate elementele ce
definesc conturul exterior si interior al proiectiei (figura 3).
 Pentru o mai buna vizualizare a zonei
din desen la care se lucreaza, se poate folosi comanda Zoom, alegind prin optiunea Window o fereastra de afisare
convenabila. In continuare, folosind comenzile Line  Circle Offset (fata de liniile existente), Trim si comanda Fillet se traseaza toate elementele ce
definesc conturul exterior si interior al proiectiei (figura 3).
 
 
Fig. 3 - Etape de lucru intermediare pentru trasarea vederii din fata
Pentru a desena proiectia orizontala, se defineste un nou UCS cu originea pe mijlocul laturii de jos a dreptunghiului de incadrare al proiectiei respective. In continuare, folosind comenzile Line Circle Offset si Trim se completeaza muchiile vizibile ale proiectiei (figura 4).

 
 
Fig. 4 - Etape de lucru pentru trasarea vederii de sus
In vederea completarii proiectiei laterale, se foloseste comanda Offset pentru trasarea axelor (la distantele de 45 si 3). In continuare, se traseaza configuratia interioara (conform traseului de sectionare stabilit) prin corespondenta cu proiectia principala, folosind o retea de linii ajutatoare (linii de constructie - Xline) dar si comenzile Offset si Trim, conform figurii 5.
 Command:
xline
Command:
xline
Specify a point or [Hor/Ver/Ang/Bisect/Offset]: h
Specify through point: (intersectia - P1)
Specify through point: (intersectia - P2)
Specify through point: (intersectia - P3)
Specify through point: (intersectia - P4)
Specify through point: (intersectia - P5)
Specify through point: (intersectia - P6)
Specify through point: <Enter>

 
 
Fig. 4 - Trasarea proiectiei laterale folosind linii ajutatoare (Xline)
In aceasta etapa, se traseaza linia de ruptura (linie subtire ondulata) ce delimiteaza sectiunea partiala realizata prin piesa. Linia de ruptura este construita folosind comanda Spline, prin specificarea unui sir de puncte de referinta si directia tangentei in punctele de capat. Pentru a elimina portiunile de linie care depasesc conturul piesei se foloseste comanda Trim
 Command: spline
Command: spline 
Specify first point or [Object]: (punct indicat cu mouse-ul - P1)
Specify next point: (urmatorul punct)
Specify next point or [Close/Fit tolerance] <start tangent>: (urmatorul punct)
: Pn
Specify next point or [Close/Fit tolerance] <start tangent>: <Enter>
Specify start tangent: (se indica cu mouse-ul)
Specify end tangent: (se indica cu mouse-ul)


 
 
 
 
Se trece pe stratul Hasuri. Urmeaza hasurarea suprafetelor rezultate in urma sectionarii piesei (vezi figura 1). Hasurarea consta in umplerea cu un anumit model a unui contur inchis si se realizeaza folosind comanda Bhatch. Comanda permite atit stabilirea parametrilor de hasurare (prin optiunile Pattern Angle si Scale) cit si specificarea conturului supus hasurarii (prin optiunea Pick Points), totul prin intermediul unei casete de dialog, conform figurilor 5 si 6.
 
 
Command: bhatch (sau se actioneaza butonul )
 
 
Fig. 5 - Caseta de dialog aferenta comenzii Bhatch
 
 
Fig. 6 - Indicarea contururilor de hasurat folosind optiunea Pick Points
 
 
Ultima etapa a reprezentarii sectiunii prin piesa este indicarea traseului de sectionare. Acesta se termina prin doua segmente groase, situate in afara conturului proiectiei. Pe fiecare din segmente se sprijina o sageata ce indica directia privirii, iar notarea traseului se face cu litere majuscule scrise linga sageata si deasupra proiectiei. Pentru trasarea acestor elemente se folosec comenzile Pline si Dtext (figura alaturata).
 Odata definit stilul de cotare (conform
laboratorului 4), se poate trece la inscrierea efectiva a cotelor,
operatie efectuata pe layer-ul curent 
Aplicatii propuse
 
 

Copyright © 2025 - Toate drepturile rezervate